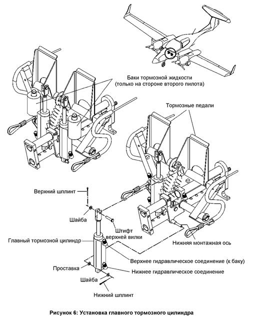
Принцип работы тормозной системы

При нажатии на тормозную подножку педали управления рулем направления жидкость из главного цилиндра поступает по выпускному шлангу в суппорт, на котором приводит в действие 2 поршня. Поршни прижимают нажимную пластину к тормозному диску колеса. При прижатии нажимной пластины к тормозному диску колеса возникает сила противодействия, стремящаяся оттолкнуть суппорт от диска. При движении от тормозного диска суппорт прижимает фрикционную накладку колодки к другой стороне диска. При этом тормозной диск зажимается между фрикционными накладками.

При ослаблении давления на тормозную педаль жидкость возвращается в главный цилиндр, суппорт растормаживает тормозной диск и свободное вращение колеса восстанавливается.

Правая тормозная педаль каждого узла педалей управления рулем направления управляет тормозом правого колеса. Левая тормозная педаль каждого узла педалей управления рулем направления управляет тормозом левого колеса.

 

 
 

При одновременном нажатии на левую и правую тормозные педали срабатывают тормоза обоих колес. При затягивании стояночного тормоза во время нажатия на обе тормозные педали кран стояночного тормоза запирает гидравлическую жидкость в тормозах и колесные тормоза фиксируются. Для растормаживания колес отпустить рычаг стояночного тормоза.