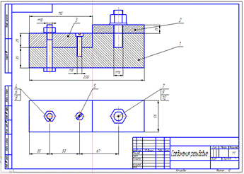
Обозначение позиций на чертеже резьбовых соединений
Возвращаемся к чертежу. Нажимаем кнопку Обозначения, выбираем кнопку Обозначение позиций 
Наносим позиции сначала для деталей, затем для стандартных изделий.
Для внесения сразу нескольких позиций от одной линии, необходимо перейти в меню Текст на панели Свойств и нажимая клавишу Enter ввести значения позиций.

Рисунок 19
Номера позиций берем строго из спецификации!
По ГОСТу позиции должны быть выровнены по вертикали или по горизонтали. Для выравнивания воспользуемся кнопками выровнять позиции по вертикали или горизонтали, предварительно выделив линии позиций (Рисунок 20).

Рисунок 20
В завершении наносим размеры резьбы на болте, винте и шпильке.
Окончательно чертеж резьбовых соединений выглядит так.

Рисунок 21