Источники питания объектов электроэнергией
1.1. Теплоэлектроцентрали (ТЭЦ)
ТЭЦ сооружаются для тепло- и электроснабжения крупных промышленных предприятий и городов и располагаются вблизи или на территории предприятий и городов возможно ближе к тепловой нагрузке. На ТЭЦ устанавливаются теплофикационные агрегаты с единичной мощностью до 250 МВт, поэтому крупные ТЭЦ относятся, несомненно, к мощным электростанциям.
На ТЭЦ с единичной мощностью агрегатов до 60 МВТ значительная часть электроэнергии выдается местным потребителям в радиусе 5…10 км на генераторном напряжении. Для этого на ТЭЦ сооружается генераторное распределительное устройство (ГРУ) напряжением 6-10 кВ. Структурная схема такой ТЭЦ показана на рис. 1.1,а.

а) б)
Рис. 1.1. Структурные схемы ТЭЦ
Генераторы G работают параллельно на ГРУ 6-10 кВ, от которого питаются потребители собственных нужд (с.н.) станции и местная нагрузка (м.н.). Связь с энергосистемой С и выдача в энергосистему избыточной мощности ТЭЦ осуществляется через трансформаторы Т на напряжении 110-220 кВ. При большом количестве отходящих линий 110-220 кВ при ТЭЦ сооружается распределительное устройство высокого напряжения РУВН 110-220 кВ.
Схемы ТЭЦ с единичной мощностью агрегатов 100-250 МВт строятся по блочному принципу. Структурная схема такой ТЭЦ показана на рис. 1.1,б. Здесь каждый генератор G через отдельный блочный трансформатор Т и РУВН 110-220 кВ выдает мощность в энергосистему С. Напряжение генераторов мощностью 160-250 МВт определяется параметрами серийных генераторов и составляет 15,75-18 кВ, поэтому питание с. н., имеющих напряжение 6-10 кВ, осуществляется через отдельные разделительные трансформаторы собственных нужд ТСН. Напряжение генераторов меньшей мощности составляет 10 кВ, поэтому питание с.н. и м.н. осуществляется без ТСН.
ТЭЦ с агрегатами различной мощности могут строиться по смешанной схеме, в которой генераторы небольшой мощности работают на ГРУ, а мощные генераторы работают по блочной схеме. Такая схема типична при расширении и увеличении мощности существующих ТЭЦ.
Количество и мощность генераторов ТЭЦ с ГРУ определяются на основании проекта электроснабжения потребителей на генераторном напряжении и должны быть такими, чтобы при останове одного любого генератора оставшиеся в работе генераторы полностью бы обеспечивали питание указанных потребителей. Количество и мощность генераторов блочных ТЭЦ определяются на основании проекта развития генерирующих мощностей энергосистемы.
В схемах ТЭЦ с ГРУ связь с системой осуществляется, как правило, через два трансформатора Т. Выбор мощности этих трансформаторов должен проводиться с учетом графика тепловой нагрузки ТЭЦ, возможного отказа одного из генераторов и других факторов. Ориентировочно мощность одного трансформатора связи с энергосистемой рекомендуется выбирать по следующим соотношениям:
Sт » (Sуст – Sсн – Sмн)/2; Sт » Sмн/2, (1.1)
где Sуст – суммарная установленная мощность генераторов ТЭЦ;
Sсн и Sмн – суммарная мощность собственных нужд и местной нагрузки на генераторном напряжении.
В блочной схеме ТЭЦ мощность трансформатора каждого блока выбирается по условию
Sт » Sг– Sсн – Sмн, (1.2)
где Sг – мощность генератора блока;
Sсн и Sмн – мощность собственных нужд и местной нагрузки на генераторном напряжении блока.
При проектировании ТЭЦ одним из важных вопросов является выбор схемы электрических соединений станции. От выбранной схемы зависит:
надежность работы ТЭЦ,
экономичность,
оперативная гибкость (приспособляемость к изменяющимся условиям работы),
удобство эксплуатации,
безопасность обслуживания,
возможность расширения станции.
На выбор схемы электрических соединений ТЭЦ влияют следующие факторы:
расположение станции;
количество и мощность генераторов, трансформаторов, отходящих высоковольтных линий;
наличие и мощность местной нагрузки;
схема и напряжение прилегающих сетей энергосистемы;
уровень токов короткого замыкания (КЗ).
Видно, что выбор схемы электрических соединений ТЭЦ является достаточно сложным вопросом и решается отдельно для каждой конкретной ТЭЦ. Не вдаваясь в подробности выбора схемы электрических соединений, рассмотрим лишь наиболее типичные схемы.
На генераторном напряжении станций, отдающих большую часть электроэнергии местным потребителям, широко применяется схема с одной системой шин, соединенной в кольцо (рис. 1.2). Такая схема применяется на ТЭЦ с генераторами единичной мощности до 60 МВт включительно. Сборные шины разделены на секции В1, В2, В3 по числу генераторов G1, G2, G3. Секции соединяются между собой с помощью секционных выключателей QB и секционных реакторов LRB, которые служат для ограничения токов КЗ на шинах ГРУ.
Распределительные устройства отходящих линий 6-10 кВ присоединяются к шинам ГРУ через групповые сдвоенные реакторы LR1, LR2, LR3. Благодаря малой вероятности аварий в реакторе и его ошиновке, присоединение группового реактора осуществляется без выключателя. Для выполнения ремонтных работ в ячейке реактора предусматриваются только разъединители QS.
Каждая ветвь сдвоенного реактора рассчитана на ток 600-3000 А, что дает возможность присоединения нескольких отходящих линий напряжением 6-10 кВ к каждой секции. На схеме рис. 1.2 показано двенадцать линий, присоединенных через три групповых реактора.

Рис. 1.2. Схема электрических соединений ТЭЦ с ГРУ
Таким образом, количество присоединений к шинам ГРУ уменьшается по сравнению со схемой без сдвоенных реакторов. Это значительно увеличивает надежность работы главных шин станции, снижает затраты на сооружение ГРУ, уменьшает время монтажа. Применение токоограничивающих реакторов позволяет использовать в распределительных устройствах отходящих линий 6-10 кВ комплектные ячейки КРУ.
Если шины ГРУ не соединять в кольцо, то возникнет необходимость выравнивания напряжения между секциями В1, В2 и В3 при отключении одного из генераторов. Так, при отключении генератора G1 нагрузка первой секции В1 будет питаться от генераторов G2 и G3. Ток от генератора G2 пойдет через реактор LRB1, а ток от генератора G3 пойдет через два реактора LRB2 и LRB1. Из-за потери напряжения в реакторах уровень напряжения на секциях В1, В2 и В3 будет неодинаков: наибольший на секции В3 и наименьший на секции В1.
Для повышения напряжения на секции В1 необходимо шунтировать реактор LRB1, для чего в схеме предусмотрен шунтирующий разъединитель QSB1.
Порядок операций шунтирующими разъединителями должен быть следующим:
отключить секционный выключатель QB;
включить шунтирующий разъединитель QSB;
включить секционный выключатель QB.
В рассматриваемом режиме второй шунтирующий разъединитель QSB2 включать нельзя, так как это приведет к параллельной работе генераторов G2 и G3 без реактора между ними, что недопустимо по условиям отключения токов КЗ.
Чем больше секций на станции, тем сложнее поддерживать одинаковый уровень напряжения на секциях. Поэтому при трех и более секциях их соединяют в кольцо (см. пунктир на рис. 1.2).
В нормальном режиме кольцевой схемы все секционные выключатели QB включены, генераторы работают параллельно. При КЗ на одной секции выключателем Q отключается генератор данной секции и два соседних секционных выключателя QB. Параллельная работа других генераторов не нарушается.
При плановом отключении одного генератора, например при выводе в ремонт, потребители данной секции получают питание с двух сторон, что создает меньшую разницу напряжений на секциях и позволяет выбирать секционные реакторы на меньший длительный ток, чем в схеме с незамкнутой системой шин. В схеме кольца номинальный ток секционных реакторов принимают равным 50-60% номинального тока генератора, а сопротивление реакторов 8-10%.
Исполнение схемы РУВН зависит от количества отходящих линий. При двух отходящих линиях схема РУВН выполняется без сборных шин; при трех и более отходящих линиях используются схемы со сборными шинами. Более подробно схемы РУВН рассматриваются в следующем параграфе.
Рост единичной мощности турбогенераторов, применяемых на ТЭЦ (100, 200 МВт), привел к широкому распространению блочных схем. Типовая блочная схема ТЭЦ с генераторами разной мощности приведена на рис. 1.3. Близкие потребители на напряжение 6-10 кВ получают питание по реактированным отпайкам от генераторов G1 и G2. Более удаленные потребители питаются от шин 110 кВ. Параллельная работа генераторов осуществляется на высшем напряжении 110 кВ, что уменьшает токи КЗ на стороне 6-10 кВ.
Как и всякая блочная схема, такая схема дает экономию оборудования, а отсутствие громоздкого ГРУ позволяет ускорить монтаж электрической части станции.
Местная нагрузка получает питание от потребительского КРУ, которое имеет две секции шин с АВР на секционном выключателе. Трансформаторы связи с энергосистемой должны быть рассчитаны на выдачу всей избыточной активной и реактивной мощности и снабжаются устройством РПН.

Рис. 1.3. Схема электрических соединений блочной ТЭЦ
На трансформаторах блоков генераторов G3 и G4 также может быть предусмотрено устройство РПН (на рис. 1.3 показано пунктиром), позволяющее обеспечить соответствующий уровень напряжения на шинах 110 кВ при выдаче избыточной реактивной мощности ТЭЦ, работающей по тепловому графику нагрузки. Напряжение генераторов мощностью 160-250 МВт определяется параметрами серийных генераторов и составляет 15,75-18 кВ, поэтому питание собственных нужд, имеющих напряжение 6-10 кВ, осуществляется через отдельные разделительные трансформаторы собственных нужд ТСН.
Исполнение схемы РУВН зависит от количества отходящих линий. Более подробно схемы РУВН рассматриваются в следующем параграфе.
Современные мощные ТЭЦ сооружаются по блочной схеме. В блоках генератор-трансформатор устанавливаются генераторные выключатели (Q1…Q4), что повышает надежность питания с.н. и РУВН, так как при этом исключаются многочисленные операции в распределительных устройствах с.н. по переводу питания с.н. от резервного источника при каждом останове и пуске блока и исключаются операции выключателями высокого напряжения. Не следует забывать, что на ТЭЦ отключение и включение энергоблоков производятся значительно чаще, чем на конденсационных станциях.
1.2. Подстанции
Подстанции (главные понижающие подстанции ГПП, подстанции глубокого ввода ПГВ и др.) наряду с ТЭЦ являются источниками питания электроэнергией объектов (промышленных предприятий, городских районов и др.). Подстанции (ПС) размещают по возможности ближе к центру электрических нагрузок объекта.
Одним из важных вопросов при проектировании ПС является выбор ее схемы электрических соединений. Эта схема в большой степени зависит от способа присоединения ПС к питающей электрической сети. Рассмотрим эти способы на примере рис. 1.4, где все ПС условно показаны только шинами высшего напряжения.
Под центром питания (ЦП) электрической сети будем понимать шины соответствующего напряжения электростанции или подстанции более высокой ступени напряжения. Так, например, шины 110 кВ подстанции 220/110 кВ являются ЦП для электрической сети 110 кВ.
Тупиковая подстанция (ПС1 на рис. 1.4) получает питание с одной стороны по одной или двум параллельным линиям. Мощность, текущая от ЦП к тупиковой ПС, поступает только к потребителям этой ПС и не передается дальше.
Ответвительная подстанция (ПС2 на рис. 1.4) присоединяется глухой (без коммутационных аппаратов) отпайкой к одной или двум проходящим линиям. Такое присоединение ПС не требует больших затрат, однако эксплуатация линий с отпайками не удобна, поскольку при ремонте, например, одной линии участка ПС2-ПС3 необходимо отключать всю линию ЦП-ПС3. При этом потребители ПС2 и ПС3 будут получать питание по другой, но одной оставшейся в работе линии ЦП-ПС3.

Рис. 1.4. Способы присоединения ПС к питающей электрической сети
Проходная (транзитная) подстанция (ПС3 и ПС4 на рис. 1.4) включается в рассечку двух линий с односторонним питанием или в рассечку одной линии с двухсторонним питанием. Такие ПС более дорогие, чем ответвительные, так как требуют большего количества коммутационных аппаратов на высшем напряжении, чем ответвительные ПС. Однако эксплуатация линий с такими ПС более удобна, поскольку при ремонте, например, одной линии участка ПС3-ПС1 необходимо отключать только эту линию.
Узловая подстанция (ПС5 на рис. 1.4) присоединяется к центрам питания не менее чем тремя линиями. Для таких ПС требуются более сложные схемы электрических соединений на высшем напряжении, чем у тупиковых, ответвительных и проходных ПС.
Схемы электрических соединений подстанций тесно увязываются с их назначением и способом присоединения к энергосистеме. Все схемы электрических соединений подстанций можно разделить на следующие виды:
схемы без сборных шин (блочные и упрощенные схемы);
схемы многоугольников;
схемы с одной системой сборных шин (без обходной или с обходной системой шин);
с двумя системами сборных шин (без обходной или с обходной системой шин).
Схема электрических соединений подстанции должна быть обоснованно упрощена с учетом применения современного высоконадежного оборудования. Для распределительных устройств напряжением до 220 кВ включительно в основном рекомендуется применять блочные и упрощенные схемы, а также схемы с одной секционированной системой шин. Две системы шин и обходные системы шин рекомендуется применять только при наличии жесткого обоснования технико-экономическими расчетами.
В соответствии с указанными требованиями для распределительных устройств 35...220 кВ подстанций разработаны типовые схемы электрических соединений, приведенные на рис. 1.5. Распределительные устройства низкого напряжения (РУНН) показаны условно.
Блочные схемы, выполненные блоком линия-трансформатор с разъединителем или выключателем (рис. 1.5,а,б,в), применяются, главным образом, для тупиковых и ответвительных подстанций. В схеме рис. 1.5,а при повреждении в трансформаторе предусматривается передача отключающего импульса на головной выключатель.
В случае двухтрансформаторных подстанций используются два блока, не связанные между собой по стороне высшего напряжения, или два блока, связанные между собой неавтоматической (ремонтной) перемычкой из двух разъединителей (рис. 1.5,в). Эта перемычка позволяет осуществлять питание потребителей через два трансформатора при ремонте или повреждении одной из линий.
В упрощенных схемах используются рабочие перемычки (мостики) с выключателями и ремонтные перемычки с разъединителями (рис. 1.5,г,д). Такие схемы применяются на тупиковых, ответвительных и проходных подстанциях.
На проходных подстанциях перемычка с выключателем (рабочая перемычка) нормально замкнута, поскольку через нее осуществляется транзит мощности. Ремонтная перемычка на проходных подстанциях включается для транзита мощности через подстанцию при ремонте выключателя рабочей перемычки. На тупиковых и ответвительных подстанциях рабочая перемычка с выключателем нормально разомкнута, а ремонтная перемычка может отсутствовать.
В схеме рис. 1.5,г, применяемой натупиковых и ответвительных ПС, при повреждении одной из линий автоматически отключается выключатель со стороны поврежденной линии и включается выключатель в рабочей перемычке, оба трансформатора остаются в работе, а потребители получают питание по одной линии. При повреждении одного из трансформаторов автоматически отключается выключатель со стороны поврежденного трансформатора. Потребители будут получать питание по одной линии через один трансформатор.
В схеме рис. 1.5,д, применяемой натупиковых и ответвительных ПС, при повреждении одной из линий автоматически отключается выключатель со стороны поврежденной линии. Потребители будут получать питание по одной линии через один трансформатор. Включение в работу второго трансформатора может быть осуществлено оперативными переключениями через ремонтную перемычку. При повреждении одного из трансформаторов автоматически отключается выключатель со стороны поврежденного трансформатора. Потребители будут получать питание по одной линии через один трансформатор.

Рис. 1.5. Типовые схемы РУ высшего и среднего напряжения подстанций
Выбор между схемами рис. 1.5,г и д для тупиковых и ответвительных ПС определяется важностью автоматического сохранения в работе двух трансформаторов при повреждении одной из линий. С этой позиции предпочтение следует отдать схеме 1.5,г.
В схеме рис. 1.5,г, применяемой напроходных (транзитных) ПС, при повреждении одной из линий автоматически отключается выключатель со стороны поврежденной линии. Потребители будут получать питание по другой линии, но через два трансформатора, поскольку выключатель в рабочей перемычке остается включенным. Транзит мощности через ПС прерывается. При повреждении одного из трансформаторов автоматически отключается выключатель со стороны поврежденного трансформатора и выключатель в рабочей перемычке. Потребители будут получать питание по одной линии через один трансформатор. Транзит мощности через ПС автоматически прерывается, но может быть восстановлен оперативными переключениями через рабочую перемычку.
В схеме рис. 1.5,д, применяемой напроходных (транзитных) ПС, при повреждении одной из линий автоматически отключается выключатель в рабочей перемычке. Потребители будут получать питание по одной линии через один трансформатор. Транзит мощности через ПС прерывается. При повреждении одного из трансформаторов автоматически отключается выключатель со стороны поврежденного трансформатора. Потребители будут получать питание через один трансформатор. Транзит мощности через ПС сохраняется, поскольку выключатель в рабочей перемычке остается включенным.
Выбор между схемами рис. 1.5,г и д для проходных (транзитных) ПС определяется важностью автоматического сохранения транзита мощности через ПС при повреждении одного из трансформаторов. С этой позиции предпочтение следует отдать схеме 1.5,д.
Схема четырехугольника (рис. 1.5,е) является наиболее распространенной из схем многоугольников и применяется при четырех присоединениях (две линии и два трансформатора) и необходимости секционирования (деления) транзитной линии. В этой схеме каждая линия может подключаться к любому трансформатору. Для этого на присоединении каждой линии установлены два выключателя.
Схема четырехугольника обладает более высокой надежностью, чем схемы рис. 1.5,г,д, так как авария в линии или трансформаторе приводит к отключению только поврежденного элемента. При аварийном или плановом отключении одной из линий трансформаторы будут получать питание по второй линии. При аварийном или плановом отключении одного из трансформаторов транзит мощности через ПС сохраняется.
Схема четырехугольника применяется, как правило, для напряжений 220 кВ и при мощности трансформаторов 125 МВ×А и выше.
Схема с одной рабочей секционированной системой сборных шин (рис.1.5,ж) используется, как правило, для напряжения 35 кВ (высшего, среднего и низшего) при пяти и более присоединениях (два трансформатора три и более линии). Допускается применять эту схему для РУ 110-220 кВ при использовании высоконадежного оборудования, например герметизированных ячеек с элегазовой изоляцией.
В нормальном режиме работы секционный выключатель QB выключен. Если все присоединенные линии являются отходящими, выключатель QB включается при повреждении одного из трансформаторов. Если схема используется в транзитной ПС (ПС3 рис. 1.4), выключатель QB включается при повреждении одной из питающих линий.
Схема имеет ряд существенных недостатков:
ремонт одной секции сборных шин (или любого шинного разъединителя) связан с отключением всех линий, подключенных к этой секции;
повреждение на секции сборных шин приводит к отключению всех линий, отходящих от этой секции;
ремонт любого выключателя (кроме секционного) связан с отключением соответствующего присоединения линии или трансформатора.
Схема с одной рабочей секционированной системой сборных шин и обходной системой шин (рис. 1.5,з) с обходным Q1 и секционным QВ выключателями применяется для РУ 110-220 кВ при пяти и более присоединениях (два трансформатора три и более линии).
В нормальном режиме секционный выключатель QB и шиносоединительный выключатель Q1 отключены. Все разъединители QS линий и трансформаторов со стороны обходной системы шин (ОСШ) отключены. В нормальном режиме ОСШ находится без напряжения.
Схема с ОСШ является более надежной, чем предыдущая, поскольку позволяет проводить ремонт любого выключателя Q (линии или трансформатора) без отключения соответствующего присоединения. Для ремонта, например трансформаторного выключателя Q, включаются разъединитель QS и разъединители QS1 и QS2 обходного выключателя, включается обходной выключатель Q1, отключается выключатель Q и его разъединители. Трансформатор, питающий секцию 2, и линии, питающиеся от секции 2, остаются в работе. Для ремонта, например, линейного выключателя Q включаются разъединитель QS и разъединители QS1 и QS2 обходного выключателя, включается обходной выключатель Q1, отключается выключатель Q и его разъединители.
При ремонте одной секции шин (или любого шинного разъединителя) все линии, отходящие от этой секции, и трансформатор ремонтируемой секции отключаются. Это недостаток схемы.
Схема с двумя рабочими системами сборных шин и обходной системой шин (рис. 1.5,и) с обходным Q1 и шиносоединительным Q2 выключателями применяется для РУ 110-220 кВ при пяти и более присоединениях (два трансформатора, три и более линии).
В нормальном режиме обе системы шин I и II находятся под напряжением, все присоединения (линии и трансформаторы) равномерно распределены между системами шин.
В случае ремонта одной системы шин (или любого шинного разъединителя) все присоединения этой системы шин (линии и трансформатор) переводятся на вторую систему шин. Оба трансформатора остаются в работе. Это достоинства рассматриваемой схемы по сравнению с предыдущей схемой.
ОСШ, как и в предыдущей схеме, позволяет проводить ремонт любого выключателя (линии или трансформатора) без отключения соответствующего присоединения.
Типовые схемы РУНН 6...10 кВ, выполненные на базе комплектных шкафов КРУ, приведены на рис. 1.6.
Схема с одной секционированной системой шин (рис.1,6,а) применяется на подстанциях с трансформаторами без расщепления обмотки низшего напряжения. Схема с двумя секционированными системами шин (рис.1.6,б) применяется при расщепленных обмотках трансформаторов. При необходимости ограничения токов КЗ в цепи выключателей ввода Q устанавливаются токоограничивающие реакторы. При применении сдвоенных реакторов количество систем шин увеличится до четырех, а количество секций шин – до восьми.
При электроснабжении ответственных потребителей на секционных выключателях QВ предусматривается устройство автоматического ввода резервного питания (АВР). В нормальном режиме работы секционные выключатели отключены, трансформаторы работают раздельно. При исчезновении по какой-либо причине напряжения, например, на секции 1 автоматически отключается выключатель ввода Q1 и включается секционный выключатель QВ. Потребители секций 1 и 2 получают питание через трансформатор Т2.

а) б)
Рис. 1.6. Типовые схемы РУ 6...10 кВ подстанций
В настоящее время широко применяются комплектные трансформаторные подстанции блочного типа КТПБ с высшим напряжением до 220 кВ включительно. Применение КТПБ, укрупненные блоки которых полностью изготовлены в заводских условиях, позволяет уменьшить объем строительно-монтажных работ, увеличить надежность электроснабжения, повысить безопасность обслуживания, уменьшить габариты подстанций.
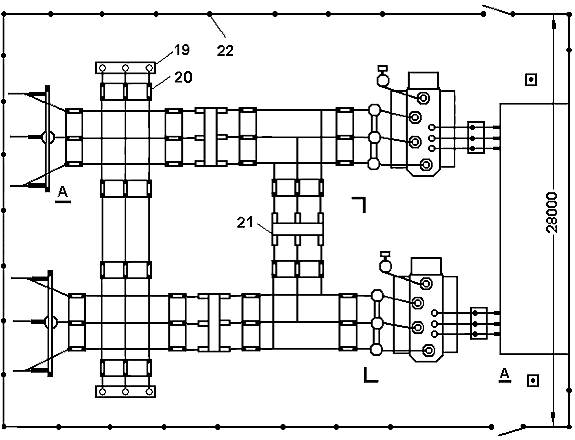
В зависимости от назначения и способа присоединения к электрической сети комплектация таких подстанций может быть самой разнообразной. На рис. 1.7 в качестве примера приведено конструктивное выполнение КТПБ напряжением 110/6-10 кВ с трансформаторами мощностью до 16 МВ×А включительно. Открытое распределительное устройство высшего напряжения выполнено в соответствии со схемой рис. 1.5,г. Распределительное устройство низшего напряжения выполнено закрытым.

Рис. 1.7. Конструктивное выполнение КТПБ напряжением 110/10 кВ:
1 - провода ВЛ; 2 - молниеотвод на портале; 3 - приемный портал; 4 - аппаратура высокочастотной связи; 5, 8, 10 – линейные разъединители; 6, 9 - разъединители в перемычках; 7, 15 - алюминиевые шины; 11 - выключатель; 12 - разрядник; 13 - разрядник и заземляющий нож в нейтрали трансформатора; 14 - силовой трансформатор; 16 - блок трансформатора собственных нужд; 17 - закрытое распределительное устройство 10 кВ; 18 - отдельно стоящий молниеотвод; 19 - трансформатор напряжения; 20 – разрядник; 21 - выключатель в перемычке; 22 - ограждение подстанции.
1.3. Основное оборудование источников питания
Основным электротехническим оборудованием ТЭЦ и ПС являются:
генераторы ТЭЦ;
трансформаторы ТЭЦ и ПС;
распределительные устройства ТЭЦ и ПС.
Генераторы. В качестве генераторов на ТЭЦ используются трехфазные синхронные турбогенераторы. Это достаточно сложное оборудование, которое подробно рассматривается в других дисциплинах, в частности в курсе «Электромеханика». Поэтому ниже приведены лишь самые общие сведения о турбогенераторах.
Синхронные турбогенераторы для ТЭЦ выпускаются следующих мощностей: 6; 12; 20; 32; 60(63); 100; 120; 160; 200 МВт. Номинальные напряжения этих генераторов составляют 6,3; 10,5; 15,75; 18 кВ. Коэффициент мощности cosj =0,8-0,85, частота вращения 3000 об/мин.
Для генераторов установлены буквенно-цифровые обозначения, в которых последовательно (слева направо) приводится следующая информация:
Т – турбогенератор;
В – водородное охлаждение;
ВВ – водородно-водяное охлаждение;
Ф – охлаждение форсированное;
число – мощность, МВт;
число – количество полюсов.
По способу отвода тепла от обмоток статора и ротора различают косвенное и непосредственное охлаждение. При косвенном охлаждении газ (воздух или водород) подается в зазор между статором и ротором в вентиляционные каналы. При этом охлаждающий газ не соприкасается с проводниками обмоток статора и ротора, и тепло, выделяемое ими, передается газу через изоляцию обмоток.
При непосредственном охлаждении охлаждающее вещество (газ или вода) соприкасается непосредственно с проводниками обмоток генератора.
Быстроходность турбогенератора определяет особенность его конструкции. Эти генераторы выполняются с горизонтальным валом. Ротор турбогенератора, работающий при больших механических и тепловых нагрузках, изготавливается из цельной поковки специальной стали, обладающей высокими магнитными и механическими свойствами.
Ротор выполняется неявнополюсным. В активной части ротора, по которой проходит основной магнитный поток, фрезеруются пазы, заполняемые катушками обмотки возбуждения. На валу ротора устанавливаются вентиляторы, обеспечивающие циркуляцию охлаждающего газа.
Статор турбогенератора состоит из корпуса и сердечника. Корпус изготавливается сварным. Сердечник набирается из листов электротехнической стали. Листы набирают пакетами, между которыми оставляют вентиляционные каналы. В пазы сердечника укладывается трехфазная обмотка статора.
Обмотка ротора генератора получает питание от специального источника постоянного тока, называемого возбудителем. Мощность возбудителя составляет 0,3-1 % от мощности генератора. Электрическое соединение возбудителя с обмоткой ротора выполняется преимущественно при помощи контактных щеток и колец. Совокупность возбудителя и различных вспомогательных и регулирующих устройств называется системой возбуждения.
Трансформаторы. На ТЭЦ и ПС устанавливаются силовые трехфазные трансформаторы различной номинальной мощности и напряжения. Силовые трансформаторы выпускаются в соответствии с рядом номинальных мощностей, установленным ГОСТ 9680-77 (табл. 1.1). Из табл. 1.1 шаг шкалы номинальных мощностей трансформаторов составляет »1,6.
Т а б л и ц а 1.1
| Номинальная мощность трансформатора, кВ×А | ||||
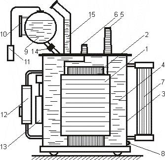
Типовая конструкция силового трансформатора показана на рис. 1.8.

Рис. 1.8. Общий вид масляного трансформатора
Обмотки 1, наматываемые на магнитный сердечник 2, составляют активную часть. Обмотки изготавливаются из медных или алюминиевых изолированных проводников. Магнитный сердечник набирается из листов электротехнической стали. Активная часть погружена в стальной бак 3, заполненный трансформаторным маслом 4. Вводы к обмоткам высшего и низшего напряжения выполняются через изоляторы 5 и 6. Охлаждение масла осуществляется с помощью радиаторов 7. В нижней части бака предусматривается кран 8 для слива масла.
Расширитель 9, связанный с баком, воспринимает изменение объема масла при изменении его температуры. По указателю 10 проверяют уровень масла. Воздухоосушитель 11, связывающий расширитель с окружающим воздухом, защищает масло от увлажнения. С помощью термосифонного фильтра 12 осуществляется постоянная регенерация масла. Устройство регулирования напряжения под нагрузкой РПН обозначено позицией 13.
Газовое реле 14, устанавливаемое в патрубке между баком и расширителем, защищает трансформатор от внутренних повреждений, сопровождающихся газовыделением, например при витковых замыканиях в обмотке. Выхлопная труба 15 защищает бак от разрыва при очень интенсивном выделении газа во время крупных повреждений внутри трансформатора, например при междуфазном КЗ. В этом случае разрывается мембрана в верхней части трубы и происходит выброс масла из бака.
Для трансформаторов установлены буквенно-цифровые обозначения, в которых последовательно (слева направо) приводится следующая информация:
вид устройства (А - автотрансформатор, без обозначения - трансформатор);
число фаз (О - однофазный, Т - трехфазный);
наличие расщепленной обмотки низшего напряжения - Р;
С - охлаждение естественное воздушное (трансформатор сухой);
М - охлаждение естественное масляное;
Д - охлаждение естественное масляное с принудительной циркуляцией воздуха (с дутьем);
ДЦ - охлаждение с принудительной циркуляцией воздуха и принудительной циркуляцией масла.
число обмоток трансформатора (Т - трехобмоточный, без обозначения - двухобмоточный);
вид регулирования напряжения (Н - наличие устройства регулирования напряжения под нагрузкой РПН, без обозначения - наличие устройства регулирования напряжения при отключении трансформатора от сети - устройства переключения без возбуждения ПБВ).
исполнение (З - защищенное, Г - герметичное);
номинальная мощность, кВ.А;
класс напряжения первичной обмотки высшего напряжения, кВ.
В конструкции трансформаторов защищенного и герметичного исполнения расширитель отсутствует. Изменение объема масла при изменении его температуры воспринимается азотной подушкой в надмасленном пространстве бака трансформаторов защищенного исполнения и гофрированным баком герметичных трансформаторов.
Обмотка трансформатора со стороны питания называется первичной, со стороны потребителя - вторичной.
Изменение напряжения в трансформаторе происходит в соответствии с его коэффициентом трансформации. Этот коэффициент равен отношению числа витков первичной w1 и вторичной w2 обмоток или отношению напряжений первичной и вторичной обмоток трансформатора без нагрузки (при холостом ходе):
kт = w1/ w2= U1/U2. (1.3)
Трехфазные трансформаторы имеют следующие схемы соединения обмоток:
звезда Y;
звезда с выведенной нейтралью
;
треугольник D.
Группой соединений обмоток трансформатора называется угловой сдвиг между одноименными векторами линейных напряжений первичной и вторичной обмоток трансформатора. Этот угловой сдвиг приводится к циферблату часов. Вектор напряжения обмотки высшего напряжения выполняет роль минутной стрелки и совмещается с цифрой 12 циферблата. Вектор напряжения обмотки низшего напряжения, выполняя роль часовой стрелки, указывает группу соединения обмоток, равную времени на условных часах.
Наибольшее распространение в энергосистемах получили следующие схемы и группы соединений двухобмоточных трансформаторов:
звезда – звезда с выведенной нейтралью Y/
– 0;
звезда – треугольник Y/D – 11;
звезда с выведенной нейтралью – треугольник
/D – 11.
Для трехобмоточных трансформаторов наиболее распространенной является схема и группа соединений обмоток
/Y/D – 0, 11.
Группа 0 характеризует отсутствие углового сдвига между векторами линейных напряжений обмоток
и Y, а группа 11– наличие углового сдвига на 30о между векторами линейных напряжений обмоток Y(
) и D.
В электрических сетях энергосистем наряду с трансформаторами применяются автотрансформаторы. Автотрансформаторы отличаются от трансформаторов наличием электрической связи между двумя обмотками. Выполняются автотрансформаторы, как правило, трехобмоточными, с электрической связью между обмотками высшего и среднего напряжений. Связь обмоток высшего и среднего напряжений с обмоткой низшего напряжения электромагнитная.
Применение автотрансформаторов оказывается экономически целесообразным для связи двух систем близких номинальных напряжений, например 220 и 110 кВ. Электрически связанные обмотки высшего и среднего напряжения соединяются в звезду с выведенной нейтралью. Обмотка низшего напряжения соединяется в треугольник. Схема и группа соединений обмоток автотрансформаторов
/
/D – 0, 11.
Распределительное устройство (РУ) – это электроустановка, предназначенная для приема и распределения электроэнергии и содержащая коммутационные аппараты, сборные и соединительные шины, а также устройства защиты, автоматики, телемеханики, связи и измерений.
На трансформаторных подстанциях количество РУ определяется количеством номинальных напряжений обмоток трансформаторов.
Распределительные устройства выполняются открытыми, закрытыми и элегазовыми.
Открытое распределительное устройство (ОРУ) – РУ, оборудование которого располагается на открытом воздухе. Территория ОРУ ограждается.
К достоинствам ОРУ относятся:
относительно невысокая стоимость,
хорошая доступность для наблюдения за всеми аппаратами,
простота расширения и реконструкции.
К недостаткам ОРУ можно отнести:
большую занимаемую площадь,
неудобство обслуживания оборудования при низких температурах и в ненастную погоду,
подверженность оборудования загрязнению.
ОРУ широко применяются для напряжений 35 кВ и выше.
Закрытое распределительное устройство (ЗРУ) – РУ, оборудование которого располагается в помещении (здании). ЗРУ используются при повышенной загрязненности и химической активности окружающей среды, в районах Крайнего Севера, а также часто в городах по архитектурным соображениям.
ЗРУ дороже, чем ОРУ, так как требуют специального здания. Для уменьшения стоимости ЗРУ здание сооружается из сборных железобетонных конструкций. Основным достоинством ЗРУ является меньшая занимаемая площадь, чем ОРУ, поскольку расстояния между токоведущими частями в ЗРУ допускаются меньше, чем в ОРУ. В этом смысле проще размещение ЗРУ в центрах электрических нагрузок промышленных предприятий и в городских районах с интенсивной застройкой.
ЗРУ применяются для напряжений до 220 кВ.
Элегазовое распределительное устройство (РУЭ) – РУ, в котором основное оборудование заключено в оболочки, заполненные элегазом (SF6), служащим изолирующей и дугогасящей средой.
Элегаз обладает высокими электроизоляционными и дугогасительными свойствами, не токсичен, не горит, не образует взрывоопасных смесей. Все аппараты РУЭ (выключатели, разъединители, измерительные трансформаторы и др.) имеют меньшие габариты, чем такие же аппараты с масляной и фарфоровой изоляцией. Каждый элемент РУЭ заключен в герметичный металлический заземленный кожух, заполненный элегазом под избыточным давлением. Отдельные элементы соединяются с помощью газоплотных фланцев.
Электрические соединения выполняются стержневыми шинами, заключенными в металлических корпусах с элегазом, и втычными контактами розеточного типа. Деление РУЭ на отдельные блоки позволяет заменять любой из них, сохраняя элегазовое заполнение в остальных блоках. Блоки РУЭ изготовляются на заводах и поставляются на место монтажа в готовом виде, где из отдельных блоков собирается весь комплект РУЭ.
РУЭ применяются для напряжений до 220 кВ.
Комплектное распределительное устройство - РУ, состоящее из шкафов со встроенными в них аппаратами, устройствами измерения, защиты и автоматики, поставляемых заводом-изготовителем в полностью собранном виде.
Шкафы комплектных распределительных устройств изготовляются для внутренней установки (КРУ) и наружной установки (КРУН). Последние имеют уплотнения, обеспечивающие защиту встроенной аппаратуры от загрязнения и атмосферных осадков.
Разновидностью шкафа КРУ является камера сборная одностороннего обслуживания (КСО). Заводское изготовление шкафов КРУ, КРУН и КСО позволяет обеспечить тщательность сборки всех узлов и высокую надежность работы. Полностью собранные и готовые к работе шкафы поставляются на место монтажа, где их соединяют шинами, подводят силовые и контрольные кабели.
Общий вид шкафа КРУ с выкатной тележкой показан на рис. 1.9,а. На тележке могут устанавливаться: силовой выключатель, трансформатор напряжения, разрядники, силовые предохранители или другое оборудование. Ремонт и обслуживание этого оборудования выполняются после снятия напряжения и выкатывания тележки из шкафа.

а) б)
Рис. 1.9. Общий вид шкафа КРУ и камеры КСО
Общий вид камеры КСО приведен на рис. 1.9,б. Ремонт и обслуживание оборудования, установленного в камере, выполняются через дверцы на передней стороне камеры после снятия напряжения. Камеры КСО изготовляются только для внутренней установки.
Комплектные распределительные устройства выполняются для напряжений 3-20 кВ. Выкатные КРУ применяются для ответственных электроустановок с большим количеством ячеек, где требуется быстрая замена выключателя, например для промышленных предприятий с высокой долей электроприемников 1 и 2 категории надежности. Камеры КСО широко применяются в городских электрических сетях, где основная масса электроприемников имеет 2 и 3 категории надежности.
Оборудование РУ ТЭЦ и ПС включают в себя большое количество различных аппаратов: коммутационных, измерительных, защитных и др. Ниже приводится краткая характеристика основного оборудования РУ.
Коммутационная аппаратура предназначена для проведения включений и отключений (коммутаций) в схемах РУ. В качестве основных элементов коммутационной аппаратуры можно выделить силовые выключатели и разъединители. К этой же аппаратуре относятся выключатели нагрузки и плавкие предохранители.
Силовые выключатели являются основными коммутационными аппаратами для включения и отключения электрической цепи в любых ее режимах: токовой нагрузки, перегрузки, короткого замыкания, холостого хода, несинхронной работы. Наиболее тяжелой и ответственной операцией является отключение тока короткого замыкания. При разрыве токовой цепи между контактами выключателя возникает электрическая дуга. Гашение дуги осуществляется в специальных дугогасительных устройствах.
По способу гашения дуги выключатели делятся на масляные, воздушные, вакуумные и элегазовые и др. В масляных выключателях дугогасительной средой является трансформаторное масло. В воздушных выключателях гашение дуги осуществляется сжатым воздухом. Высокая электрическая прочность вакуума и элегаза используется в вакуумных и элегазовых выключателях.
Масляные и воздушные выключатели имеют ряд недостатков, а именно: низкую надежность, небольшой коммутационный ресурс, пожароопасность, высокие эксплуатационные затраты. Вакуумные и элегазовые выключатели обладают более высокими техническими характеристиками. Поэтому в настоящее время при проектировании новых и реконструкции существующих объектов отдают предпочтение вакуумным и элегазовым выключателям.
Разъединителем называется электрический аппарат для выполнения оперативных переключений в схеме РУ и для создания видимого разрыва электрической цепи при выполнении обслуживания и ремонта оборудования. Конструктивно разъединитель представляет собой систему подвижных и неподвижных контактов, установленных на изоляторах.
В распределительных устройствах напряжением 6…10 кВ, выполненных из шкафов КРУ с силовым выключателем на выкатной тележке, роль разъединителей выполняют втычные контакты, размыкаемые при выкатывании тележки из шкафа и замыкаемые при вкатывании тележки в шкаф.
Поскольку разъединители не снабжены дугогасящими устройствами, операции отключения и включения могут выполняться в цепи без нагрузки (в цепи, отключенной силовым выключателем). Разъединителем можно включать и отключать цепь, находящуюся под напряжением, но без тока или с небольшим током, когда нет опасности возникновения электрической дуги.
Разъединители устанавливаются, как правило, по обе стороны от выключателя. Если необходимо отключить нагруженную током цепь, то сначала отключают выключатель, а затем разъединители. Включение цепи производится в обратном порядке: сначала включают разъединители, а затем - выключатель.
Выключатели нагрузки широко применяются в РУ напряжением 6...10 кВ. Эти выключатели имеют дугогасительное устройство, с помощью которого можно отключать рабочие токи, но не токи короткого замыкания. При разомкнутых контактах этот выключатель, как и разъединитель, создает видимый разрыв.
Плавкие предохранители выполняют операцию автоматического отключения цепи при превышении током определенного значения. Отключение тока обеспечивается за счет перегорания плавкой вставки предохранителя. Поэтому после срабатывания предохранителя, его плавкая вставка заменяется. Предохранители часто применяются в сочетании с выключателями нагрузки. В этом случае рабочие токи отключаются выключателем нагрузки, а токи короткого замыкания – плавкими предохранителями.
Измерительные трансформаторы тока (ТТ) и напряжения (ТН) предназначены для измерения электрических величин, а также для питания устройств релейной защиты. Коэффициенты трансформации ТТ и ТН таковы, что при любых нормальных значениях рабочих токов и напряжений значения вторичных токов и напряжений не превышают 5 А и 100 В соответственно.
К ТТ подключаются амперметры, токовые обмотки реле и приборов для измерения мощности и энергии. К ТН подключаются вольтметры, обмотки напряжения реле и приборов для измерения мощности и энергии.
К измерительным трансформаторам предъявляются требования точности измерения электрических величин. В этом смысле измерительные трансформаторы должны отвечать определенному классу точности. Высший класс точности должны иметь трансформаторы, питающие обмотки приборов коммерческого расчета за электроэнергию.
Разрядники и нелинейные ограничители перенапряжений (ОПН) предназначены для защиты оборудования от атмосферных и коммутационных перенапряжений. Эти аппараты включаются между фазой и землей и представляют собой нелинейные элементы, резко уменьшающие сопротивление при превышении напряжением определенного значения. Энергия перенапряжения отводится в землю.
В сетях с эффективно заземленной нейтралью (сети 110 кВ) для защиты изоляции нейтрали трансформаторов между нейтралью трансформатора и землей включается разрядник или ОПН с номинальным напряжением на класс ниже, чем класс изоляции трансформатора.
Реакторы представляют собой сопротивления индуктивного характера и предназначены для ограничения токов КЗ. Использование реакторов позволяет применять в схемах РУ оборудование, рассчитанное на меньшие значения токов КЗ, т.е. более дешевое оборудование.
Шины предназначены для соединения между собой отдельных элементов РУ, а также для подключения к РУ подходящих и отходящих воздушных и кабельных линий электропередачи.
Шины РУ изготавливаются из алюминия или его сплавов и выполняются гибкими из многопроволочных сталеалюминиевых проводов и жесткими различных профилей. Гибкие шины открытых РУ крепятся с помощью подвесных гирлянд изоляторов на порталах. Жесткие шины крепятся на опорных изоляторах, устанавливаемых на железобетонных или металлических стойках.
Применение в открытых РУ жесткой ошиновки позволяет отказаться от порталов и уменьшить площадь РУ. Жесткие шины окрашиваются в желтый (фаза L1), зеленый (фаза L2) и красный (фаза L3) цвета.
В распределительных устройствах напряжением 6...10 кВ наружной и внутренней установки используются только жесткие шины. Жесткие шины используются в закрытых РУ более высоких напряжений.
Заземляющие устройства (ЗУ) предназначены для соединения с землей металлических частей (корпусов) оборудования, нормально не находящихся под напряжением, но которые могут оказаться под напряжением вследствие пробоя изоляции. При пробое изоляции заземленный корпус оказывается под потенциалом, близким к потенциалу земли. Такие ЗУ называются защитными, поскольку защищают обслуживающий персонал от поражения электрическим током при соприкосновении с корпусами оборудования.
ЗУ, предназначенные для нормальной работы оборудования, называются рабочими. К рабочим ЗУ относятся, в частности, заземления нейтралей трансформаторов.