Общие сведения
Отклонение напряжения от нормального значения в сторону как понижения, так и повышения приводит к ухудшению условий работы, снижению производительности механизмов, сокращению срока службы электрооборудования, браку продукции. При снижении напряжения уменьшается производительность приводных механизмов, резко снижается производительность электрических печей, в осветительных установках снижается световая отдача.
Чрезмерное повышение напряжения приводит к ускоренному выходу из строя осветительных ламп, нагревательных установок и другого электрооборудования.
Согласно «Правилам устройства электроустановок», за исключением наиболее ответственных установок, допускается отклонение напряжения у потребителей не более
%.
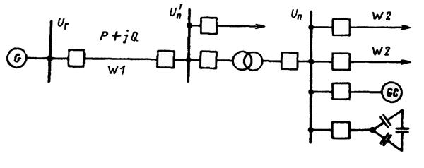
Напряжение на шинах низшего напряжения приемной подстанции равно:

где
- напряжение на шинах высшего напряжения приемной подстанции; UГ – напряжение на шинах генератора; R, X – активное и реактивное сопротивление питающей линии и трансформатора; Р, Q – активная и реактивная мощности, передаваемые по линии; kТ - коэффициент трансформации силового трансформатора.
Изменение напряжения у потребителя UП можно следующими способами: изменением напряжения на шинах генератора; изменением коэффициента трансформации kТ трансформатора, установленного на подстанции; изменением реактивной мощности Q, передаваемой по линии, что может осуществляться регулированием возбуждения синхронных компенсаторов или электродвигателей; включением и отключением батарей конденсаторов, установленных на подстанции.
