НЕЛИНЕЙНЫЕ ИСКАЖЕНИЯ ТЕЛЕВИЗИОННОГО СИГНАЛА
В данном разделе рассматриваются воздействие нелинейности телевизионного тракта на форму сигнала, проявление этих искажений при воспроизведении телевизионных изображений и методы их коррекции.
Нелинейные искажения телевизионного сигнала возникают в фотоэлектронных и электронно-оптических преобразователях из-за нелинейности световой и модуляционной характеристик соответственно, а также в электрическом канале передачи (модуляторе передатчика, каскадах видеоусилителя и др.).
На практике эти искажения определяются главным образом нелинейными характеристиками оконечных устройств – передающими и приемными трубками.
Световая характеристика передающей трубки определяется зависимостью тока сигнала от освещенности на фотокатоде Ic = f(E) или, учитывая, что Ic º Uc , a E º Lоб , световую характеристику передающей трубки часто выражают следующим соотношением: Uc = j(Lоб), где Uc - напряжение сигнала, Lоб - яркость передаваемого объекта.
Световая характеристика передающих трубок нелинейна и в общем случае с достаточной для практики точностью может быть аппроксимирована выражением

где k1 - коэффициент пропорциональности, g1 - показатель степени, определяющий форму световой характеристики.
Световые характеристики различных передающих трубок имеют не одинаковые значения g1 . Более того, значение g1 может в некоторых пределах меняться при изменении режима работы трубки или содержания передаваемого изображения. Однако для всех передающих трубок g1 £1.
Модуляционная характеристика кинескопа представляет собой зависимость яркости свечения экрана от напряжения на модулирующем электроде и выражается зависимостью: Lиз =j(Uc) где Lиз - яркость изображения.
Как известно, модуляционная характеристика кинескопа нелинейна и может быть аппроксимирована с достаточной для практики точностью следующей функцией:

где k2 – коэффициент пропорциональности.
Обычно для приемных трубок g2 = 2...3. Общая характеристика нелинейности может быть определена аналитически путем подстановки значения Uc из (7.l) в (7.2):

Из (7.3) видно, что результирующий гамма-коэффициент нелинейности g равен произведению показателей степени g1 и g2 . Если телевизионный канал имеет нелинейную характеристику с показателем g3 , то в результирующее значение g должна войти и эта величина, т. е. g = g1 · g2 · g3 . Следовательно, показатель степени g определяет результирующую нелинейность и может приобретать различные значения в зависимости от нелинейности отдельных узлов тракта.
Нелинейные искажения в черно-белом телевидении приводят к нарушению правильного воспроизведения градаций яркости (передачи полутонов), а в цветном, кроме того, и к искажениям цветности. Если результирующая нелинейность телевизионного тракта будет иметь показатель степени g <1, то изображение на экране кинескопа воспроизведется вялым, т. е. контрастность полученного изображения будет меньше контрастности передаваемого объекта, а при g >1 изображение будет излишне контрастным по сравнению с контрастностью передаваемого объекта.
Яркость реальных объектов может достигать нескольких тысяч кандел на квадратный метр, а контраст – 1000 и выше. Современные же кинескопы могут обеспечить максимальную яркость 100–200 кд/м2 при контрасте 100–200. Следовательно, динамический диапазон яркости репродукции в общем случае меньше диапазона изменения яркости передаваемого объекта. Таким образом, при воспроизведении число градаций на репродукции будет меньше, чем на объекте. При ограниченном числе воспроизводимых градаций с целью улучшения качества изображения необходимо перераспределить число воспроизводимых градаций внутри динамического диапазона яркости изображения так, чтобы увеличить число градаций в сюжетно важном участке диапазона за счет уменьшения числа градаций в остальных участках. Это может быть осуществлено с помощью выбора определенной формы нелинейности амплитудной характеристики передачи.
Рассмотрим графически искажения градаций яркости изображения при коэффициенте g >1. Для удобства количественной оценки нелинейных искажений на вход исследуемого устройства подают напряжение равноступенчатого сигнала.
Для упрощения построения графиков обычно по оси абсцисс и ординат откладывают не абсолютные значения яркости объекта и изображения, а их относительные значения.
На рис. 7.1 показано графически возникновение нелинейных искажений при коэффициенте g >1. Нетрудно видеть, что нелинейные искажения будут присутствовать при любых значениях g ¹ 1 . В частном случае при g = 2, как видно из рис. 7.1, перепады яркостей первых нескольких ступенек будут практически неразличимы, и они сольются. Следовательно, количество видимых градаций уменьшается.

В черно-белых телевизионных системах сюжетно важными полутонами являются полутона крупных деталей в области больших освещенностей. Исходя их этого для этих систем форма характеристики должна иметь нелинейность с коэффициентом контрастности g >1. При этом в области белого перепады яркости растягиваются (увеличиваются по амплитуде), и там может воспроизводиться большее число градаций. Экспериментальным путем установлено, что наилучшее качество изображения для черно-белых вещательных систем получается при g @ 1,3.
Для обеспечения подобия воспроизведенного изображения с объектом необходимо иметь прямую пропорциональность между яркостями соответствующих точек объекта и изображения. Для коррекции полутоновых искажений изображений, т. е. получения определенной формы нелинейной амплитудной характеристики, в телевизионный тракт вводится нелинейный корректор с амплитудной характеристикой, описываемой выражением:

где gк – показатель степени, определяющий форму нелинейности амплитудной характеристики корректора.
В этом случае результирующий коэффициент нелинейности телевизионного тракта «от света до света» будет определяться так:
g = g1 · g2 · g3 · gк
(7.4)
Из соотношения (7.4) видно, что для получения линейной амплитудной характеристики всего телевизионного тракта необходим корректор с коэффициентом нелинейности

Выбор оптимального значения gк осложняется тем, что модуляционные характеристики кинескопов имеют довольно большой разброс коэффициентов нелинейности, а нелинейность световой характеристики передающих трубок кроме этого зависит от содержания изображения.
Принцип работы схемы корректора нелинейности (гамма-корректора) поясняется на рис. 7.2. Он основан на применении нелинейных элементов с таким расчетом, чтобы, регулируя их, можно было менять гамма-характеристику в желаемых пределах. Сигнал передаваемого изображения, искаженный нелинейной характеристикой телевизионного тракта (рис. 7.2, а) (сигнал с неравномерными перепадами напряжений), поступает на вход гамма-корректора, нелинейная характеристика (рис. 7.2, б) которого рассчитана так, что сигнал на выходе (рис. 7.2, в) получается необходимой формы.

Схемы гамма-корректоров строятся на разных принципах, однако наибольшее распространение получили гамма-корректоры, в которых требуемая форма амплитудной характеристики получается за счет изменения амплитудно-зависимой отрицательной обратной связи, нелинейного изменения сопротивления нагрузки или амплитудно-зависимого делителя сигнала изображения.
Для работы гамма-корректора необходимо, чтобы уровни сигналов, соответствующие одинаковым яркостям изображения, всегда располагались на одних и тех же нелинейных участках характеристики корректора. Для этого в телевизионном сигнале, поступающем на нелинейный элемент корректора, должна быть восстановлена постоянная составляющая, т. е. фиксирован уровень черного сигнала изображения.
В качестве нелинейных элементов в схемах гамма-корректоров обычно используются полупроводниковые диоды, имеющие нелинейные вольт-амперные характеристики. Для получения достаточно больших значений нелинейности диоды иногда включают последовательно или параллельно.
В качестве примеров рассмотрим два вида корректоров, используемых на практике.

На рис. 7.3 изображена упрощенная схема гамма-корректора, в которой использован принцип амплитудно-зависимой отрицательной обратной связи. Величина отрицательной обратной связи меняется нелинейно в зависимости от мгновенного значения телевизионного сигнала, подаваемого на затвор полевого транзистора VT. В цепи затвора VT производится восстановление постоянной составляющей сигнала (ВПС). Диоды VD1 и VD2 , включенные в цепь истока, заперты напряжениями U1 и U2 до тех пор, пока на затвор VT не поступит сигнал. При определенной амплитуде сигнала сначала отпирается диод VD1 , и сопротивление в цепи истока уменьшается от величины R2 до значения .
Для упрощения будем считать, что VD1 и VD2 в запертом состоянии обладают бесконечно большим сопротивлением, а доля сопротивлений резисторов R4 и R6 при определении эквивалентной нагрузки в цепи истока пренебрежимо мала.
При увеличении амплитуды сигнала отпирается VD2 , а эквивалентное сопротивление в цепи истока определится так:

Коэффициент усиления данного каскада будет равен

где Sd - динамическая крутизна.
Как известно,
где S – статическая крутизна, а Rи – сопротивление в цепи истока. Исходя из этого в данном каскаде усиление меняется обратно пропорционально изменению R2 . Следовательно, если R2 уменьшается с увеличением амплитуды сигнала на затворе VT, то коэффициент усиления растет с увеличением сигнала.
На рис.7.3, б показан график зависимости Uс вых от Uс вх . Как видно из рисунка, это – ломаная линия, а не плавная кривая. Однако чем больше диодов включать в цепь истока, тем точнее будет приближение к требуемой зависимости. Потенциометры R4 и R6 изменяют напряжения U1 и U2 отпирания диодов, т. е. с их помощью можно изменять координаты точек перегиба кривой и таким образом в некоторых пределах регулировать величину gк .

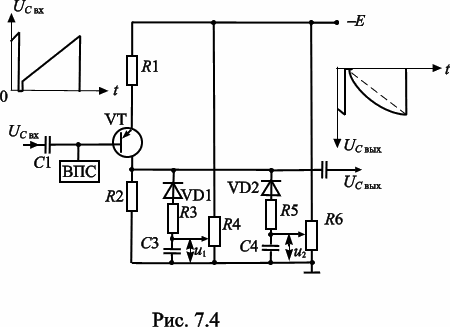
В схеме корректора с нелинейной нагрузкой в коллекторной цепи (рис. 7.4) величина коэффициента передачи меняется в результате изменения сопротивления нагрузки каскада. Аналогично предыдущей схеме (рис. 7.3) эквивалентное сопротивление нагрузки данного каскада будет уменьшаться по мере открывания диодов VD1 и VD2 , т. е. поочередно по мере увеличения входного сигнала, в зависимости от напряжения задержки U1 и U2 , задаваемого резисторами R4 и R6 . В отличие от предыдущей схемы коэффициент усиления этого корректора будет уменьшаться по мере увеличения амплитуды сигнала на входе ( gк < 1).
В описанных схемах гамма-корректоров при регулировке величины гамма-коэффициента происходит изменение размаха выходного сигнала. Это может нарушить режим работы последующих звеньев телевизионного тракта. От этого недостатка свободны так называемые двухканальные гамма-корректоры (рис. 7.5).

Сигнал подается на два самостоятельных гамма-корректора, имеющих различное значение gк . В первом корректоре gк1 >1, например, gк1 =2, а во втором - gк2 < 1(gк2 =0,5). Выходные сигналы с двух гамма-корректоров, одинаковые по амплитуде и полярности, подаются на регулируемую суммирующую схему. Она построена таким образом, что можно менять соотношение напряжений каждого корректора в выходном сигнале, т. е. менять значение от до при постоянном уровне выходного сигнала.
Выходное напряжение Uс вых = Ug к1 + Ug к2 = const будет постоянным при любом положении движка сумматора, а gобщ будет меняться от gк1 =2 до gк2 =0,5, проходя через значениеg =1. В аппаратуре блока камерного канала БКК-1014 аппаратно-студийных комплексов цветного ТВ один из каналов двухканального корректора - линейный, а gобщ = 0,4...0,6.
Применяются также более сложные схемы гамма-корректоров, которые позволяют производить оперативное плавное изменение формы амплитудной характеристики изменением постоянных напряжений в схеме, что дает возможность сделать эти регулировки дистанционными.