Инверторы тока и напряжения.
В зависимости от специфики электромагнитных процессов различают инверторы тока и инверторы напряжения (рис. 1а, б).

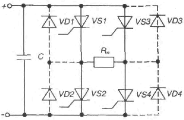
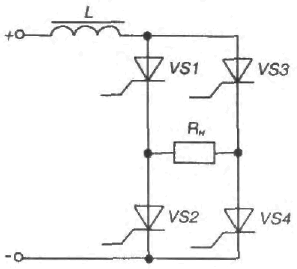
Рисунок 1: а)инвертор тока б)инвертор напряжения
В инверторах тока силовая цепь схемы подключается к источнику постоянного напряжения через дроссель L с большим индуктивным сопротивлением (источник тока должен иметь большое сопротивление).
В инверторах напряжения параллельно источнику питания включается конденсатор большой ёмкости, чем исключается влияние на работу устройства Rвнутр источника (получаем источник напряжения с переменным током).
Таким образом, коммутация тиристоров в инверторах тока проводится при постоянном токе, а инверторах напряжения – при постоянном напряжении.
При работе инвертора схема управления поочерёдно включает пару тиристоров VS1, VS4 или VS2, VS3, благодаря чему на нагрузке появляется переменное напряжение – с помощью ключевой схемы нагрузка подключается таким образом, чтобы в ней протекал ток разных направлений.
Если нагрузка инвертора напряжения имеет индуктивный или активно-индуктивный характер, то параллельно тиристорам включают обратные диоды. Этим обеспечивается передача накопленной в индуктивности энергии назад в источник питания.
Основной проблемой при проектировании инверторов является обеспечение надёжного выключения тиристоров, которые находятся в открытом состоянии, перед выключением тиристоров, которые не проводили ток. Это реализуется с помощью схем принудительной коммутации, которые обеспечивают запирание тиристоров в цепях постоянного тока. В цепях постоянного тока включение тиристора осуществляется путём включения параллельно тиристору предварительно заряженного конденсатора с напряжением, полярность которого обратна относительно тиристора (принудительная коммутация).