Магнитные усилители (МУ)
Магнитные усилители с внутренней обратной связью часто применяются в системах возбуждения и управления. Один из вариантов схемы простейшего однофазного магнитного усилителя (МУ) показан на рисунке 5.6.

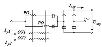
Рис.5.6. Схема однофазного магнитного усилителя
Такой МУ включает рабочие обмотки РО и обмотки управления ОУ1 и ОУ2. МУ с внутренней обратной связью в каждый полупериод задерживает прохождение фазного тока на некоторый угол α=ωt . Эта задержка создается и регулируется током управления Iу, который подмагничивает сердечники. Зависимость выпрямленного тока магнитного усилителя IМУ от тока управления имеет вид, показанный на рисунке 5.7.

Рис.5.7. Зависимость тока магнитного усилителя от тока управления
Трехфазные МУ имеют утроенное число рабочих обмоток и соответствующий выпрямитель. Изменяя угол α при помощи МУ можно изменять выходное напряжение UМУ, так как при работе на постоянное сопротивление UМУ ~ IМУ.
Магнитные усилители обладают высокой надежностью, но имеют массу и габариты, большие, чем тиристорные возбудители. Реверсивные МУ как правило не используются в качестве возбудителей, так как из-за необходимости применения балластных сопротивлений их КПД не превышает 50%.