Конструкция клавиатуры
Некогда клавиатуры собирались из отдельных клавиш, в которых были одна или несколько групп механических контактов. Иногда в такую клавишу для повышения надежности срабатывания контактов помещалась даже микросхема. Сегодня же практически все клавиатуры используют пленочное контактное поле, а сама клавиша — это механический толкатель, снабженный резиновой "пружиной".
Внутри корпуса клавиатуры находится большой лист пленки, на котором токопроводящей краской нанесены контакты всех клавиш. Один из вариантов выполнения контактов показан на рис.6. В этом случае пружина клавиши выполняется в виде резинового колокольчика, внутри которого есть кружочек токопроводящей резины. При нажатии на клавишу между контактами появляется электрическое соединение.
Вы всегда можете вытащить любую клавишу, поддев ее с помощью тонкой отвертки, т. к. они снабжены простыми пластмассовыми защелками. Эта операция может потребоваться, например для того чтобы изменить раскладку QWERTZ на QWERTY, поменяв клавиши <Y> и <Z>. А вот чтобы получить доступ к контактам, надо разобрать корпус клавиатуры.
Примечание
Основная неисправность клавиатур — это заедание и разбалтывание клавиш, когда не получается надежного нажатия на клавишу. Практически, при активной работе с дешевой клавиатурой "неизвестного" производителя, она выходит из строя через месяц-другой, т. к. плохая пластмасса, неудачная конструкция узла трения клавиши и плохая резина пружины теряют свои первоначальные свойства. Ремонту такая клавиатура не подлежит.
Контактное поле может быть также сделано из трех пластмассовых листов. На верхнем и нижнем листе наносятся соответствующие контакты, а в среднем — вырубаются круглые отверстия. Клавиша при нажатии прижимает верхний лист к нижнему, замыкая контакты, находящиеся под толкателем клавиши. В этом случае клавиши чаще всего снабжаются обычными стальными пружинами, надеваемыми на толкатель.

Рис. 6. Вариант выполнения контактов пленочной клавиатуры

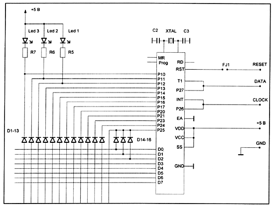
Рисунок 7 - Принципиальная электрическая схема клавиатуры К-157
Так как клавиш у клавиатуры много, а количество выводов у микросхемы контроллера клавиатуры ограничено, то все контакты объединяются в матрицу, которая последовательно сканируется — нажата клавиша или нет. Для примера на рис.7 показана несколько упрощенная принципиальная электрическая схема клавиатуры К-157. Заметим, что для использования в качестве контроллера клавиатуры различными производителями выпускается большое количество микросхем, которые работают по одному и тому же алгоритму.
На рис.7 видно, что информационные линии Р10—Р25 и D0—D7 образуют клавиатурную матрицу, в узлах которой находятся контакты клавиш. Контроллер клавиатуры постоянно опрашивает состояние информационных линий. При замыкании любого контакта вырабатывается код клавиши, который передается в компьютер. Для синхронизации всех событий используется кварцевый резонатор XTAL.
Питание +5 В контроллер клавиатуры получает от системной платы компьютера, где может быть установлен плавкий предохранитель для защиты от перегрузки.
Для приема и передачи данных между клавиатурой и компьютером используются линии DATA и CLOCK.
Обратите внимание, что линия RESET (перезагрузка компьютера) не подключена к интерфейсному кабелю клавиатуры. В настоящее время эта линия считается резервом интерфейса клавиатуры.