Принципы действия систем автоматического управления.
При проектировании САУ решают, как наиболее простым и технико-обоснованным способом получить и передать необходимый объем информации. Для этого исследуют принципы построения систем. Основными принципами построения систем являются:
1. принцип разомкнутого управления.
2. принцип управления по отклонению.
3. принцип компенсации.
4. принцип комбинированного управления.
1. Принцип разомкнутого управления.
Данный принцип заключается в том, что алгоритм управления строится только на основе алгоритма функционирования путем предварительного выбора законов, определяющее действие управляемого устройства или регулятора с учетом свойств управляемого объекта. Алгоритм функционирования может задаваться отдельным устройством (ЗАФ) или может быть заложен в конструкцию управляющего устройства или регулятора.
Примером данного принципа может служить пример разомкнутого цикла управления.
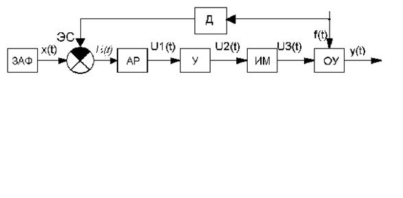
2. Принцип управления по отклонению.
Этот принцип также именуется принципом Уатта-Ползунова. Рассматриваемый принцип управления основан на том, что управляющее воздействие в автоматическом устройстве управления или регуляторе вырабатывается с учетом информации об отклонении.
Управление величины от заданного значения. Чтобы реализовать этот принцип, в автоматическом устройстве управления или в автоматическом регуляторе должно происходить сравнение действительного значения y(t) с заданным или предписанным x(t), и в зависимости от результатов полученного сравнения, формируется управляющее воздействие. Примером реализации данного принципа может служить пример замкнутого цикла функционирования.
3. Принцип управления по возмущению (принцип компенсации возмущения).
Рассматриваемый принцип основан на том, что управляющее воздействие в САУ выбираются в зависимости от результатов измерения возмущающего воздействия, оказывающего влияние на ОУ. Функциональная схема управления такой САУ имеет вид:

Пример реализации принципа компенсации возмущения (управления по нагрузке):

Напряжение на выходе генератора UГ – пропорционально суммарному магнитному потоку. Увеличение или уменьшение тока нагрузки зависит от сопротивления нагрузки. Такое изменение тока нагрузки не окажет никакого влияния на выходное напряжение генератора, т.к. ток нагрузки пропорционален магнитному потоку Ф2 и компенсирует изменение Ф1, т.е. значение суммарного потока постоянно при любых колебаниях нагрузки. Такой принцип носит название принципа управления по нагрузки.
4. Принцип комбинированного управления.
Данный принцип реализуется путем совмещения двух принципов:
1. Принцип управления по отклонению.
2. Принцип управления по возмущению.
Совмещение этих двух принципов дает возможность улучшить качество управления, т.е. предписанное значение регулируемой величины будет более точно с меньшей погрешностью воспроизводиться на выходе системы.

§1.8. Основные элементы автоматики.
Любая САУ состоит из отдельно связанных между собой элементов.
Элементом автоматики называют часть системы, в которой происходит качественные или количественные преобразования физической величины, а также передача преобразованного воздействия от предыдущего элемента к последующему. Каждый такой элемент выполняет определенные функции, которые для него определяют технологический процесс или функционирование самой системы. Таких элементов в автоматике достаточно много. Рассмотрим основную группу этих элементов.
1. Датчики автоматики – это устройства, которые измеряют управляемые или регулируемые величины объектов управления и преобразовывают измеренные величины одной физической природы в другую (термосопротивления, термопары, переменные конденсаторы, фотоэлемент, тензодатчик и т.д.)
2. Элементы сравнения – они сопоставляют задающее воздействие x(t) и управляемую величину y(t). Получаемая на выходе таких элементов разность e(t)=x(t)-y(t) передается по цепи воздействия, либо непосредственно на исполнительный механизм. Элементы сравнения, как самостоятельная часть системы не применяется, а является составной частью других устройств, например, автоматических регуляторов (эл. мостовые схемы сравнения, потенциометры, пружинные элементы и др.)
3. Усилители – они в системах автоматики обычно используются для усиления задающего воздействия x(t) или разности e(t), когда мощности самих сигналов недостаточно для работы регуляторов (электронные, ионные, магнитные, электромагнитные усилители, редуктор, гидравлические усилители).
4. Исполнительные механизмы – они предназначены для измерения управляемых величин, или поддержания их в заданных пределах. Они предназначены для выработки более мощного воздействия на ОУ, нежели выходной сигнал регулятора (эл. двигатели – серводвигатели; соленоиды; гидро- и пневмодвигатели и т.д.).
5. Задающие элементы (элементы настройки). Они представляют собой устройства, при помощи которых в САУ подается задающее воздействие x(t) (потенциометры, вращающиеся трансформаторы и т.д.).
6. Корректирующие элементы – они предназначаются для улучшения регулировочных свойств системы в целом, или отдельных ее частей (дифференцирующие и интегрирующие цепи, нелинейные элементы и т.д.).
7. Командоаппараты – они предназначены для подачи в систему различных воздействий и команд (кнопки, выключатели, конечные выключатели и т.д.).
8. Элементы защиты – они предназначены для выполнения защитных функций, при недопустимых режимах работы (токовые реле, электротепловые реле, автоматические выключатели, предохранители и т.д.).
9. Контрольно-измерительные приборы – устройства для измерения и контроля различных величин и параметров (показывающие, самопишущие и т.д.).
Также к элементам автоматики относят автоматические регуляторы, объекты управления, сигнальная аппаратура.
Все элементы автоматики обычно указывают на функциональных и структурных схемах, внутри которых указывается либо назначение прибора, либо его передаточная функция и обязательно показывается действующие на элемент входные и выходные воздействия.