Микроэлектронное реле повторного включения РПВ-01
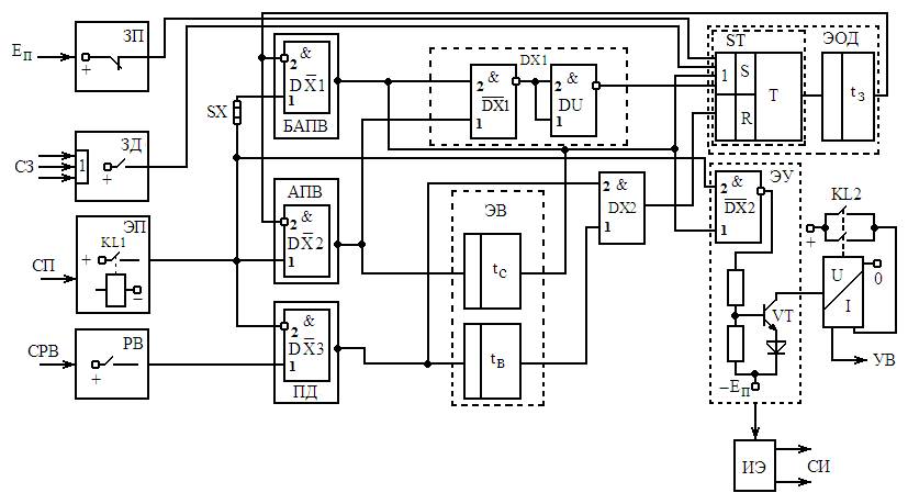
Реле повторного включения РПВ-01 и РПВ-02 выполнены на интегральных микросхемах и имеют унифицированную конструкцию [3, 4]. Функциональная схема РПВ-01 представлена на рисунке 1.2. Реле РПВ-01 содержит:
- элемент формирования сигналов на включение выключателей без выдержки времени (БАПВ);

Рисунок 1.2 – Функциональная схема реле повторного включения РПВ-01
- элемент формирования сигналов на включение выключателей с выдержкой времени (АПВ);
- элемент подготовки к новому действию (ПД);
- элемент выдержки времени (ЭВ);
- элемент однократности действия (ЭОД);
- элемент управления (ЭУ) выходным электромагнитным реле KL2;
- элемент информации (ИЭ) о действии РПВ.
Для удовлетворения требований, предъявляемых к устройствам АПВ, на вход РПВ-01 поступают дискретные потенциальные сигналы от цепей управления выключателем через электромагнитные реле:
- при возникновении несоответствия между положением ключа управления и выключателя – сигнал пуска (СП), сформированный контактом реле KL1 элемента пуска ЭП;
- при оперативном отключении выключателя или отключении выключателя релейной защитой после включения его на КЗ
персоналом – сигнал запрета СЗ, сформированный элементом запрета действия ЗД;
- при подготовке АПВ к новому действию, возврату в исходное состояние, - сигнал на разрешение подготовки к включению СРВ, сформированный элементом РВ.
Для исключения ложных действий устройства РПВ-01 при перерывах его питания предусмотрен элемент ЗП, на вход которого подается напряжение
от источника оперативного тока. При его наличии устройство РПВ-01 готово к работе.
Рассмотрим работу устройства РПВ-01 в режиме БАПВ и в режиме АПВ. При использовании устройства РПВ-01 в режиме БАПВ накладка SX замкнута. При возникновении несоответствия между положением выключателя и его ключа управления срабатывает реле KL1 элемента ЭП и подает сигнал на вход 1 элемента
БАПВ и на вход 1 элемента
АПВ. На их инвертирующих входах 2 сигналы отсутствуют, и поэтому на выходе каждого элемента появляется дискретный выходной сигнал в виде 1.
С выхода БАПВ сигнал поступает на вход 2 синтезированного элемента DX1 и на вход 1
элемента управления ЭУ. На вход 1 элемента DX1 поступает сигнал от АПВ, а на вход 2 элемента
- от элемента ЭП. В связи с этим на выходе DX1 появляется сигнал равный 1, а на выходе
сигнал равный 0.
Появление на выходе элемента
нуля приводит к переключению транзистора VT из закрытого состояния в открытое и соответственно к срабатыванию выходного реле KL2. Реле KL2 сработав, замыкает своим контактом цепь удерживающей обмотки, которая включена последовательно с электромагнитом включения выключателя. Под действием БАПВ выключатель включается.
БАПВ одновременно переключает триггер SТ сигналом, поступающим на его вход записи S элемента однократности действия ЭОД с выхода элемента DX1. Напряжение на выходе ЭОД, появляется с небольшой задержкой
и подается на инверсные входы 2 БАПВ и АПВ, на входах 1 которых присутствует сигнал от элемента ЭП. В результате чего выходные сигналы БАПВ и АПВ исчезают, обеспечивая тем самым однократность действия. Устройство БАПВ используется только на линиях с воздушными выключателями.
При использовании устройства РПВ-01 в режиме АПВ масляного выключателя накладка SX разомкнута. По сигналу ЭП, поступающему на вход 1
, срабатывает элемент АПВ и запускает реле времени ЭВ выдержки времени срабатывания
.
Одновременно сигнал пуска с выхода ЭП поступает на вход 2
, а от АПВ сигнал поступает на вход 1 DX1. После срабатывания реле времени ЭВ его сигнал поступает на вход 2 DX1 и на вход 1
элемента ЭУ. В результате на выходе элемента
появляется 0, что приводит к переключению транзистора VT из закрытого состояния в открытое и соответственно к срабатыванию выходного реле KL2. Контакт реле KL2, соединенный последовательно с удерживающей обмоткой, замыкает цепь электромагнита включения масляного выключателя [4].
Для возвращения схемы в исходное состояние в нее включены элемент подготовки к новому действию ПД, реле времени ЭВ с выдержкой времени
(не менее 10 с) и элемент DX2. Взаимодействие этих элементов следующее. При пуске сигнал ЭП поступает на инверсный вход 2
элемента ПД и запрещает запуск элемента ЭВ выдержки времени
возврата схемы в исходное положение. После включения выключателя сигнал ПД исчезает, и на выходе микросхемы
появляется сигнал, который запускает элемент времени и подводится к входу 1 микросхемы DX2. На вход 2 DX2 сигнал подается после срабатывания элемента ЭВ с выдержкой времени
. На выходе DX2 появляется сигнал, поступающий на вход считывания R триггера SТ, который приходит в исходное состояние и снимает запрет повторного действия БАПВ и АПВ.
При исчезновении напряжения источника питания
замыкается контакт элемента ЗП и на один входов S записи триггера SТ поступает единичный логический сигнал, на выходе ЭОД с задержкой времени
появляется напряжение. Данное напряжение поступает на инверсные входы 2 элементов
и
, что приводит к запрету действия АПВ.