Характеристики радиолокационной аппаратуры «Алмаз»
| 1. | Разрешающая способность на местности, м | 25-30 |
| 2. | Полоса захвата при съемке, км | 20-30 |
| 3. | Протяженность маршрута, км | 20-250 |
| 4. | Диапазон углов съемки от надира, град | 30-60 |
| 5. | Полоса обзора, км | 2х200 |
| 6. | Антенная система: · количество антенн · тип антенны | 2 (левый и правый борт) 15 м * 1,5 м |
| 7. | Длина волны, см | |
| 8. | Длительность зондирующих импульсов, мкс | 0,1 |
| 9. | Частота повторения, Гц | |
| 10. | Излучаемая мощность, кВт | |
| 11. | Радиометрическая разрешающая способность (по пикселу 30х30 м), дБ | |
| 12. | Режим работы: · непосредственная передача в зоне пункта приема информации (ППИ); · запись на бортовой магнитофон сброс в зоне ППИ. |
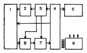
На рис. 24 приведена структура РЛС.

Рис. 24. Структурная схема радиолокационной станции
РЛС, предназначенная для активной радиолокации содержит передающую и приемную антенны (чаще используется одна приемо-передающая антенна (1)), радиопередатчик (2) и радиоприемник (8), работающие в импульсном или непрерывном режиме, синтезатор частот и синхронизатор (3), устройство цифровой обработки сигналов (7), бортовой компьютер (4) и устройство отображения радиолокационной информации (5) – световой индикатор на электронно-лучевой трубке или монитор компьютера, вторичный источник питания (6).
Формирование РЛ-изображения. РЛ-изображение местности является результатом взаимодействия электромагнитных колебаний, генерируемых РЛС, с земной поверхностью.
При достижении сигналом земной поверхности происходит отражение и рассеяние волн, а также проникновение вглубь земной поверхности. Интенсивность отраженного сигнала определяется свойствами поверхности (шероховатость, влажность, ориентация в пространстве, крутизна склонов, диэлектрическая проницаемость и др.) и длиной волны излучения. Суть механизма взаимодействия электромагнитных колебаний с подстилающей поверхностью, обуславливающего тон радиолокационного изображения, состоит в следующем:
· радиолокационный сигнал при падении на зеркальную поверхность, например воды, отражается в сторону от радиолокатора и в приемник не попадает. Следовательно, при фиксации его на пленке, почернение определяется только уровнем собственных шумов РЛС, поэтому водные объекты изображаются темным тоном;
· при падении луча на поверхность под углом 900 отражение будет происходить в обратном направлении и величина отраженного сигнала будет максимальной, т.е. чем больше крутизна склонов, тем более светлым тоном они изображаются на снимках;
· при взаимодействии сигнала РЛС с шероховатой поверхностью происходит явление диффузного рассеяния электромагнитных колебаний во всех направлениях, и поэтому только часть отраженных волн попадает в приемник РЛС. Интенсивность принятого отраженного сигнала в этом случае имеет очень широкий диапазон.
Исследование влияния физических свойств поверхности на формирование радиолокационного изображения выявили зависимость тона радиолокационного изображения от увлажненности поверхности горных пород, их плотности и других свойств, вызывающих поглощение радиоволн, что приводит к уменьшению интенсивности сигнала, пришедшего в приемник станции.
Благодаря особенностям формирования радиолокационного изображения, на радиолокационных снимках можно получать дополнительную информацию о разрывных тектонических нарушениях, изучении закрытых структур, состоянии сельскохозяйственных культур, увлажненности почвогрунтов и т.д.
Радиолокационная съемка (активная радиолокация) по отношению к фотографической и телевизионной съемке обладает рядом преимуществ, а именно:
· возможностью проведения съемки в любое время суток и при любых погодных условиях (кроме грозовой облачности);
· независимостью разрешающей способности станции от дальности объекта;
· возможностью съемки без непосредственного полета над объектом;
· большой полоса захвата на местности при малой высоте полета;
· возможностью обнаружения объектов по их радиолокационным, а не оптическим контрастам;
· возможностью передачи полученной информации с борта носителя на наземные пункты по радиоканалу на значительные расстояния.
Отличительной особенностью электромагнитных волн радиодиапазона является способность их проникать вглубь объекта, а глубина их проникновения зависит от свойств подстилающей поверхности и длины волны. Чем больше длина волны, тем больше глубина ее проникновения, которая приблизительно равна половине ее длины. В песчаные отложения и пресную воду радиоволны проникают глубже, чем в глинистые породы и соленую воду.
Исходя из особенностей радиолокационной съемки, вытекают возможности практического использования информации в следующих случаях:
1. Получение изображения поверхности Земли в труднодоступных районах в т.ч. там, где фотосъемка затруднена из-за постоянного облачного покрова.
2. Оперативное получение в любое время суток и в любых, кроме грозовой облачности, погодных условиях достоверной информации при определении масштабов стихийных бедствий: наводнений, тайфунов, извержения вулканов и др.
3. Контроль загрязнения морской поверхности при работе бурильных установок (платформ), нефтяных терминалов и других мест возможных выбросов, определение границ загрязнений при авариях танкеров и др.
4. Оценка состояния ледового покрова и проводка судов в тяжелой ледовой обстановке и др.
Масштабы радиолокационных аэроснимковявляются жесткими значениями и определяются конструкцией радиолокационной станции. РЛСБО "Торос", "Нить" позволяют получать изображение очень трудно добиться постоянства масштаба как по азимуту (по оси х), так и по дальности (по оси у).
Развертка и направление полета (по азимуту) осуществляется за счет движения самолета по маршруту.
Принцип работы РЛСБО "Торос" предполагает получение изображения местности не под самолетом, что присуще плановой аэрофотосъемке, а слева и справа от линии полета, а под носителем образуется так называемая "мертвая зона", т.е. не охватываемая съемкой (рис.4.1).
Масштаб по азимуту зависит от постоянства отношения скорости развертки по оси х (скорость лентопротяжки перед ЭЛТ) к скорости самолета. При отсутствии автоматического согласования этих элементов возникает искажение масштаба.
Масштаб изображения по дальности также может быть неравномерным и изменяться в зависимости от угла облучения. Это связано с тем, что, например, в системе "Торос" применяется линейная развертка наклонной дальности, т.е. скорость развертки по оси и на экране ЭЛТ постоянна по всей длине строки.
В системах с компьютерным управлением эти недостатки легко устраняются.
Пространственное разрешение изображений, полученных РЛСБО, зависит от размеров импульса, сформированных в направлениях полета и зондирования. Чем меньше эти величины, тем выше разрешающая способность радиолокационной съемки.
return false">ссылка скрыта