Радиационные пирометры
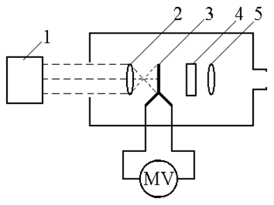
Радиационные пирометры используются для измерения температуры от 20 до 2500 °С. Прибор измеряет полную интенсивность излучения реального объекта Е и потому необходимо учитывать коэффициент неполноты излучения e. На рисунке 6 представлено устройство радиационного термометра.

1 – нагретое тело;
2 – объектив;
3 – платиновый лепесток с рабочим концом термопары;
4 – фильтр;
5 - окуляр
Рисунок 6. Радиационный пирометр
Принцип действия радиационного пирометра – это принцип телескопа. Излучение от нагретого тела 1 через линзу объектива 2 попадает на платиновый лепесток, который соединен с концами термопары. Для защиты глаз при наводке телескопа предусмотрен фильтр 4.
ТермоЭДС термопары является функцией мощности излучения, а значит функцией температуры. Радиационные пирометры градуируют по излучению абсолютно черного тела, поэтому возникает погрешность при измерении.
При отклонении температуры корпуса телескопа от температуры, при которой происходила градуировка (это 20 °С), возникает дополнительная погрешность. Для температурной компенсации параллельно измерительному прибору включают электрический шунт, представляющий собой сопротивление, выполненное из меди или никеля. Резистор помещают в корпусе телескопа рядом со свободными концами термопары. Тогда согласно закона Ома:
,
где ЕТ – термоЭДС;
RT – сопротивление термопары;
RШ – сопротивление шунта.
При увеличении температуры, увеличивается сопротивление шунта, компенсируя уменьшение термоЭДС термопары.
Промышленность выпускает пирометры типа РАПИР (диапазон измерения 100 – 4000 °С) и ТЕРА-50 (диапазон измерения 400 – 2500 °С).