Технические характеристики привода ПЭ-11
Номинальное напряжение включающего электромагнита - 220 В
Номинальное напряжение отключающего электромагнита-220 В
Установившийся ток обмоток электромагнитов
включающего -58 А
отключающего -1,25 А
Установившийся ток включающей обмотки контактора -1 А
Электрическая схема управления приводом и сигнализации его положения изображена на рис. 2.4.
Электромагниты включения YAC (ЭВ) и отключения YAT (ЭО) рассчитаны на кратковременную работу, поэтому цепи включения и отключения проходят через вспомогательные контакты SQ1 (В-1), SQ6 (В-6), (10 на рис. 2.1). Этим достигается автоматическое прекращение питания включающего и отключающего электромагнитов после совершения ими соответствующих операций и подготовка к последующим операциям.
Цепь маломощного электромагнита отключения замыкается непосредственно контактами ключа управления SA, а в цепь электромагнита включения, потребляющего большую мощность, введен контактор КМ, который способен размыкать и замыкать цепь с большим током.
Все вспомогательные контакты привода, в том числе контакты SQ1 (В-1), SQ6 (В-6), являются одновременно вспомогательными контактами выключателя, так как привод и выключатель механически связаны.
Световая сигнализация положения привода, а следовательно и выключателя, осуществляется сигнальными лампами включенного положения HLR красного цвета и отключенного положения HLG зеленого цвета через вспомогательные (сигнальные) контакты SQ2 (В-2), SQ5 (В-5) соответственно.
Сигнальные лампы горят спокойным светом, если операция включения или отключения проходит успешно. При этом положение ключа управления SA соответствует положению выключателя. Если же положение SA не соответствует положению выключателя, например, при отключении выключателя защитой, то сигнальные лампы загораются мигающим светом. Это достигается подключением каждой сигнальной лампы к постоянному плюсу контактом KL1 промежуточного реле и вспомогательными контактами SQ3 (В-3), SQ4 (В-4) маломасляного выключателя. Контакт КL1 c определенной выдержкой времени замыкается и размыкается.
Для обеспечения контроля цепей управления сигнальная лампа включенного положения HLR включена через катушку электромагнита отключения YAT, а сигнальная лампа отключенного положения HLG включена через катушку контактора включения KM.
| Рис. 2.4. Электрическая схема управления приводом и сигнализацией положения |
Таким образом, если горит зеленая лампа, это означает, что выключатель отключен, а цепь его включения исправна; если горит красная лампа – выключатель включен, и исправна цепь отключения. Нарушение контролируемой цепи приводит к погасанию обеих ламп. 
Добавочное сопротивление R предотвращает ошибочные операции (включение или отключение маломасляного выключателя) при замыкании в патронах сигнальных ламп.
Дистанционное управление (включение и отключение) электромагнитным приводом производится ключом управления типа УП-5114 (с возвратным механизмом и фиксатором), имеющим 4 положения:
- отключить, на схеме это крайнее левое положение;
- отключено, на схеме это левое положение, отмеченное стрелкой;
- включить, на схеме это крайнее правое положение;
- включено, на схеме это правое положение, отмеченное стрелкой.
Положение «отключить» осуществляется поворотом рукоятки ключа управления против часовой стрелки до упора, а положение «включить» - по часовой стрелке до упора.
По окончании операций «отключить» или «включить» при отпускании рукоятки ключа управления последний возвращается в положение «отключено» или «включено» соответственно.
На центральных диспетчерских пунктах сигнализация положения выключателей осуществляется с помощью ключей квитирования.
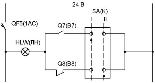
Ключ квитирования SA (К) имеет два положения (рис.2.5).
I – «отключено» когда «язычок» ключа SA (К) отключен, т.е. находится внизу.
II – «включено», когда «язычок» ключа включен, т.е. находится вверху.
При появлении несоответствия между положением ключа SA (К) и положением выключателя, например, при автоматическом отключении выключателя защитой загорается сигнальная лампа несоответствия HLW (ЛН), встроенная в ключ SA (К), т.к. контакт выключателя Q8 (В-8) замыкается.

Рис. 2.5. Схема диспетчерской сигнализации
Для приведения ключа SA (К) в положение «соответствия», т.е. для «квитирования» ключа необходимо повернуть его крышку так, чтобы сигнальная лампа HLW(ЛН) погасла.
При включении выключателя на короткое замыкание (к.з.) в высоковольтной сети защита выключателя подает напряжение на YAT и отключает выключатель.
Однако оператор не знает об этом и может на длительное время оставить SA (К) в положении «включить». Это приведет к повторному включению выключателя на к.з. и к последующему его отключению защитой. То есть привод будет «прыгать», что может привести к его повреждению. Для исключения такого состояния привода существует блокировка от «прыгания».
Если производится включение привода ключом управления, и последний длительное время остается в положении «включить», то при срабатывании защиты включается электромагнит отключения, замыкает свои контакты YAT1 и остается включенным, так как на его катушку по цепи включения привода через SQ1 (В-1) и YAT1 подается «плюс» ключом SA (К).
Электромагнит включения не может включитьcя, так как контакт электромагнита отключения YAT2 после включения YAT находится в разомкнутом состоянии и разрывает цепь включения контактора КМ.
Таким образом, электромагнит включения не будет «прыгать», т.е. включаться вновь после отключения масляного выключателя защитой, например, при включении его на короткое замыкание в сети высокого напряжения, несмотря на то, что оператор может длительное время держать ключ управления в положении «включить».
Действие защиты в лабораторной установке имитируется кнопкой КИЗ, неисправность цепи блокировки от «прыгания» - выключателем ВБ, обрыв цепи сигнализации отключенного состояния маломасляного выключателя – тумблером ВС, и обрыв цепи отключения – тумблером ВО, короткое замыкание в патронах сигнальных ламп при наличии добавочных сопротивлений – тумблерами 1ВО и 1ВВ, а при отсутствии добавочных сопротивлений – кнопками 2КО, 2КВ.