Описание тормозной системы

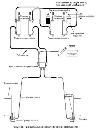
Тормозные системы левого и правого колес независимы друг от друга. Каждая система имеет бак, установленный на узле тормозных педалей второго пилота. Баки непосредственно соединяются с главными тормозными цилиндрами. Главные цилиндры на узле тормозных педалей второго пилота соединяются двумя гибкими шлангами с главными цилиндрами на узле тормозных педалей первого пилота.

Левый и правый главные цилиндры первого пилота соединяются также двумя гибкими шлангами с краном стояночного тормоза. Кран стояночного тормоза соединяется гибкими шлангами с суппортами тормозов основных опор шасси. Кран стояночного тормоза установлен на полу фюзеляжа за креслами. Кран стояночного тормоза соединяется тросом с рычагом, установленным на центральной панели в кабине.

Суппорты тормозов - стандартные, производства компании Cleveland. На каждом суппорте установлены два поршня, которые прижимают фрикционную накладку к тормозному диску, при этом фрикционная накладка установленной на суппорте колодки прижимается к внешней поверхности тормозного диска. Суппорт перемещается в боковом направлении на 2 крепежных штифтах.

 
 

На каждом колесе основной опоры шасси установлен тормозной диск, который крепится к колесу болтами. Тормозной диск вращается между 2 фрикционными накладками в суппорте тормоза. Суппорт расположен на опорной пластине, закрепленной на полуоси колеса.