СМЯТИЕ (МЕСТНОЕ СЖАТИЕ)
4.11. Расчет сечений при смятии (местном сжатии) следует производить на нагрузки, приложенные к части площади сечения (при опирании на кладку ферм, балок, прогонов, перемычек, панелей перекрытий, колонн и др.).
Несущая способность кладки при смятии определяется с учетом характера распределения давления по площади смятия.
Расчет на смятие следует производить с учетом возможного опирания конструктивных элементов (балок, лестничных маршей и др.) в процессе возведения здания на свежую или оттаивающую зимнюю кладку.
4.12. Расчет сечений при смятии производится по указаниям и формулам пп. [4.13-4.17]. Конструктивные требования к участкам кладки, загруженным местными нагрузками, приведены в пп. [6.40- 6.43].
Кроме расчета на смятие опорные узлы должны быть рассчитаны также на центральное сжатие по указаниям пп. [6.44 и 6.45].
4.13. При необходимости повышения несущей способности опорного участка кладки при смятии могут применяться следующие конструктивные мероприятия:
а) сетчатое армирование опорного участка кладки, см. пп. [4.30 и 4.31], а также пп. 5.12-5.17;
б) опорные распределительные плиты;
в) распределительные пояса при покрытиях больших пролетов, особенно в зданиях с массовым скоплением людей (кинотеатры, залы клубов, спортзалы и т. п.);
г) устройство пилястр;
д) комплексные конструкции (железобетонные элементы, забетонированные в кирпичную или каменную кладку);
е) выполнение из полнотелого кирпича верхних 4-5 рядов кладки в местах опирания элементов на кладку.
4.14. При местных краевых нагрузках, превышающих 80 % расчетной несущей способности кладки при смятии, следует под элементом, создающим местную нагрузку, усиливать кладку сетчатым армированием. Сетки должны иметь ячейки размером не более 100´100 мм и диаметр стержней не менее 3 мм.
В местах приложения местных нагрузок, в случаях, когда усиление кладки сетчатым армированием является недостаточным, следует предусматривать укладку распределительных плит толщиной, кратной толщине рядов кладки, но не менее 14 см, армированных по расчету двумя сетками с общим количеством арматуры не менее 0,5% в каждом направлении.
При краевом опорном давлении однопролетных балок, прогонов, ферм и т. п. более 100 кН укладка опорных распределительных плит (или поясов) является обязательной также и в том случае, если это не требуется по расчету. При таких нагрузках толщину распределительных плит следует принимать не менее 22 см.
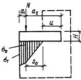
4.15. Расчет кладки на смятие под опорами свободно лежащих изгибаемых элементов (балок, прогонов и т. п.), см. п. [4.17], производится в зависимости от фактической длины опоры а1, и полезной длины а0, черт. 2. Эпюра напряжений под концом балки принимается по трапеции (при а1<а0) или по треугольнику (при а1³а0). Допускается также приближенно принимать треугольную эпюру с основанием а0=а1, если длина опорного конца балки меньше ее высоты.


Черт. 2. Распределение напряжений под концом балки
а - эпюра напряжений - трапеция (а1<а0);
б - то же, треугольник (а1³а0)
Полезная длина опоры определяется по формуле
. (13)
Краевые напряжения при эпюре в виде в виде трапеции:
; (14)
; (15)
где
; (16)
при эпюре в виде треугольника:
smax=2s0 (17)
где
; (18)
В формулах (13)-(18):
а0 - полезная длина опоры;
Q - опорная реакция балки;
b - ширина опорного участка балки, плиты настила или распределительной плиты под концом балки;
а1 - длина опоры балки;
с - коэффициент постели при смятии кладки под концом балки;
a - угол наклона оси балки на опоре.
Коэффициент постели с определяется по формулам:
для затвердевшей кладки
, (19)
где Ru - временное сопротивление (средний предел прочности) сжатию кладки, определяемое по формуле [3] п. [3.20];
для свежей кладки
, (20)
Ru1 - временное сопротивление сжатию кладки на растворе марки 2.
При определении tga принимается, что балка опирается на шарнир, расположенный посередине опорною конца. При неразрезных балках промежуточные опоры принимаются расположенными по оси соответствующих столбов или стен.
Для свободно лежащих балок при равномерной нагрузке
, (21)
где l - пролет балки;
EI - жесткость балки.
Для других нагрузок углы поворота см. в табл. 8.1.2 «Справочника проектировщика», т. 1 (расчетно-теоретический). - М.: Стройиздат, 1972.
В п. [4.13, формула (17)] величины коэффициента полноты эпюры давления и площади Ас при эпюре напряжений под концом балки в виде трапеции определяются до формулам:
, Ас=а1b. (22)
При треугольной эпюре напряжений:
y=0,5; Ас=а1b (23)
Если по расчету несущая способность опорного участка при свежей кладке недостаточна, рекомендуется установка временных стоек, поддерживающих концы балок.
4.16. При загружении кладки на смятие в двух направлениях учет ее работы производится путем перемножения коэффициентов полноты эпюр напряжений, см. п. [4.13].
Для нахождения формы распределения величины местных сжимающих напряжений под опорой перемычки в поперечном направлении определяется полезная ширина опоры b0 из условия равенства нулю суммы моментов относительно середины ширины опорной площадки перемычки. Тангенс угла поворота перемычки вокруг продольной оси определяется из формулы (13), в которой a0 заменяется на b0 , а b на a1. Коэффициент полноты эпюры давления от местной нагрузки определяется из отношения объема эпюры давления к объему smaxAc.
4.17. Расчет кладки на смятие под опорами однопролетных балок или настилов с заделанными опорами производится по п. [6.46], при этом величина эксцентриситета е0 определяется по формуле
, (24)
где М - изгибающий момент в заделке;
Q - опорная реакция балки.
При равномерно распределенной нагрузке на балку или плиту настила
. (25)
Для других нагрузок величины изгибающих моментов в заделке см. в табл. 8.1.2 «Справочника проектировщика».
4.18. При расчете сечений кладки, расположенных под распределительной плитой, нагрузка на плиту от установленной на нее балки (фермы и т. п.) без фиксирующей прокладки принимается в виде сосредоточенной силы, равной опорной реакции опирающегося на плиту элемента. Точка приложения силы принимается на расстоянии l/3l1, но не более 7 см от внутреннего края плиты (черт. 3, а).
При наличии прокладки, фиксирующей положение опорного давления, расстояние от точки приложения сосредоточенной силы до внутреннего края прокладки определяется по указаниям настоящего пункта, причем в этом случае l1 - длина прокладки (черт. 3, б).
Распределительная плита должна быть рассчитана на местное сжатие, изгиб и скалывание при действии местной нагрузки, приложенной сверху, и реактивного давления кладки снизу. При расчете распределительной плиты сосредоточенная сила заменяется нагрузкой, равномерно распределенной по площади смятия, имеющей ширину b опорного участка опирающегося на плиту элемента, и длину, равную 2u где u - расстояние от внутреннего края плиты или фиксирующей прокладки до оси нагрузки (см. черт. 3).

Черт. 3. Схема нагрузок и напряжения при расчете опорной плиты
а - опирание балки без фиксирующей прокладки;
б - опирание балки с прокладкой
4.19. Если нагрузка передается на кладку через распределительные устройства (например, через железобетонную или металлическую плиту), то эти устройства в расчетной схеме заменяются поясом кладки или столбом), имеющим размеры в плане те же, что и распределительные устройства с эквивалентной по жесткости высотой, вычисленной по формуле
, (26)
где Ер - модуль упругости материала распределительного устройства (для железобетонных распределительных устройств Ер = 0,85 Еb, где Еb - начальный модуль упругости бетона);
Ip - момент инерции распределительного устройства;
Е - модуль упругости кладки, принимаемый E=0,5E0;
d - размер распределительного устройства в направлении, перпендикулярном направлению распределения.
4.20. Напряжения в кладке под распределительными устройствами определяются по формулам, приведенным в табл. 6.
В этих формулах s - радиус влияния местной нагрузки, равный
, (27)
где Н - расстояние от уровня, в котором приложена местная нагрузка, до рассчитываемого сечения.
При расчете сечения под распределительным устройством Н=Н0, а в расположенных ниже сечениях Н=Н0+Н1, где H1 - расстояние от нижней поверхности распределительного устройства до рассчитываемого сечения.
4.21. Если к распределительному устройству приложено несколько сосредоточенных и распределенных местных нагрузок, эпюры напряжений по его подошве могут быть определены как сумма эпюр, соответствующих каждой из этих нагрузок. Распределенные нагрузки могут заменяться несколькими эквивалентными по величине сосредоточенными силами.
4.22. Размеры распределительного устройства (или размеры основания конструкции, создающей местную нагрузку) должны выбираться такими, чтобы выполнялось условие
smax£0,8xRu, (28)
где x - определяется по формуле [19] п. [4.14];
Ru - по формуле [3] п. [3.20].
Длина распределительной плиты (если она не ограничена размерами сечения кладки) должна быть больше длины опорного конца балки l1, установленной на плиту без фиксирующей прокладки (черт. 4, a). Для определения необходимой длины распределительной плиты l1 принимается, что равнодействующая давления от конца балки на плиту приложена непосредственно на торце балки (черт. 4, б).
Таблица 6
| Схема приложения нагрузки и распределения напряжений | Формулы применимы в сечениях, где | Напряжения s0 и si |
| a1 и a2 >
|
|
2.
| a<s | ;
|
3.
| a1<s
|
;
;
|
4.
| a1<s
a2,0<a2
| ;
;
a0=1,125a1;
|
5.
| a1<s a2³s0
, s0<a2
для затвердевшей кладки:
u³12 см>H
для свежей или оттаявшей кладки:
u³24 см³2H
Нагрузка q погашает растягивающие напряжения под плитой
| ;
;
a0=0,15s+0,85a1;
s0=0,4a1+0,6s
|
6.
| а1 и а2 больше s+b/2 и одновременно b<2s | ;
|
7.
| а1 и а2 > s+b/2 и одновременно b>2s |
|
8.
|
и одновременно b<2s
| ;
;
|
9.
|
и одновременно b<2s
| ;
|
Примечание: q – нагрузка; d – толщина элемента.
Этим учитывается возможность, например, неравномерной осадки опор. С учетом места расположения равнодействующей этого давления по формулам, приведенным в табл. 6, определяется эпюра давления от распределительной плиты на кладку. При этом величина ординаты эпюры давления s1 (см. черт. 4, б) на краю распределительной плиты, примыкающей к незагруженной части кладки, не должна превышать расчетного сопротивления кладки сжатию R. Если по конструктивным соображениям длина опорной плиты не может быть увеличена, то необходимо увеличить ее ширину.
4.23. В зоне кладки, примыкающей к площади смятия, расположенной на краю стены, а также при установке распределительной плиты, под которой условно принимается равномерная эпюра напряжения, возникают горизонтальные растягивающие усилия. С точностью, достаточной для практических расчетов, эпюра растягивающих напряжений может быть представлена в виде треугольника с максимальной ординатой в уровне приложения местной нагрузки и подошвы плиты, см. черт. 5.

Черт. 4. Расчетная схема узла опирания балки на кладку
а - нагрузка и напряжения при расчете кладки на местное сжатие под опорной плитой; б - нагрузка и напряжения при определении длины опорной плиты

Черт. 5. Распределение растягивающих напряжений в кладке при смятии
а - при отсутствии распределительной плиты; б - при установке распределительной плиты; 1 - распределительная плита; 2 – кладка
Высота растянутой зоны b определяется по формуле
b=a (1,75v2-2,75v+1,25), (29)
где а - длина загруженного участка;
v = a/l;
l - длина элемента, включающая загруженный участок.
Наибольшая ордината эпюры растягивающих напряжений st,max определяется по формуле
st,max=0,4q/(9,6v2 - 1,7 v + 1), (30)
где q - величина нагрузки, МПа (кгс/см2), равномерно распределенной по площади местного сжатия.
При v<0,2 следует принимать этот коэффициент равным 0,2; при v³0,8 растягивающие напряжения не учитываются.
Величина наибольшей ординаты эпюры растягивающих напряжений неармированной кладки должна удовлетворять условию
st,max £ 0,8Rtb,u, (31)
где Rtb,u - предел прочности кладки на растяжение при изгибе по перевязанному сечению, равный Rtb,u = kRtb (k=2,25);
Rtb - расчетное сопротивление растяжению при изгибе.
Величины растягивающих напряжений st,max в пределах высоты растянутой зоны b при различных отношениях v = а/l можно определять по табл. 7.
Таблица 7
| v =a/l | 0,2 | 0,3 | 0,4 | 0,5 | 0,6 | 0,7 |
| st,max | 0,383q | 0,295q | 0,216q | 0,157q | 0,116q | 0,089q |
| b | 0,770а | 0,580a | 0,430а | 0,310a | 0,230a | 0,180a |
Если условие (31) не удовлетворяется, то горизонтальное усилие st,max
(h – толщина стены) должно быть воспринято сетчатой арматурой, уложенной в горизонтальных швах кладки в пределах высоты растянутой зоны b. Длина арматурных сеток должна обеспечивать их достаточную анкеровку. Для этого сетки с одной стороны заводятся в пределы всей площади смятия и на такую же длину в противоположную сторону, при этом длина сеток должна ограничиваться краем стены.
Примечание. При опирании балок и ферм на стены и столбы, изгиб или смещение которых в направлении продольной оси балки ограничены, расчет опор следует производить с учетом температурно-влажностных деформаций этих балок и стен. Для этого расчета могут быть применены указания прил. 11. При необходимости горизонтальные усилия должны быть восприняты арматурой.
4.24. Неразрезные распределительные устройства (например, железобетонные пояса) рассчитываются как балки на упругом основании.
Армирование железобетонных распределительных устройств производится в соответствии со СНиП 2.03.01-84.
4.25. В случае сложных узлов опирания (например, при опирании на стену или столб прогонов, балок и плит в нескольких направлениях, в одном или близких уровнях), расчет которых может быть выполнен лишь ориентировочно, должны применяться конструктивные мероприятия, повышающие надежность опорного узла, приведенные в п. 4.14, или узел должен быть замоноличен.
4.26. При опирании ферм, балок покрытий, подкрановых балок и т. п. на пилястры следует предусматривать связь распределительных плит на опорном участке кладки с основной стеной по п. [6.42].
Выполнение кладки, расположенной над плитами, следует предусматривать непосредственно после установки плит. Предусматривать установку плит в борозды, оставляемые при кладке стен, не допускается.
4.27. Фиксирующая прокладка должна быть закреплена на поверхности плиты при помощи выпущенных из нее анкеров. Внутренний край проповерхности плиты при помощи выпущенных из нее анкеров. Внутренний край прокладки должен отстоять от края опорной плиты не менее чем на 100 мм.
4.28. Под опорными участками элементов, передающих местные нагрузки на кладку, следует предусматривать слой раствора марки не ниже 50, толщиной не свыше 15 мм; установка этих элементов или же распределительных плит на кладку „насухо" не допускается.
Кладка стен под опорами на высоту не менее 10 рядов должна иметь цепную перевязку во всех рядах как в продольном, так и в поперечном направлении, а кладка столбов или пилястр - цепную или четырехрядную (системы Л.И. Онищика).
;
;
;
a2,0<a2
;
;
a0=1,125a1;
, s0<a2
для затвердевшей кладки:
u³12 см>H
для свежей или оттаявшей кладки:
u³24 см³2H
Нагрузка q погашает растягивающие напряжения под плитой
;
;
a0=0,15s+0,85a1;
s0=0,4a1+0,6s
;
и одновременно b<2s
;
;
;