ИССЛЕДОВАНИЕ СЛЕДОВ














Вопросы для самоконтроля:
1. Понятие дактилоскопии.
2. Дайте определение: эпидермис, дерма, пальцевая фаланга.
3. Какие обстоятельства могут быть установлены при изучении следов ног (обуви) на месте происшествия?
4. Как по следу ноги (обуви) определить примерный рост человека?
5. По каким признакам можно установить модель шины, а также тип и модель автомобиля?
6. Какие признаки могут быть использованы для определения направления движения транспортного средства?
Заключение преподавателя:

Дата: « » ________________________ 20___ г.
ТЕМА: СЛЕДЫ ТРАНСПОРТНЫХ СРЕДСТВ
Задание. На представленных рисунках легкового автомобиля обозначьте и впишите в альбом по 18 наименований видимых деталей.

Задание. По рисунку протектора и ширине колеи передних и задних колес определите марку автотранспортного средства.


СЛЕДЫ ОРУДИЙ ВЗЛОМА
Задание. Назовите основные части окна и двери.

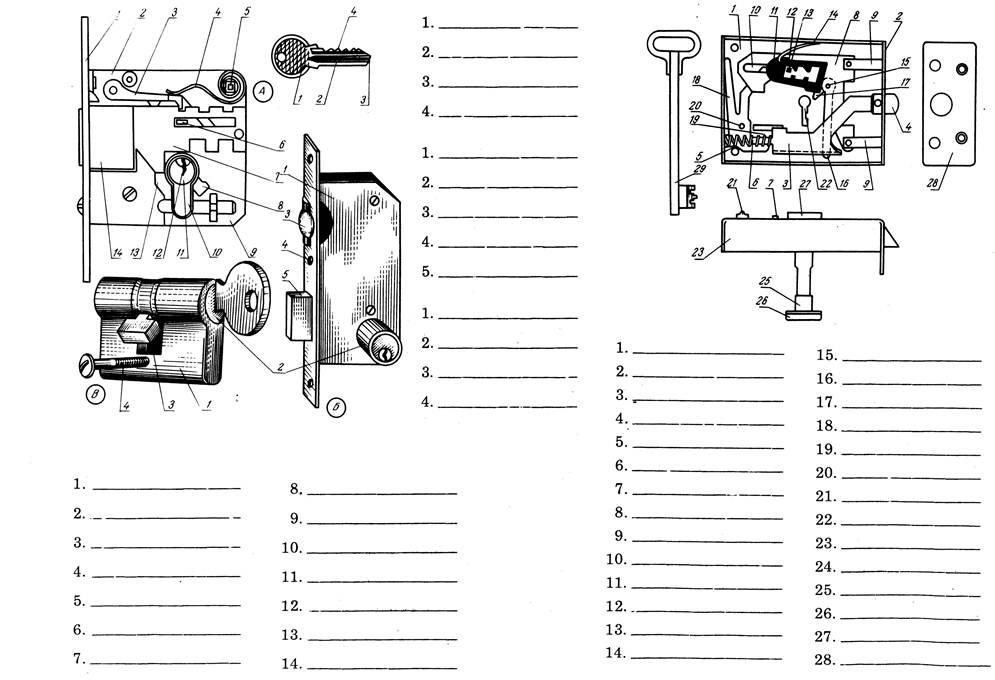
Задание. Ознакомьтесь с устройством врезного замка с цилиндровым механизмом и прирезного сувальдного замка с дополнительным ригелем. Укажите наименование их частей.

Задание. Назовите наименование частей дверной и оконной задвижки, дверной накладки и цепочки, врезного замка.

Задание. Назовите части молотка, топора, гвоздодера и стамески. Наименования частей запишите в альбом..

Дата: « » ________________________ 20___ г.
ТЕМА: КРИМИНАЛИСТИЧЕСКОЕ ОРУЖИЕВЕДЕНИЕ.
Судебная (криминалистическая) баллистика это - (впишите определение) ________________________________________________________________________________________________________________________________________________________________________________________________________________________________________________________________________________________________________________________
Задание. Заполните схему классификации ручного огнестрельного оружия.

Задание. Перечислите детали нарезного автоматического оружия, оставляющего следы на гильзах.

Задание. Назовите части пистолета системы Макарова, охотничьего ружья и пули.


Задание. Осмотрите стекло. Укажите стрелками на рисунке радиальные и концентрические линии.
Определите последовательность выстрелов. Обоснуйте свой вывод. Составьте фрагмент протокола осмотра.

Ответ_____________________________________________________________________________________________________________________________________________________________________________________________________________________
ФРАГМЕНТ ПРОТОКОЛА ОСМОТРА
____________________________________________________________________________________________________________________________________________________________________________________________________________________________________________________________________________________________________________________________________________________________________________________________________________________________________________________
Заключение преподавателя _________________________________ Подпись _________________
Вопросы для самоконтроля:
1. Понятие криминалистического оружиеведения.
2. Понятие криминалистической баллистики.
3. Какие следы возникают в результате применения огнестрельного оружия?
4. Криминалистическое значение следов близкого выстрела.
5. Какие признаки характеризуют входное и выходное отверстия, образованные пулей на различных преградах?
6. Какие правила должны соблюдаться при обнаружении, осмотре и изъятии следов применения огнестрельного оружия?
7. Какие признаки могут быть использованы для установления очередности выстрела?
Заключение преподавателя:
Дата: « » ________________________ 20___ г.
ТЕМА: КРИМИНАЛИСТИЧЕСКАЯ ГАБИТОСКОПИЯ

Задание. Обозначьте на схемах наименования частей мужской и женской одежды.

Задание. Сфотографируйте человека по правилам сигналетической (опознавательной) съемки.
Изготовьте три снимка (правый профиль, фас и с поворотом головы вправо), наклейте их в альбом.

Опишите внешность сфотографированного вами лица по методу словесного портрета в том объеме, в каком это возможно сделать по фотоснимку:
_______________________________________________________________________________________________________________________________________________________________________________________________________________________________________________________________________________________________________________________________________________________________________________________________________________________________________________________________________________________________________________________________________________________________________________________________________________________________________________________________________
Вопросы для самоконтроля:
1. Понятие криминалистического учения о внешних признаках человека и его значение в практике борьбы с преступностью.
2. Что понимается под анатомическими, функциональными признаками? Их идентификационное значение.
3. По каким наиболее характерным признакам проводится идентификация личности по фотоснимкам?
4. Понятие криминалистического отождествления человека по признакам внешности, основные свойства и роль в раскрытии преступления.
5. Порядок описания внешности человека по признакам словесного портрета.
6. Области применения словесного портрета в оперативной и следственной практике.
Заключение преподавателя:
Дата: « » ________________________ 20___ г.
ТЕМА: КРИМИНАЛИСТИЧЕСКОЕ ИССЛЕДОВАНИЕ ДОКУМЕНТОВ
Криминалистическое исследование документов это (впишите определение) ________________________________________________________________________________________________________________________________________________________________________________________________________________________________________________________________________________________________________________________
Задание. Впишите в схему признаки почерка и топографические признаки письма.


Вопросы для самоконтроля:
1. Что понимается под «реквизитами документа»?
2. Что такое индивидуальность почерка?
3. Какие признаки используются для отождествления человека по рукописным текстам?
4. Как классифицируются признаки почерка?
5. В чем состоит подготовка материалов для почерковедческой экспертизы?
6. Каковы требования к подготовке сравнительного материала?
7. Что понимают под полной или частичной подделкой документов?
Заключение преподавателя: