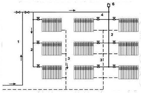
Горизонтальные двухтрубные системы

Рис. 1. Схема горизонтальной двухтрубной системы отопления.
1 - стояк;
2 - нагревательные приборы;
3 - регулирующий кран;
4 - выпуск воздуха.
5 -регулирующая арматура
6 - магистраль обратной воды.
Вертикальные двухтрубные системы

Рис.2. Двухтрубная вертикальная система водяного отопления с верхней разводкой.
На рисунке 2 приведена схема вертикальной двухтрубной системы отопления с верхней разводкой с односторонним и двухсторонним присоединением нагревательных приборов. Горячая вода из теплового пункта подается в главный стояк, затем по горизонтальной магистрали разводится к стоякам и от них к нагревательным приборам. Охлажденная вода из нагревательных приборов собирается в общий обратный стояк и далее через обратную магистраль поступает в тепловой пункт. Горизонтальные магистрали прокладываются с уклоном 0,002. Уклоны горизонтальных труб должны обеспечить выход воздуха из системы к верхним точкам, где он будет удален через воздухоотводчики.
По расположению труб, соединяющих нагревательные приборы, системы делятся на вертикальные, когда приборы присоединяются к вертикальному стояку, и горизонтальные, когда приборы присоединяются к горизонтально расположенным трубопроводам.

Рис. 3. Двухтрубная вертикальная система водяного отопления с нижней разводкой.
1 - магистраль горячей воды;
2 - стояки горячей воды;
3 - стояки обратной воды;
4 - краны у приборов;
5 - нагревательные приборы;
6 - выпуск воздуха;
7 - обратная магистраль.
В системе с нижней разводкой магистральная пиния располагается в нижней части системы.
Движение воды по стоякам происходит снизу верх. Удаление воздуха из системы осуществляется через воздушные краны, устанавливаемые на верхних нагревательных приборах, или с помощью автоматических воздухоотводчиках, устанавливаемых на стояках или специальных воздушных линиях.
В отличие от однотрубных систем, двухтрубные системы напрямую экономят тепло. В том случае, если помещение перегрето, термостат уменьшает или прекращает доступ теплоносителя в прибор. Если теплоноситель, который не поступил в прибор, попадет в прибор соседнего помещения, то он перегреет это помещение и термостат этого помещения прикроется. Таким образом, излишний теплоноситель из циркуляции исключается. В режиме минимум в двухтрубную систему поступает теплоноситель, циркулирующий только по нерегулируемым стоякам (лестничные клетки, лифтовые холлы, межквартирные коридоры). В этом отношении двухтрубные системы более прогрессивны, чем однотрубные.

Рис. 2. Схема горизонтальной двухтрубной системы отопления.
1 - стояк;
2 - нагревательные приборы;
3 - регулирующий кран;
4 - выпуск воздуха.
5 -регулирующая арматура
6 - магистраль обратной воды.

В настоящее время для обеспечения повышенного комфорта в доме все чаще делается поверхностное отопление. Теплый пол обеспечивает идеальную температуру для здоровья человека (22 град. С на уровне ног и 18 град. С на уровне головы), экономию энергии до 12%, экологичность. В этом случае в схему системы водяного отопления частного дома нужно добавить трубы петель и группу (коллектор) теплого пола.
Для большей экономичности в систему отопления можно установить комнатный термостат или погодозависимую автоматику. Комнатный термостат позволит экономить до 35 % энергии и наиболее эффективен при обогреваемых площадях 100- 300 м. кв., а погодозависимая автоматика увеличит экономию до 40 % при площадях от 300 м.кв.
Конечно же, в схему водяного отопления частного дома можно включить и другое оборудование, как-то солнечные коллектора, настенное отопление, комбинированные бойлера косвенного нагрева и много другого. Все зависит от возможностей и желаний владельца дома.
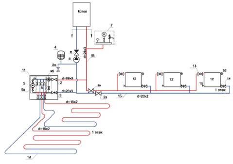
Схема комбинированного отопления помещений одного этажа дома или квартиры. Отопление плюс теплый пол. Ручное регулирование температуры в помещениях. Горизонтальная двухтрубная разводка.

Спецификация основных материалов и оборудования:
1А.Труба металлопластиковая d=16?2 (метраж в зависимости от технической необходимости. При условии использования труб из других материалов — полипропилен d=20мм, медь d=15мм) -не более 50м на радиатор.
1Б.Труба металлопластиковая d=20?2-(метраж в зависимости от технической необходимости. При условии использования труб из других материалов — полипропилен d=25мм, медь d=18мм) -по месту.
1В.Труба металлопластиковая d=26?3-(метраж в зависимости от технической необходимости. При условии использования труб из других материалов — полипропилен d=32мм, медь d=22мм) -по месту.
2. Кран шаровой 1?-1.
3. Вентиль прямоточный 3/4?-3.
4. Бак мембранный для отопления, 50 литров-1.
5. Насос циркуляционный с комплектом гаек- Wilo Star RS 25/6 -2 шт.(или другого производителя с напором в 6м)-1.
6. Клапан обратный 1?-1.
7. Группа безопасности до 50квт 1?-1.
8. Блок коллекторный (гребенка) 1?xl/2?-1 по количеству выходов (веток отопления).
9а.9б.Смесительный блок.
10. Соединитель 16- по месту (в зависимости от количества трубопроводов).
11. Шкаф распределительный.
12. Радиаторы отопления — в зависимости от потребностей помещения
13. Термокран с ручкой 1/2″- по месту (в зависимости от количества радиаторов).
14. Термокран без ручки 1/2″- по месту (в зависимости от количества радиаторов).
15.17 Футорка/пробка радиаторная 1″ х 1/2″- по месту (в зависимости от количества радиаторов).
16. Воздухоотводчик ручной 1,2” по месту (в зависимости от количества радиаторов).
18. Кронштейны для радиаторов- по месту (в зависимости от количества радиаторов).
19. Ниппель 1”-1
20. Ниппель сдвоенный 1”-1
21. Кожух гофрированный ПНД 16(25)-по месту.

Пример подключения в распределительном шкафу (обвязка гребенки)

Пример диагонального подключения радиатора
Другие виды двухтрубных систем отопления
Среди множества двухтрубных схем выделяются тупиковые схемы и схемы с попутным движением теплоносителя. Также к основным видам двухтрубных схем, наиболее часто применяющимся в коттеджном строительстве, можно отнести схемы с центральной подающей магистралью и коллекторные. В двухтрубной тупиковой схеме все радиаторы замкнутого отопительного контура присоединяются прямой и обратной подводками, и только последний в цепочке отопительный прибор подключается, как в однотрубной горизонтальной схеме, то есть непосредственно к прямым и обратным магистральным трубопроводам. В схеме с попутным движением теплоносителя этого нет - здесь все радиаторы «уравнены в правах». Такую схему легче увязать с гидравлической точки зрения, но ее сложнее монтировать, поскольку диаметры параллельных участков и типоразмеры фасонных частей будут отличаться. Двухтрубная схема с центральной распределительной магистралью - это разновидность предыдущих схем. Отличие же состоит в том, что в помещениях дома прокладывается подающая магистраль, от которой отходят ответвления к отопительным приборам, за счет чего снижается расход труб. Также эта схема интересна тем, что позволяет подключить контуры напольного отопления к высокотемпературной магистрали. Здесь используется смесительный модуль из циркуляционного насоса и трехходового смесительного крана с датчиком температуры (этот вентиль устанавливается на всасывающем патрубке насоса), то есть пункт управления, который делает змеевик "теплого пола" независимым от основной системы и не оказывающим влияние на ее режим работы с точки зрения гидравлики. Коллекторная схема относится к двухтрубным схемам, но в силу своей нервной специфики стоит несколько особняком от других. Дело в том, что здесь отвергается сама идея магистрального трубопровода в том или ином виде и каждый радиатор присоединяется к распределительному коллектору отдельными подающей и обратной веточками. Благодаря этому мы сможем довольно легко увязать отдельные отопительные приборы по давлению и проложить вторичные отопительные контуры (ветки теплых полов). Кроме того, коллекторная схема позволит нам сократить диаметр труб и при прокладке первичного отопительного контура отказаться от многих дорогостоящих фасонных элементов. Несмотря на то, что из-за большего расхода труб и затрат на коллектор такая схема оказывается несколько дороже, чем традиционные двухтрубные схемы, она приобретает все большую популярность в индивидуальном домостроительстве.
Коллекторная разводка предполагает, что на каждом уровне, в специально предназначенном шкафу, располагаются коллекторы, из которых к радиаторам отопления идут трубы и характеризуется независимым подключением каждого радиатора. Подобная схема разводки дает возможность регулировать систему и установку специальных электромоторов, поддерживающих заданную температуру в комнатах. Надо сказать, что коллекторная схема стоит дороже лежаковой на 10-15%, однако она признана более удобной в использовании и обслуживании.
Преимуществом коллекторной разводки является относительная легкость монтажа (минимально количество соединений) гидравлическая стабильность системы. Очередным преимуществом коллекторной разводки является возможность замены поврежденного участка трубы без разрушения конструкции пола.
