Соединение диодов параллельно и последовательно
Поскольку ВАХ полупроводниковых диодов даже одного типа заметно отличаются друг от друга, для того, чтобы объединить свойства нескольких диодов, например, соединить их так, чтобы увеличить максимальный прямой ток либо повысить максимальное обратное напряжение, используют специальные приемы (см. таблицу).
Для увеличения рабочего тока совершенно неверно будет просто объединить группу диодов параллельно. Непременно окажется, что по одному из диодов потечет больший ток в силу различии ВАХ. Это вызовет разогрев его перехода, что, в свою очередь, сделает ВАХ диода еще более крутой, ток через диод возрастет еще больше. В итоге полупроводниковый переход разрушится, после чего процесс выхода из строя последовательно повторится на остальных диодах. Чтобы избежать этого, при параллельном включении диодов последовательно c каждым диодом включают сопротивление (для выравнивания токов через них) — в зависимости от тока от долей до десятков Ом.

Аналогичная ситуация складывается и при последовательном соединении полупроводниковых диодов (для увеличения обратного напряжения). K диодам последовательной цепочки будет приложена разная часть общего напряжения (из-за различий ВАХ). B итоге по крайней мере одно самое слабое звено этой цепочки будет повреждено, a схема перестанет работать. Для выравнивания падений напряжения на цепочке из диодов параллельно им включают резисторы равного сопротивления (обычно от 100 до 1000 кОм). Чем ниже величина сопротивления, тем равномернее будет распределение напряжений, однако, как и в предыдущем случае, включение дополнительных резисторов в определенной мере ухудшает выпрямительные свойства сборки диодов.
Зачем соединяют диоды параллельно? Затем,чтобы увеличить один из главных параметров -прямой ток диода. Но! Существует множество диодов, которые рассчитаны на самые разные токи, от миллиампер до сотен и тысяч ампер. Поэтому соединять диоды параллельно для увеличения общего прямого тока не имеет большой актуальности.
Рис. 1
Диоды, включенные параллельно, можно видеть на рис. 1. Если каждый из них имеет прямой ток 1 А и максимальное обратное напряжение 100 В, то параметры всей цепочки будут соответственно 3 А и 100 В. Т.е. при параллельном включении пропорционально количеству возрастает прямой ток, а максимальное обратное напряжение не меняется.
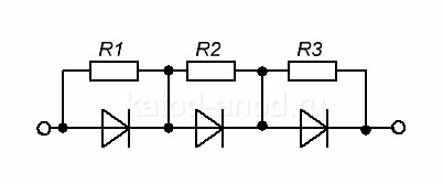
В силу того, что характеристики отдельно взятых диодов всегда будут разниться, соединяя диоды параллельно необходимо всегда учитывать этот факт. При параллельном включении прямой ток будет неравномерно распределяться между диодами. Диод, обладающий наименьшим сопротивлением, будет брать на себя больший ток в прямом направлении. И в определённых обстоятельствах это превышение может оказаться критичным и произойдёт пробой диода. Чтобы этого не случилось, соединяя диоды параллельно, последовательно с каждым из них ставятрезистор. См. рис. 2. Сопротивление этих резисторов выбирают из расчёта падения напряженияна них не более 1 В. Т.е. при токе в 1 А они должны быть около 1 Ома.

Зачем соединяют диоды последовательно? Последовательное соединение диодов можно рассматривать как один диод, у которого увеличивается такой важный параметр, как обратное напряжение диода Uобр. И увеличивается он пропорционально количеству соединённых диодов. Такое включение можно увидеть на рисунке 1.
Рис. 1
Если каждый из диодов имеет максимальное обратное напряжение 100 В, то для всего соединения этот параметр возрастает троекратно и равняется 300 В. Постоянный прямой ток при этом не меняется. Если каждый из диодов имеет ток в 500 мА, то полученный в результате диод будет иметь прямой ток 0.5 А и максимальное обратное напряжение 300 В.
Соединение диодов последовательно используется довольно часто. К примеру, диоды с Uобр=1000 В довольно распространены и достаточно дёшевы. Но если понадобится большеенапряжение, то поиски покажут, что диоды на такие напряжения достаточно дороги. Т.е. получается так, что выгоднее соединить несколько дешёвых диодов последовательно, чем ставить один дорогой.
Шунтирование диодов
Характеристики любых, даже однотипных диодов всегда будут несколько отличаться. При последовательном соединении диодов этот факт необходимо обязательно учитывать. Каждый диод в обязательном порядке имеет некое внутреннее сопротивление, которое очень сильно отличается для проводящего и непроводящего состояния. К примеру, падение напряжения на внутреннем сопротивлении диода при его прямом смещении составляет всего около 0.3 В. Но при соединении диодов последовательно важную роль играет не прямое, а обратное сопротивление. При этом обратное напряжение распределяется по диодам неравномерно. Оно будет максимально на том диоде, у которого окажется максимальное обратное сопротивление. Это может привести к пробою диода с большой вероятностью. Чтобы избежать такой аварийной ситуации проводят шунтирование диодов. Каждый из последовательно соединённых диодов шунтируется своим резистором. Резисторы ставят высокоомные и маломощные. Пример такого соединения диодов показан на рис. 2.
Рис. 2
Как правило, такие резисторы имеют сопротивление в районе 510 КОм. Это шунтирование обеспечивает выравнивание напряжения на соединённых диодах.
17-сұрақ. Түзеткіштер. Бір жартылай периодты түзеткіш. Нөльдік нүктесі бар екі жартылай периодты түзеткіш. Бірфазалы көпірлік түзеткіш.
Түзеткіштер
Электрондык құрылгыларды, аппараттарды қоректендіруге арналған қажетті туракты ток көзін алу үшін түзеткіштік құрылғылар колданылады. Осындай айнымалы ток энергиясын турақты ток энергиясына түрлендіретін курылғылар қоректену көздері деп аталады. Осы коректену көзінің структуралық схемасы 1- суретте көрсетілген.

Күштік төмендеткіш трансформатор түзеткіштің 1 кіріс және шығыс кернеулерін бірімен бірін үйлестіруге түзеткіштің кірісінде керекті шамадағы кернеуді алуға арналған.Түзеткіш 2 айнымалы токты түзетуге керек.Түзетілген токтың пульсациясын азайту үшін тегістегіш сүзгілер 3Қолданылады.Тегістегіш сүзгі мен жүктеменің арасына 5 электрондық стабилизатор 4 қосылады, ол тораб кернеуі мен жүктеме тоғының өзгеруіне тәуелсіз түрде шығыс кернеуді тұрақты ұстап тұрады.Қоректену көзінің негізгі міндеті айнымалы тоқты немесе кернеуді тұрақты шамаға түрлендіретін түзеткіш есептелінеді.Түзеткіштік схемалар бір периодты. Екі периодты және кернеулерді екі еселеп көбейту схемалары болып бөлінеді \.
Бір жартылай периодты түзеткіш
Түзеткіш құралға қойылатын шарттарды ескеріп, көптеген факторлар бойынша түзеткіш схеманы таңдауы жүргізіледі. Бұл факторларға: түзетілген кернеу мен қуат, түзелген кернеудің пульсация жиілігі, диодтардың саны, диодтағы кері кернеу, трансформатор қуатын қолдану коэффициенті, екінші орамдағы кернеу жатады.
|
|
|
Сурет 1 – Біржартылай периодты түзеткіш схемасы (а), активті жүктемедегі сыйымдылықты сүзгі қосылмаған сигналдардың осциллограммасы (б), активті жүктемедегі сыйымдылықты сүзгі қосылған сигналдардың осциллограммасы (в)
Біржартылай периодты түзеткіш схемасын (1.а суреті) бірнеше ондық милиамперге тең жүктеме токтарында және түзетілген кернеудің тегістеу деңгейі жоғары болуы қажет емес кезінде қолданады.
Бұл схема трансформатор қуатын қолдану коэффициентінің төмеңгі шамасымен сипатталады, себебі түзетілген кернеудің бір ғана жартылай периоды қолданылады. Осы схеманың екінші кемшілігі: түзету диодының кері кернеуі U1 көзінің амплитудасының 2 еселенген шамасына тең. Себебі оның жабық режимі кезінде оған С1 кондесаторының кернеуі және U1 көзіндегі кері жартылай толқынның кернеуі қосылады.
Сурет 2 – Трансформатордың екінші орамдағы ортақ шығысы бар екіжартылай периодты түзеткіш (а), активті жүктемедегі сыйымдылықты сүзгі қосылмаған сигналдардың осциллограммасы(б)
Трансформатордың екінші орамдағы ортақ шығысы бар екіжартылай периодты түзеткіш (2, а суреті) төмеңгівольтты құралдарда қолданылады. Олар бірфазалы көпірлік түзеткішпен (3, а суреті) салыстырғанда диодтардың саның екі есе азайтып, шығындарды төмендетеді, бірақ диодтағы кері кернеуі мен трансформатор қуатын қолдану коэффициенті бойынша ол біржартылай периодты түзеткіш схемасымен бірдей болады.
Активті жүктеме кезіндегі түзелген кернеу – пульсацияланатын кернеу болып саналады (1-б, 2-б суреттері). Пульсация коэффициенті – негізгі жиіліктегі түзетілген кернеу импульсінің амплитудасының (Uв) түзетілген кернеудің орташа шамасының (U) қатынасына тең. Тегістеуіш сүзгісі жоқ біржартылай периодты түзеткіштің пульсация коэффициенті
. Тегістеуіш сүзгісі жоқ екіжартылай периодты түзеткіштің пульсация коэффициенті
.
Бірфазалы көпірлік түзеткіш.
Бірфазалық көпірлік схема трансформатор қуатын қолдану коэффициентінің жоғары шамасымен сипатталады; ол шығыс кернеулері 10-100В-ке тең жоғары қуатты құраладарда қолданылады. Көпірлік схеманың пульсация жиілігі желінің екі еселенген жиілігіне тең.

Сурет 3 – Бірфазалық көпірлік схемасы
18-сұрақ
Басқарылатын түзеткіштер. Сұлбалары, жұмыс істеу принциптері.
Басқарылатын түзеткіштердің негізгі функциясы айнымалы кернеуді реттелетін тұрақты кернеуге түрлендіру болып табылады. Түрлендіргіштің күш беретін бөлігінің параметрлеріне байланысты өнеркәсіпте шығарылатын басқарылатын түзеткіштер бірфазалық және үшфазалық болып бөлінеді.
Үш фазалық басқарылатын түзеткіштер
Біржартыпериодты үш фазалық тиристорлық түрлендіргіш. Басқарылатын түзеткіш күш беретін бөлігінің схематехникалық шешуінің анық жеңілдігіне қарамастан берілген сұлбаның бір маңызды кемшілігі бар. Күш беретін трансформатордын екілік орамы арқылы түзеткіш жұмысы кезінде тұрақты ток ағып өтеді, бұл оның жүктемелік қабілеттілігін төмендеуіне әкеледі. Біржартыпериодты үш фазалық түзеткіш басқару бұрышы 0 ден 150о диапазон аралығында өзгереді, әр тиристордың ашық күйіндегі 0 – 17мс уақыт интервалына сәйкес келеді. Біржартыпериодты үш фазалық түзеткіш күш беретін бөлігінің схематехникалық шешуі сурет 5.3 көрсетілген. Сурет 5.3 - Біржартыпериодты үш фазалық түзеткіш күш беретін бөлігінің схематехникалық шешуі, мұнда RH,LH – жүктеменің активті және реактивті құрамалары, Р=7 – 35 кВт, fп=3fc
19-сұрақ.
20-сұрақ.
21.-сұрақ.
Күшейткіштегі кері байланыстар (Обратная связь в усилителе) — күшейткіш тізбектері (каскадтары) арасында күшейтілген кернеу (ток) бөлігінің күшейтілу бағытынан кері бағытта, яғни бір каскадының шығысынан сол каскадтың өзінің немесе оның алдындағы каскадтың кірісіне қайта берілуін қамтамасыз ететін байланыс.
Қайта берілетін кернеудің полярлығына қарай кері байланыс оң және теріс болуы мүмкін. Оң-кері байланыс күшейткіште автотербеліс қоздырып, оны автогенераторға айналдырады. Ал теріс кері байланыс күшейту коэффициентінің орнықтылығын арттырады, бұрмаланудың барлық түрінің шамасын төмендетеді. Орындалу түріне қарай параллель кері байланыс, тізбектік (токтық) кері байланыс және осы екі түрі бірдей қолданылатын — күрделі немесе аралас кері байланыс схемалары болады. Тізбектегі элементтердің сипаттарына қарай теріс кері байланыс жиілікке төуелі және жиілікке төуелсіз кері теріс байланыс болып бөлінеді. Схемаға арнайы енгізілетін кері байланыстан басқа күшейткіш элементтердің табиғи қасиетіне, монтаж сапасына қарай күшейткіш сапасына кері ықпал ететін ішкі кері байланыстар жөне паразиттік кері байланыстар болады
22-сұрақ
.Өрістік транзисторлар әдетте кремний немесе галий арсениді негізінде жасалады. Олардың тұрақты ток бойынша кірістік және шығыстық кедергілері жоғары, инерциялығы төмен, жиіліктік шегі жоғары болып келеді. Өрістік транзисторлар байланыс, есептеуіш техникаларында, теледидарда шусыз, қуатты және ауыстырып-қосқыш (кілттік) ретінде қолданылады. Металл-диэлектрик-шалаөткізгіш (МДШ) құрылымды өрістік транзисторлар интегралдық сұлбаларда кеңінен қолданылады.
Биполярлы транзисторлар үш кезектелген электрондық (п) немесе кемтіктік (р) өткізгіштік облыстардан тұрады. Олар р-п-р және п-р-п типті болып ажыратылады. Биполярлы транзистордың ортаңғы облысы база, қалған екеуі эмиттер және коллектор деп аталады. База эмиттер мен коллектордан тиісінше эмиттерлік және коллекторлық р-п ауысуларымен бөлінген. Биполярлық транзистордың жұмыс істеу принципі база арқылы өтетін негізгі емес заряд тасушылардың ағынын бақылауға негізделген. Эмиттерлік ауысу тура бағытта ығысқан және ол негізгі емес заряд тасушылардың инжексиясын (итерілуін, ендірілуін) қамтамасыз етеді, ал коллекторлық ауысу кері бағытта ығысқан, ол эмиттер итерген негізгі емес заряд тасушыларды жинап алуды қамтамасыз етеді. Биполярлық транзисторлар негізінен электр сигналдарын өндіруге, күшейтуге арналған. Транзисторлар физикалық және басқа да параметрлеріне байланысты төмен (3 МГц-ке дейін), жоғары (300 МГц-ке дейін), аса жоғары жиілікті (300 МГц-тен жоғары), аз қуатты (шектік сейілу қуаты 1 Вт-қа дейін), үлкен қуатты (шектік сейілу қуаты 1 Вт-тан жоғары), жоғары және төмен кернеулі, дрейфтік, т.б. түрлерге бөлінеді. Транзистор қазіргі кездегі микроэлектроника құ-рылғыларының негізгі элементі болып табылады.
23-сұрақ.
Операционды күшейткіш. Шартты графикалық белгіленуі. Беріліс сипаттамасы. Операционды күшейткіштердің параметрлері және классификациясы.
1. Электр тізбегі деп, генерациялауға арналған, тапсырулар, өзгертулер және электрлік энергия қолдану құрылғылар жиынтығын атайды, осы процестер электрлік ток, электр кернеу және электр қозғаушы күш (ЭҚК) ұғымдар арқасында жазылады. Электр тізбегіне кіретін бөлек құрылғыларды электр тізбегінің элементтері деп атайды . Электр тізбек элементтері электр энергияны генерациялауына арналған, электр энергия көзін атайды, ал электр энергияны қолданатын элементтер электр энергиясын қабылдағыштар деп атайды. Тізбектің тапсырушы элементтері көздер және қабылдағыштарды байланыстырады. Сымдардан басқа, тапсырушы элементтерге бақылау құралдары және басқарулар жатады , сонымен қатар қайта құрушы құрылғылар (трансформатор,түзетуші және т.б.). Электр тізбегінің әрбір элементі тізбектен электр энергияны жұту қасиеттеріне және энергияның басқа түрлеріне ауысуына ие болады (қайтымсыз процес ), өздерінің магнит және электр өрістерін еңгізеді, энергиялар жиналады және белгілі бір шартта қайтып келеді ( кері процес ). Бұл қасиеттердің мінездемесін беру үшін , элемент параметрлерінің ұғымын енгізеді . Электр тізбегінен энергияны жұту элементтер қасиеттеріне кедергі параметрлері мінездеме береді және оны энергияның басқа түріне ауыстыруын. Индукция параметрі электр тоғы аққан кезде өзіне меншікті магниттік өрісін шығаратын элементтер қасиеттеріне мінездеме береді ( өздік индукция өрісі). Элемент қасиеттерінің заряд жинауына немесе олармен электр өрісін қоздыруына сыйымдылық (С) параметрлері мінездеме береді. Кедергі параметрі тұрақты ток үшін R=P/I2 және ауыспалы тоқ үшін r=p/i2 мына формулалармен анықталады.
24-сұрақ
.Электр сигналдарының генераторлары. Тікбұрышты импультардың генераторлары.
Функционалды генератор – гармоникалық сигналды және үшбұрышты, төртбұрышты формадағы сигналдарды тудырады.
Стохастикалық сигнал генераторы – стохастикалық сигнал тудырады. Гармоникалық тербеліс пен АМ, ЧМ-нің өзара әректтесуі модельденетін полиномиальді сигналда негізделген.
Басқарушы сигнал генераторы – тізбектелген тікбұрышты импульсті тудырады.
Берілген импульстің периоды, ∆t дискретизация периоды болады, ал оның ұзақтығы Ти δ қателігіне қатысты анықталады.
25-сұрақ.
26-сұрақ.
27-сұрақ. 1. Мультивибраторлар. Жұмыс істеу режимдері: автотербелмелі, синхронды, күтуші
Мультивибраторлар - ғылым мен техникада көп кездесетін инженерлік мәселелерді шешкен кезде электрлік емес мәндерді электрлік мәндерге түрлендіріп өлшегенде, технологиялық прцесстерді тексеріп және автоматизация жасағанда, немесе әртүрлі өнеркәсіптік электрониканың қондырғыларын жасағанда электрлік сигналдарды күшейту үшін биполярлық транзисторлар, өрістік транзисторлар және интегралдық микросхемалар кеңінен қолданылады. Бұл күшейткіштер өте әлсіз электрлік сигналдарды (кернеулері 10-7 В, токтары 10-14 А шамалас) күшейтуге мүмкіндік береді. Транзисторлар арқылы аса үлкен күшейтуге жету үшін бірнеше күшейткіш каскадтар қолданылады. Бір транзистордан немесе күшейткіш элементтен және оған қарасты байланыс элементтерінен тұратын күшейткішті − каскад деп атайды. Күшейту процесі, қоректену көзінің энергиясын күшейткіштің сыртқы сигналының энергиясына түрлендіру болып табылады. Бұл процесті басқару күшейткіш элементіне немесе транзисторға әсер ететін кірме сигнал арқылы жүргізіледі. Шығыс сигнал кіріс сигналдың функциясы болып табылады, сонымен қатар шығыс күшейтілген синалдың қуаты, кіріс күшейтілген сигналдың қуатынан қректену көзінің арқасында, әлдеқайда артық.
Сонымен, электрондық күшейткіш деп электрлік сигналдарды, олардың формасын өзгертпей, қоректену көзінің энергиясының арқасында, қуатын ұлғайтып, күшейтетін құрылғыны айтады. Транзисторлық күшейткіштің электорондық деп аталу себебі, транзисторлардың жұмыс істеу принципі жартылай өткізгіштегі жүріп жататын электрондық процесстермен анықталады. Күшейткіштің кірісіне электр қозғаушы күшінің (ЭҚК) әрекеттестік мәні er, ішкі кедергісі Rr, кіру сигналының көзі қосылған. Кішкене қуатты кіру сигналы жоғары дәрежедегі қуаты бар қоректену көзін пайдалана отырып, кіріс сигналдың қуатын күшейтуге мүмкіндік бар.
Мультивибраторлар жұмыс істеу режиміне байланысты і-ке бөлінеді:
Автотербелмелі, күтуші, синхронды
1) Автотербелмелі мультивибратор- схема автоматты түрде бір күден екінші күйге ауысатын мультивибраторлар (Шмид мультивибраторы)
2) Күтуші мультивибратор- күйлердің бірі тұрақты, ал екіншісі тұрақсыз болып келетін мультивибраторлар.
Импульс берген уақытта мультивибратор тұрақсыз күйге түседі. Келесі импульс берілгенге дейін тұрақты жағдайға түседі.
3) Синхронды мультивибратор- R1 =R4 және R2 =R3 кедергілері және С1=C2 сыйымдылығы және Q1=Q2 транзисторлардың параметрлері болатын мультивибраторлар.
Синхронды мультивибраторлардаимпульс беру уақыты мен тыныштық күйінің уақыты тең болады
28-сұрақ. 2. SIT-транзисторлар. Жұмыс істеу принціпі
Транзистор (ағылш. transfer - тасымалдау және resistor - кедергіш) — электр тербелістерін күшейтуге, оларды тудыруға және түрлендіруге арналып жартылай өткізгіш кристалл негізінде жасалған электрондық құрал. Электрондық лампа сияқты қызмет атқаратын транзисторлар одан өлшемінің едәуір кішілігімен, электр энергиясын тұтынудағы аса үнемділігімен, механикалық аса беріктігімен және бүлінбей ұзақ жұмыс істейтіндігімен, бірден әсер етуге әзірлігімен ерекшеленеді
Өрістік (арналық) транзистор – жұмыстық токтың өзгеруі кіріс сигналы тудыратын, оған перпендикуляр бағытталған электр өрісі әрекетінен болатын транзистор. Өрістік транзисторларда кристалл арқылы өтетін токты тек бір таңбалы заряд тасушы – электрон немесе кемтік тудырады. Заряд тасушыларды басқаруға негізделетін физикалық эффектілерге қарай өрістік транзисторлар шартты түрде 2 топқа: басқаратын р-п электрон-кемтіктік ауысуы бар немесе металл-шалаөткізгіш түйіспелі
SIT (Static induction transistor) транзистор- p-n өткелі арқылы басқарылатын өрістік транзистордың түрі. Көбіне 1200 В кернеумен 200-400 А ток күші кезінде жиілігі 100кГц-ден аспайтын болып келеді. Негізгі пайдалану ортасы: аудио, акустика және Hi-Fi
29-сұрақ.
2. SIT-транзисторлар. Жұмыс істеу принціпі
Транзистор (ағылш. transfer - тасымалдау және resistor - кедергіш) — электр тербелістерін күшейтуге, оларды тудыруға және түрлендіруге арналып жартылай өткізгіш кристалл негізінде жасалған электрондық құрал. Электрондық лампа сияқты қызмет атқаратын транзисторлар одан өлшемінің едәуір кішілігімен, электр энергиясын тұтынудағы аса үнемділігімен, механикалық аса беріктігімен және бүлінбей ұзақ жұмыс істейтіндігімен, бірден әсер етуге әзірлігімен ерекшеленеді
Өрістік (арналық) транзистор – жұмыстық токтың өзгеруі кіріс сигналы тудыратын, оған перпендикуляр бағытталған электр өрісі әрекетінен болатын транзистор. Өрістік транзисторларда кристалл арқылы өтетін токты тек бір таңбалы заряд тасушы – электрон немесе кемтік тудырады. Заряд тасушыларды басқаруға негізделетін физикалық эффектілерге қарай өрістік транзисторлар шартты түрде 2 топқа: басқаратын р-п электрон-кемтіктік ауысуы бар немесе металл-шалаөткізгіш түйіспелі
SIT (Static induction transistor) транзистор- p-n өткелі арқылы басқарылатын өрістік транзистордың түрі. Көбіне 1200 В кернеумен 200-400 А ток күші кезінде жиілігі 100кГц-ден аспайтын болып келеді. Негізгі пайдалану ортасы: аудио, акустика және Hi-Fi
30-сұрақ.
б)
в)