Расчет резьбовых соединений на прочность
Виды разрушения резьбовых крепежных деталей: разрыв стержня по резьбе или переходному сечению у головки; повреждение или разрушение резьбы (смятие и износ, срез, изгиб); повреждение головки болта (винта).
Размеры стандартных болтов, винтов и шпилек отвечают условию равнопрочности всех элементов соединения. Поэтому можно ограничиваться расчетом по одному, основному критерию – прочности нарезной части, а размеры винтов, болтов и гаек принимать по таблицам стандарта в зависимости от рассчитанного диаметра резьбы. Длину болта, винта и шпильки выбирают в зависимости от толщины соединяемых деталей.
Рассмотрим расчет на прочность резьбовых соединений при постоянной нагрузке.
Болт нагружен внешней силой F (болт без предварительной затяжки), например, нарезанный участок крюка для подвешивания груза. Опасным является сечение крюка, ослабленное нарезкой (рис. 26.21). Из условия прочности на растяжение

(26.22)
откуда
(26.23)
где
=0.6
– допускаемое напряжение при растяжении болта из углеродистой стали.
Болт затянут силой затяжки Fз, а внешняя нагрузка отсутствует (ненагруженные крышки, кронштейны и т.п.). Стержень болта испытывает совместное действие растяжения и кручения, т.е. растягивается осевой силой F3 от затяжки болта и скручивается моментом, равным моменту сил трения в резьбе Tp (формула (26.16)), Прочность таких болтов (рис. 26.22) определяют по эквивалентному напряжению
(26.24)
где
– напряжение от растяжения, определяемое по формуле (26.22) при F=Fз;
– напряжение от кручения,
– требуемый коэффициент запаса прочности болта, принимаемый в зависимости от материала
болта, характера нагрузки и диаметра болта.
Для стандартных метрических резьб
, т. е. расчет болта на совместное действие растяжения и кручения можно заменить расчетом на растяжение, но по увеличенной в 1.3 раза силе Fр. Для метрических резьб

(26.25)
Расчетный диаметр резьбы болта определяют по формуле (26.23), принимая
F = FP.
Болтовое соединение нагружено силами, сдвигающими детали в стыке. Условием надежности соединения является отсутствие сдвига деталей в стыке.
В соединении с зазором (рис. 26.23 а) болт устанавливают с предварительной затяжкой. Внешняя сила F непосредственно на болт не передается, поэтому его рассчитывают на растяжение по
силе затяжки Fз.

Рис. 26.23
Во избежание сдвига деталей при наличии зазора сила трения на поверхностях стыка должна быть не меньше внешней сдвигающей силы F:
(26.26)
где i – число стыков в соединении; f – коэффициент трения; K – коэффициент запаса (К = 1.3 – 1.5 при статической и К == 1.8 – 2.0 при переменной нагрузке); Z – число болтов в соединении.
Болт в этом случае рассчитывают по силе затяжки
(26.27)
При установке болта без зазора (рис. 26.23 б) предварительная затяжка не требуется. Болт испытывает срез и смятие. Стержень болта рассчитывают на
срез, а при тонких деталях – и на смятие. Условия прочности:
(26.28)
где
–соответственно расчетное и допускаемое напряжения для материала болта на срез,
= (0.2 – 0.3)
; do – диаметр ненарезанной части болта;
–соответственно расчетное и наименьшее допускаемое напряжения смятия (для материала болта или детали),
= (0.8 – 1.0)
; S–наименьшая толщина детали.
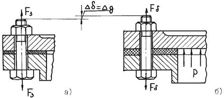
Болт затянут, а внешняя нагрузка стремится раскрыть стык (болты для крепления крышек резервуаров для газа и жидкости, нагруженные давлением выше атмосферного, крепления цилиндров, насосов, станин к фундаментам и др.). Затяжка болтов должна обеспечить герметичность соединения или нераскрытие стыка (не допустить появления зазора) под нагрузкой. Эта задача решается с учетом деформации деталей соединения.
Внешняя нагрузка
(R – равнодействующая нагрузки; Z – число болтов) вызывает удлинение болта на
(рис. 26.24), а деформация деталей уменьшается на ту же величину. Нагрузка со стороны деталей на болт также уменьшится. Именно поэтому считают, что болт воспринимает часть внешней нагрузки
.
Суммарная нагрузка на затянутый болт
(26.29)
где
–коэффициент внешней нагрузки, показывающий, какая часть внешней нагрузки воспринимается болтом (учитывает податливость болта и соединяемых деталей).


Величина
–определяется по условию равенства дополнительных деформаций болта и деталей
(26.30)
где
– коэффициенты податливости соответственно болта и деталей, численно равные изменению их длины при действии силы, равной 1 H.
Из равенства (26.30) следует

Точный расчет коэффициента
сложен, а так как на практике величину затяжки болтов в большинстве случаев не контролируют, то смысл точного расчета теряется. При приближенных расчетах принимают: для соединений стальных и чугунных деталей без упругих прокладок
= 0.2 – 0.3; для соединения тех же деталей, но с упругими прокладками (резина, полиэтилен, асбест, паронит и др.)
= 0.4 – 0.5.
Предварительная затяжка болта Fз должна быть больше минимальной силы предварительной затяжки болта
. Из условия сохранения плотности стыка соединяемых деталей (невозможности образования зазора) принимают
(26.31)
где Kз – коэффициент запаса предварительной затяжки: при постоянной нагрузке Kз = 1.25 – 2.0; при переменной Кз = 2.5 – 4.
При расчете на прочность, если возможна последующая затяжка болта, его рассчитывают по расчетной нагрузке Fр с учетом кручения:
(26.32)
[1] Размеры даны для колес с внешними зубьями.