Выходные цепи
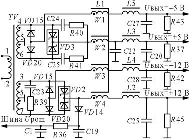
Рассмотрим особенности выходных каналов ИП. Способ получения выходных напряжений блока может быть различным для разных схем. При этом напряжения основных (сильноточных) каналов +5 В и +12 В всегда получаются одним и тем же способом во всех схемах (рис. 82). Способ этот заключается в выпрямлении и сглаживании импульсных ЭДС со вторичных обмоток импульсного силового трансформатора. В этом случае выпрямление во всех двухтактных схемах осуществляется по двухполупериодной схеме со средней точкой. Этим обеспечивается симметричный режим перемагничивания сердечника импульсного трансформатора, т.к. через вторичные обмотки протекает только переменный ток и, следовательно, отсутствует вынужденное подмагничивание сердечника, неизбежное в однополупериодных схемах выпрямления, где ток протекает через вторичную обмотку трансформатора только в одном направлении.

Рис. 82
Рассмотрим работу вторичной стороны на примере схемы ИП (рис. 84).
Поскольку все четыре выходных канала схемотехнически реализованы примерно одинаково, то ограничимся подробным рассмотрением работы только одного из них (канал +12В).
Когда через первичную обмотку 1-2 силового трансформатора ТV протекает линейно нарастающий ток в направлении от вывода 1 к выводу 2, на вторичных обмотках ТV действуют ЭДС постоянного уровня. Полярность этих ЭДС такова, что на выводе 3 присутствует положительный потенциал ЭДС относительно корпуса.
На выводе 7 этот потенциал будет отрицательным. Поэтому протекает линейно нарастающий ток по цепи: 3ТV - верхний диод сборки VD2 - обмотка W2 дросселя L1 - дроссель L2 - конденсатор С21 - корпус - 5ТV.
Нижний диод сборки VD2 на этом интервале закрыт отрицательным напряжением на аноде, и ток через него не протекает.
Помимо подзарядки конденсатора С21 происходит передача энергии на выход канала (поддерживается ток нагрузки). На этом же интервале времени в сердечниках дросселей L1, L2 запасается магнитная энергия.
Далее ток через первичную обмотку силового трансформатора прерывается как результат закрывания силового транзистора (на схеме не показан). ЭДС на вторичных обмотках исчезают. Длится «мертвая зона». На этом интервале энергия, запасенная в дросселях L1, L2 передается в конденсатор С21 и в нагрузку. При исчезновении ЭДС на вторичных обмотках в дросселя наводится ЭДС самоиндукции, стремящаяся поддержать ток прежнего направления. Поэтому ток подзарядки С21 во время «мертвой зоны» протекает по цепи: правый (по схеме) вывод L2 - С21 - корпус - 5-3 и 5-7 ТV - диоды VD2 - левый (по схеме) вывод W2 L1.
Ток этот – линейно спадающий во времени. Далее открывается второй силовой транзистор (на схеме не показан) и через первичную обмотку ТV начинает протекать линейно нарастающий ток противоположного предыдущему случаю направления (от вывода 2 к выводу 1). Поэтому полярность ЭДС на вторичных обмотках VТ также будет противоположной: на выводе 7 – положительный потенциал относительно корпуса, а на выводе 3 – отрицательный.
Поэтому проводящим элементом на этом интервале будет теперь нижний диод сборки VD2, а верхний ее диод будет закрыт. Ток через обмотку W2, L1 и L2 опять будет линейно нарастающим и подзарядит конденсатор С21, а также поддержит ток нагрузки: 7 ТV - нижний диод VD2 - W2L1 - L2 - C21 - корпус - 5ТV.
В сердечниках L1, L2 вновь накапливается магнитная энергия, которая опять передается в конденсатор С21 и нагрузку на интервале следующей за этим «мертвой зоны». Далее процессы повторяются. При этом разрядка конденсатора С21 на нагрузку происходит в течение всего периода работы.
Становится ясно, что силовая часть представляет собой комбинацию из двух прямоходовых преобразователей, образующих двухтактную схему.
В качестве выпрямительных диодов в выходных цепях используются импульсные (высокочастотные) силовые диоды, которые кроме статических параметров, определяемых по вольтамперным характеристикам, характеризуются параметрами, определяющими их инерционные свойства при переключении с прямого тока на обратное напряжение.
При смене полярности входного напряжения из-за инерционности процесса рассасывания избыточных носителей заряда, накопленных в базе за время открытого состояния, диод восстанавливает свое обратное сопротивление не мгновенно, а через некоторое время восстановления tвoc (trr). В течение этого времени диод остается открытым, и через него протекает обратный ток Iобр, значение которого зависит от характера нагрузки выпрямителя и длительности фронта входного переменного напряжения.
При этом пока диод не восстановит свое обратное сопротивление, импульсный трансформатор работает в режиме короткого замыкания по выходу, что неблагоприятно сказывается на режиме работы силовых транзисторов и может привести к выходу их из строя, т.к. короткое замыкание на выходе ИП приводит к резкому броску коллекторного тока через силовой транзистор в момент его переключения. Поэтому применяемые в качестве выпрямительных элементов диоды должны обладать минимально возможным временем восстановления, которое является одним из основных параметров выпрямительных диодов и характеризует их инерционные свойства.
Для уменьшения динамических коммутационных потерь и устранения режима короткого замыкания при переключении в самом сильноточном канале +5В, где эти потери наиболее значимы, качестве выпрямительных элементов используют диодную сборку (полумост) из двух диодов Шоттки. Это обусловлено следующими соображениями: диод Шоттки практически безинерционный прибор с почти мгновенным восстановлением обратного сопротивления (время обратного восстановления порядка 0,1мкс) при коммутации прямое падение напряжение на диоде Шоттки равно примерно 0,4 В, в отличие от кремниевого диода с прямым падением напряжения в 0,8 - 1,2 В, что при токе нагрузки 15 - 20 А дает дополнительный выигрыш в КПД ИП.
Кроме того, в схемах с самовозбуждением выпрямленное импульсное напряжение с выхода диодного полумоста канала +12 В используется для получения вспомогательного напряжения питания управляющей микросхемы и согласующего каскада. Это напряжение было обозначено ранее как Upom. Для получения этого напряжения к выходу полумоста через развязывающий диод подключается сглаживающая емкость, напряжение с которой обычно через дополнительный Г-образный RC-фильтр развязки подается на шину Upom, с которой и запитывается по выводу 12 управляющая микросхема, а также базовые делители транзисторов согласующего каскада и коллекторы этих транзисторов.
К шине выходного напряжения +5 В во всех рассматриваемых схемах ИП подключается резистивный делитель, выполняющий функцию измерительного элемента в цепи обратной связи в контуре стабилизации выходных напряжений.
Кроме того, к выходной шине подключены разрядные резисторы. Их назначение – быстрая разрядка всех выходных конденсаторов, а также конденсаторов различных вспомогательных схем после выключения ИВП из сети с целью привести всю схему ИП в исходное состояние перед последующим включением, т. к. для нормального выхода ИП на режим, все конденсаторы его схемы к моменту включения в питающую сеть должны быть полностью разряжены.
Токи, протекающие через эти резисторы в процессе работы ИВЭП, незначительны по сравнению с токами нагрузок. Поэтому можно считать, что в процессе работы эти резисторы не влияют на работу схемы ИП.