Логические элементы
Логические элементы выполняют преобразования информации, которые описываются логическими функциями. Логическая функция и ее аргументы могут принимать только два значения: «0» и «1». Зависимость значений логической функции от значений ее аргументов можно задать с помощью таблицы истинности.
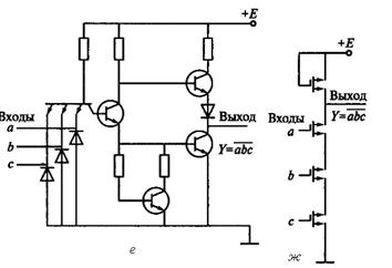
Элементы И, ИЛИ и НЕ (рис. 2.10) составляют функционально полную систему, т.е. из них можно составить любую комбинационную (логическую) схему. Логические элементы, выполненные в виде интегральных схем, обычно реализуют логические функции И-НЕ (функция Шеффера) или ИЛИ-НЕ (стрелка Пирса). Каждый из этих элементов обладает свойством функциональной полноты. Обозначения элементов И-НЕ и ИЛИ-НЕ на функциональных схемах, а также примеры их реализации приведены на рис. 2.10.


Рис. 2.10. Логические элементы:
а – И; б – ИЛИ; в – НЕ; г – трехвходовой И-НЕ; д – трехвходовой ИЛИ-НЕ;
е – принципиальная электрическая схема элемента И-НЕ на ТТЛ;
ж – принципиальная электрическая схема элемента И-НЕ на КМОП
Элементы И на два входа часто используют в качестве ключей (вентилей), которые управляют передачей данных между двумя схемами (рис. 2.11).
При передаче одноразрядных данных (см. рис. 2.11, а)один вход элемента И является информационным, а второй – управляющим. На информационный вход поступают одноразрядные данные D от источника A. Если на управляющем входе сигнал «Передать» равен «0», то на приемник В поступает сигнал «0» независимо от значения данных D. Если сигнал «Передать» равен «1», то сигнал на выходе элемента И совпадает с информационным сигналом и на вход приемника поступают данные D.

Рис. 2.11. Схемы передачи данных:
а – одноразрядных; б – многоразрядных
При передаче многоразрядных данных (см. рис. 2.11, б) каждый разряд данных проходит через отдельный элемент И, а сигнал «Передать» подается одновременно на управляющие входы всех ключей.