Кинематическая настройка станков
Под кинематической настройкой станка понимают настройку его цепей, обеспечивающую требуемые скорости движений исполнительных органов станка, а также, при необходимости, условия кинематического согласования перемещений или скоростей исполнительных органов между собой. Цель таких согласований – образование поверхности с заданными формой, размерами, точностью и шероховатостью. Кинематическая настройка является составной частью наладки станка.
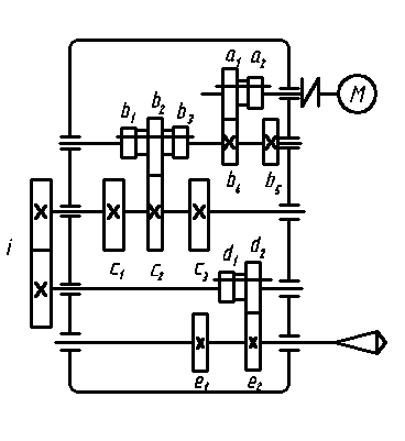
В большинстве металлорежущих станков с механическими связями для настройки кинематических цепей применяют органы кинематической настройки в виде гитар сменных зубчатых колес, а также ременных передач, вариаторов, регулируемых электродвигателей, коробок скоростей и подач, характеристикой которых является общее передаточное отношение i органа.
Значение передаточного отношения органа настройки определяют по формуле настройки. Для вывода формулы настройки любого органа кинематической настройки необходимо по кинематической схеме станка наметить такую цепь передач, в которой расположен данный орган и известны перемещения или скорости конечных звеньев этой цепи, связанные функциональной или требуемой зависимостью. Желательно, чтобы такая цепь передач, называемая в дальнейшем цепью согласования, включала в себя только один орган настройки, для которого выводят формулу.
1410 об.эл.дв. ® 80 об.шп.


Для выбранной цепи согласования составляют условие кинематического согласования перемещений ее конечных звеньев, совершающихся в течение определенного промежутка времени, или их скоростей. Эти перемещения могут быть угловыми, линейно-угловыми и линейными. С учетом условия согласования перемещений или скоростей составляют уравнение кинематического баланса цепи согласования, в котором неизвестным является передаточное отношение i органа настройки. Уравнение баланса можно записывать от любого конца цепи согласования. Решение уравнения баланса относительно передаточного отношения органа настройки представляет собой формулу настройки.
Рассмотрим методику анализа кинематической структуры станка и его кинематическую настройку на примере зубошлифовального станка для обработки прямозубых цилиндрических колес. На данном станке производится шлифование боковых поверхностей зубьев прямозубых цилиндрических колес дисковым обкатным кругом. В процессе формообразования оси обрабатываемого колеса и шлифовального круга взаимно перпендикулярны. Боковые поверхности зубьев обрабатываемого колеса в поперечном сечении характеризуется эвольвентой, а в продольном – прямой линией.
Для формирования боковой поверхности зубьев колеса в продольном направлении используют метод касания, который в данном случае реализуется двумя движениями формообразования – вращением шлифовального круга ФV (ВШ.КР) и возвратно-поступательным движением ползуна ФS1 (ПШ.КР) вдоль зуба колеса.
Профиль шлифовального круга имеет очертание профиля зуба прямозубой рейки, поэтому боковая поверхность зубьев колеса в поперечном направлении образуется методом обката, для чего необходимо одно сложное движение качения ФS2 (ПЗАГ. ВЗАГ.). так как шлифовальный круг имеет вид диска, шлифование боковых поверхностей зубьев колеса ведется последовательно от одной впадины к другой. Поэтому в станке должно быть движение деления Д (ВДЕЛ), реализуемое поворотом колеса на определенный угол.
Таким образом, кинематическая структура анализируемого станка должна содержать три группы формообразования и одну группу деления, причем три из них простые и одна – сложная.
Группа движения ФV (ВШ.КР)
Исполнительный орган – шпиндель шлифовального круга. Внутренняя кинематическая связь группы осуществляется через связь вращательной кинематической пары, подвижным звеном которой является шпиндель круга, а неподвижным – опоры шпинделя. Внешняя кинематическая связь группы состоит из ременной передачи, соединяющей электродвигатель со шпинделем шлифовального круга.
Группа движения ФS1 (ПШ.КР)
Исполнительный орган – ползун с установленным шлифовальным кругом. Внутренняя кинематическая связь группы осуществляется через поступательную кинематическую пару ползун – направляющие стойки. Внешняя кинематическая связь представляет собой цепь между электродвигателем Д2 и ползуном.
Формула настройки выводится так:
n эл. дв. ® к дв. х. полз.

к – число дв. ходов ползуна
® - соответствует.
Группа движения ФS2 (ПЗАГ. ВЗАГ.)
Эта кинематическая группа сложная. Группа имеет два исполнительных органа: шпиндель стола с заготовкой и каретка, на которой смонтирован поворотный стол. Поворотный стол вращается (ВЗАГ.), а каретка движется поступательно (ПЗАГ.).
Внутренняя кинематическая связь группы осуществляется через функциональную цепь между кареткой и столом.
Внешняя кинематическая связь группы представляет собой цепь между электродвигателем Д3 и звеном присоединения к внутренней связи группы.
Формула настройки:
1 об. заг. ® pmz (1 об. заг.=pD, где D=mz);
1 об. заг.
;
;
Здесь
- передаточное отношение дифференциала в цепи обкатки.
Группа движения Д (ВДЕЛ.) (группа деления)
Исполнительный орган – шпиндель поворотного стола. Внутренняя кинематическая связь группы обеспечивается связью вращательной кинематической пары поворотный стол – каретка. Внешняя кинематическая связь группы представляет собой кинематическую цепь от электродвигателя Д3 до шпинделя стола.
В цепи деления применен двухдисковый делительный механизм. В нем nоб. левого дискa®n+1об. правого диска
отсюда n = 4 об.
Значит 4 об. левого диска®1/z об. заг.
;
; Здесь
- передаточное отношение дифференциала в цепи деления.