МЕСТНЫЕ СОПРОТИВЛЕНИЯ И ПОТЕРИ НАПОРА. ПОТЕРИ НАПОРА ПРИ ВНЕЗАПНОМ РАСШИРЕНИИ ПОТОКА
Местные сопротивления в трубопроводах и каналах обусловливаются различными факторами. К ним можно отнести резкое изменение конфигурации живого сечения потока, течение с изменением скорости, поперечную циркуляцию на изгибе потока, соединение и разделение потоков. Рассмотрим отдельно каждый из этих факторов.
При резком изменении конфигурации живого сечения или резком изгибе поток обтекает углы, образованные изменением направления стенок русла. При обтекании углов или элементов арматуры за ними возникают водоворотные зоны (рис. 1 а, б, в, г), на поддержание течений, в которых расходуется напор (энергия). Между транзитным потоком и водоворотными зонами возникают поверхности раздела, которые отделяют между собой течения с разными скоростями (эти поверхности раздела показаны пунктирными, линиями) и являются одним из признаков местных сопротивлений. Наибольшие водоворотные зоны возникают по соседству с большими скоростями транзитного потока, которые способствуют увеличению интенсивности закручивания воды в них. Обычно это проявляется непосредственно после местного сопротивления. На поверхностях раздела образуются отдельные вихри, которые непрерывно перемещаются. При этом одни массы жидкости в водоворотных зонах заменяются другими, но в целом это явление является установившимся. Такие течения в этих зонах называются отрывными. При отрывных течениях возникают крупномасштабные пульсации, постепенно переходящие в пульсации более мелкого масштаба, которые вызывают диссипацию (потерю) энергии с выделением тепла. Отрывные течения возникают также после протекания жидкости через клапана, вентили, краны, сетки, фильтры и другие приборы и сооружения, которые создают после себя водоворотные зоны и поверхности раздела. При ламинарном движении струйки жидкости обтекают местные сопротивления без образования водоворотных зон. Потери энергии в этом случае объясняются значительной разницей скоростей в соседних струйках при обтекании преграды и, как следствие, значительными касательными напряжениями.

Рисунок 1 – Местные сопротивления
При движении с уменьшением скорости на расширяющихся участках потока (диффузорах), согласно уравнению Бернулли, происходит увеличение давления (рисунок 2). Таким образом, движение на расширении происходит от сечения с меньшим давлением к сечению с большим давлением. Это противодавление затрудняет поступательное движение жидкости, особенно у стенок, где скорости имеют небольшие значения. При углах расширения β>8-10° частицы у стенок могут остановиться и даже начать двигаться назад, что приводит к отрыву основного потока от стенки и образованию водоворотных зон. Обычно отрыв бывает несимметричным и происходит у одной из стенок, а транзитный поток смещается к другой стенке. Во избежание больших потерь; напора рекомендуется выполнять расширения трубы с углом β< 8°.

Рисунок 2 – Диффузор
При движении на сужающихся участках (конфузорах) подобных явлений не происходит, так как разность давлений здесь не препятствует, а способствует движению (рисунок 3). Потери напора на конфузорах меньше потерь на на диффузорах, в этом случае они являются следствием переформирования скоростной структуры потока при сужении, а также обтекании угла при выходе из конфузора.

Рисунок 3 – Конфузор
При плавном повороте трубы или канала возникают центробежные силы, которые увеличивают давление у вогнутой стенки и уменьшают у выпуклой (рис. 4). В результате создаются условия для движения частиц жидкости в поперечном направлении от области большего давления к области меньшего давления. Такое явление называется поперечной циркуляцией, в круглых трубах оно имеет вид, показанный на рис. После поворота возникает вращательно поступательное движение, которое затухает на некотором расстоянии.

Рисунок 4 – Плавный поворот
При соединении двух потоков поверхность раздела возникает из-за разных скоростей частиц жидкости по обе стороны от нее. Потери энергии обусловливаются ее затратами на переформирование кинематической структуры потока (рис.5).

Рисунок 5 – Соединение двух потоков
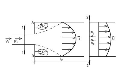
В случае потерь напора на внезапное расширение потери напора для квадратичной области сопротивления с достаточной степенью точности могут быть определены теоретическим путем. Применив закон изменения количества движения для отсека жидкости на участке внезапного расширения потока между сечениями 1—1 и 2—2 (рис. 6). При применении этого закона учитываются только внешние силы, приложенные к этому отсеку. В рассматриваемом случае это позволяет определить количественное значение потерь напора, не вдаваясь в описанный выше механизм явлений, которые эти потери вызывают.

Рисунок 6 – Внезапное расширение
Изменение количества движения должно равняться сумме импульсов действующих внешних сил. Рассмотрим количества движения в проекциях на горизонтальную ось потока.

Эта формула называется формулой Борда, по которой потери напора на внезапное расширение равны скоростному напору от потерянной (v1 — v2) скорости. Формула достаточно хорошо соответствует данным опытов.