ЛАБОРАТОРНАЯ РАБОТА №10
ЛИНИИ ЭЛЕКТРОПЕРЕДАЧ И ТРАНСФОРМАТОРНЫЕ ПОДСТАНЦИИ
Цель работы: Практическое ознакомление студентов с элементами электрических сетей и схемами трансформаторных подстанций
I. Описательная часть.
а). Электрические сети.
Электрической сетью называется совокупность подстанций и линий электропередач различных уровней напряжений, предназначенных для приёма, передачи и распределения электрической энергии потребителям.
Электрические сети подразделяются - по роду тока: переменного и постоянного;
- по номинальному напряжению: до 1000 В (220, 380, 660 В) и свыше 1000 В (6, 10, 35, 110, 220 …кВ);
- по назначению: питающие (внешнее электроснабжение) и распределительные (внутреннее электроснабжение);
- по схеме выполнения: разомкнутые и замкнутые;
- по способу прокладки: вне и внутри производственных помещений.
б). Линии электропередач.
Линиями электропередач называется система проводов, служащая для передачи энергии от генераторов к местам потребления и для распределения её между электроприёмниками.
По напряжению линии подразделяются на две группы: напряжением до и свыше 1000 В.
По способу прокладки линии могут быть воздушными и кабельными.
Воздушные линии представляют собой конструкции, состоящие из проводов, опор, изоляторов и разрядников.
Провода линий (см. стенд) могут быть однопроволочными (стальные С), многопроволочные (алюминиевые А) и многопроволочными со стальным сердечником (сталеалюминевые АС).
Наибольшее распространение получили алюминиевые провода марок A-16; А-25; А-35; А-50; А-70; А-95; A-120, где цифры обозначают площадь сечения проводов в мм2.
Опоры - приспособления, предназначенные для поддержания и крепления проводов на определённом расстояния от земли и друг от друга. По назначению опоры подразделяются на: анкерные, предназначенные для жесткого крепления проводов; промежуточные - для поддержания проводов; концевые, устанавливаемые по концам линии и воспринимающие полное натяжение проводов; угловые, устанавливаемые в точках поворота линии; ответвительные - для ответвления линии.
Опоры могут быть металлическими, железобетонными, деревянными и комбинированными. По конструкции опоры делятся на одностоечные, одностоечные с подкосами, А и П-образные.
Изоляторы, устанавливаемые на опорах, служат для крепления проводов и изоляции их от опор. Изоляторы могут быть штыревыми (типа ШС, ШЛ) при напряжении до 10 кВ и подвесными (типа П), собираемые в гирлянды (см. стенд). Подвесные изоляторы состоят из фарфоровых тарелок и металлических электродов.
Разрядники - служат для защиты линий электропередач и аппаратуры от перенапряжений при грозовых разрядах. Принцип работы разрядников основан на отводе волн перенапряжения в землю посредством пробоя воздушного промежутка (трубчатые РТ) или толщи специального материала - вилита (вилитовые РВП).
Кабельные линии - изделия, состоящие из нескольких изолированных проводов, заключенных в общую герметичную оболочку. Обычно кабели используются для прокладки линий внутреннего электроснабжения на территории промышленной площадки.
Различают силовые кабели с медными и алюминиевыми жилами (сечением 2.5-240 мм2) и контрольные, используемые для управления и сигнализации, с медными жилами сечением от 0,75 до 10 мм2. Силовые кабели выпускают бронированными для стационарной прокладка и гибкими с резиновой изоляцией, используемые как переносные.
Кабель состоит из токоведущих жил, изолирующих и защитных оболочек. Изоляция токоведущих жил бронированных кабелей выполняется из пропитанной изолирующим составом кабельной бумаги, пластмассы или резины. Изолированные жилы кабеля скручиваются и обматываются бумажной или миткалевой лентой. Для защиты изоляции от влаги и высушивания кабель помещают в свинцовую, алюминиевую, полихлорвиниловую или резиновую оболочку. От механических повреждений кабель защищают с помощью брони из стальных лент или проволоки (см. стенд).
С учетом конструкции кабеля обозначается его марка: если токоведущие жилы из меди в обозначении буква не ставится, а из алюминия - А;
изоляция из бумаги в марке не указывается, из резины - Р, из пластмассы -В;
материал защитной оболочки: свинец - С, алюминий - А, полихлорвинил - В;
тип брони: ленточная - Б, из круглой проволоки - К, из плоской - П;
отсутствие наружного покрова-Г.
Следовательно, марка СБ - кабель с медными жилами, бумажной изоляцией, в свинцовой оболочке с ленточной броней и с наружным покрытием.
В марке кабеля указывается также напряжение, до которого он рассчитан, число жил и площадь сечения каждой жилы. Например, СБ 1000-3x50 - кабель напряжением до 1000 В с тремя жилами сечением 50 мм2.
Переносные (гибкие) кабели имеют медные жилы, резиновую фазную изоляцию; жилы помешаются в шланг из негорючей резины (см. стенд). Наиболее распространенными марками гибких кабелей являются ГРШ, ГРШЭ (гибкий, резиновый, шланговый, экранированный) и КРПТ (с резиновой изоляцией, переносной тяжелый).
Экранированные кабели имеют заземляющую жилу, которая соприкасается с экраном каждой фазы, что обеспечивает при механическом нарушении изоляции отключение линии.
Расчет сечений проводов электрических линий.
1. Расчет по условию нагрева.
Определяют расчетный ток Iр и сравнивают его с длительно допускаемым Jн для данной площади сечения провода.
,
где Рр - расчетная мощность, кВт. Рр =РнКиКм;
U- напряжение, В;
Sp- полная расчетная мощность, кВА;
Pн- номинальная мощность, кВт;
Kи - коэффициент использования (/1/ табл. VI. 1, стp. 146);
Km- коэффициент максимума (/1/ граф. VI.З, стр. 147).
2.Расчет проводов линий по потере напряжения
Отклонение напряжения Правилами устройства электроустановок должно находиться в пределах от +10 до -5% от номинального значения. В соответствии, с этим и выбирают, площадь сечения проводов.
Линейная потеря напряжения трехфазной сети (В):

Линейная потеря напряжения двухпроводной сети:

Относительная потеря напряжения в %:
, где
Ip- расчётный ток, А;
l- длина линии, км;
-расчётное сопротивление линий
U- напряжение в линии, В.
Для разветвленной сети потери напряжения по участкам ΔUi определяются, исходя из общих допустимых потерь напряжения ΔUд по формуле:
, где
Mi -момент тока участка Mi=Ii li;
Ii - токовая нагрузка участка;
li - длина участка;
ΣMi - сумма моментов по участкам.
в). Трансформаторной подстанцией (см. лаб. работу №9) называется электрическая установка, служащая для приема, преобразования и распределения электроэнергии между потребителями.
По назначение подстанции могут быть повышающими (у электростанций) и понижающими (у потребителей).
Различают районные подстанции (РТП) и подстанции потребителей (ТП).
Из подстанций потребителей выделяют:
- главные понижающие подстанции (ГПП), на которых напряжение понижается до уровня напряжения распредсети предприятия;
- центральные подземные подстанции (ЦПП) и участковые подстанции (ПУПП)
на горных предприятиях, ведущих подземные работы;
- комплектные трансформаторные подстанции (КТП).
Если электрическая установка принимает и распределяет энергию без изменения уровня напряжения (напряжения питающих и распределительных линий равны), то она называется распределительным пунктом (РП). В таких случаях вместо ГПП оборудуется узловой распределительный пункт (УРП), от которого электроэнергия подается понижающим трансформаторным подстанциям глубокого ввода (ПГВ).
По конструктивному выполнению ТП и РП могут быть открытыми, закрытыми, подземными и комплектными.
По схеме подключения питающей линии ГПП могут быть выполнены как тупиковые с односторонним и, как проходные с двухсторонним питанием.
Питание ГПП горного предприятия должно осуществляться по двум ЛЭП.
Обычно высоковольтная часть подстанции выполняется в виде открытого распределительного устройства (ОРУ), а низковольтная - в виде комплектных шкафов наружной установки типа КРУН (комплектное распределительное устройство наружной установки).

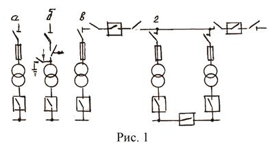
Схемы сборных комплектных трансформаторных подстанций типа СКТП-35 показаны на рис. 1 , где а - тупиковая однотрансформаторная подстанция с защитой плавкими предохранителями (перед плавкими предохранителями установлен разъединитель, а после трансформатора - масляный выключатель);
б - тупиковая однотрансформаторная подстанция, защищаемая короткозамыкателем и отделителем, устанавливаемыми перед трансформатором;
в - транзитная однотрансформаторная подстанция с масляным выключателем на отходящей линии;
г - транзитная двухтрансформаторная подстанция с масляным выключателем на отходящей линии и на шинах 10 кВ.

Трансформаторные подстанции могут оборудоваться масляными выключателями также и на вводе перед трансформатором (см. рис. 2 и макет).
На рис. 2 представлена типовая схема электроснабжения горного предприятия, ведущего подземные работы. Здесь ГПП является транзитной подстанцией, к шинам которой электроэнергия подается через масляные выключатели по двум линиям 6 кВ. От шин ГПП электроэнергия поступает через масляные выключатели к двум понижающим трансформаторам, обеспечивающим потребителей поверхности, а еще по двум линиям через масляные выключатели - к ЦПП.
С шин ЦПП электроэнергия передается через масляные выключатели на подземные участковые понижающие подстанции (ПУПП) и к трансформаторам приемников околоствольного двора.
На макете представлен типичный вариант электрической сети с двумя понижающими подстанциями (35/10 и 10/04), который наиболее часто используется при электроснабжении объектов геологоразведочных работ.
Понижающие трансформаторные подстанции 10(6)/4 могут быть мачтовыми (на базе поселков), комплектными (КТП) и подземными.
Основное оборудование таких подстанций (рис. 3) - силовой понижающий трансформатор, трехполюсный разъединитель, предохранители, разрядники - (с высокой стороны) и щит, оборудованный автоматическими выключателями - (с низкой стороны).
Комплектные трансформаторные подстанции сочетают в едином корпусе весь комплект необходимой аппаратуры. Разновидностью КТП являются передвижные трансформаторные подстанции (ПТП) мощностью до 400 кВА, напряжением с низкой стороны 0,23 – 0,66 кВ. Стальной каркас ПТП, смонтированный на полозьях, делится на три секции: шкаф высоковольтного оборудования, камеру трансформатора, шкаф низковольтного оборудования. Передвижные трансформаторные подстанции могут использоваться и в подземных условиях, где они монтируются на рельсовых тележках. Наиболее распространены в настоящее время передвижные подземные подстанции типа ТКШВПС (трехфазная, сухая, кварценаполненная, шахтная, взрывобезопасная подстанция с изоляцией обмоток трансформатора из стеклопластика) напряжением 6/04, мощностью 135-240 кВА.
Подстанция ТКШВПС состоит из кварценаполненного трансформатора, распределительных устройств высокого (РУВН) и низкого (РУНН) напряжений.
II. Практическая часть.
1. Ознакомиться с устройством проводов и кабелей.
2. Ознакомиться с основными узлами электрических сетей на макете.
3. Произвести включение макета электрической сети.
III. Графическая часть.
Вычертить схемы трансформаторных подстанций.
IV. Расчетная часть.
Определить сечение проводов по заданию преподавателя.
V. Вопросы самоконтроля.
1. Что называют электрической сетью?
2. Перечислить сортамент проводов и кабелей.
3. Объясните методы расчета проводов.
4. Типы и схемы трансформаторных подстанций.