I. Описательная часть.
Аппаратура ручного управления не позволяет обеспечить дистанционное и тем более автоматическое управление электроустановками. Эти задачи решаются, главным образом, путем применения контакторной аппаратуры.
Преимущества её заключаются в том, что при ее использовании возможно:
- управлять машинами на расстоянии;
- автоматизировать систему управления;
- осуществлять различного рода защиты и блокировки;
- широко унифицировать отдельные узлы.
Аппараты, применяемые в схемах контакторного управления, подразделяются на три группы:
- для включения и отключения силовых цепей - контакторы;
- для принятия и передачи импульсов - реле управления и защиты;
- для подачи импульсов по цепи управления – командоаппараты.
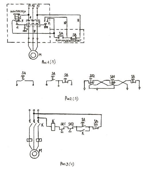
Контактор – электромагнитный аппарат, включающий в себя системы: магнитную, контактную и блок-контактную (рис. 1.3).
Магнитная система, состоящая из магнитной катушки 2, неподвижного сердечника 3 и подвижного якоря 4, служит для приведения в действие систем силовых 5 и блокировочных 7 контактов за счет притягивания якоря сердечником при прохождении по катушке тока. Контактная система состоит из неподвижных контактов 1, укрепленных на общей панели с неподвижным сердечником магнита 3, а также подвижных контактов 5, связанных с якорем 4 общим валом.
Система блок-контактов 7 включает в себя замыкающиеся (открытые в обесточенном состоянии) и размыкающиеся (закрытые в обесточенном состоянии) контакты. Первые из них наиболее часто используются для шунтирования кнопки "Пуск" после процесса включения, а вторые - для блокировочного разрыва цепей.
Реле - аппарат, предназначенный для восприятия импульсов с целью переключения отдельных цепей электрического тока. Особенностью реле является то, что под влиянием плавного изменения контролируемых величин (тока, напряжения, температуры) они действуют импульсно. По принципу действия реле делятся на электрические, тепловые, механические и др., а по назначению на реле управления и защиты. Реле защиты используются для отключения электрических цепей при отклонениях параметров в процессе работы, например, при превышениях тока (максимальная, тепловая защиты), при снижениях напряжения (минимальная защита).
Реле управления подразделяются на первичные (воспринимающие импульс), исполнительные (выполняющие операцию переключения), промежуточные (реагирующие на импульс первичного реле и передающие его исполнительному). Примером исполнительного реле является электромагнитная катушка контактора, реагирующая на импульс, посылаемый первичным реле или командоаппаратом. Промежуточное реле применяется в тех случаях, когда мощность первичного реле недостаточна для замыкания контактов исполнительного реле.
Командоаппараты - устройства, при помощи которых оператор посылает импульс по цепи управления к электромагнитным катушкам.

Простейшие командоаппараты - кнопочные посты управления, которые могут быть однокнопочными ("Ход" или "Стоп"), двухкнопочными ("Ход SA” и "Стоп SB") и трехкнопочными ("Вперед - SA1" , "Назад – SA2", "Стоп - SB)(см.рис.2.3).
По виду исполнения кнопочные посты делятся на открытые (KУ-121), защищенные (КУ-122), водозащищенные (КУ-123), взрывобезопасные (КуВ). Для дистанционного управления более сложных систем используются универсальные переключатели и командоконтроллеры.
Цепи систем контакторного управления подразделяются на силовые 8, управления 9 и блокировки 10 (рис. 1.3).
Принцип действия системы контакторного управления (рис. 1.3). При нажатии кнопки SA ток от фазы Л1 пойдет через катушку 2 (К) по цепи управления 9 через кнопки SA и SB поста управления к фазе ЛЗ. Катушка притянет сердечник 4, в результате чего соединятся силовые контакты 1, 5 и замкнется нормально открытый блок-контакт 7, зашунтировав кнопку SA. Двигатель М придет во вращение. Ток теперь пойдет: фаза Л1, катушка 2 , блок-контакт 7, кнопка "Стоп" SB, фаза ЛЗ, При нажатии кнопки SB цепь управления разорвется, катушка обесточится и система контактов под действием пружины 6 разомкнется.
Принципиальная электрическая схема контакторного управления (рис. 3.3) отличается от фактического чертежа тем, что отдельные элементы представлены в виде принятых условных обозначений, располагаемых не как в действительности, а с учетом порядка последовательности их действия и удобства чтения. Все электрические цепи соответствуют обесточенному состоянию. На схеме (рис. 3.3) SK1 и SK2 разрывные контакты теплового реле.
Магнитный пускатель - комплектный электромагнитный аппарат, представляющий собой контакторное устройство в сочетании с различными защитными реле, смонтированное в отдельном корпусе. Общепромышленные пускатели серий ПА и ПМЕ изготовляются в открытом, защищенном и пылеводозащищенном исполнении. В зависимости от мощности подключаемого двигателя, исполнения, способа управления и защиты магнитные пускатели имеют различные числовые обозначения из трех цифр: первая - размер пускателя (1-6); вторая - род защиты (1 - открытые, 2 - защищенные. 3 - пылеводозащищенные); третья - исполнение и наличие тепловой зашиты. Так, если пускатель реверсивный с тепловой защитой - 4, без защиты - 3; если пускатель нереверсивный с тепловой зашитой - 2, а без защиты - 1.
Минимальная и нулевая защита в пускателе осуществляется катушкой контактора, которая при снижении (или, снятии) напряжения до 60% от номинального значения не обеспечивает удержания якоря в притянутом состоянии и контакты отключаются.
В магнитных пускателях обычного исполнения отсутствует зашита от токов к.з., поэтому перед ними должны быть установлены плавкие предохранители или максимальные реле.