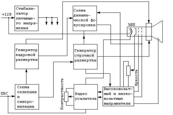
Структурная схема видеомонитора МС 6105.
Видеомонитор предназначен для отображения алфавитно-цифровой и графической информации при работе его в составе дисплеев, ЭВМ, системах технического зрения и других системах обработки информации.
Питание видеомонитора осуществляется от сети постоянного тока напряжением 12В ± 5%.
Размер рабочего поля экрана 150 х 210 мм.
Информационная емкость экрана 286720 точек.
Количество строк – не менее 280.
Разрешающая способность – не менее 3 линий /мм.
Максимальная скорость построения точек – 20 х 106 точек /с.
Потребляемая мощность – не более 23 Вт.
Монитор «Электроника МС 6105» (Рис 54) питается напряжением 12 В от блока питания ЭВМ. Это напряжение подается на нить накала ЭЛТ, а также на стабилизатор питающего напряжения, который дополнительно стабилизирует и несколько понижает напряжение питания схемы селекции и синхронизации и генератора строчной развертки. Остальные блоки, а также электроды ЭЛТ получают напряжение от низковольтных и

Рис.54. Структурная схема видеомонитора “Электроника МС6105”.
высоковольтных выпрямителей, которые выпрямляют импульсы напряжения снимаемого с обмоток строчного трансформатора. Такая схема питания позволяет защитить люминофор ЭЛТ от разрушения в случае нарушения работы генератора строчной развертки.
Видеосигнал поступает на схему селекции и синхронизации, где из него выделяются синхроимпульсы и разделяются на строчные и кадровые. Синхроимпульсы поступают соответственно на генераторы строчной и кадровой развертки и синхронизируют их работу, т.е. определяют момент окончания прямого хода луча. С выхода генераторов развертки напряжение пилообразной формы подаются на соответствующие катушки отклоняющей системы.
Кроме того, видеосигнал поступает так же на вход видео усилителя, где он усиливается, переворачивается по фазе (инвертируется), а затем подается на катод ЭЛТ. В результате меняется интенсивность электронного потока и яркость экрана в отдельных точках его.
Для того чтобы получить удовлетворительную четкость (резкость) изображения по всему полю экрана служит схема динамической фокусировки луча. Эта схема получает напряжение кадровой и строчной развертки и формирует переменную составляющую фокусирующего напряжения (Рис.55). В результате при перемещении луча по экрану он всегда фокусируется на люминофоре.
|
Рис. 55. Временные диаграммы напряжения действующего на фокусирующем электроде.