Отклик нелинейной цепи на гармонический сигнал.
Проанализируем физические процессы, протекающие в нелинейной цепи (рис.10.2а), при воздействии на вход безынерционного нелинейного элемента z гармонического сигнала
и постоянного напряжения
. Используя вольтамперную характеристику нелинейного элемента. Проведя несложные гармонические построения, найдем аналитическую запись формы тока в радиоэлектронной цепи в зависимости от фазового угла ν =ωt (рис.10.2б, в).

а) б) в)
Рис10.2
Вследствие нелинейности характеристики форма тока на выходе становится несинусоидальной. Причину этого искажения гармонического колебания нетрудно объяснить следующим образом. Так как ток и напряжение связаны линейной зависимостью Δi=SΔu, а крутизна ВАХ на разных участках неодинаковая (имеет нелинейный характер), то равным приращениям напряжения отвечают неравные приращения тока. Поскольку функция тока обладает периодичностью (рис.10.2в), то ее можно разложить в ряд Фурье:
(10.5)
Найдем спектр тока с нелинейным элементом при степенной аппроксимации его характеристики. Пусть суммарное напряжение источников смещения и входного гармонического сигнала
(10.6)
Приложено к нелинейному элементу, вольтамперная характеристика которого в окрестности рабочей точки аппроксимирована полиномом Тейлора вида:
(10.7)
Подставив формулу (10.6) в выражение (10.7), получим

Используя известные формулы разложения степеней косинусов:
и т.д.
Запишем общее выражение для тока нелинейной цепи, сгруппировав отдельно постоянные составляющие и все члены с косинусами одинаковых аргументов:

Представленное выше выражение в более компактной форме примет вид
(10.8)
Здесь постоянная составляющая и амплитуды гармоник тока:
(10.9)
Анализ состава формул (10.9) показывает, что при степенной аппроксимации характеристики гармонический состав тока в цепи с нелинейным элементом существенно зависит от степени полинома. При этом постоянная составляющая и амплитуды четных гармоник определяются четными, а амплитуды нечетных гармоник – нечетными коэффициентами степенного полинома.
Найдем спектр тока в цепи с нелинейным элементом при кусочно-линейной аппроксимации. Пусть суммарное гармоническое и постоянное напряжение вида 10.6 подается на вход электрической цепи с НЭ, характеристика которого аппроксимирована кусочно-линейной линией и описывается формулой (10.4). В этом случае временная диаграмма тока, протекающего через НЭ, имеет форму косинусоидальных импульсов с отсечкой их нижней части (рис.10.3).
Параметр θ (в радианах или градусах), при котором ток изменяется от максимального значения Im до нуля, называется углом отсечки. Изменение фазы, соответствующее длительности полного импульса тока на выходе цепи, равно 2θ. Из графиков рис.10.3 нетрудно определить, что при фазовом угле ωt=0 напряжение начала характеристики
откуда
(10.10)
Подставив в формулу (10.4) суммарное напряжение и напряжение источников сигнала и смещения из выражения (10.5) и напряжение начала характеристики Ен, получим аналитическую запись формы тока в зависимости от фазового угла:
(10.11)
Полученную четную функцию
периодической последовательности импульсов (10.11) можно разложить в тригонометрический ряд Фурье, в котором период повторения составляет 2π, длительность импульса - 2θ, а текущей переменной является мгновенный фазовый угол ν=ωt.

Рис. 10.3
В этих импульсах тока постоянная составляющая запишется следующим образом:
(10.12)
Амплитуда первой гармоники
(10.13)
Подобным же образом определяются амплитуды гармонических составляющих In и для n=2,3,… При этом обобщенная формула для вычисления этих гармоник будет:
(10.14)
В радиотехнике полученные результаты принято записывать в специальной форме:
….
(10.15)
Здесь
- так называемые функции Берга, или коэффициенты гармоник, отражающие величины присутствующих гармоник в спектре преобразованного тока, которые аналитически выглядят следующим образом:
(10.15а)
Коэффициенты гармоник часто используются в инженерных расчетах, например, при проектировании нелинейных усилителях мощности, умножителей частоты и автогенераторов.
10.3 Умножитель частоты.
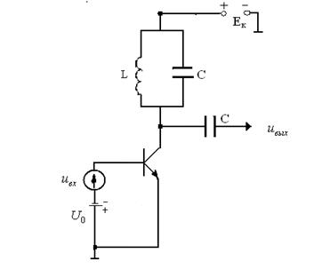
Необходимость в умножителях частоты возникает при разработке высокостабильных источников гармонических колебаний повышенной частоты, когда непосредственное генерирование сигналов такого диапазона затруднительно. Множитель частоты – это устройство, повышающее частоту входного сигнала в n раз, где n – целое число - коэффициент умножения .
Упрощенная электрическая схема умножителя частоты на биполярном транзисторе приведена на рис.10.4., к входу которого последовательно подключены источники гармонического колебания
и постоянное напряжение смещения
, а резонансный контур на требуемую частоту усиливаемого сигнала.

Рис.10.4
10.4 Модулированные колебания и их спектры.
Под модуляцией в радиоэлектронике понимается процесс, при котором один или несколько параметров несущего колебания изменяется по закону передаваемого сообщения. Получаемые в процессе модуляции колебания называют радиосигналами. В аналоговых системах связи радиосигналы передаются непрерывно во времени, и при модуляции могут изменяться амплитуда, частота или фаза несущего гармонического колебания. В зависимости от того, какой из названных параметров несущего гармонического колебания подвергается изменению, различают два основных аналоговой модуляции: амплитудную и угловую. Последний вид модуляции, в свою очередь, подразделяют на частотную и фазовую модуляцию.
В современных цифровых системах связи, радиолокации, радиотелеуправления, радионавигации применяются различные виды импульсной модуляции, при которой радиосигналы представляются в виде так называемых радиоимпульсов.
Радиосигналы с амплитудной модуляцией. В процессе осуществления амплитудной модуляции несущего колебания
(10.16)
его амплитуда должна изменяться по закону:
(10.17)
где
- амплитуда в отсутствие модуляции;
- угловая частота;
- начальная фаза;
- полная (текущая или мгновенная фаза);
- безразмерный коэффициент пропорциональности;
- модулирующий сигнал.
Подставив формулу (10.17) в (10.16), получим общее выражение для АМ-сигнала
(10.18)
Обратимся к простейшему виду амплитудной модуляции – однотональной, когда модулирующий сигнал представляет собой гармоническое колебание
(10.19)
где
- амплитуда;
- круговая частота;
- период;
- начальная фаза.
Для упрощения выкладок примем начальные фазы несущего колебания и модулирующего сигнала
и
. Тогда, подставив формулу (10.19) в (10.18), получим выражение для АМ-сигнала:
(10.20)
Обозначив через
максимальное отклонение амплитуды АМ-сигнала от амплитуды несущей
и, проведя несложные преобразования, запишем
(10.21)
где
- коэффициент или глубина амплитудной модуляции.
Спектр АМ-сигнала. Используя в выражении (10.21) тригонометрическую формулу произведения косинусов, получим
(10.22)
Из формулы (10.22) видно, что при однотональной модуляции спектр АМ-сигнала состоит из трех высокочастотных составляющих. Первая из них представляет собой исходное несущее колебание с амплитудой
и частотой
. Вторая и третья составляющие характеризуют новые гармонические колебания, появляющиеся в процессе амплитудной модуляции и отражающие передаваемый сигнал.
Колебания с частотами
и
называются соответственно верхней и нижней боковыми составляющим . Амплитуды боковых составляющих одинаковы, равны
и расположены симметрично относительно несущей частоты сигнала
. Ширина спектра АМ-сигнала при однотональной модуляции
где F-циклическая частота модуляции. Графики несущего колебания с φ0=900, модулирующего сигнала с θ=900 и АМ-сигнала показаны на рис.10.5 а), б), в), а на рис.10.6 г…е - соответствующие им спектры. При отсутствии модуляции (М=0) амплитуды боковых составляющих равны нулю и спектр АМ-сигнала переходит в спектр несущего колебания. При М≤1 амплитуда изменяется в пределах от минимальной
до максимальной
. Исключая постоянное напряжение
, получим формулу, удобную для экспериментального определения коэффициента модуляции:
(10.23)

Рис.10.5
Если же М>1, то возникают искажения, называемые перемодуляцией. Наличие таких искажений в АМ-сигнале может привести к потере передаваемой информации.
На практике однотональные АМ-сигналы используются либо для учебных целей, либо для исследовательских целей. Реальный же модулирующий сигнал имеет сложный спектральный состав. Математически такой сигнал, состоящий из N гармоник, можно представить тригонометрическим рядом
(10.24)
В этом соотношении амплитуды гармоник сложного модулирующего сигнала Ei произвольны, а их частоты образуют упорядоченный спектр Ω1< Ω2<Ωi<… ΩN.
Подставляя (10.24) в (10.18), после несложных преобразований получим выражение АМ-сигнала с начальной фазой несущего φ0=0:
(10.25)
где Мi=kEi/Uн – совокупность парциальных(частичных) коэффициентов модуляции.
Эти коэффициенты характеризуют влияние отдельных гармонических составляющих сложного модулирующего сигнала на общее изменение амплитуды полученного высокочастотного модулированного колебания.
Воспользовавшись тригонометрической формулой произведения двух косинусов и проделав несложные выкладки, запишем выражение (10.25) в следующем виде:
(10.26)
Из соотношения (10.26) видно, что в спектре сложного АМ-сигнала, наряду с несущим колебанием содержатся группы верхних и нижних боковых составляющих, являющихся масштабными копиями модулирующего сигнала и расположенных симметрично относительно несущей частоты ω0. Отсюда следует вывод: ширина спектра сложного АМ-сигнала равна удвоенному значению наивысшей частоты в спектре модулирующего сигнала ΩN.
В качестве примера на рис.10.6 показаны спектральные диаграммы трехтонального (состоящего из трех разных гармоник) модулирующего сигнала Se(ω) и соответствующего ему АМ-сигнала SАМ(ω).

а) б)
Рис. 10.6
10.5 Получение модулированных колебаний.
Модуляция несущего колебания по закону передаваемого сообщения является нелинейно операцией и осуществляется в нелинейных устройствах, называемых модуляторами.
Амплитудные модуляторы. Формальный анализ аналитического выражения для однотонального АМ-сигнала
показывает, что при его формировании необходимо перемножить модулирующий сигнал
и несущее колебание
.
Интересно отметить, что до настоящего времени в радиоэлектронике еще не разработано эффективных методов непосредственного перемножения двух или нескольких аналоговых сигналов. Поэтому при осуществлении амплитудной модуляции специалисты применяют косвенные методы перемножения с помощью нелинейных или параметрических цепей.
Амплитудные модуляторы на основе резонансных усилителей мощности. При построении амплитудных модуляторов чаще всего используют эффект преобразования суммы модулирующего и несущего колебаний, подаваемых на безынерционный нелинейный элемент. Простейший амплитудный модулятор создают на основе нелинейного резонансного усилителя (рис.10.7а), включив на входе последовательно источник постоянного напряжения смещения U0, модулирующего сигнала e(t) и генератор несущего колебания uн(t), и настроив колебательный контур на резонансную частоту ω0.
Рассмотрим принцип получения однотонального АМ-сигнала. Тогда к входу модулятора (рис.) необходимо приложить напряжение
(10.27)
С помощью диаграмм токов и напряжений, показанных на рис.10.7б и поясняется принцип действия модулятора. Положим, что сквозная характеристика транзистора - зависимость тока коллектора Ik от напряжения база-эмиттер Uбэ – аппроксимирована двумя отрезками прямых линий. Вследствие перемещения рабочей точки относительно напряжения смещения U0 по закону модулирующего сигнала e(t) происходит изменение угла отсечки тока в кривой несущего колебания. В результате импульсы коллекторного тока ik транзистора, отражающие изменение несущего колебания, оказываются промодулированными по амплитуде. В спектре импульсов коллекторного тока транзистора содержится множество гармонических составляющих с частотами ω0 и Ω, а также с кратными и комбинационными (суммарными и разностными составляющими гармоник ω0 и Ω), частотами. Резонансный контур должен иметь полосу пропускания ΔωАМ=2Ω и тогда он выделит из спектра импульсов коллекторного тока только гармоники с частотами ω0-Ω, ω0 и ω0+Ω.

а) б)
Рис. 10.7
Для оценки качества работы модулятора, с точки зрения вносимых искажений, используют статическую модуляционную хаоактеристику- зависимость коллекторного тока Ik1 и постоянного напряжения на базе Uбэ (рис.10.8). Отметим, что для исключения искажений необходимо использовать только линейный участок модуляционной характеристики в диапазоне Ikmin … Ikmax.

Рис.10.8
При многотональной амплитудной модуляции (модуляции реальным сложным сигналом) приведенные рассуждения также справедливы и в случае выбора линейного участка модуляционной характеристики нелинейные искажения будут минимальными. Однако при модуляции сложным сигналом могут возникнуть линейные (частотные) искажения. Эти искажения обусловлены следующим: чем дальше отстоит боковая частота от несущей частоты тем меньше усиливается эта частотная составляющая вследствие резонансного характера АЧХ контура модулятора. Для снижения частотных искажений необходимо полосу пропускания контура увеличивать, а с точки зрения фильтрации паразитных гармоник уменьшать. При разработке практических схем принимают компромиссное решение – выбирают полосу пропускания контура, равную удвоенному значению высшей частоты модуляции.
10.6 Детектирование модулированных колебаний.
Детектированием называется процесс преобразования модулированного высокочастотного сигнала в колебание, форма которого воспроизводит низкочастотный модулированный сигнал. Детекторы выполняют функцию, обратную функции, осуществляемой модуляторами, и подразделяются на амплитудные, частотные, фазовые , цифровые и т.д.
Амплитудное детектирование.Рассмотрим процесс детектирования простейшего однотонального АМ-сигнала. На вход детектора АМ-сигнала подается высокочастотное модулированное колебание вида:
. (10.28)
Выходное же напряжение детектора должно быть низкочастотным напряжением
пропорциональным передаваемому сообщению. Эффективность работы амплитудного детектора оценивают коэффициентом передачи (коэффициентом детектирования), представляющим отношение амплитуды выходного низкочастотного напряжения к амплитуде огибающей входного модулированного сигнала;
. (10.29)
В зависимости от амплитуды АМ-сигнала и степени нелинейности характеристики детекторного элемента возможны два режима детектирования: линейный (режим больших амплитуд с кусочно-линейной аппроксимацией характеристики) и квадратичный (работа при малых амплитудах на участке характеристики описываемой полиномом второй степени).
Линейный диодный детектор. При линейном режиме работы детектора амплитуды сигнала на входе и выходе связаны прямолинейной зависимостью. На рис.10.9 представлена схема так называемого последовательного диодного детектора, у которого диод включен последовательно с низкочастотным R н Сн-фильтром.

Рис.10.9
Чтобы цепь реальной нагрузки любого детектора эффективно отфильтровывала полезный модулирующий сигнал и подавляла паразитные высокочастотные составляющие, необходимо выполнение двух следующих неравенств;
;
(10.30)
Еще одно непременное условие хорошей работы детектора – сопротивление резистора нагрузки R н должно быть значительно больше прямого сопротивления диода.
Пусть на вход диодного детектора подается простейший, однотональный АМ-сигнал uвх(t)=Uвх(t)sinω0t (рис. 10.9). Ток через диод протекает в те моменты времени, когда амплитуда входного сигнала uвх превышает напряжение на конденсаторе Сн (а значит и на выходе детектора uвых). В этом случае конденсатор Сн заряжается через малое сопротивление открытого диода намного быстрее, чем разряжается на высокоомное сопротивление нагрузки. Поэтому диод большую часть периода входного колебания закрыт, и амплитуда выходного напряжения близка у амплитуде входного.
Для упрощения анализа и расчетов схемы положим, что на вход детектора подается достаточно большое немодулированное гармоническое напряжение, при котором ВАХ диода можно аппроксимировать отрезками двух прямых линий (рис.10.10). Как следует из этого рисунка, амплитуды входного и выходного напряжений связаны простым соотношением; Uвых=U0=Uвх cosθ. В этом случае коэффициент передачи детектора
(10.31)
Постоянная составляющая тока амплитудного детектора в соответствии с формулой (10.15) ; I0=SUвхγ0. Поэтому среднее значение выходного напряжения
(10.32)
Подставив в данное соотношение (10.15а) и (10.31), получим следующее уравнение;
(10.33)
Поделив обе части этого уравнения на cosθ, запишем
(10.34)
Из этой формулы следует, что угол отсечки не зависит от амплитуды входного сигнала и определяется только величиной произведения SRн, причем, чем оно больше, тем меньше угол отсечки. Как правило, SRн >>1, поэтому угол отсечки θ близок к нулю. Из математики известно, что при параметрах (в данном случае углах) имеет место равенство tgθ=θ+θ3/3. Приняв во внимание это равенство, из соотношения 10.34 нетрудно вывести следующую формулу для расчета коэффициента детектирования;
(10.35)
Входное сопротивление последовательного детектора. Определим величину входного сопротивления последовательного детектора АМ-сигнала. Для его оценки положим, что угол отсечки очень мал, и поэтому cosθ=1 и Uвх=U0. Мощность немодулированного гармонического сигнала, подводимого к детектору, можно определить как Рвх= U02/Rн, где Rвх – его искомое входное сопротивление. Мощность, выделяемая на нагрузке детектора, Рн=U02/Rн. Поскольку сопротивление диода в прямом направлении близко к нулю, то вся входная мощность выделяется на нагрузке (Рн=Рвх), и поэтому U02/Rн= U02/Rн. Отсюда находим входное сопротивление диодного детектора;
(10.36)
Принцип действия последовательного линейного детектора можно распространить на любые типы амплитудных детекторов, имеющих НЭ с односторонней (вентильной) проводимостью.
Квадратичный детектор. Принцип действия квадратичного и линейного детекторов существенно отличаются. При малых амплитудах АМ-сигнала характеристика НЭ наиболее точно аппроксимируется полиномом Тейлора второй степени
(10.37)
Подставляя в эт0 выражение значение напряжения uвх(t) из формулы (10.28), получим
. (10.38)
На выходе АМ-детектора составляющие тока с высокими частотами ω0 и 2ω0<103479763.files/image206.gif" /> . (10.38)
На выходе АМ-детектора составляющие тока с высокими частотами ω0 и 2ω0 отфильтровываются Rн Сн-цепью. Передаваемая же информация содержится в низкочастотной составляющей продетектированного колебания, которое , после несложных математических выкладок, запишется в таком виде:

Как следует из последней формулы, полезный эффект детектирования (передаваемое сообщение)пропорционален квадрату амплитуды АМ-сигнала Uвх2, поэтому такое детектирование и называют квадратичным.
Постоянная составляющая тока легко отфильтровывается (например, разделительным конденсатором), и выходной ток детектора определяется формулой:
(10.39)
Полезным является только первое слагаемое, второе же определяет нелинейные искажения передаваемого сигнала, вносимые детектором.Снизить нелинейные искажения сигнала можно путем уменьшения глубины модуляции.
Амплитудные детекторы на операционных усилителях (интегральные детекторы). Диодные (как и транзисторные) амплитудные детекторы при малых входных напряжениях вносят в полезный сигнал значительные нелинейные искажения. Поэтому в последние годы в радиотехнических устройствах в основном применяют детекторы, построенные на аналоговых интегральных микросхемах – операционных усилителях, которые осуществляют одновременно и усиление выходного сигнала (рис.10.10а)

а) б)
Рис.10.10
Поскольку детектор выполнен по схеме инвертирующего усилителя (возможно и неинвертирующее включение ОУ), то при поступлении положительных полуволн входного сигнала (рис.10.10б) напряжение u2(t) на выходе ОУ будет отрицательным. При этом диод VD1 открыт, а диод VD2 закрыт. Выход ОУ через малое прямое сопротивление диода VD1 оказывается подключенным к его входу, что создает глубокую отрицательную обратную связь по напряжению. В результате, напряжение на выходе ОУ будет равно напряжению на его входе и близко к нулю, т.е. u2≈ u1≈0 Выходное напряжение детектора также будет равно нулю.
Во время поступления отрицательной полуволны входного гармонического сигнала напряжение u2 на выходе ОУ будет положительным, поэтому диод VD1закрыт, а диод VD2 открыт. В этом случае напряжение на выходе операционного усилителя и выходное напряжение детектора
(10.40)
и соответствуют закону изменения входного сигнала.