Примеры расчета переходных процессов в электрических цепях
Задача 4.2.1 В электрической цепи (см. рисунок 4.1), с параметрами:
,
,
до коммутации был установившийся режим, создаваемый источником постоянной ЭДС
. В момент
ключи
одновременно замыкаются.
Требуется определить: ток в ветви с ЭДС
и построить его график.

Рисунок 4.1 – Схема электрической цепи
Решение.
Классический метод расчета переходного процесса.
Определим независимые начальные условия (ННУ)
.
Рассчитаем установившийся режим в цепи до коммутации.


,
,
(4.1)
Запишем дифференциальные уравнения по законам Кирхгофа для цепи после коммутации:

(4.2)
Ток i1(t) представим в виде суммы принужденного и свободного токов:
.
Определим принуждённый ток
. Рассчитаем установившийся режим в цепи после коммутации.

. (4.3)
Определим свободный ток
.
Получим характеристическое уравнение методом входного сопротивления:

Приравняем к нулю числитель:
. (4.4)
Подставим в уравнение (4.4) числовые значения:
.
Определим корни характеристического уравнения:
,
.
Корни характеристического уравнения вещественные и различные. Свободный ток запишем в виде:
. (4.5)
Для определения постоянных интегрирования А1, А2 запишем ток i1 и определим его производную:
. (4.6)
.
Определим постоянные интегрирования А1, А2 по начальным значениям i1(0), i/1(0):
(4.7)
Найдём i1(0), i/1(0) из законов Кирхгофа, записанных для цепи после коммутации (4.2):
;
;
. (4.8)
Рассчитаем i1(0):
.
Продифференцируем выражение (4.8) и определим i/1:
. (4.9)
Запишем это уравнение для момента времени t=0:
.
Из законов Кирхгофа, записанных для момента времени t=0, найдём iL/(0), uc/(0) и определим i/1(0):
;
;
.
Подставим найденные числовые значения i1(0), i/1(0) в систему (4.7) и определим постоянные интегрирования:
;
А1 = − 0,348, А2 = 0,089.
Подставим найденные значения А1= – 0,348, А2= 0,089 в выражение (4.6) и получим переходный ток
:
.
Операторный метод расчета переходного процесса.
Независимые начальные условия определены в классическом методе и равны:

Нарисуем эквивалентную операторную схему для цепи после коммутации.

Рисунок 4.2 – Эквивалентная операторная схема
Определим изображение тока
методом контурных токов:
(4.10)
Решим систему уравнений (4.10), определим
:

,

.

, (4.11)
где


Определим корни характеристического уравнения 
,
.
Таким образом, корни знаменателя изображения тока
равны:
p = 0,
.
Ток i1(t) запишем по теореме разложения в виде:
. (4.12)
Рассчитаем:
;




Подставим рассчитанные значения в теорему разложения (4,12), получим переходный ток:
.
На рисунке 4.3 показаны графики принужденного тока
, свободного тока
и переходного тока
.

Рисунок 4.3 – График тока 
Задача 4.2.2. В электрической цепи (см. рисунок 4.4) с постоянным источником ЭДС Е = 60В в момент времени t = 0 одновременно ключ К1 замыкается, а ключ K2 размыкается. Параметры цепи: резисторы R1=30 Ом, R2=70Ом, R3=30 Ом, индуктивность L = 10 мГн, емкость C = 2 мкФ.
Требуется:
1) определить ток iL(t) после коммутации;
2) построить график тока iL(t).

Рисунок 4.4 – Схема электрической цепи
Решение.
Классический метод расчета переходного процесса.
Определим независимые начальные условия (ННУ): iL(0), uC(0). Рассчитаем установившийся режим в цепи до коммутации.

Рисунок 4.5 – Схема электрической цепи до коммутации
(4.13)
По законам коммутации:
(4.14)
Запишем дифференциальные уравнения по законам Кирхгофа для цепи после коммутации. Сначала упростим схему:
|
Схема цепи после коммутации представлена на рисунке 4.6.

Рисунок 4.6 – Схема электрической цепи после коммутации
Дифференциальные уравнения по законам Кирхгофа для цепи после коммутации запишем в виде:
(4.15)
Ток iL(t) представим в виде суммы составляющих принужденного и свободного токов:
iL(t) = iLпр(t) + iLсв(t).
Определим составляющую принуждённого тока iLпр(t). Рассчитаем установившийся режим в цепи после коммутации.

(4.16)
Определим составляющую свободного тока iLсв(t).
Получим характеристическое уравнение методом входного сопротивления:
.
Приравняем к нулю числитель, подставим числовые значения и определим корни характеристического уравнения:
(4.17)
Корни характеристического уравнения комплексно-сопряженные. Составляющую свободного тока запишем в виде:
.
Запишем переходный ток
(4.18)
Для определения постоянных интегрирования А и ψ возьмем производную по времени t от тока iL(t):
. (4.19)
Запишем выражения (4.18) и (4.19) для момента времени t = 0:
(4.20)
Значение производной
найдем из второго уравнения системы (4.15), записанного для момента времени t = 0:
.
Подставим значения iL(0)=1А и
= 0 в систему уравнений (4.20), получим:
(4.21)
Подставим
во второе уравнение системы (4.21):
(4.22)
Поделим первое уравнение системы (4.22) на второе, получим:
,
;
постоянную интегрирования А определим по формуле:
.
Подставим найденные значения в выражение (4.18) и получим переходный ток iL(t):
.
Операторный метод расчета переходного процесса.
Независимые начальные условия определены в классическом методе и равны:
.
Нарисуем эквивалентную операторную схему для цепи после коммутации.

Рисунок 4.7 – Эквивалентная операторная схема
Определим изображение тока IL(p) методом контурных токов:
(4.23)
Решим систему уравнений (4.23) и найдем
:


, (4.24)
где

.
Определим корни характеристического уравнения 

Таким образом, корни знаменателя тока IL(p) равны:
,
.
Ток iL(t) запишем по теореме разложения в виде:
. (4.25)
Рассчитаем:

Подставим рассчитанные значения в выражение теоремы разложения (4.25), получим переходный ток iL(t):

На рисунке 4.8 показаны графики составляющих принужденного iLпр(t) и свободного iLсв(t) токов, а также переходного тока iL(t).

Рисунок 4.8 – Графики тока iL(t) и его составляющих
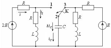
Задача 4.2.3. В электрической цепи (см. рисунок 4.9) в момент времени
ключ К переключается с полюса 3 на полюс 1. Параметры цепи: постоянный источник ЭДС
, сопротивления
, индуктивность
, конденсатор емкостью
.
Требуется: определить: напряжение на емкости uC (t) после коммутации; построить график напряжения на емкости uC(t); определить токи во всех ветвях цепи после коммутации.

Рисунок 4.9 – Схема электрической цепи
Решение.
Классический метод расчета переходного процесса.
Определим независимые начальные условия (ННУ):
Рассчитаем установившийся режим в цепи до коммутации.

Рисунок 4.10 – Схемы для расчета ННУ
(4.26)
Уравнения по законам Кирхгофа для цепи после коммутации запишем в виде:
(4.27)
Переходное напряжение uC(t) запишем в виде
.
Определим
путем расчета установившегося режима в цепи после коммутации.

. (4.28)
Определим свободную составляющую напряжения на ёмкости
.
Составим характеристическое уравнение методом входного сопротивления:
.
Приравняем к нулю числитель и получим характеристическое уравнение в виде:
. (4.29)
Подставим числовые значения и определим корни характеристического уравнения:
;
.
Корни характеристического уравнения вещественные и различные. Свободную составляющую напряжения запишем в виде:
.
Для определения постоянных интегрирования А1, А2 запишем напряжение uC(t) и определим его производную
:
; (4.30)
.
Постоянные интегрирования А1, А2 определим по начальным значениям uC(0),
:
(4.31)
Начальное значение uC(0)=100В. Производная
. Найдем iC(0) из первого и третьего уравнений, записанных по законам Кирхгофа для цепи после коммутации в начальный момент времени t = 0 (4.27):
(4.32)
Из второго уравнения определим i(0), подставим в первое уравнение и найдем ток iC(0), а затем
:
;
;
.
Подставим uC(0)=100В и
в систему уравнений (4.31) и определим постоянные интегрирования А1 и А2:

.
Подставим найденные значения А1, А2 в выражение (4.30) и получим переходное напряжение на конденсаторе uC(t):
.
Определение токов во всех ветвях цепи после коммутации по найденному значению uC(t):


. (4.33)
Операторный метод расчета переходного процесса.
Независимые начальные условия определены в классическом методе и равны:
.
Нарисуем эквивалентную операторную схему для цепи после коммутации.

Рисунок 4.11 – Эквивалентная операторная схема
Изображение напряжения на конденсаторе найдем методом двух узлов:
. (4.34)
Преобразуем выражение (4.34), получим:
. (4.35)
Подставим числовые значения в выражение для изображения напряжения:
,
где
,
.
Определим корни характеристического уравнения
.
.
Корни уравнения
равны:
.
Таким образом, корни знаменателя изображения напряжения UC (p) равны:
,
.
Так как знаменатель имеет нулевой корень и корни характеристического уравнения вещественные и различные, uC(t) запишем по теореме разложения в виде:
. (4.36)
Определим выражение производной
и рассчитаем для p1 и p2:

Рассчитаем остальные компоненты выражения (4.36):

;
.
Подставим рассчитанные значения в выражение (4.36) и получим напряжение на конденсаторе uC(t):
.

Рисунок 4.12 – Графики принужденного и свободного переходного напряжения uC(t)
Задача 4.2.4. В электрической цепи (см. рисунок 4.13) с источниками постоянной ЭДС: Е1=100В и Е2=50В, сопротивлениями: R1 = R3 = 40Ом, R2 = =R4 = 60Ом, R5 = R6 = 20Ом, индуктивностью L = 20 мГн, емкостью С = 2 мкФ: в момент времени t = 0 ключ К размыкается и в цепи происходит переходный процесс.
Определить: ток
, напряжение
после коммутации и построить графики
и
.

Рисунок 4.13 – Схема электрической цепи
Решение.
Переходный процесс в цепи рассчитаем классическим методом.
Определим независимые начальные условия:
.
Независимые начальные условия определяются путем расчета установившегося режима в цепи до коммутации (см. рисунок 4.14).

Рисунок 4.14 – Схема электрической цепи до коммутации
Найдем напряжение u12(0 –) по методу двух узлов:
.
Токи рассчитаем по закону Ома:
.
Напряжение на конденсаторе в цепи до коммутации равно:
.
По законам коммутации:
(4.37)
После размыкания ключа заданная электрическая цепь распадается на две независимые цепи первого порядка (см. рисунки 4.15 а и 4.15 б).

а) б)
Рисунок 4.15 – Электрические цепи после коммутации
Для нахождения емкостного тока iС(t) рассчитаем переходный процесс в цепи (см. рисунок 4.15 а). Так как ток в емкости равен
, рассчитаем переходное напряжение на емкости uC(t). Переходное напряжение на емкости представим в виде: uC(t) = uCпр(t)+uCсв(t).
Определим принужденное напряжение на емкости uCпр(t), путем расчета установившегося режима в цепи после коммутации (см. рисунок 4.16 а).

а) б)
Рисунок 4.16 – Эквивалентные схемы для расчета установившихся режимов после коммутации
Как видно из рисунка 4.16 а,
.
Определим свободное напряжение на емкости uCсв. Характеристическое уравнение получим методом входного сопротивления. Входное сопротивление цепи (см. рисунок 4.15 а) имеет вид:
. (4.38)
Приравняем Z(p) к нулю и определим корень характеристического уравнения Z(p) = 0:
;
. 
Свободную составляющую uCсв(t) и результирующее переходное uC(t) напряжения на емкости запишем в виде:
,
.
Найдем постоянную интегрирования А по начальному значению напряжения uC(0)=73,1 В:
73,1 = 100+А, отсюда определим А=73,1 – 100 = – 26,9 В.
Переходное напряжение на ёмкости равно:
.
Определим ток в цепи:
. (4.39)
Как видно из выражения (4.39), принужденный ток в емкости равен нулю и
.
График тока
приведен на рисунке 4.17.

Рисунок 4.17 – График переходного тока iC(t)
Для нахождения напряжения на индуктивности uL(t) рассчитаем переходный процесс в цепи (см. рисунок 4.15 б). Так как напряжение на индуктивности uL(t) равно
, рассчитаем ток в индуктивности iL(t). Ток в индуктивности представим в виде: iL(t) = iLпр(t)+ iLсв(t).
Определим принужденный ток в индуктивности iLпр(t), путем расчета установившегося режима в цепи после коммутации (см. рисунок 4.16 б).
Принуждённый ток в индуктивности равен:
. (4.40)
Определим свободную составляющую тока в индуктивности iLсв(t), для этого составим характеристическое уравнение методом входного сопротивления. Входное сопротивление цепи (см. рисунок 4.15 б) имеет вид:
.
Приравняем Z(p) к нулю и определим корень характеристического уравнения:
, откуда получим
.
Свободную составляющую тока iLсв(t) и результирующий переходный ток в индуктивности iL(t) запишем в виде:
. (4.41)
Найдем постоянную интегрирования А по независимому начальному значению тока в индуктивности iL(0 –)=0,769А из уравнения составленного на основании закона коммутации
:
0,5+А = 0,769, отсюда определим А = 0,769 – 0,5 =0,269А.
Переходный ток в индуктивности равен:
.
Напряжение на индуктивности определим по формуле:
. (4.42)
Как видно из выражения (4.42), принуждённая составляющая напряжения на индуктивности равна нулю и результирующее напряжение состоит только лишь из свободной составляющей uL(t) = uLсв(t).
График напряжения на индуктивности uL(t) приведен на рисунке 4.18.

Рисунок 4.18 – График переходного напряжения uL(t)
Задача 4.2.5 Электрическая цепь (см. рисунок 4.19) содержит два источника с одинаковыми постоянными ЭДС Е = 100В, сопротивления
и
, индуктивности
и
, ёмкости
и
. В момент времени
ключи К1 и К2 одновременно размыкаются.
Требуется:
1) определить напряжения на конденсаторах
и
после размыкания ключей;
2) определить токи в индуктивностях
и
после размыкания ключей;
3) построить графики
,
,
,
.
Решение.
Переходный процесс в цепи рассчитаем классическим методом.
Определим независимые начальные условия:
и
.
Независимые начальные условия определим путем расчета установившегося режима в цепи до коммутации (см. рисунок 4.20). Как видно из рисунка 4.20, независимые начальные условия равны:
,
,
,
.

Рисунок 4.19 – Схема электрической цепи

Рисунок 4.20 – Эквивалентная схема для расчета установившегося режима в цепи до коммутации
Схема электрической цепи после коммутации показана на рисунке 4.21.

Рисунок 4.21 – Схема электрической цепи после коммутации
Напряжение между узлами электрической цепи (см. рисунок 4.21) равно нулю (Е − Е = 0), и электрическая цепь после коммутации распадается на две независимые цепи (см. рисунки 4.22 а и 4.22 б).

а) б)
Рисунок 4.22 – Схемы для расчета
,
,
, 
Рассчитаем переходной процесс в R1L1C1 – цепи (см. рисунок 4.22 а) и определим
и
.
Найдем сначала переходное напряжение
:
.
Принуждённая составляющая напряжения
и переходное напряжение состоит только из свободной составляющей:
. Для определения свободной составляющей напряжения составим характеристическое уравнение методом входного сопротивления и найдем его корни.
Входное комплексное сопротивление цепи, где jω заменено оператором p,
приведем к общему знаменателю и приравняем к нулю числитель, получим:
. (4.43)
Корни характеристического уравнения (4.43) равны:
.
Корни характеристического уравнения комплексно-сопряженные, свободное напряжение запишем в виде:
. (4.44)
Постоянные интегрирования А и ψ определим по начальным значениям напряжения и его первой производной
,
. Производная
имеет вид:
.
Запишем
и
:
(4.45)
Начальное значение напряжения
, так как
, то
равно:
.
Подставим найденные значения
,
в систему уравнений (4.45), получим:
(4.46)
Решая систему уравнений (4.46), найдем постоянные интегрирования А и ψ:

(4.47)
;
.
Подставим найденные значения постоянных интегрирования в выражение (4.44) и получим переходное напряжение на конденсаторе:
.
Ток в цепи
определим по формуле:

. (4.48)
Чтобы сложить синусоидальные функции времени, применим комплексный метод расчета:
;
;
.
Перейдем к мгновенным значениям:
.
Таким образом, сумма двух синусоидальных функций равна:
. (4.49)
Подставим (4.49) в формулу (4.48) и получим выражение для тока
:
. (4.50)
Графики напряжения
тока
представлены на рисунках 4.23 а и 4.23 б.

а) б)
Рисунок 4.23 – Графики напряжения
и тока 
Рассчитаем переходной процесс в R2L2C2 – цепи (см. рисунок 4.22 б) и определим
,
.
Найдем сначала переходное напряжение
:
.
Принуждённая составляющая напряжения
и переходное напряжение включает только свободную составляющую:
.
Для определения свободной составляющей напряжения составим характеристическое уравнение методом входного сопротивления и найдем его корни. Комплексное сопротивление цепи (jω → p)
приведем к общему знаменателю, приравняем к нулю числитель, получим:
. (4.51)
Корни характеристического уравнения (4.51) равны:
.
Корни характеристического уравнения вещественные и различные, напряжение на емкости запишем в виде:
. (4.52)
Постоянные интегрирования определим по начальным значениям напряжения и его первой производной
,
. Производная
имеет вид:
.
Запишем
и
:
(4.53)
Начальное значение напряжения
, так как
, то
равно
.
Подставим найденные значения
и
в систему уравнений (4.53), получим:
(4.54)
Решая систему уравнений (4.54), найдем постоянные интегрирования А1 и А2: А1 = −133,3 и А2 = 33,3.
Подставим найденные значения постоянных интегрирования в выражение (4.52) и получим переходное напряжение на емкости:
.
Ток в цепи
определим по формуле:
.
Графики напряжения
и тока
представлены на рисунках 4.24 а и 4.24 б.
а) б)
Рисунок 4.24 – Графики напряжения
и тока 
Список литературы
1. Белецкий А.Ф. Теория линейных электрических цепей. – М.: Радио и связь, 1986. – 544 с.
2. Матханов П.Н. Основы анализа электрических цепей. Линейные цепи. – М.: Высшая школа,1981. – 333 с.
3. Основы теории цепей. Учебник для вузов/Г.В.Зевеке и др. – М.: Энергоиздат, 1989. – 528 с.
4. Теория линейных электрических цепей/Под редакцией И.Г.Кляцкина. – М.: Высшая школа, 1975.
5. Зернов И.В., Карпов В.Г. Теория радиотехнических цепей. – Л.: Энергия, 1972.
6. Шебес М.Р., Каблукова М.В. Задачник теории линейных электрических цепей: Учебное пособие для вузов. – М.: ВШ, 1990.-544 с.
7. Основы теории цепей: Учебник для вузов/В.П.Бакалов и др. – М.: 2000. – 592 с.
8. Попов В.П. Основы теории цепей: Учебник для вузов. – М., 2000. –576с.
9. Демирчян К.С., Нейман Л.Р., Коровкин Н.В., Чечурин В.Л. Теоретические основы электротехники. – т.1. – Санкт-Петербург: Питер, 2003. – 463 с.
10. Демирчян К.С., Нейман Л.Р., Коровкин Н.В., Чечурин В.Л. Теоретические основы электротехники. – т.2. – Санкт-Петербург: Питер, 2003. – 576 с.
11. Жолдыбаева З.И., Зуслина Е.Х. Теория электрических цепей 1. Примеры расчета установившихся процессов в линейных электрических цепях. Учебное пособие. – Алматы: АИЭС, 2009.- 93 с.
12. Жолдыбаева З.И., Зуслина Е.Х. Теория электрических цепей 2. Примеры расчета установившихся и переходных процессов в линейных электрических цепях с сосредоточенными и распределенными параметрами. Учебное пособие. – Алматы: АИЭС, 2011. – 78 с.