ВОЗБУЖДЕНИЯ
3.1. Программа работы
1. Ознакомиться с конструкцией, разобрать принцип действия, записать паспортные данные двигателя.
2. Снять и построить рабочие характеристики: Р1, Iя, M, n, h = f (P2) при U = Uн = пост. для нормальной схемы и схемы с шунтированием обмотки возбуждения.
3. Снять и построить регулировочные характеристику U = f (Iя) при n = nн = пост.
4. Снять и построить механические характеристики n = (М) при U = Uн = пост. для нормальной схемы включения и трех значений сопротивлений регулировочного реостата в цепи якоря Rр1 = 0, Rp2 > 0, Rp3 > Rp2, для которых при токе якоря Ia = Iн двигатель развивает частоту вращения соответственно nн, 0,8nн, и 0,6nн.
Электрические схемы соединений

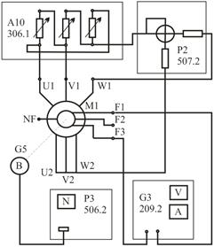
Рис. 3.1. Схема включения синхронного генератора.
В качестве нагрузки двигателя постоянного тока выступает синхронный генератор, работающий на активную нагрузку. Схема включения синхронного генератора приведена на рис. 3.1.
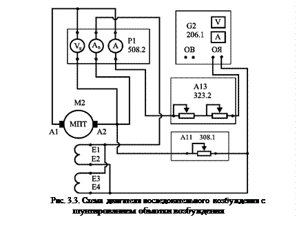
Схемы для снятия характеристик двигателя постоянного тока последовательного возбуждения приведены на рис. 3.2 и рис. 3.3.
Источник питания G2 двигателя постоянного тока используется для питания двигателя постоянного тока М2 регулируемым напряжением. Реостат А13 ограничивает ток в цепи якоря двигателя постоянного тока. Реостат А11 шунтирует обмотки возбуждения двигателя постоянного тока. Его сопротивление нельзя делать очень малым, чтобы не снизить предельно ток в обмотке возбуждения и магнитный поток в двигателе. Синхронный генератор М1 работает на активную нагрузку А10, выступая в качестве нагрузочной машины. Возбудитель G3 служит для питания обмотки возбуждения синхронного генератора. Измеритель мощностей Р2 служит для измерения активной мощности синхронного генератора. С помощью мультиметров блока Р1 фиксируются значения напряжения на якоря, ток двигателя и ток обмотки возбуждения. Преобразователь угловых перемещений G5 генерирует импульсы, поступающие на вход указателя частоты вращения Р3 электромашинного агрегата.