Принцип действия регулятора напряжения
Напряжение генератора без регулятора зависит от частоты вращения его ротора, магнитного потока, создаваемого обмоткой возбуждения, а, следовательно, от силы тока в этой обмотке и величины тока, отдаваемого генератором потребителям. Чем больше частота вращения и сила тока возбуждения, тем больше напряжение генератора, чем больше сила тока его нагрузки - тем меньше это напряжение.
Функцией регулятора напряжения является стабилизация напряжения при изменении частоты вращения и нагрузки за счет воздействия на ток возбуждения. Электронные регуляторы изменяют ток возбуждения путем включения и отключения обмотки возбуждения от питающей сети, при этом меняется относительная продолжительность времени включения обмотки возбуждения. Если для стабилизации напряжения требуется уменьшить силу тока возбуждения, время включения обмотки возбуждения уменьшается, если нужно увеличить — увеличивается.
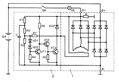
Принцип работы электронного регулятора удобно продемонстрировать на достаточно простой схеме регулятора типа ЕЕ 14V3 фирмы Bosch, представленной на рис. 5.6:
|
| Рисунок 5.6 Схема регулятора напряжения EE14V3 фирмы BOSCH: 1 - генератор, 2 - регулятор напряжения, SA - замок зажигания, HL - контрольная лампа на панели приборов. |
Датчиком напряжения является стабилитрон VD2. При достижении заданной величины напряжения, стабилитрон "пробивается" и по нему начинает протекать ток. Напряжение к стабилитрону VD2 подводится от вывода генератора "D+" через делитель напряжения на резисторах R1(R3 и диод VD1, осуществляющий температурную компенсацию. Когда напряжение низкое, стабилитрон не пропускает электрический ток и через лампочку HL ток проходит к обмотке возбуждения генератора. Когда напряжение достигает максимальной величины, стабилитрон пробивается и электронный блок прекращает подаче тока в обмотку возбуждения (рис. 5.7).
| Рисунок 5.7. Изменение силы тока в обмотке возбуждения JB по времени t при работе регулятора напряжения: tвкл, tвыкл - соответственно время включения и выключения обмотки возбуждения регулятора напряжения; n1 n2 - частоты вращения ротора генератора, причем n2 больше n1; JB1 и JB2 - средние значения силы тока в обмотке возбуждения. |
Из рис. 5.6 хорошо видна роль лампы HL контроля работоспособного состояния генераторной установки (лампа контроля заряда на панели приборов автомобиля). При неработающем двигателе автомобиля замыкание контактов выключателя зажигания SA позволяет току от аккумуляторной батареи GA через эту лампу поступать в обмотку возбуждения генератора. Этим обеспечивается первоначальное возбуждение генератора. Лампа при этом горит, сигнализируя, что в цепи обмотки возбуждения нет обрыва. После запуска двигателя, на выводах генератора "D+" и "В+" появляется практически одинаковое напряжение и лампа гаснет. Если генератор при работающем двигателе автомобиля не развивает напряжения, то лампа HL продолжает гореть и в этом режиме, что является сигналом об отказе генератора или обрыве приводного ремня. Введение резистора R в генераторную установку способствует расширению диагностических способностей лампы HL. При наличии этого резистора в случае обрыва цепи обмотки возбуждения при работающем двигателе автомобиля лампа HL загорается.
В настоящее время все больше фирм переходит на выпуск генераторных установок без дополнительного выпрямителя обмотки возбуждения. В этом случае в регулятор заводится вывод фазы генератора. При неработающем двигателе автомобиля, напряжение на выводе фазы генератора отсутствует и регулятор напряжения в этом случае переходит в режим, препятствующий разряду аккумуляторной батареи на обмотку возбуждения. Например, при включении выключателя зажигания схема регулятора переводит его выходной транзистор в колебательный режим, при котором ток в обмотке возбуждения невелик и составляет доли ампера. После запуска двигателя сигнал с вывода фазы генератора переводит схему регулятора в нормальный режим работы. Схема регулятора осуществляет в этом случае и управление лампой контроля работоспособного состояния генераторной установки.