Силовые схемы тиристорных пускателей
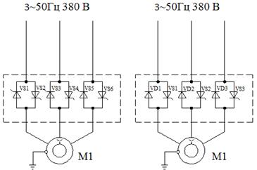
Основные силовые схемы тиристорных пускателей приведены на рис. 1.

Рис. 1. Силовые схемы тиристорных пускателей
Эти схемы являются аналогами силовой схемы подключения асинхронного двигателя (АД) с помощью магнитного пускателя. Встречно-параллельно включенные тиристоры (тиристор-диод) в каждой фазе являются аналогом силового контакта на замыкание и обеспечивают прохождения тока по нагрузке в течение всего периода питающего напряжения.