УСАДКА БЕТОННЫХ И КАМЕННЫХ КОНСТРУКЦИЙ
| Материал конструкций | Аw, °С | Усадка tc, °С, конструкций | ||
| побережье и острова Ледовитого и Тихого океанов | континентальные районы СССР | монолитных | сборных | |
| Бетон | -5 | |||
| Кладка из силикатного кирпича (блоков) | -7 | |||
| Кладка из камней легкого и ячеистого бетонов (блоков) | -10 | |||
| Кладка из глиняного кирпича (блоков) |
10. Продольная жесткость армированной кладки или бетона с трещинами при растяжении
Ksk(b)=EsAs/ys. (14)
То же, для комплексного сечения (монолитная кладка без трещин и железобетонное включение с трещинами - сборные перемычки, балки и т. п., см. черт. 2, в)
Ksk=EkAk+EsAs/ys, (15)
где ys - коэффициент, учитывающий работу армированной кладки или бетона на участке между трещинами, принимаемый равным: для растворов и бетонов класса В2 и выше ys=0,7; для менее прочных растворов и бетонов (меньше В2) ys=l.
11. Податливость li и коэффициент податливости Сi неармированных, армированных кладок и комплексных сечений элементов с трещинами и без трещин определяются по формулам:
li=1/Кi, (16)
Сi=li/Кi, (17)

Черт. 2. Определение продольной жесткости неармированной и армированной кладок
а - неармированная кладка; б - армированная кладка; в - кладка с железобетонным включением
где li - длина элемента;
Ki - продольная жесткость элемента, определяемая по формулам (11)-(15) приложения, где i принимает значения: для кладки - k; для бетона - b; для армированной кладки - sk.
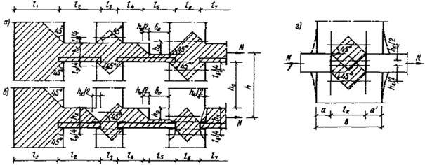
12. Расчетные площади сечения монолитной (без трещин) кладки Аk бетона Аb и арматуры Аs определяются в пределах рассматриваемого участка зоны влияния продольной силы N длиной l, возникающей в элементах стен и перекрытий при растяжении или сжатии, см. черт. 3 (заштриховано). Зона влияния силы N на длине li рассматриваемого участка имеет криволинейное очертание. Для упрощения расчетов криволинейное очертание зоны приближенно заменяется треугольным (пунктир) с углом в основании 45° и высотой, равной половине длины основания. Для каменных и бетонных конструкций, однородных по материалу или армированию, треугольное очертание зоны можно заменить равновеликим по площади прямоугольным (штрихпунктир). Высота или длина прямоугольной зоны определяется из равенства площадей прямоугольной и треугольной или трапецеидальной зон.
При приведении треугольной зоны к прямоугольной при неизменном основании высота прямоугольной зоны принимается равной 1/4 длины основания (см. черт. 3). Высота прямоугольной зоны не должна превышать половину высоты этажа.
При приведении трапецеидальной зоны к прямоугольной при неизменной высоте заштрихованного участка длина прямоугольной зоны принимается равной полусумме верхнего и нижнего основания трапеции.
СРЕДНЯЯ ПРОДОЛЬНАЯ ЖЕСТКОСТЬ
РАСЧЕТНОГО СЕЧЕНИЯ СТЕНЫ,
ПЕРЕКРЫТИЯ И ЭТАЖА
13. Средняя продольная жесткость расчетного сечения наружной (е), внутренней (f) стен и перекрытия (р) в пределах этажа в общем случае определяется по формуле
(18)


Черт. 3. Примеры построения зон влияния продольной силы N в кладке стен перекрытий
а - в стенах при отсутствии трещин; б - то же, при наличии трещин; в - в плитах перекрытий, опертых на стены; г - в поперечной стене или простенке
где L - длина здания;
n - число одинаковых по конструкции участков (см. черт. 2), на которые разбивается по длине стена или перекрытие (см. черт. 3);
сi - коэффициент податливости i-го участка стены или перекрытия длиной li определяемый по формуле (17).
14. Средняя продольная жесткость расчетного сечения этажа определяется по формулам:
для здания I типа (см. черт. 1, б)
K=Ke(A)+Kf(Б)+Ke(В)+Kр; (19)
для здания II типа (см. черт. 1, в)
K=Ke(A)+Kp(A) и т. д., (20)
где в скобках обозначены оси стен.