Стабилизаторы напряжения

При проектировании источников питания электронных устройств предъявляются высокие требования к стабильности питающего напряжения. Например, для питания измерительных устройств, работающих с точностью 0,1%, требуется стабильность напряжения питания не хуже 0,01%. Как медленные, так и быстрые колебания (пульсации) напряжения питания существенно изменяют режим работы и параметры электронного устройства.

Причинами нестабильности напряжения питания на выходе вторичного источника питания могут быть:

- колебания напряжения и частоты питающей сети;

- изменения сопротивления и характера нагрузки;

- пульсации выпрямленного напряжения;

- изменения влажности окружающей среды и т. п.

Для повышения стабильности выходного напряжения ВИП применяют стабилизаторы напряжения. Основными параметрами стабилизаторов напряжения являются:

- коэффициент полезного действия, равный отношению мощности, выделяемой в нагрузке, к мощности, подводимой ко входу стабилизатора

 

; (4.19)

 

- коэффициент стабилизации, определяемый выражением

 

; (4.20)

 

- выходное сопротивление, показывающее во сколько раз изменится напряжение на выходе стабилизатора при изменении тока нагрузки

 

. (4.21)

 

В практических схемах ВИП находят применение параметрические и компенсационные стабилизаторы напряжения. Рассмотрим особенности построения и функционирования этих схем стабилизаторов.

4.3.1 Параметрический стабилизатор напряжения

Параметрические стабилизаторы напряжения являются простейшими устройствами, реализованными на основе полупроводникового диода – стабилитрона. В них используется свойство стабилитрона поддерживать практически неизменным напряжение при изменении обратного тока в относительно больших пределах (работа стабилитрона при обратном напряжении в области пробоя).

Схема параметрического стабилизатора приведена на рисунке 4.12, а.

Для пояснения работы стабилизатора воспользуемся обратной ветвью ВАХ стабилитрона, приведенной на рисунке 4.12, б. Напряжение Uвх, подаваемое на вход стабилизатора (рисунок 4.12, а) после сглаживающего фильтра, распределяется между балластным резистором Rб и стабилитроном, то есть

 

, (4.22)

 

где – падение напряжения на резисторе Rб.

 

 


а б

Рисунок 4.12 – Параметрический стабилизатор напряжения (а)

и обратная ветвь ВАХ стабилитрона (б)

 

Поскольку напряжение на стабилитроне (рисунок 4.12, б) при изменении тока стабилитрона в пределах участка от Iст мин до Iст макс изменяется незначительно (на величину ∆Uст), то изменение входного напряжения на величину ∆Uвх вызовет примерно такое же изменение напряжения на резисторе Rб. Так как ток нагрузки останется при этом практически неизменным, то можно записать

 

, (4.23)

 

то есть при изменении входного напряжения на ∆Uвх ток стабилитрона изменится на величину , а напряжение на нагрузке останется почти неизменным.

Если же напряжение на входе стабилизатора остается неизменным, а изменяется, например, уменьшается, сопротивление нагрузки, то это приведет к увеличению тока в нагрузке. Увеличение тока в нагрузке повлечет за собой уменьшение на такое же значение тока стабилитрона, поскольку при неизменном входном напряжении должно сохраняться постоянство входного тока . Но напряжение на нагрузке при этом, как и в предыдущем случае, останется почти неизменным.

Таким образом, стабилизатор поддерживает практически неизменным напряжение на нагрузке при изменениях входного напряжения и тока в нагрузке.

Важным параметром стабилизатора является его выходное сопротивление (чем меньше Rвых, тем лучше). В параметрическом стабилизаторе выходное сопротивление определяется дифференциальным сопротивлением стабилитрона на рабочем участке его вольт-амперной характеристики, то есть

 

. (4.24)

 

Коэффициент стабилизации параметрического стабилизатора можно определить по формуле

 

. (4.25)

 

Из (4.25) видно, что при заданных значениях Uвх, Uн и выбранном типе стабилитрона (с учетом выполнения условия ), для увеличения коэффициента стабилизации необходимо увеличивать сопротивление резистора Rб. Однако сопротивление этого резистора определяется из выражения

 

, (4.26)

 

где – номинальный ток стабилизации. Чтобы увеличить сопротивление Rб, необходимо увеличивать напряжение на входе стабилизатора. А это (с учетом (4.25)) в свою очередь приводит к уменьшению коэффициента стабилизации. Таким образом, одним из недостатков параметрического стабилизатора является относительно низкий коэффициент стабилизации, который в практических схемах обычно принимает значения 10 ... 30. Вторым существенным недостатком является невозможность регулировки уровня выходного напряжения.

К достоинствам параметрических стабилизаторов можно отнести их простоту схемной реализации и надежность.

Параметрические стабилизаторы обычно используют для нагрузок с током от нескольких единиц до десятков миллиампер. Наиболее часто они используются как источники опорного напряжения в компенсационных стабилизаторах напряжения.

Более качественными характеристиками обладают компенсационные стабилизаторы напряжения.

4.3.2 Компенсационные стабилизаторы напряжения

Различают компенсационные стабилизаторы напряжения непрерывного и импульсного действия.

4.3.2.1 Компенсационные стабилизаторы непрерывного действия. Стабилизатор напряжения непрерывного действия (или компенсационный аналоговый стабилизатор) представляет собой замкнутую систему автоматического регулирования, в которой фактическое значение выходного напряжения непрерывно сравнивается с заданным значением опорного напряжения. Возникающий при этом сигнал рассогласования (сигнал ошибки) усиливается и воздействует на регулирующий элемент (РЭ) стабилизатора таким образом, чтобы выходное напряжение стремилось вернуться к заданному уровню. В качестве источника опорного напряжения (ИОН) обычно используют параметрический стабилизатор, работающий с малыми токами нагрузки.

В зависимости от способа включения регулирующего элемента различают компенсационные стабилизаторы последовательного и параллельного типов.

Структурная схема компенсационного стабилизатора последовательного типа представлена на рисунке 4.13. Основными элементами стабилизатора являются источник опорного напряжения, схема сравнения (СС), усилитель постоянного тока (УПТ) и регулирующий элемент. В рассматриваемой схеме регулирующий элемент включен последовательно с нагрузкой и играет роль управляемого балластного сопротивления.

Сигнал рассогласования , формируемый схемой сравнения СС, поступает на вход усилителя постоянного тока, усиливается и воздействует на регулирующий элемент РЭ.


Рисунок 4.13 – Структурная схема компенсационного стабилизатора

непрерывного действия последовательного типа

 

При положительном сигнале рассогласования внутреннее сопротивление РЭ возрастает и падение напряжения Uрэ на нем увеличивается. Поскольку РЭ и нагрузка включены последовательно, то при увеличении Uрэ выходное напряжение Uн уменьшается, стремясь к значению Uн ном.

return false">ссылка скрыта

При отрицательном сигнале рассогласования наоборот, внутреннее сопротивление РЭ и падение напряжения на нем уменьшаются, что приводит к возрастанию выходного напряжения Uн.

В качестве ИОН обычно используют электронную цепь на основе стабилитрона, а в качестве РЭ – биполярный или полевой транзистор.

Принципиальная схема компенсационного стабилизатора напряжения последовательного типа на транзисторах приведена на рисунке 4.14. Роль РЭ в этой схеме играет биполярный транзистор VT1. Транзистор VT2 используется в качестве УПТ, а стабилитрон VD1 выполняет роль ИОН.

 


Рисунок 4.14 – Принципиальная схема компенсационного стабилизатора

непрерывного действия последовательного типа

 

При увеличении Uвх напряжение на нагрузке Uн возрастает по абсолютному значению, создавая положительный сигнал рассогласования напряжения UБЭ2 на входе УПТ, выполненного на транзисторе VT2. Ток коллектора транзистора VT2 возрастает, а потенциал коллектора VT2 относительно потенциала земли уменьшается. Это приводит к уменьшению напряжения UБЭ1 транзистора VT1 и, следовательно, к возрастанию его внутреннего сопротивления (поскольку этот транзистор призакрывается). Падение напряжения на транзисторе VT1 возрастает, а выходное напряжение Uн при этом уменьшается, стремясь к номинальному (прежнему) значению. При уменьшении напряжения Uвх транзистор VT1 будет приоткрываться, обеспечивая увеличение напряжения Uн до его номинального значения.

Для нормальной работы рассмотренной схемы выходное напряжение Uн выбирают меньше входного Uвх на 10 ... 20% подбором стабилитрона и номиналов резисторов делителя R3, R4 и R5. Суммарное сопротивление делителя выбирают таким образом, чтобы ток через делитель на порядок превышал номинальный ток базы транзистора VT2. С помощью резистора R4 можно регулировать выходное напряжение в некоторых пределах.

Коэффициент стабилизации рассмотренной схемы составляет 100 и более. Для повышения коэффициента стабилизации резистор R1,определяющий базовый ток регулирующего транзистора VT1, целесообразно подключать не ко входу стабилизатора, а к дополнительному стабильному источнику напряжения. Кроме этого в качестве регулирующего элемента вместо транзистора VT1 целесообразно использовать составной транзистор (рисунок 4.15).


Рисунок 4.15 – Структура составного транзистора

 

Эквивалентный коэффициент передачи тока базы составного транзистора равен

 

, (4.27)

 

где h21э1 и h21э2 – коэффициенты передачи тока базы транзисторов VT1 и VT2.

Применение составного транзистора в качестве РЭ позволяет увеличить коэффициент стабилизации на величину коэффициента передачи тока базы дополнительного транзистора.

Структурная схема компенсационного стабилизатора напряжения параллельного типа приведена на рисунке 4.16. В этой схеме регулирующий элемент подключен параллельно нагрузке Rн. Последовательно с ними включается балластный резистор Rб. Таким образом, схема компенсационного стабилизатора параллельного типа при отсутствии УПТ по своей структуре напоминает схему параметрического стабилизатора, в которой роль РЭ играет стабилитрон.


Рисунок 4.16 – Структурная схема компенсационного стабилизатора

непрерывного действия параллельного типа

 

Схема на рисунке 4.16 работает следующим образом. Разностный сигнал рассогласования , формируемый схемой сравнения, усиливается с помощью УПТ и воздействует на РЭ, изменяя его ток Iр таким образом, чтобы обеспечить постоянство выходного напряжения Uн.

Коэффициент стабилизации компенсационных стабилизаторов напряжения параллельного типа достигает нескольких тысяч и зависит от коэффициента усиления УПТ. Однако следует учитывать, что при существенном увеличении коэффициента усиления схема стабилизатора может самовозбуждаться.

Выходное сопротивление компенсационных стабилизаторов имеет значение порядка нескольких ом и даже долей ом.

КПД компенсационных стабилизаторов непрерывного действия не превышает 60%. При этом у стабилизаторов параллельного типа КПД ниже, чем у стабилизаторов последовательного типа, так как на балластном резисторе Rб расходуется дополнительная мощность.

Недостатком стабилизаторов последовательного типа является их критичность к перегрузкам. При коротком замыкании на выходе (в нагрузке) к регулирующему элементу (транзистору VT1 на рисунке 4.14) прикладывается все входное напряжение и резко увеличивается ток коллектора, что может привести к выходу транзистора из строя.

4.3.2.2 Компенсационные стабилизаторы импульсного действия. Существенным недостатком рассмотренных выше компенсационных стабилизаторов непрерывного действия является относительно низкий КПД, что приводит к увеличению массы и габаритов устройства. Применение импульсного режима работы регулирующего элемента (транзистора) стабилизатора позволяет повысить КПД до 80% и уменьшить массу и габариты стабилизатора, так как при малой рассеиваемой мощности регулирующего транзистора, работающего в импульсном режиме, можно не применять массоемкие теплоотводящие радиаторы.

На рисунке 4.17 приведена структурная схема импульсного стабилизатора напряжения последовательного типа, иллюстрирующая принцип его действия.

 

 
 

Рисунок 4.17 – Структурная схема компенсационного стабилизатора

импульсного действия последовательного типа

 

В рассматриваемой схеме нагрузка последовательно через сглаживающий фильтр Ф и ключевой регулирующий элемент РЭ подключена к источнику входного напряжения. Выходное напряжение Uн сравнивается с опорным напряжением Uоп. Разностный сигнал рассогласования, формируемый схемой сравнения СС, воздействует на схему управления СУ, которая вырабатывает импульсы, управляющие временами размыкания и замыкания ключевого РЭ. В результате к входу сглаживающего фильтра будет приложено не непрерывное, а импульсное напряжение. Среднее значение этого напряжения Uвх.ф.ср. зависит от соотношения времен замкнутого tз и разомкнутого tр состояний ключа РЭ и определяется формулой

 

, (4.28)

 

где – период последовательности импульсов (величина, обратная частоте переключений ключевого элемента);

– скважность последовательности импульсов.

Следовательно, изменяя параметры tз и Т последовательности импульсов на выходе ключевого РЭ, можно регулировать напряжение Uвх.ф.ср таким образом, чтобы выходное напряжение Uн стабилизатора оставалось почти неизменным. Напряжение Uвх.ф.ср выделяется из последовательности импульсов с помощью сглаживающего фильтра Ф.

Используются в основном два способа управления работой ключевого РЭ: релейный и широтно-импульсный. В первом случае импульсы на выходе РЭ имеют амплитуду, равную в каждый данный момент входному напряжению, и регулирование обеспечивается изменением их длительности. Во втором случае амплитуда импульсов постоянна, а по сигналам СУ изменяется их ширина.

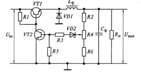
Принцип работы релейного импульсного стабилизатора напряжения поясняется схемой и временными диаграммами, представленными, соответственно, на рисунках 4.18 и 4.19.

 


Рисунок 4.18 – Принципиальная схема импульсного стабилизатора

с релейным управлением

 

 
 

Рисунок 4.19 – Временные диаграммы релейного регулирования напряжения

 

Функцию РЭ в схеме стабилизатора (рисунок 4.18) выполняет транзистор VT1. Функцию СС выполняет переменный резистор R4 делителя выходного напряжения R2-R4-R6. Источником эталонного напряжения служит стабилитрон VD2, а СУ выполнена на транзисторе VT2. Резисторы R1, R3 и R5 обеспечивают требуемые режимы работы транзисторов, диод VD1 необходим для защиты VT1 от перенапряжений из-за ЭДС самоиндукции дросселя фильтра Lф, возникающей при снижении тока через катушку индуктивности (в паузе между импульсами на эмиттере VT1).

Работа стабилизатора состоит в следующем. Конденсатор Сф заряжается напряжением Uвх от источника сигнала через открытый транзистор VT1 и разряжается через сопротивление нагрузки Rн, когда транзистор VT1 закрыт. Как только во время разряда конденсатора напряжение, снимаемое с движка резистора R4, становится равным напряжению пробоя стабилитрона VD2, ток через стабилитрон резко уменьшается и падение напряжения на резисторе R5 становится недостаточным для открывания транзистора VT2. Транзистор закрывается, напряжение на его коллекторе (а, следовательно, и на базе транзистора VT1) возрастает, что приводит к отпиранию транзистора VT1. Конденсатор Сф начинает заряжаться, напряжение на движке резистора R4 возрастает до того момента, пока не станет равным по величине сумме двух напряжений – напряжения пробоя стабилитрона и напряжения открывания транзистора VT2. Появление достаточного уровня напряжения на эмиттерном переходе транзистора VT2 приводит к его открыванию, напряжение на коллекторе транзистора резко уменьшается и транзистор VT1 закрывается. С этого момента начинается новый этап заряда конденсатора Сф. Таким образом, напряжение на конденсаторе (и на нагрузке) как бы пульсирует относительно некоторого среднего значения Uн ср (рисунок 4.19). Величину пульсаций напряжения на нагрузке определяет разность напряжений срабатывания схемы сравнения (гистерезис). Как видно из рисунка 4.19, чем больше уровень напряжения на входе стабилизатора Uвх, тем меньше длительность импульса напряжения на эмиттере транзистора VT1 UэVT1.

Достоинством приведенной схемы является относительная простота при приемлемом уровне коэффициента пульсаций. Импульсный стабилизатор с широтно-импульсным регулированием схемотехнически сложнее, но имеет несколько лучшие показатели качества выходного напряжения.

При широтно-импульсном регулировании, как отмечено выше, амплитуда импульсов на выходе РЭ постоянна, а изменяется их ширина. С этой целью изменяется длительность управляющих импульсов tз (время замкнутого состояния ключевого элемента). При этом частота f следования импульсов (частота переключения ключевого элемента) остается неизменной. Изменение длительности последовательности импульсов называется широтно-импульсной модуляцией (ШИМ).

В качестве схемы управления СУ в стабилизаторах с ШИМ может использоваться генератор импульсов, вырабатывающий прямоугольные импульсы с постоянной частотой. Длительность импульсов определяется величиной сигнала рассогласования, поступающего с выхода СС.

Структурная схема стабилизатора с ШИМ представлена на рисунке 4.20.


 

Рисунок 4.20 – Структурная схема импульсного стабилизатора

с широтно-импульсным регулированием

 

В импульсном стабилизаторе с ШИМ (рисунок 4.20) функции сравнения двух сигналов и формирования управляющих импульсов для ключевого РЭ выполняет компаратор напряжения (КН), на один из входов которого поступает выходное напряжение Uн (или его часть), а на другой – пилообразные импульсы Uг, вырабатываемые с постоянной частотой генератором линейно изменяющегося напряжения (ГЛИН) (рисунок 4.21). Компаратор срабатывает при равенстве напряжений на обоих входах и формирует управляющее напряжение на входе регулирующего элемента (ключа), закрывая или открывая его. При отклонении выходного напряжения от номинального значения изменяется момент времени срабатывания компаратора, то есть длительность управляющего импульса на входе ключа.

 

 


Рисунок 4.21 – Временные диаграммы широтно-импульсного

регулирования напряжения

 

Поскольку напряжение после ключевого РЭ представляет собой последовательность импульсов, необходимым элементом стабилизатора является сглаживающий фильтр Ф с высоким коэффициентом сглаживания. Обычно в качестве сглаживающего фильтра в импульсных стабилизаторах используют Г-образный LC-фильтр (рисунок 4.11).

Амплитуда пульсаций на нагрузке при использовании LC-фильтра может быть определена из выражения

 

, (4.29)

 

где Uвх и Uн – напряжения, соответственно, на входе фильтра и на нагрузке;

tз – время нахождения ключевого РЭ в замкнутом состоянии (то есть длительность импульсов на входе фильтра);

f – частота следования импульсов.

Из (4.29) следует, что для обеспечения малого уровня пульсаций напряжения на нагрузке необходимо увеличивать скважность и частоту последовательности импульсов на входе фильтра. Однако при существенном увеличении частоты f снижается КПД стабилизатора. Поэтому обычно выбирают f = 15 ... 50 кГц.

Вопросы для самоконтроля

4.4.1 Пояснить назначение вторичных источников питания (ВИП).

4.4.2 Какие структуры ВИП используют для питания электронных устройств?

4.4.3 Каковы преимущества и недостатки аналоговой и импульсной схем ВИП?

4.4.4 Пояснить назначение основных структурных элементов аналоговой схемы ВИП.

4.4.5 Пояснить назначение основных структурных элементов импульсной схемы ВИП.

4.4.6 Что называется инвертором, конвертором?

4.4.7 Какие схемы выпрямителей применяют в ВИП? Пояснить их преимущества и недостатки.

4.4.8 Какие параметры выпрямительных диодов необходимо учитывать, при выборе их для использования в выпрямителе? Чем отличаются условия работы диодов в разных схемах выпрямителей?

4.4.9 Привести примеры схем сглаживающих фильтров. Что необходимо учитывать при выборе той или иной схемы сглаживающего фильтра?

4.4.10 Перечислить достоинства и недостатки параметрических стабилизаторов напряжения.

4.4.11 Пояснить структуры и особенности функционирования компенсационных стабилизаторов непрерывного действия.

4.4.12 Пояснить структуры и особенности функционирования компенсационных стабилизаторов импульсного действия.

4.4.13 Перечислить достоинства и недостатки различных структур построения компенсационных стабилизаторов.