Разрезов и сечений
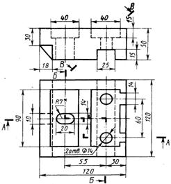
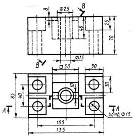
Задание по теме 4.Построить третье изображение детали по двум данным, дать разрезы, построить натуральный вид наклонного сечения, а также наглядное изображение детали в аксонометрической проекции. Пример выполнения работы дан на рисунке 17 и 18, а индивидуальные задания - на рисунке 16.
Порядок выполнения.Изучить ГОСТ 2.305 - 68 разделы 3, 4 «Разрезы», «Сечения» и рекомендованную литературу. Ознакомиться с содержанием чертежей к теме 4 (рис. 17 и 18).
Последовательность выполнения сохраняется та же, что и в теме 3. Выполняя задание, провести тонко линии видимого и невидимого контуров, построить третье изображение, построить разрезы и выполнить штриховку в разрезах. После этого следует построить натуральный вид наклонного сечения заданной фронтально-проецирующей плоскостью («косое» сечение). После построения трех изображений предмета следует нанести размеры в соответствии с ГОСТ 2.307 - 68.
Заключительным этапом при выполнении графической работы по теме 3 является построение наглядного изображения в диметрической прямоугольной проекции. Это построение необходимо выполнить на отдельном листе формата А3.
Вопросы для самопроверки
1. Что такое сложный разрез? 2. Какие разрезы называют ступенчатыми? ломаными? 3. Что такое «местный» разрез? 4. Что такое сечение? 5. Как обводят линии контура наложенного и вынесенного сечений? 6. Как обозначают сечения?
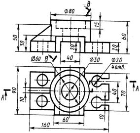
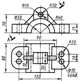
1, 11
| 2, 12
|
3, 13
| 4, 14
|
5, 15
| 6, 16
|
| Рисунок 16 - Данные для выполнения задания по теме 4. | |
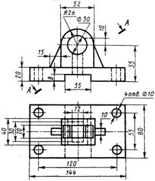
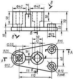
7, 10
| 8, 17
|
9, 18
|
Рисунок 16 - Данные для выполнения задания по теме 4. Продолжение
| Рисунок 17 - Пример выполнения задания по теме 4 |
| Рисунок 18 - Пример построения аксонометрической проекции для задания по теме 4 |