Изоляция путей на станции
Путевое развитие станции делится изолирующими стыками на отдельные участки, которые оборудуются электрическими рельсовыми цепями, а они в свою очередь, контролируют свободность или занятость путей и стрелок.
При разбивке путевого развития станции на изолированные участки необходимо обеспечить максимальное количество параллельных передвижений, исключить перепробеги подвижного состава при маневровых передвижениях, особенно на станциях с большой маневровой работой, обеспечить нормальный прием кодов на кодируемых путях.
Расстановка изолирующих стыков на станции желательно выполнять в следующей последовательности: изолирующими стыками отделяется станция от перегона; отделяются главные и приемо-отправочные пути от горловины станции; отделяются от зоны централизации тупики и подъездные пути промышленных предприятий; стрелки по которым возможны одновременно параллельные передвижения включаются в разные путевые участки (стыки между стрелками съездов, параллельно расположенные съезды); в одну рельсовую цепь допускается включать не более 3-х одиночных стрелок или 2-х перекрестных; на входе в зону централизации с подъездных путей выделяется короткая рельсовая цепь для контроля подхода составов с подъездных путей; выделяются бесстрелочные участки пути за входными светофорами и ближайшей стрелкой.
Контрольные вопросы
1. Какие разновидности сигналов применяются на железнодорожном транспорте?
2. Принципы классификации светофоров.
3. Какие сигнальные показания имеют входные и выходные светофоры и их назначение?
4. Какие сигнальные показания имеют маршрутные и проходные светофоры и их назначение?
5. Какие сигнальные показания имеют заградительные, повторительные светофоры и их назначение?
6. Какие сигнальные показания имеет горочный светофор и их назначение, а также маневровый и их назначение?
7. Конструкция мачтовых и карликовых светофоров.
8. Устройство линзовой оптической системы в светофорах.
9. Разновидности ламп накаливания и их технические характеристики.
10. Преимущества светодиодной системы к оптической.
11. Перечислите правила расстановки изолирующих стыков на станции.
2.2. Рельсовые цепи
2.2.1. Назначение, общие принципы устройства и работы рельсовых цепей
2.2.2. Основные режимы работы рельсовых цепей
2.2.3. Классификация рельсовых цепей
2.2.4. Понятие о первичных и вторичных параметрах рельсовой линии
2.2.5. Особенности работы рельсовых цепей в зависимости от места применения
2.2.6. Рельсовые цепи тональной частоты
Контрольные вопросы
2.2.1. Назначение, общие принципы устройства и работы рельсовых цепей
Практически во всех системах железнодорожной автоматики и телемеханики используются рельсовые цепи, так как они являются наиболее простыми датчиками информации о занятости или свободности участка пути. Основные функции, которые выполняют рельсовые цепи:
- автоматически контролируют свободное или занятое состояние участков пути;
- исключают перевод стрелок под составом;
- контролируют целость рельсовых нитей;
- обеспечивают передачу кодовых сигналов от одной сигнальной установки к другой и с пути на локомотив.
Принцип работы рельсовых цепей заключается в следующем: рельсовые звенья являются хорошими проводниками электрического тока, поэтому если к одному концу рельсовой линии подключить источник питания, который будет посылать электрический сигнал, а с другой стороны подключить приемник этого сигнала, то при свободном состоянии контролируемого участка по рельсам будет протекать электрических ток. Принцип работы РЦ поясняет рис. 2.18.

Рис. 2.18. Принцип работы РЦ: а – РЦ свободна; б – РЦ занята
Путевой приемник срабатывает от полученного сигнала и выдает информацию о свободности участка, если же на контролируемом участке находится подвижная единица, то ток на путевой приемник не попадает, так как он проходит через колесные пары, и путевой приемник выдает информацию о занятости участка пути.
Основные элементы рельсовой цепи представлены на рис. 2.19, а именно:
– рельсовая линия, которая состоит из рельсовых нитей (1), стыковых соединителей (2) для электрического соединения отдельных рельсовых звеньев и изолирующих стыков (3), обеспечивающих электрическое разделение смежных рельсовых цепей;
– аппаратура питающего конца, для питания рельсовой цепи;
– аппаратура релейного конца, для определения состояния рельсовой цепи (занята / свободна) путевым приёмником.

Рис. 2.19. Основные элементы рельсовой цепи
В качестве путевого приемника чаще всего используется электромагнитное реле, свойства реле замыкать фронтовые контакты при наличии на его обмотках напряжения срабатывания и тыловые контакты при снижении напряжения до значения отпадания якоря используются для контроля состояния участков пути и целости рельсов. При свободном состоянии контролируемого участка замыкается цепь между общим и фронтовым контактами и выдается информацию о свободности, если замыкается цепь между общим и тыловым контактами – о занятости контролируемого участка пути.
2.2.2. Основные режимы работы рельсовых цепей
Нормальный режим – это такое состояние рельсовой цепи, когда она свободна от подвижной единицы, исправна и в устройства автоматики и телемеханики выдается информация о свободности. Ток от источника питания протекает по рельсовым нитям, попадает на путевой приемник, в котором замыкается цепь между общим и фронтовым контактом (рис. 2.18, а).
Шунтовой режим – такое состояние рельсовой цепи, при котором на контролируемом участке находится хотя бы одна колесная пара. Принцип работы РЦ в шунтовом режиме объясняет рис. 2.20.

От источника питания по рельсовым нитям протекает ток. Так как сопротивление колесной пары очень маленькое (0,06 Ом), то ток, проходя по пути наименьшего сопротивления, проходит через колесные пары, а на путевой приемник попадает лишь незначительная часть тока, которой не достаточно для замыкания контактов реле. В результате в путевом приемнике замыкается цепь между общим и тыловым контактами и в устройства автоматики и телемеханики выдается информация о занятости контролируемого участка.
Для оценки работоспособности рельсовой цепи в шунтовом режиме используют критерий шунтовой чувствительность Кш, который также называют абсолютной шунтовой чувствительностью. Абсолютная шунтовая чувствительность представляет собой то минимальное значение шунтовой чувствительности Кш min для данной рельсовой цепи, которое определено расчетом или экспериментом при наиболее неблагоприятных условиях для шунтового режима. Шунтовой режим выполняется без угрозы контроля ложной свободности рельсовой линии, если Кш пр > Кшн, где Кши – сопротивление нормативного шунта (для магистральных железных дорог 0,06 Ом).
Контрольный режим – такое состояние рельсовой цепи, когда электрическая целостность рельсовых нитей повреждена (поврежден или изъят рельс) на контролируемом участке (рис. 2.21).

Так как путь для прохождения тока через рельсовые нити разорван, то ток проходит через балластный слой через сопротивление изоляции (балласта) rиз, но значение этого тока значительно снижается. В результате в путевом приемнике напряжение снижается до напряжения отпадания и выдается информация о занятости контролируемого участка.
В шунтовом и контрольном режимах путевой приемник выдает информацию о занятости, т. е. и при занятости рельсовой цепи и при повреждении либо изъятии рельса. Но для устройств автоматики это не имеет принципиального значения, так как в обоих случаях контролируемый участок будет закрыт для движения.
2.2.3. Классификация рельсовых цепей
В настоящее время на железных дорогах существует большое разнообразие условий работы и возможностей использования рельсовых цепей в системах железнодорожной автоматики и телемеханики. В результате на сегодняшний день применяется большое количество их различных видов. Условно рельсовые цепи можно разделить на наиболее характерные группы, которые отличаются следующим: принципом действия, родом сигнального тока, режимом питания, типом путевого приемника, способом канализации тягового тока, местом применения, элементной базой.
1. По принципу действия рельсовые цепи разделяются на нормально замкнутые и нормально разомкнутые.
1.1. Нормально замкнутые. При свободном состоянии контролируемого участка пути, путевое реле находится под током и все элементы обтекаются сигнальным током, т.е. осуществляется контроль их исправного состояния (ранее рассмотренные рельсовые цепи).
1.2. Нормально разомкнутые. Принцип работы нормально разомкнутых РЦ поясняет рис. 2.22.

Рис. 2.22. Принцип работы нормально разомкнутых РЦ
При свободном состоянии участка пути путевой приемник обесточен и при этом выдает информацию о свободности. Это достигается следующим образом: при свободности контролируемого участка пути питающий трансформатор (ПТ) работает в режиме холостого хода и на путевом приемнике (ПП) напряжение не достаточно для срабатывания; при вступлении подвижной единицы на контролируемый участок, трансформатор начинает работать в режиме короткого замыкания, ток в первичной обмотке возрастает и напряжение на сопротивлении R0 также возрастает, в результате путевое реле срабатывает. Недостатком такой рельсовой цепи является отсутствие контроля целости рельсовых нитей и возможности перевода стрелки под составом.
2. По роду сигнального тока рельсовые цепи делятся на постоянного и переменного тока.
2.1. Рельсовые цепи постоянного тока (имеют ограниченное применение и в настоящее время больше не проектируются). Применяются на участках с автономной тягой, где отсутствуют дополнительные источники питания.
2.2. Рельсовые цепи переменного тока применяются как на электрифицированных участках (постоянного и переменного тока), так и на участках с автономной тягой. Существуют различные рельсовые цепи переменного тока, в зависимости от частоты используемого сигнального тока:
– работающие на частотах 25, 50 или 75 Гц, наибольшее распространение получили РЦ с частотой сигнального тока 25 Гц, РЦ частотой
50 Гц применяются только на участках с автономной тягой;
– рельсовые цепи тональной частоты, работающие на частотах 420–780 Гц и 4,5–5,5 кГц.
3. По режиму питания рельсовые цепи разделяются с непрерывным, импульсным и кодовым питанием.
3.1. В РЦ с непрерывным питанием сигнальный ток подается в рельсовую линию постоянно без перерывов.
3.2. В РЦ с импульсным и кодовым питанием источник питания подключается к рельсовой линии не постоянно, а периодически. Путевой приёмник срабатывает от каждого импульса, чувствительность таких рельсовых цепей к шунту и излому рельса выше, чем у РЦ с непрерывным питанием. Кроме того, основным достоинством данных РЦ является защита от опасных ситуаций, т.е. путевой приёмник не может выдать информацию о свободности рельсовой цепи от воздействия посторонних источников питания.
4. По типу путевого приемника рельсовые цепи разделяют:
4.1. РЦ с одноэлементными путевыми приемниками.
4.2. РЦ с двухэлементными путевыми приемниками (фазочувствительные).
4.3. РЦ с электронными путевыми приемниками;
4.4. РЦ с микропроцессорными путевыми приемниками.
5. По способу пропуска обратного тягового тока различают однониточные и двухниточные рельсовые цепи. Для того, чтобы понять как обратный тяговый ток попадает в рельсовую линию приведен ниже приведен рисунок (рис. 2.23).

Рис. 2.23. Схема электроснабжения
Тяговый ток (Iт) от тяговой (ТП) подстанции протекает по контактному проводу (КП) и попадает через токоприёмник (Т) на электровоз в тяговый двигатель (ТД), через колесные пары обратный тяговый ток (Iо) попадает в рельсовые нити, по которым от возвращается обратно на тяговую подстанцию. Для электрического разделения смежных рельсовых цепей вся рельсовая линия разделена изолирующими стыками, которые препятствую протеканию тока. Для пропуска обратного тягового тока необходимо создать определённые условия.
5.1. Однониточные рельсовые цепи обеспечивают протекание тягового тока по одной рельсовой нити рельсовой линии (рис. 2.24).

Рис. 2.24. Схема протекания тягового тока в однониточных рельсовых цепях
5.2. Двухниточные рельсовые цепи обеспечивают протекание тягового тока по двум рельсовым нитям рельсовой линии, при этом обеспечиваются лучшие условия для работы рельсовых цепей (рис. 2.25).

Рис. 2.25. Принцип протекание тягового тока через дроссель-трансформатор
Дроссель-трансформатор имеет две обмотки: основную обмотку с большим сечением проводов, подключаемую к рельсовым нитям, и дополнительную для подключения источников питания или путевых приемников. Тяговые полутоки протекают в обход изолирующих стыков через основные полуобмотки дроссель-трансформаторов и междудроссельную перемычку.
Тяговые полутоки в каждой рельсовой нити протекают в одном направлении. Дойдя до следующего дроссель-тансформатора они, проходя через обе половины основной обмотки, стекаются к средней точке и по междудроссельной перемычке суммарный ток попадает к средней точке дроссель-трансформатора. Далее ток разветвляется по обоим половинам основной обмотки и снова в виде полутоков протекает по рельсовым нитям до изолирующих стыков, которые обтекает с помощью следующей пары дроссель-трансформатоов.
| 6. По месту применения рельсовые цепи разделяются на неразветвленные и разветвлённые. 6.1. Неразветвленные РЦ (ранее рассмотренные рельсовые цепи). В таких цепях один источник питания, один путевой приемник, на рельсовой линии нет ответвлений, т.е. отсутствуют стрелочные переводы. 6.2. Разветвленные применяются на станциях для контроля свободного состояния участков пути, стрелочных секций и наиболее эффективного использования путевого развития при поездной и маневровой работе. Рельсовая цепь называется разветвлённой, если на контролируемом участке находится хотя бы один стрелочный перевод (рис. 2.26). 7. В зависимости от применяемой элементной базы рельсовые цепи разделяются на: 7.1) РЦ с электромагнитным путевым приемником; 7.2) электронные; 7.3) микропроцессорные. |
|
2.2.4. Понятие о первичных и вторичных параметрах рельсовой линии
Так как рельсовые цепи работают в различных условиях, то их расчет и анализ необходимо производить в трех основных режимах. Для расчета и анализа необходимо использовать различные параметры замещения реальных величин. Сред всех параметров выделяют первичные и вторичные. На рис. 2.27 приведена схема замещения рельсовой цепи, на которой указаны элементы замещения.
К первичными параметрам рельсовой цепи относятся электрическое сопротивление изоляции (rи) и электрическое сопротивление рельсов (zп). Электрическое сопротивление изоляции это сопротивление, оказываемое сигнальному току утечки от одной рельсовой нити к другой через шпалы и балласт. Под электрическим сопротивлением рельсов подразумевается электрическое сопротивление рельсовой петли (обеих рельсовых нитей), состоящее из электрического сопротивления рельсов и рельсовых стыков. Именно эти параметры определяют, какая часть энергии теряется при прохождении тока по рельсовым нитям.

Рис. 2.27. Схема рельсовой цепи
Суть расчета рельсовой цепи состоит в определении напряжения, которое нужно подать в линию с источника питания, чтобы на путевом приемнике при свободном состоянии рельсовой линии напряжение было достаточно для притягивания якоря реле, а при занятости контролируемого участка пути напряжение было меньше, чем напряжение отпадания якоря. Для расчета рельсовых линий существуют уравнения, связывающие напряжение и ток в начале (Uн, Iн) с током и напряжением в конце РЦ (Uк, Iк):
;
,
где
– длина рельсовой линии;
– коэффициент распространения волны;
– волновое сопротивление;
– сопротивление рельсовой петли;
– сопротивление изоляции (балласта) между рельсовыми нитями.
Для конкретного типа рельсовой цепи величины Uк и Iк являются известными величинами. Нормативные параметры zп и rи определяются расчетами и экспериментально с учетом типа применяемых рельсов и балласта. На основании этих параметров и приведенных формул рассчитываются требуемые напряжения и токи, которые необходимо установить в начале РЦ.
2.2.5. Особенности работы рельсовых цепей в зависимости от места применения
На электрифицированных участках рельсовые линии одновременно используются для пропуска сигнального и обратного тягового тока, поэтому питание рельсовых цепей на таких участках осуществляется переменным током частотой, отличающейся от частоты тягового тока.
Рельсовые цепи переменного тока применяют как на электрифицированных линиях, так и при автономной тяге, но только там, где гарантируется стабильное энергоснабжение. Наиболее широко используют рельсовые цепи с частотой сигнального тока 25 Гц. Для достижения защищенности РЦ от мешающего и опасного влияния тягового тока и его гармонического состава, сигнальная частота 50 Гц может быть использована только при автономной тяге и электротяге постоянного тока.
Сигнальная частота 25 Гц может быть использована при всех видах тяги, поскольку в тяговых энергосетях гармоник с этой частотой колебаний нет. В тяговой сети, выполненной по системе переменного тока, действует основная гармоника (частотой 50 Гц). Наиболее перспективным направлением можно считать использование в рельсовых нитях сигнального тока 25 Гц, получаемого от статического параметрического преобразователя ПЧ 50/25. На перегонах при электротяге переменного тока в настоящее время чаще всего применяется кодовая рельсовая цепь, которая получается благодаря числовому кодированию информации, число импульсов в кодовом цикле определяет характер передаваемой по рельсовой линии информации. При числовом кодировании в рельсовую линию подается импульсное питание с различным количеством импульсов в кодовом цикле.
Использование в РЦ низкой частоты позволяет увеличить предельную длину ее рельсовой линии. В настоящее время разработаны и внедряются рельсовые цепи тонального диапазона частот порядка 425...775 Гц с рельсовыми линиями укороченной длины (не более 1200 м) без изолирующих стыков.
Рельсовые цепи постоянного тока применяются на участках с автономной тягой, при отсутствии в рельсовых линиях помех от электрического транспорта железнодорожных электрифицированных линий, электросетей трамвайных и троллейбусных линий, а также блуждающих токов от других электросиловых систем. Основное их достоинство – возможность резервирования питания рельсовых цепей применением аккумуляторов и сохранение при этом работоспособности рельсовых цепей на время прекращения энергоснабжения от высоковольтной линии.
На станциях чаще всего применяются фазочувствительные рельсовые цепи. Двухэлементный приемник имеет два воспринимающих элемента: на один из них поступает рабочий сигнальный ток из рельсовой линии, а на другой (местный) подается напряжение непосредственно от источника. Сигнал, принимаемый путевым элементом, в зависимости от состояния рельсовой линии меняет как свою амплитуду, так и фазу. Сигнал местного элемента всегда неизменен по амплитуде и фазе вне зависимости от состояния рельсовой линии. Между сигналами, подаваемыми на путевой и местный элементы, должны быть определенные идеальные фазовые соотношения. Такой приемник реагирует на амплитуду и фазу сигнала, принимаемого из рельсовой линии. При отклонении фазы на некоторый угол от идеального или при уменьшении амплитуды ниже напряжения отпускания путевой приемник фиксирует занятость или неисправность рельсовой цепи.
Рельсовые цепи дают наибольшее количество отказов, которые приводят к частичному или полному отказу всей системы. Рельсовые линии являются самыми уязвимыми звеньями, в которых зарождаются не только защитные, но и опасные отказы с тяжелыми последствиями, угрожающими безопасности движения. Поэтому новые разработки в области рельсовых цепей главным образом направлены на повышение надежности. Для этого принимаются следующие меры:
· используют РЦ без изолирующих стыков в рельсовых линиях с применением частотного принципа кодирования информации;
· внедряют средства технической диагностики, способной выявлять предотказные состояния, дистанционно проверять шунтовую чувствительность РЦ, повреждения в рельсовых нитях и др.;
· дублируют, а при необходимости троируют, стыковые соединители и стрелочные джемпера, а для изолирующих стыков используют высокопрочные полимерные компоненты;
· укорачивают предельную (максимальную) длину рельсовых линий и тем самым повышают шунтовую чувствительность РЦ;
· используют логический контроль направления перемещения подвижных единиц и временную защиту РЦ от кратковременной потери поездного шунта;
· для контроля одного и того же участка пути (рельсовой линии) применяют несколько разнотипных рельсовых цепей, одна из которых (основная) контролирует всю рельсовую линию, а другие (вспомогательные) контролируют локальные участки этой рельсовой линии по ее концам.
2.2.6. Рельсовые цепи тональной частоты
В настоящее время широкое распространение на отечественных и зарубежных железных дорогах получили бесстыковые рельсовые цепи тональной частоты (ТРЦ). Они обладают рядом существенных эксплуатационных, технических и экономических преимуществ. Особенностью данных рельсовых цепей является отсутствие изолирующих стыков на границах блок-участков.
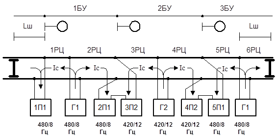
Принцип контроля участков пути без разделения их изолирующими стыками поясняет рис. 2.28.

Рис. 2.28. Схема включения рельсовой цепи тональной частоты
На каждые две смежные рельсовые цепи, контролирующих один блок – участок устанавливается один генератор Г1 или Г2, который вырабатывает свои несущие частоты модулированные низкочастотными сигналами. Рельсовые цепи 1РЦ, 2РЦ, 5РЦ, 6РЦ получают питание от генераторов Г1 несущей частотой 480 Гц промодулированной частотой 8 Гц, а рельсовые цепи 3РЦ, 4РЦ получают питание от генератора Г2 с несущей частотой 420 Гц промодулированной частотой 12ГЦ. Состояния участков пути контролируются путевыми приемниками П. Первая цифра в условном наименовании приемника обозначает номер безстыковой РЦ а вторая – номер генератора запитывающего эту цепь. Каждый приемник представляет собой усилитель, настроенный на прием сигналов частот 480/8 или 420/12 Гц. Для контроля одного блок-участка может использоваться одна, две и более рельсовых цепей в зависимости от его длины и состояния балласта (сопротивления изоляции).
При коротких 2РЦ, 3РЦ, 4РЦ питание 5РЦ необходимо осуществить от генератора с частотой 580 Гц, чем исключается взаимное влияние РЦ работающих на одинаковых частотах.
Отличительной особенностью РЦ без изолирующих стыков является наличие зон дополнительного шунтирования. Эти цепи могут быть зашунтированы подвижным составом, находящимся на смежной РЦ на некотором расстоянии Lш от места подключения путевого приемника. При сопротивлении изоляции (балласта) 0,8–1 Ом×км максимальная длина РЦ составляет 1000 м, а зона дополнительного шунтирования может достигать 100 м, и зависит от многих факторов, что не позволяет без дополнительных мер применять их в системах автоматической блокировки с проходными светофорами.
Для исключения возможности перекрытия светофора, стоящего на границе блок-участка, на запрещающее показание при приближении к нему поезда (за счет зоны дополнительного щунтирования) применяются дополнительные РЦ длиной 200–250 м. Эти РЦ работают на частотах 4500–5500 Гц и имеют зону дополнительного шунтирования не более 20 м, что позволяет с большой точностью фиксировать моменты занятия и освобождения контролируемых блок-участков.
Рельсовые цепи тональной частоты практически без изменений могут применяться при любом виде тяги, в том числе и на станциях. В станционных ТРЦ на границах контролируемых участков изолирующие стыки частично сохраняются.
Максимальная длина ТРЦ на железнодорожных линиях составляет 1000 м. В этом случае обеспечиваются все режимы работы ТРЦ при сопротивлении изоляции (балласта) до 0,7 Ом км. С уменьшением сопротивления балласта предельная длина ТРЦ снижается.
Большое влияние на техническое обслуживание оказывает рациональная организация методов ремонта и восстановления РЦ, квалификация обслуживающего персонала, оснащенность приборами, инструментом, транспортными средствами.
Контрольные вопросы
1. Назначение и режимы работы рельсовых цепей.
2. Назначение основных элементов рельсовых цепей.
3. По каким признакам классифицируются рельсовые цепи.
4. В чем заключается регулировка рельсовых цепей.
5. Способы повышения шунтовой чувствительности рельсовых цепей.
6. Назначение и принцип работы дроссель-трансформаторов.
7. Станционные рельсовые цепи, особенность работы.
8. Перегонные рельсовые цепи.
9. Принцип работы рельсовых цепей тональной частоты.
10. Чем обусловлено наличие зоны дополнительного шунтирования в ТРЦ?
11. Влияние сопротивления изоляции на работу рельсовых цепей.
12. Основные требования техники безопасности при обслуживании рельсовых цепей.