Механизм переработки информации человеком
ДМ.3. Механизм переработки информации человеком в поведение
Безусловно, одним из важных следует считать механизм переработки информации человеком (Линсей П., Норман Д., 1974; Воронов И.А., 2000), кратко и схематично проиллюстрированный в таблице 2. Здесь не имеется ввиду только информация вербальная или визуальная, под информацией здесь понимается любые сигналы (стимулы), поступившие на сенсоры организма человека.
Таблица 2.
Механизм переработки информации человеком
| Этапы | Содержание этапа переработки информации внормальнойситуации | Содержание этапа переработки информации вэкстремальнойситуации | Процесс | Область исследований |
| Ощущение – регистрация сигналов сенсорными системами и переработка их в данные | Параллельно, сигнал по таламическому тракту достигает миндалевидное тело за 0,012”, где происходит определение опасности объекта или процесса | ВОСПРИЯТИЕ | ПСИХОЛОГИЯ ФИЗИОЛОГИЯ ЦНС | |
| Анализ(квантование, фрагментирование) – возбуждение специфических нейронных полей | ||||
| Синтез (распознавание, узнавание) – паттерн возбужденных специфических нейронных полей и есть активация памяти – сравнение данных с имеющимися в памяти знаниями – паттернами данных | ||||
| Принятие решения(первичное) – включение защитных механизмов (если распознан «опасный паттерн» или на распознавание затрачено более 0,05” – 0,06”, иначе – «безопасно») и принятие решение на моторные действия | Моторная реакция «борьба или бегство» | НАУЧЕНИЕ | СОЦИАЛЬНАЯ ПСИХОЛОГИЯ | |
| Обратная связь– включение адаптивных механизмов | ||||
| Принятие решения(вторичное – условно окончательное) Завершение работы защитных механизмов и принятие решение на моторные действия |
По Л.Б. Ительсону (1973) существует три основных способа переработки внешней информации в поведение: 1) инстинкт – врожденная форма (программа) поведения; 2) навык – научение биологических существ действовать в изменяющихся ситуациях методом поиска (Торндайка законы готовности и упражнения) и отбора (з-н эффективности); 3) интеллектуальное поведение – принятие оптимального решения (с минимальным количеством проб), направленного на достижение конечного результата.
Инстинкт – это врожденная гибкая программа специализированного поведения, которая включает в себя подготовку действий, последовательность их реализации, регулировку ее с помощью прямой и обратной связи, а также с помощью общего и корректировочного приспособления к условиям среды. Для успешного функционирования цепи безусловных рефлексов инстинкта (по Л.Б. Ительсону) требуется: 1. Врожденная программа действий; 2. Сигнал о возможности реализации программы; 3. Прямая связь с внешней средой; 4. Обратная связь; 5. Тропизмы (приспособительные механизмы); 6. Механизм внутренней корректировки действий.
Навык – это сложная динамическая программа поведения, формирующаяся у организма в ходе его взаимодействия с окружающим миром. Возможность образования навыка обуславливается: 1. Врожденными диспозициями организма (соответствующими экологической нише); 2. Этапом развития организма; 3. Состояния организма в момент научения. В формировании навыка участвуют акты: 1. Латентное научение; 2. Усвоение пространственных отношений; 3. Предвосхищение результата; 4. Контроль эффекта совершенных действий; 5. Отражение общей ситуации. На рисунке 17 схематично изображен процесс формирования условного рефлекса (Павлов И.П., 1916, Нейман Дж., 1927).
Интеллектуальное поведение – это поведение, направленное на активное преобразование окружающей среды. Компоненты интеллектуального поведения: 1. Обнаружение непригодности, в данной ситуации, всех привычных способов достижения соответствующей цели; 2. Перенос опыта поведения в иных ситуациях; 3. Реагирование на пространственно-временные отношения, регулирование поведения в соответствии с отношением вещей, имеющим место в данной ситуации; 4. Экстраполяция (прогнозирование, предощущение, предвосхищение, антиципация) изменений ситуации, которые возникнут в результате выполнения соответствующего действия (или его невыполнения); 5. Создание виртуальных миров в мозгу.

Рис. 17. Схема нервной цепи, моделирующей условный рефлекс
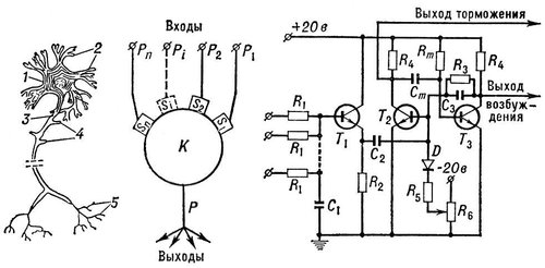
Рис.2. Схематическое изображение нейрона (слева), его модели (в середине) и электрическая схема искусственного нейрона (справа): 1 — тело клетки; 2 — дендриты; 3 — аксон; 4 — коллатерали; 5 — концевое разветвление аксона; Pn, Pi, P2, P1 — входы нейрона; Sn, Si, S2, S1 — синаптические контакты; Р — выходной сигнал; К — пороговое значение сигнала; R1 — R6, Rm — сопротивления; C1 — C3, Cm — конденсаторы; T1—T3 — транзисторы; D — диод.
В Большой Советской Энциклопедии рядом со словом "Схематическое изображение нейрона, его модели и электрическая схема искусственного нейрона"
Антиципирование (прогнозирование будущего) – одна из самых предпочитаемых способностей, которой хотели бы обладать люди, для избегания и предотвращения экстремальных ситуаций. И действительно, многие люди этой способностью обладают, но каковы ее механизмы и можно ли натренировать эту способность – до сих пор неизвестно.
Для объяснения механизмов обратимся к теории сигналов. Как известно, ни один сигнал в естественных условиях не возникает мгновенно (рис. 36) – требуется какое-то время ∆t, что бы сигнал достиг максимальной амплитуды. С другой стороны, важен уровень шумов. Если считать, что за «норму» принят уровень шумов Н, то система будет регистрировать сигнал в момент tH (условно будем считать его «настоящим временем»), но если каким-либо образом уровень шумов понизить, то время регистрации сигнала сдвинется влево, т.е. в будущее. Другими словами, система приобретет способность регистрировать сигнал раньше «настоящего времени», т.е. антиципировать событие.

Рис. 36. Распределение сигнала во времени (общая схема)
Каким образом можно понизить уровень шумов принимающей системы? Здесь, видимо, речь должна идти о механизме переработки информации человеком (МПИ), подробно описанный нами в главе 2: требуется привести МПИ в некое идеальное состояние, чтобы собственные шумы системы понизились, а время регистрации и переработки сигналов – сместилось влево.
Как показали много-летние эксперименты, подобные технологии «снижения шумов МПИ» существуют достаточно давно, а их количество превышает десятки тысяч. Одной из таких технологий является ежедневное юстирование МПИ средствами психотелесных упражнений в соответствии с планетарными ритмами. В качестве справочной системы, начиная с 1992 года, когда методика была апробирована борт-инженером Александром Полищуком (рис. 37) на орбитальном пилотируемом комплексе «Мир», была создана компьютерная мультимедийная программа «Солнечный круг» (рис. 38), в последней версии «The Solar Limbs» (рис. 39).
База данных программы «The Solar Limbs» насчитывает 151 комплекс психотелесных упражнений, состоящих из физического упражнения, эйдоса и звукоряда, предъявляемых комплексно в соответствии с цирканнуальными планетарными ритмами.
Многолетняя апробация программы показала ее высокую эффективность и может быть рекомендована в качестве тренировочной для развития антиципации.