Разрезы простые. Совмещение части вида и части разреза
Теоретическая часть
Виды полностью выявляют внешние формы детали. Для выявления внутренних, невидимых наблюдателю, форм поверхностей (пустот) детали применяют разрезы (ГОСТ 2.305–68).
Для образования разреза (рис. 3.1) деталь мысленно рассекают плоскостью Р , называемой секущей. Часть детали, расположенную между наблюдателем и секущей плоскостью Р , условно отбрасывают, а оставшуюся изображают на плоскости проекций П2 , параллельной секущей, получая разрез. На разрезе показывают то, что находится в секущей плоскости (штрихуется), и то, что расположено за ней (не штрихуется).

Рисунок 3.1 – Образование разреза
Простым называется разрез, получаемый при использовании одной секущей плоскости.
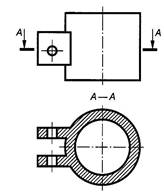
Если секущая плоскость параллельна горизонтальной плоскости проекций П1 , то разрез называется горизонтальным (рис. 3.2). Если секущая плоскость параллельна фронтальной плоскости проекций П2 , то разрез называется фронтальным (рис. 3.3). Если секущая плоскость параллельна профильной плоскости проекций П3 , то разрез называется профильным (рис. 3.4). Если секущая плоскость расположена под углом к горизонтальной плоскости проекций П1, то разрез называется наклонным (рис. 3.5).
Рисунок 3.2 – Горизонтальный разрез
|
Рисунок 3.3 – Фронтальный разрез
|
Рисунок 3.4 – Профильный разрез
|
Рисунок 3.5 – Наклонный разрез
|
Положение секущей плоскости указывают на чертеже линией сечения, представляющей собой разомкнутую линию толщиной от S до 1,5S (см. таб. 1.2) c указанием направления взгляда стрелками (рис. 3.2 и 3.5). Толщина штрихов должна получаться в 1,5 раза больше толщины линий контура детали и штрихи не должны пересекать контур изображения. Стрелки наносят на расстоянии 2…3 мм от внешнего края штриха. Линию сечения помечают одинаковыми буквами русского алфавита (например, А), которые наносят около стрелок с внешней стороны всегда параллельно основной надписи. Номер шрифта букв должен быть в 2 раза больше номера шрифта цифр размерных чисел. Над разрезом делают надпись типа А – А, которую всегда располагают горизонтально.
Обозначения секущих плоскостей и размеры штрихов приведены на рисунке 3.6.
|
|
Рисунок 3.6 – Линия сечения
Если секущая плоскость совпадает с плоскостью симметрии детали и разрез выполняется в проекционной связи, то в этом случае положение секущей плоскости не обозначается и разрез не подписывается (рис. 3.3 и 3.4).
Разрезы штрихуются под углом 450. Однако, если секущая плоскость проходит вдоль спицы маховика (рис. 3.7а) или вдоль тонкой стенки (толщиной до 12 мм) типа «ребра жесткости» (рис. 3.7б), то в разрезе они не штрихуются. При этом сверление в ребре показывают местнымразрезом.

Рисунок 3.7 – Условности разрезов
Соединение части вида и части разреза. Для симметричных деталей рекомендуется выполнять совмещение половины вида с половиной разреза. Разделяющей линией в это случае служит ось симметрии детали (рис. 3.8а). При этом, как правило, разрезы располагают справа от вертикальной или внизу от горизонтальной оси симметрии.
а
|
б в
|
г
|
Рисунок 3.8 – Совмещение вида с разрезом
При наличии ребра на внешней или внутренней поверхности детали, совпадающего с осевой линией, следует соединять часть вида с частью разреза, разграничивая их сплошной волнистой линией. При этом линию надо проводить левее оси симметрии (рис. 3.8б), чтобы в разрезе открыть внутреннее ребро, или правее (рис. 3.8в), чтобы сохранить на виде наружное ребро. При наличии внутреннего и внешнего ребер разрез оформляется как на рисунке 3.8г [3 (гл. 5.3); 4 (гл. 1.3)].
Аксонометрическое изображение. На этом занятии необходимо будет выполнить аксонометрию детали с четвертью выреза, имеющую цилиндрические отверстия. В аксонометрии окружность проецируется в эллипс. Но для упрощения построений эллипс заменяют овалом.
Построение овала в изометрии в плоскости XOY и детали с четвертью выреза показано на рисунке 3.9. Для любой плоскости проекций большая ось овала всегда перпендикулярна оси, которой нет в этой плоскости, а малая ось совпадает с направлением отсутствующей оси.
В изометрии по осям Х и Y размеры не изменяются. Поэтому на них откладываем отрезки АВ и СD равные диаметру заданной окружности. Затем из точки В проводим перпендикуляр к оси Y до пересечения с осью Z в точке О1. В пересечении с горизонтальной прямой (большой осью овала) получаем точку О2. Точки О1 и О2 являются соответственно центрами дуг радиусов R и r, которыми соединяются точки С и В, В и D, а также А и С.

Рисунок 3.9 – Овал в изометрии и деталь с четвертью выреза
Построение овала в диметрии в плоскости XOY и детали с четвертью выреза показано на рисунке 3.10.
В диметрии размер не изменяется по оси Х. Поэтому на ней откладываем отрезок АB равный диаметру заданной окружности. Затем из точки B проводим перпендикуляр к оси Y до пересечения с осью Z в точке К . Затем радиусом КМ проводим дугу до пересечения с осью Z в точке О1. При пересечении прямой ВК с горизонтальной прямой (большой осью овала) получаем точку О2. Точки О1 и О2 являются центрами дуг радиусов R и r , которыми проводятся дуги между точками В и А [4 (гл.1.9)].

Рисунок 3.10 – Овал в диметрии и деталь с четвертью выреза
Контрольные вопросы
1. Что называется простым разрезом ?
2. Как называются простые разрезы?
3. В каких случаях обозначают секущую плоскость?
4. Как выполняют совмещение вида с разрезом?
5. С какого вида берут ширину детали при построении вида слева?
6. Как изображается внутреннее ребро детали на разрезе?
Рисунок 3.2 – Горизонтальный разрез
Рисунок 3.3 – Фронтальный разрез
Рисунок 3.4 – Профильный разрез
Рисунок 3.5 – Наклонный разрез
а
б в
г