Опасность замыкания на землю в электроустановках.
Глава ІY. ЭЛЕКТРОБЕЗОПАСНОСТЬ
ЛЕКЦИЯ № 9
ТЕМА: ЭЛЕКТРОТРАВМАТИЗМ И ДЕЙСТВИЕ ЭЛЕКТРИЧЕСКОГО ТОКА НА ОРГАНИЗМ ЧЕЛОВЕКА
План
1. Определение электробезопасности и действие электрического тока на организм человека.
Виды электрических травм. Причины смертельных исходов от действия электрического тока
3. Факторы, влияющие на последствия поражения электрическим током.
4. Классификация помещений по степени риска поражения электрическим током.
Условия поражения человека током при прикосновении к токоведущим частям электросетей.
Опасность замыкания на землю в электроустановках.
1. Определение электробезопасности и действие электрического тока на организм человека.
С каждым годом растет производство и потребление электроэнергии (табл. 3.4), а значит и количество людей, которые в процессе своей жизнедеятельности используют (эксплуатируют) электрические устройства и установки. Поэтому вопрос электробезопасности приобретают особое значение.
Таблица 3.4 Динамика роста мирового производства электроэнергии
| Роки | ||||
| % до 196Op. |
Электробезопасность - система организационных и технических мероприятий и средств, обеспечивающих защиту людей от вредного и опасного воздействия электрического тока, электрической дуги, электромагнитного поля и статического электричества.
Анализ производственного травматизма показывает, что число травм, вызванных воздействием электрического тока является незначительной и составляет около 1%, однако из общего количества смертельных несчастных случаев доля электротравм уже составляет 20-40% и занимает одно из первых мест. Наибольшее количество случаев электротравматизма, в том числе со смертельным исходом, происходит при эксплуатации электроустановок напряжением до 1000 В, что связано с их распространением и относительной доступностью практически для каждого, кто работает на производстве. Случаи электротравматизма, при эксплуатации электроустановок напряжением свыше 1000 В редкие, что обусловлено незначительным распространением таких электроустановок и обслуживанием их высококвалифицированным персоналом.
Основными причинами электротравматизма на производстве являются: случайное прикосновение к неизолированным токоведущим частям электрооборудования, использование неисправных ручных электроинструментов, применение нестандартных или неисправных переносных светильников напряжением 220 или 127 В, работа без надежных защитных средств и предохранительных приспособлений; прикосновение к незаземленным корпусам электрооборудования оказавшимся под напряжением вследствие повреждения изоляции несоблюдения правил устройства, технической эксплуатации и правил техники безопасности при эксплуатации электроустановок и др..
Электрооборудование, с которым приходится иметь дело практически всем работникам на производстве, составляет значительную потенциальную опасность еще и потому, что органы чувств человека не способны на расстоянии выявлять наличие электрического напряжения. В связи с этим защитная реакция организма проявляется только после того, как человек попал под действие электрического напряжения.
Проходя через организм человека электрический ток оказывает на неготермическое, электролитическое, механическое и биологическое действие.
Термическое действие тока проявляется ожогами отдельных участков тела, нагреве кровеносных сосудов, сердца, мозга и других органов, через которые проходит ток, что приводит к возникновению в них функциональных расстройств.
Электролитическое действие тока характеризуется разложением крови и других органических жидкостей вызывает существенные нарушения их физико-химического состава.
Механическое действие тока проявляется повреждениями (разрывы, расслоение и др.) различных тканей организма в результате электродинамического эффекта.
Биологическое действие тока на живую ткань проявляется опасным возбуждением клеток и тканей организма, что сопровождается непроизвольными судорожными сокращениями мышц. Такое возбуждение может привести к существенным нарушениям и даже полному прекращению деятельности органов дыхания и кровообращения.
Раздражение тканей организма в результате воздействия электрического тока может быть прямым, когда ток проходит непосредственно через эти ткани, и рефлекторным (через центральную нервную систему), когда ткани не находятся на пути прохождения тока.
2. Виды электрических травм. Причины смертельных последствий от действия электрического тока.
Электротравма - это травма, которая вызвана действием электрического тока или электрической дуги. По результатам электротравмыусловно подразделяют на два вида: местные электротравмы, когда возникает местное повреждение организма, и общие электротравмы (электрические удары), когда поражается весь организм в результате нарушения нормальной деятельности жизненно важных органов и систем. Приблизительное распределение электротравм по их видам выглядит следующим образом: местные электротравмы - 20%; электрические удары - 25%; смешанные травмы (совокупность местных электротравм и электрических ударов) - 55%.
Характерными местными электрическими травмами являются электрические ожоги, электрические знаки, металлизация кожи, механические повреждения и электроофтальмия.
Электрический ожог - наиболее распространенная местная электротравма (около 60%), которая, в основном, наблюдается у работников, обслуживающих действующие электроустановки.
Электрические ожоги в зависимости от условий их возникновения бывают двух видов: токовые (контактные), когда в результате прохождения тока электрическая энергия превращается в тепловую, и дуговые, возникающих вследствие воздействия на тело человека электрической дуги. В зависимости от количества выделенной теплоты и температуры, а также и размеров дуги электрические ожоги могут поражать не только кожу, но и мышцы, нервы и даже кости. Такие ожоги называются глубинными и заживают достаточно долго.
Электрические знаки (электрические метки) представляют собой пятна серого или бледно-желтого цвета в виде мозоли на поверхности кожи в месте ее контакта с токопроводящими частями.
Металлизация кожи - это проникновение в верхние слои кожи мельчайших частичек металла расплавляется результате действия электрической дуги. Такого повреждения, обычно, испытывают открытые части тела - руки и лицо. Поврежденный участок кожи становится твердой и шершавой, однако за относительно короткое время она вновь приобретает прежний вид и эластичность.
Механические повреждения - это повреждения, возникающие вследствие судорожных сокращений мышц под действием электрического тока, проходящего через тело человека. Механические повреждения проявляются в виде разрывов кожи, кровеносных сосудов, нервных тканей, а также вывихов суставов и даже переломов костей.
Электроофтальмия - это поражение глаз вследствие воздействия ультрафиолетовых излучений электрической дуги.
Наиболее опасным видом электротравм является электрический удар, который в большинстве случаев (около 80%, включая смешанные травмы) приводит к смерти пострадавшего.
Электрический удар - это возбуждение живых тканей организма электрическим током, сопровождается судорожным сокращением мышц. В зависимости от последствий поражения электрические удары можно условно подразделить на четыре степени:
І -судорожные сокращения мышц без потери сознания;
II - судорожные сокращения мышц с потерей сознания, но с сохранением дыхания и работы сердца;
III - потеря сознания и нарушение сердечной деятельности или дыхания (либо того и другого вместе);
ІY -клиническая смерть.
Клиническая смерть - это переходный период от жизни к смерти, которая наступает с момента остановки сердечной деятельности и легких и длится 6-8 минут, пока не погибли клетки головного мозга. После этого наступает биологическая смерть, в результате которого прекращаются биологические процессы в клетках и тканях организма и происходит распад белковых структур.
Если при клинической смерти немедленно освободить пострадавшего от действия электрического тока и срочно начать предоставление необходимой помощи (искусственное дыхание, массаж сердца), то существует высокая вероятность по сохранению ему жизни.
Причинами летальных исходов от воздействия электрического тока могут быть: остановка сердца или его фибрилляция (хаотическое сокращение волокон сердечной мышцы) прекращение дыхания вследствие судорожного сокращения мышц грудной клетки, участвующие в процессе дыхания; электрический шок (своеобразная нервно-рефлекторная реакция организма на раздражение электрическим током, сопровождающееся расстройствами кровообращения, дыхания, обмена веществ и т. п.). Возможна также одновременное действие двух или даже всех трех вышеназванных причин. Следует отметить, что шоковое состояние может длиться от нескольких десятков минут до суток. При длительном шоке, обычно, наступает смерть.
3. Факторы, влияющие на последствия поражения электрическим током.
Характер воздействия электрического тока на организм человека, а следовательно и последствия поражения зависят от целого ряда факторов, которые условно можно подразделить на факторы электрического (сила тока, напряжение, сопротивление тела человека, вид и частота тока) и неэлектрического характера (длительность прохождения электрического тока, путь прохождения тока через тело человека, индивидуальные особенности человека, условия окружающей среды и т.д.).
Сила тока, проходящего через тело человека является основным фактором, который обусловливает последствия поражения. Разные по величине токи производят и разное влияние на организм человека. Различают три основные пороговые значения силы тока:
- пороговый ощутимый ток - наименьшее значение электрического тока, вызывающего при прохождении через организм человека ощутимые раздражения;
- пороговый неотпускающий ток - наименьшее значение электрического тока, которое вызывает судорожные сокращения мышц руки, в которой зажат проводник, что исключает самостоятельное освобождение человека от воздействия тока;
- пороговый фибриляционный (смертельно опасный) ток - наименьшее
значение электрического тока, вызывающего при прохождении через тело человека
фибрилляцию сердца.
В табл. 3.5 приведены пороговые значения силы тока при его прохождении через тело человека по пути «рука-рука» или «рука-ноги».
Пороговые значения переменного и постоянного тока
Таблица 3.5
| Вид струму | Пороговий відчутний струм, мА | Пороговий невідпускаючий струм, мА | Пороговий фібриляційний струм, мА |
| Змінний струм частотою 50 Гц Постійний струм | 0,5—1,5 5,0—7,0 | 6—10 50—80 | 80—100 |
Ток (переменный и постоянный) более 5 А вызывает мгновенную остановку сердца, минуя состояние фибрилляции.
Таким образом, чем больший ток проходит через тело человека, тем больше опасность поражения. Однако необходимо отметить, что это утверждение не является безусловным, поскольку опасность поражения зависит также и от других факторов, например от индивидуальных особенностей человека.
Значение приложенного напряжения Uп влияет на последствия поражения, так как согласно закону Ома определяет силу тока / п, проходящего через тело человека, и его сопротивление Rп:
Іп = Un / Rп (3.6)
Чем выше значение напряжения, тем больше опасность поражения электрическим током. Условно безопасной для жизни человека принято считать напряжение, не более 42 В (в Украине такая стандартное напряжение составляет 36 и 12 В), при которой не должно произойти пробой кожи человека, что приводит к резкому уменьшению общего сопротивления ее тела.
Электрическое сопротивление тела человека зависит, в основном, от состояния кожи и центральной нервной системы. Общее электрическое сопротивление тела человека можно представить как сумму двух сопротивлений кожи и сопротивления внутренних тканей тела (рис. 3.8, б).Наибольшее сопротивление прохождению тока оказывает кожа, особенно ее внешний ороговевший слой (эпидермис), толщина которого составляет около 0,2 MM. Сопротивление внутренних тканей тела незначителен и составляет 300-500 Ом. В этом можно убедиться, если к языку приложить контакты батарейки, при этом ощущается легкое пощипування. Когда эти же контакты приложить к коже тела, то ощутимых раздражений не возникает, поскольку сопротивление сухой кожи (эпидермиса) значительно больше.
Рис. 3.8. Условные схемы сопротивления тела человека:
а - общая схема: 1 - электроды, 2 - наружный слой кожи 3 - внутренний
слой кожи, 4 - внутренние ткани тела; б - электрическая схема: Rк - активное
сопротивление кожи; Ск - емкостное сопротивление кожи; Rв - сопротивление внутренних тканей тела
Общее сопротивление тела человека изменяется в широких пределах - от 1 до 100 кОм, а иногда и больше. Для расчетов сопротивление тела человека условно принимают равным R = I кОм. При увлажнении, загрязнении и повреждении кожи (потоотделения, порезы, царапины и т.п.), увеличении приложенного напряжения (рис. 3.9), площади контакта, частоты тока (рис. 3.10) и времени его действия сопротивление тела человека уменьшается до определенного минимального значения (0, 5-0,7 кОм.
Рис. 3.9. Зависимость сопротивления тела человека Rп от приложенного напряжения Un 1 - переменный ток 50 Гц, 2 - постоянный ток
Рис. 3.10. Зависимость сопротивления тела человека Rл на пути тока «Рука-рука» от частоты тока и площади контакта S.
Сопротивление тела человека уменьшается также при заболеваниях кожи, центральной нервной и сердечнососудистой систем, проявлениях аллергической реакции. Поэтому нормативные акты об охране труда предусматривают обязательные предварительный и периодические медицинские осмотры работников (кандидатов в работники) для установления их пригодности по обслуживанию действующих электроустановок по состоянию здоровья.
Вид и частота тока, проходящего через тело человека, также влияют на последствия поражения. Постоянный ток примерно в 4-5 раз безопаснее переменного, что подтверждают данные табл. 3.5. Это связано с тем, что постоянный ток по сравнению с переменным промышленной частоты такого же значения вызывает более слабые сокращения мышц и менее неприятные ощущения. Его действие, в основном, тепловое. Однако, следует заметить, что вышеупомянутое о сравнительной опасности постоянного и переменного тока справедливо только для напряжения до 500 В. При более высоких напряжениях постоянный ток становится опасным чем переменный.
Частота переменного тока также играет важное значение в вопросах электробезопасности. Так наиболее опасным считается переменный ток частотой 20-100 Гц (рис. 3.11).При частоте меньше чем 20 или большем 100 Гц опасность поражения током заметно уменьшается. Ток частотой более 500 кГц не может смертельно поразить человека, однако очень часто вызывает ожоги.
Продолжительность прохождения тока на организм человека существенно влияет на последствия поражения: чем больше время прохождения тока, тем быстрее истощаются защитные силы организма, при этом сопротивление тела человека резко снижается и тяжесть последствий возрастает. При протекании тока через 30 секунд сопротивление тела человека уменьшается приблизительно на 25%, а через 90 секунд - на 75% от первоначального.
Индивидуальные особенности человека в значительной степени влияют на последствия поражения электрическим током. Ток, едва ощутимый для одних людей может быть неотпускающим для других. Для женщин пороговые значения тока примерно в полтора раза ниже, чем для мужчин. Степень воздействия тока существенно зависит от состояния нервной системы и всего организма в целом. Так, в состоянии нервного возбуждения, депрессии, опьянение, заболевания (особенно при заболеваниях кожи, сердечно-сосудистой и центральной нервной систем) люди гораздо чувствительнее к воздействию на них тока. Важное значение имеет также внимательность и психическая готовность человека к возможной опасности поражения током. В подавляющем большинстве случаев неожиданный электрический удар приводит к более тяжелым последствиям, чем при осознании человеком существующей опасности поражения.
Условия окружающей среды могут повышать риск поражения человека электрическим током. Так в помещениях с высокой температурой и относительной влажностью воздуха последствия поражения могут быть тяжелыми, поскольку значительное потоотделение для поддержания теплобаланса между организмом и окружающей средой, приводит к уменьшению сопротивления тела человека.
Допустимые значения токов и напряжений. Для правильного определения необходимых средств и мер защиты людей от поражения электрическим током необходимо знать допустимые значения напряжений прикосновения и токов, проходящих через тело человека.
Напряжение прикосновения - это напряжение между двумя точками электрической цепи, в которых одновременно прикасается человек. Предельно допустимые значения напряжения прикосновения и силы тока для нормального (безаварийного) и аварийного режимов электроустановок при прохождении тока через тело человека по пути «рука-рука» или «рука-ноги» регламентируются ГОСТ 12.1.038-82 (табл. 3.7 и 3.8 ).
Таблица 3.7 Предельно значение напряжения прикосновения Uдот и силы тока 1л, проходящего через тело человека при нормальном режиме электроустановки
| Вид струму | Uдот, B (не більше) | Іл, мА (не більше) |
| Змінний, 50 Гц | 0,3 | |
| Змінний, 400 Гц | 0,4 | |
| Постійний | 1,0 |
При выполнении работы в условиях высокой температуры (более 250 C) и относительной влажности воздуха (более 75%) значения таблицы 3.7 необходимо уменьшить в три раза.
Аварийный режим электроустановки означает, что она имеет определенные повреждения, которые могут привести к возникновению опасных ситуаций. Как видно из табл. 3.8 значение Uдот и Ил существенно зависят от продолжительности действия тока.
Таблица 3.8Предельно допустимые значения напряжения прикосновения Uдоп и силы тока І, проходящего через тело человека при аварийном режиме электроустановки
| Вид струму | Нормоване значення | Тривалість дії струму t, с | |||||
| 0,1 | 0,2 | 0,5 | 0,7 | 1,0 | Більше 1,0 | ||
| Змінний, 50 Гц | Uдот, , В (не більше) | ||||||
| Іл, мА (не більше) | |||||||
| Постійний | Ugom, B (не більше) | ||||||
| Іл, мА (не більше) |
Предельно допустимые значения силы тока (переменного и постоянного), проходящего через тело человека при продолжительности воздействия более 1 с ниже порогового неотпускающий ток, поэтому при таких значениях человек коснувшись токоведущих частей установки способен самостоятельно освободиться от действия электрического тока.
4. Классификация помещений по степени риска поражения электрическим током.
По степени опасности поражения электрическим током все помещения делятся на три категории: помещение без повышенной опасности, помещения с повышенной опасностью, особо опасные помещения.
Помещения с повышенной опасностью характеризуются наличием в них одного из следующих условий, создающих повышенную опасность: высокой относительной влажности воздуха (превышающий 75% в течение длительного времени) высокой температуры (превышающей 35 ° С в течение длительного времени) токопроводящей пыли; токопроводящего пола ( металлический, земляной, железобетонный, кирпичный и т. п.); возможности одновременного прикосновения к металлическим элементам технологического оборудования или металлоконструкций здания, соединенные с землей и металлических частей электрооборудования, которые могут оказаться под напряжением.
Особо опасные помещения характеризуются наличием одного из условий, создающих особую опасность: слишком высокой относительной влажности воздуха (около 100%), химически активной среды, или одновременным наличием двух или более условий, создающих повышенную опасность.
Помещения без повышенной опасности характеризуются отсутствием условий, создающих особую или повышенную опасность.
Поскольку наличие опасных условий влияет на последствия случайного прикосновения к токоведущим частям электрооборудования, то для ручных переносных светильников, местного освещения производственного оборудования и электрифицированного ручного инструмента в помещениях с повышенной опасностью допускается напряжение питания до 36 В, а в особо опасных помещениях - до 12 В.
5. Условия поражения человека током при прикосновении к токоведущим частям электросетей.
Если человек одновременно прикасается к двум точкам, между которыми существует некоторое напряжение, и при этом образуется замкнутая электрическая цепь, то через тело человека проходит электрический ток. Величина этого тока, а следовательно и опасность поражения человека, зависит от ряда факторов: схемы подключения человека к электрической цепи, напряжения, схемы самой сети, режима ее нейтрали, качества изоляции токоведущих частей от земли, емкости токоведущих частей относительно земли.
Электрические сети делятся на сети постоянного и переменного тока (одно-и многофазные). Чаще всего в промышленности применяются трехфазные сети с изолированной нейтралью (трех-проводные) и с глухозаземленной нейтралью (четырех-проводные).
Глухозаземленной нейтраль - нейтраль генератора или трансформатора, которая присоединена к заземляющему устройству непосредственно или через аппараты с малым сопротивлением.
Изолированная нейтраль - это нейтраль трансформатора или генератора, не присоединенная к заземляющему устройству или присоединенная к нему через аппараты с большим сопротивлением (трансформаторы напряжения, компенсационные катушки и т.д.).
Схемы подключения человека к электрической цепи могут быть разными. Однако наиболее характерны две схемы подключения: между двумя фазами электрической сети (двухфазное прикосновение) и между одной фазой и землей (однофазное прикосновение).
Двухфазное (двухполюсное) прикосновение. При двухфазном прикосновении к токоведущим частям (рис. 3.13) сила тока, проходящего через тело человека определяется по формулам:
- для сети постоянного или однофазного переменного тока
- для трехфазной сети
, где R - сопротивление тела человека; Uраб - рабочее напряжение сети; Uлин - линейное напряжение сети; Uф - фазное напряжение сети.
Двухфазное прикосновения более опасное, поскольку зависит только от напряжения и сопротивления тела человека. Однако такие случаи встречаются довольно редко и является, обычно, последствиями нарушения правил техники безопасности.
а б
Рис. 3.13. Схема двухфазного прикосновения:
а - в сети постоянного или однофазного переменного тока, б - в трехфазной сети
Таким образом, при двухфазном прикосновении через тело человека может пройти ток, который превышает значение порогового фибриляцийного тока (табл. 3.5), что может привести к смертельному поражению.
Однофазное (однополюсное) прикосновение. При однофазном прикосновении в сети с глухозаземленной нейтралью (рис. 3.14, а) через тело человека проходит меньший ток, поскольку напряжение, под которым оказался человек не превышает фазный, что в
раз меньше чем линейное напряжение сети. Кроме того, общее сопротивление электрической цепи может состоять не только из сопротивления тела человека, и сопротивления заземления нейтрали, но и сопротивления пола (основания), на которой стоит человек и сопротивления ее обувь.
Рассмотрим случай, когда человек прикасается к одной из фаз трехфазной сети напряжением 380 В (Uф= 380
= 220) с глухозаземленной нейтралью (принимаем
= 0), однако стоит на нетоковедущие деревянном полу, что имеет сопротивление
= 60 000 Ом в сухой обуви на резиновой подошве (
= 50 000 Ом), тогда ток, который может пройти через тело человека будет равен:
І = 220 / (1000 + 0 + 60 000 + 50 000) = 0,002 А (2 мА).
Ток такой силы абсолютно безопасен для жизни человека, поскольку он меньше порогового неотпускающего тока.
Если человек стоит на земле или токопроводящей полу (
= 0) в промоченные обуви (
= 0), то Іл составляет: Іл = 220 / (1000 + 0 + 0 + 0) = 0,22 А (220 мА).
Такое значение силы тока является смертельно опасным для человека.
При однофазном прикосновении в трехфазной сети с изолированной нейтралью (рис. 3.14, б) ток пройдет через тело человека будет меньше при аналогичном прикосновении в сети с глухозаземленной нейтралью. Это связано с тем, что
к общему сопротивлению электрической цепи еще добавляется сопротивление изоляции (
,
,
) и емкости (
,
,
) фаз. В такой сети напряжением до 1000 В, когда значение сопротивления изоляции всех трех фаз равные (
), а емкостным сопротивлением можно пренебречь (
), то ток, проходящий через человека, равен: 
при


а

б
Рис. 3.14. Схема однофазного прикосновения при нормальном режиме работы:
а - в трехфазной сети с глухозаземленной нейтралью, б - в трехфазной сети с изолированной нейтралью.
Необходимо заметить, что вышеприведенные рассуждения касаются нормальной работы сети. При аварийных режимах сети (замыкании на корпус или на землю) условия меняются.Например, если одна из фаз замыкается на землю (рис. 3.15), то ток, который пройдет через тело человека в случае его прикосновения к исправной фазе можно выразить следующей зависимостью:
Как правило, сопротивление короткого замыкания достаточно мало и им можно пренебречь, тогда
где
.
Рис. 3.15. Схема однофазного прикосновения к исправной фазе неисправной электросети
Таким образом, проанализировав рассмотрены условия поражения человека током можно сделать следующие выводы:
- наименее опасно однофазное прикосновение к проводу исправной сети с изолированной нейтралью;
- при замыкании одной из фаз на землю (неисправная сеть) опасность однофазного прикосновения к исправной фазе в такой сети больше чем в исправной сети при любом режиме нейтрали;
- при однофазном прикосновении в сети с глухозаземленной нейтралью последствия поражения существенно зависят от сопротивления основания (пола), на которой стоит человек и сопротивления ее обуви;
- опасным является двухфазное прикосновение при любых режимах нейтрали;
- в сетях напряжением до 1000 В опасность однофазного или двухфазного прикосновения практически одинакова, при этом высока вероятность смертельного поражения.
Опасность замыкания на землю в электроустановках.
Замыканием на землю называется случайное электрическое соединение частей электроустановки, находящиеся под напряжением, с землей. Такое замыкание может произойти при повреждении изоляции и переходе фазного напряжения на заземленные корпуса электроустановок, при падении на землю провода под напряжением и в других случаях. Ток от заземленных корпусов, оказавшихся под напряжением переходит в землю через электрод, который осуществляет контакт с почвой. Специальный металлический электрод, который для этого используют принято называть заземлителем. Ток, растекаясь в почве создает на его поверхности потенциалы. Поскольку заземлитель может иметь различные размеры и форму, то закон распределения потенциалов определяется сложной зависимостью. Кроме того, электрические свойства грунта неоднородны, особенно почвы с различными прослойками. Для того, чтобы упростить картину растекания электрического свая принимаем, что ток стекает в землю через одинарный заземлитель полусферической формы, который находится в однородном изотропном грунте с удельным сопротивлением, который значительно превышает удельное сопротивление материала заземлителя (рис. 3.16).
Зоной растекания тока называется зона земли, за пределами которой электрические потенциалы, обусловленные током замыкания на землю можно условно принять за ноль. Как правило, такая зона ограничивается объемом полусферы радиусом примерно 20 м.
Человек, стоящий на земле или на токопроводящей полу в зоне растекания тока и прикасается при этом в заземленных токоведущих частей, оказывается под напряжением прикосновения. Если же человек стоит или проходит через зону растекания то она может оказаться под напряжением шага, когда ее ноги находятся в точках с разными потенциалами. В обоих случаях возможно поражение человека электрическим током.

Рис. 3.16. Растекания тока в грунте через полусферический заземлитель

Рис. 3.17. Напряжение прикосновения к заземленным токоведущим частям, оказавшимся под напряжением.
Напряжение прикосновения. Для человека, стоящего на земле и прикасается к заземленному корпусу, оказавшемуся под напряжением, определить напряжение прикосновения можно как разность потенциалов между руками и ногами.
На рис. 3.17 показаны три корпуса потребителей (электродвигателей), которые присоединены к заземлителю.Потенциалы на поверхности почвы при замыкании на корпус любого потребителя фазного напряжения распределяются по кривой I. Потенциалы всех корпусов одинаковые, поскольку они электрическое соединены между собой заземляющим проводником, падением напряжения в котором можно пренебречь. Для того, чтобы определить напряжение прикосновения необходимо от напряжения замыкания Uз отнять потенциал той точки почвы, на которой стоит человек.Если человек стоит над заземлителем то напряжение прикосновения равно нулю, поскольку потенциалы рук и ног одинаковы и равны потенциала корпусов (напряжении замыкания). При удалении от заземлителя напряжение прикосновения увеличивается и у человека, дотронулась до последнего (третьего) корпуса она становится равной напряжению замыкание, поскольку в этой точке почвы потенциал ног человека равна нулю. Таким образом, напряжение прикосновения в зоне растекания тока является частью напряжения замыкания и уменьшается по мере приближения к заземлителю. В общем случае для заземлителей любой конфигурации
, где - коэффициент напряжения прикосновения, который зависит от формы заземлителя и расстояния от него (принимается по таблице).
Напряжение шага. Человек, оказывается в зоне растекания тока, находящихся под напряжением, если ее ноги стоят на точках грунта с различными потенциалами. Напряжением шага (шаговым напряжением) называется напряжение между двумя точками электрической цепи, находящихся друг от друга на расстоянии шага (0,8 м) и на которых одновременно стоит человек. На рис. 3.18 приведено распределение потенциалов вокруг одиночного заземлителя.
Напряжение шага снижается по мере удаления от точки замыкания на землю и при меньшей длине шага человека.
Хотя при напряжении шага ток проходит через тело человека по пути «нога - нога», который является менее опасным, чем другие, однако известно немало случаев поражения током, вызванные именно шаговым напряжением. Тяжесть поражения возрастает из-за судорожных сокращений мышц ног, приводящие к падению человека, при этом ток проходит по пути «рука-ноги» через жизненно важные органы. Кроме того, рост человека больше длину шага, что обуславливает большую разницу потенциалов.
Рис. 3.18. Напряжение шага
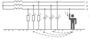
В случае обрыва провода линии электропередачи (рис. 3.19, а) запрещается приближаться к месту замыкания провода на землю в радиусе 8 м. Выходить из зоны растекания тока необходимо мелкими шагами, не превышающими длины ступни (рис. 3.19, б). Если необходимо приблизиться к месту замыкания провода на землю (например, для оказания помощи), то для предотвращения поражения шаговой напряжением необходимо надеть диэлектрические галоши или боты.

а

б
Рис. 3.19. Выход из зоны замыкания оборванного провода на землю:
а - правильное направление выхода б - следы от обуви
Домашнее задание: конспект, Л-3 с. 169-181