КИНЕМАТИКА СЛОЖНЫХ ЗУБЧАТЫХ МЕХАНИЗМОВ
В задании представлено 10 вариантов схем сложных зубчатых механизмов
Требуется:
1. Изобразить кинематическую схему зубчатого механизма, пронумеровав все зубчатые колеса.
2. Определить, из каких видов передач состоит заданное сложное соединение зубчатых колес, выделить планетарную передачу с ее характерными звеньями – водилом и сателлитами, разделить передачи на плоские и пространственные (с непараллельными осями вращения).
3. Найти передаточное отношение между входным и выходным звеньями и его знак (если их оси вращения параллельны).
4. Вычислить и показать направление угловой скорости и углового ускорения выходного звена.
5. Определить время, в течение которого угловая скорость увеличится в два раза (если движение ускоренное) или уменьшится до нуля (если движение замедленное).
6. Найти коэффициент полезного действия передачи.
Для расчетов применяют следующие значения коэффициента полезного действия (учитывающего потери и в зацеплении и в подшипниках): для пары цилиндрических колес
; для пары конических колес
; для планетарной передачи с внешним зацеплением ее колес
, а для имеющей внутреннее зацепление одной из пар
; для червячной передачи при одно-, двух-, и трехзаходном червяке, соответственно, 
Варианты схем механизмов
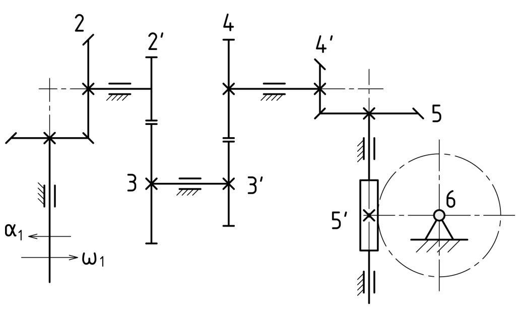
Схема 1(рис 11, табл.11)

Рис.11
Таблица11
| Параметры | Варианты | |||||||||
| ||||||||||
| ||||||||||
| ||||||||||
| ||||||||||
| ||||||||||
| ||||||||||
| ||||||||||
, мм
| 2,5 | 1,5 | 2,5 | 2,5 | ||||||
| ||||||||||
, рад/
|
Схема 2(рис. 12, табл.12)

Рис.12
Таблица 12
| Параметры | Варианты | |||||||||
| ||||||||||
| ||||||||||
| ||||||||||
| ||||||||||
| 3,л | 2,п | 1,л | 2,п | 3,л | 1,п | 2,п | 1,п | 2,л | 3,п |
| ||||||||||
, мм
| 2,5 | 2,5 | 2,5 | 1,5 | ||||||
| ||||||||||
, рад/
|
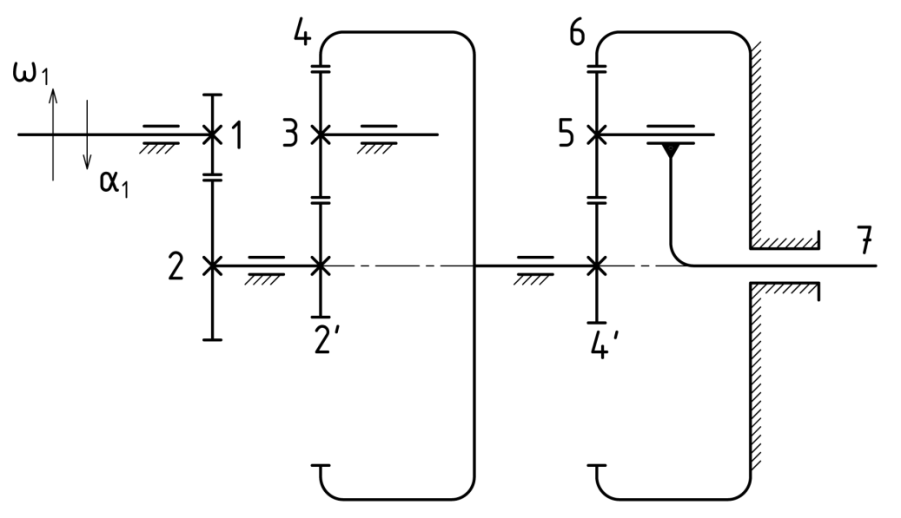
Схема 3(рис. 13, табл.13)

Рис. 13
Таблица13
| Параметры | Варианты | |||||||||
| ||||||||||
| ||||||||||
| ||||||||||
| ||||||||||
| ||||||||||
| ||||||||||
| ||||||||||
, мм
| 1,5 | 2,5 | 3,5 | 2,5 | 1,5 | |||||
| ||||||||||
, рад/
|
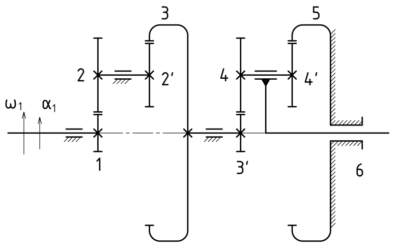
Схема 4(рис. 14, табл.14)

Рис.14
Таблица14
| Параметры | Варианты | ||||||||||||||
| |||||||||||||||
| |||||||||||||||
| |||||||||||||||
| |||||||||||||||
| |||||||||||||||
| |||||||||||||||
| |||||||||||||||
| |||||||||||||||
| 1,п | 2,л | 3,п | 1,л | 2,п | 3,л | 1,п | 2,л | 3,п | 2,л | |||||
| |||||||||||||||
, мм
| 2,5 | 1,5 | 2,5 | 3,5 | 2,5 | ||||||||||
| |||||||||||||||
, рад/
| |||||||||||||||
Схема 5(рис. 15, табл.15)

Рис. 15
Таблица15
| Параметры | Варианты | |||||||||
| ||||||||||
| ||||||||||
| ||||||||||
| ||||||||||
| ||||||||||
| ||||||||||
| ||||||||||
| ||||||||||
, мм
| 2,5 | 3,5 | 1,5 | 2,5 | ||||||
| ||||||||||
, рад/
|
Схема 6(рис.16, табл.16)

Рис. 16
Таблица16
| Параметры | Варианты | |||||||||
| ||||||||||
| ||||||||||
| ||||||||||
| ||||||||||
| ||||||||||
| ||||||||||
| ||||||||||
| ||||||||||
| ||||||||||
| ||||||||||
, мм
| 2,5 | 1,5 | 2,5 | 2,5 | ||||||
| ||||||||||
, рад/
|
Схема 7(рис. 17, табл.17)

Рис. 17
Таблица 17
| Параметры | Варианты | |||||||||
| ||||||||||
| ||||||||||
,
| ||||||||||
| ||||||||||
| ||||||||||
, мм
| 2,5 | 3,5 | 2,5 | 1,5 | ||||||
| ||||||||||
, рад/
|
Схема 8(рис. 18, табл.18)

Рис. 18
Таблица 18
| Параметры | Варианты | |||||||||
| ||||||||||
| ||||||||||
,
| ||||||||||
| ||||||||||
| ||||||||||
, мм
| 2,5 | 3,5 | 1,5 | 1,5 | 3,5 | |||||
| ||||||||||
, рад/
|
Схема 9(рис. 19, табл.19)

Рис. 19
Таблица 19
| Параметры | Варианты | |||||||||
| ||||||||||
| ||||||||||
| ||||||||||
| ||||||||||
, мм
| 2,5 | 2,5 | 2,5 | 1,5 | ||||||
| ||||||||||
, рад/
|
Схема 10(рис. 20, табл.20)

Рис. 20
Таблица 20
| Параметры | Варианты | ||||||||||||||
| |||||||||||||||
| |||||||||||||||
| |||||||||||||||
| |||||||||||||||
| |||||||||||||||
| |||||||||||||||
| |||||||||||||||
| |||||||||||||||
| |||||||||||||||
| |||||||||||||||
, мм
| 2,5 | 3,5 | 4,5 | 2,5 | |||||||||||
| |||||||||||||||
, рад/
| |||||||||||||||
, мм
, рад/