Определение передаточных чисел коробки перемены передач
Далее необходимо определить передаточное отношение первой передачи по формуле:
, (2.5)
где
- полная масса автомобиля,
,
-собственная масса автомобиля, кг (таблица 2.1),
- грузоподъёмность автомобиля, кг (таблица 2.1);
- ускорение свободного падения,
=9,81 м/с2;
- радиус качения колеса, м (принимаем радиус качения колеса равным статическому радиусу шины);
- максимальное значение коэффициента сопротивления дороги. Принимают в зависимости от типа автомобиля:
= 0,35…0,5 - для легковых автомобилей;
=0,25…0,35 - автобусов и грузовых автомобилей, предназначенных для междугородних сообщений;
=0,35…0,45 - для грузовых автомобилей общего назначения;
=0,45…0,55 - для автомобилей повышенной проходимости;
= 0,18...0,4 - для автопоездов;
- максимальное значение крутящего момента по внешней скоростной характеристике двигателя (таблица 2.3), Н∙м;
-передаточное отношение главной передачи (таблица 2.1);
–механический КПД трансмиссии;
- максимальное передаточное число дополнительной коробки передач или демультипликатора (таблица 2.1). Если дополнительная коробка передач отсутствует
=1,0.
После того как определили передаточное число первой передачи необходимо определить передаточные числа остальных передач.
Передаточные числа в большинстве случаев рассчитываются по геометрическому ряду, что обеспечивает возможность работы двигателя при разгоне автомобиля в одинаковом режиме на всех передачах. В общем виде передаточное число промежуточной передачи:
, (2.6)
где
- передаточное число низшей (первой) передачи;
- диапазон коробки перемены передач;
- номер передачи;
- число передач.
Диапазон коробки перемены передач:
, (2.7)
где
- передаточное число высшей передачи.
Если основная коробка перемены передач двухвальная (легковые переднеприводные автомобили, см. рисунок 2.1), то передаточное число высшей передачи берем такое же, как у автомобиля прототипа.

Рисунок 2.1 - Кинематическая схема двухвальной коробки перемены передач
1 – первичный вал, 2 – вторичный вал, 4,5,6,7,8 – ведомые шестерни 1-й, 2-й, 3-й, 4-й, 5-й передач соответственно, 9 – ступица муфты, 10 – муфта, 11 – синхронизатор, 12 – ведомая шестерня ЗХ, 13 – ведущая шестерня ЗХ, 14 – промежуточная шестерня ЗХ, 15 – главная передача, 16 – дифференциал.
Если основная коробка перемены передач трехвальная (рисунок 2.2) с наивысшей прямой передачей, то принимают
.

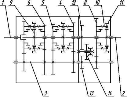
Рисунок 2.2 - Кинематическая схема трехвальной коробки перемены передач
1 – первичный вал, 2 – вторичный вал, 3 – промежуточный вал (блок шестерен), 4,5,6,8 – ведомые шестерни 1-й, 2-й, 3-й, 5-й передач соответственно, 9 – ступица муфты, 10 – муфта, 11 – синхронизатор, 12 – ведомая шестерня ЗХ, 13 – ведущая шестерня ЗХ, 14 – промежуточная шестерня ЗХ.
Если на автомобиле используется трехвальная коробка перемены передач с последней повышенной передачей, то передаточные числа для всех передач, кроме последней, определяем по формуле:
. (2.8)
Передаточное число повышенной передачи берем такое же, как у автомобиля прототипа.
Результаты вычислений сводим в таблицу 2.5.