Классификация счетчиков по основанию системы счисления
Критерием, по которому различаются счетчики, является модуль счета. Двоичный счетчик (
) считает всевозможные числа, которые могут быть представлены m - разрядным двоичным натуральным кодом «8 – 4 – 2 – 1».
Недвоичные счетчики используют несколько меньшее число кодовых комбинаций, за счет чего появляются состояния, количество которых L определяется выражением
,где(2.2)
m – количество разрядов счетчика
Ксч – его модуль счета
В особую группу на практике выделяют двоично-десятичные счетчики, имеющие Ксч = 10, 100, 1000 и т.д.
Каждой кодовой комбинации на выходах
счетчика ставится в соответствие некоторое число N, отражающее количество подсчитанных импульсов. При поступлении на вход счетчика очередного (N + 1) счетного импульса меняется его состояние, т.е. кодовая комбинация
, или число, записанное в счетчик. Это число может быть меньше или больше предыдущего. Данное обстоятельство позволяет произвести классификацию счетчиков (рис.3)
Классификация счетчиков по направлению изменения состояний
В суммирующих счетчиках показания увеличиваются при поступлении счетных импульсов, т.е. осуществляется их суммирование. В вычитающих счетчиках показания уменьшаются, т.е. происходит вычитание из числа, записанного в счетчике (а в исходном состоянии, это, как правило, максимальное число, соответствующее кодовой комбинации
) каждого поступающего счетного сигнала. Реверсивные счетчики могут работать как в режиме суммирования, так и в режиме вычитания, в зависимости от внешнего сигнала управления.
Классификация счетчиков по способу
переключения разрядов
Если при поступлении счетного импульса триггеры всех разрядов счетчика переключаются одновременно (или параллельно), то такой счетчик является счетчиком с асинхронным способом переключения разрядов, или просто синхронным счетчиком (рис.4).
Счетчики, у которых триггеры переключаются не одновременно, называются асинхронными. Асинхронные счетчики в свою очередь могут быть последовательными, т.е. такими, у которых триггер последующего разряда переключается сигналом с предыдущего.
В асинхронных счетчиках со сквозным способом переключения счетный сигнал поступает на триггеры через некоторую цепочку логических элементов. Счетчики с комбинированным способом переключения разрядов сочетают в себе какие – либо перечисленные способы, например, группы разрядов переключаются синхронно, а между собой связаны последовательно и т.д.
Показания счетчика (комбинации
) могут быть представлены различными кодами, т.е. соответствием комбинации на выходах и числа записанного в счетчике. Могут быть синтезированы счетчики, работающие как в двоичном, например ''8-4-2-1'', ''5-2-1-1'', так и недвоичных кодах, например, Грея, Джонсона, ''1 из m''. Рассматриваемые ниже методы синтеза счетчиков позволяют проектировать синхронные и асинхронные счетчики, работающие в любом коде.
2.2. МЕТОДИКА СИНТЕЗА СИНХРОННЫХ СЧЕТЧИКОВ
Рассмотрение метода синтеза счетчиков начнем со способов логического проектирования наиболее быстродействующих (с минимальным Тсч) синхронных счетчиков.
Отправной информацией при синтезе будем считать таблицу функционирования (табл.1), в которой отражены состояния всех разрядов счетчика
при последовательном поступлении на его счетный вход импульса в каждом n - ом такте работы.
Такая таблица может быть составлена, если известны модуль счета – Ксч счетчика и код, в котором работает счетчик, следующим образом. В каждом такте кодовая комбинация записывает по аналогии с выражением (2.2) «ПРИЛОЖЕНИЯ», путем представления десятичного числа n (номера такта) его кодом.
(2.3)
Требуемое число разрядов счетчика необходимо для возможности подсчета
Ксч импульсов определяется выражением (2.4):
(2.4)
где [ ] - означают округление до ближайшего целого числа.
Примечание: формулой 2.4 можно пользоваться только для двоичных кодов.
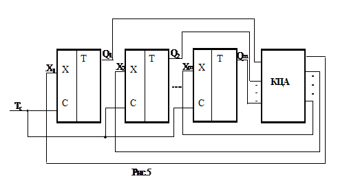
Для реализации синхронного (параллельного или одновременного) способа переключения разрядов необходимо счетный сигнал подать на входы синхронизации С триггеров всех m разрядов. Тип триггеров, с помощью которых синтезируется счетчик, выбирается исходя из имеющегося их набора в используемой серии микросхем, быстродействия, простоты схемы и т.д. Таким образом, фактически до начала собственного синтеза синхронного счетчика мы имеем его таблицу функционирования и незавершенную схему (рис.5).
Схема счетчика содержит m синхронных триггеров , тактовые входы С которых соединены со счетным входом счетчика, а выходы триггеров являются выходами счетчика. Чтобы не нарушать общности рассуждений, на схеме изображен произвольный триггер с информационным входом (или выходом) Х, в качестве которого может быть, например вход D (у D триггера), входы J и K у универсального JK триггера.
Основная часть проектирования счетчика или собственно синтез состоит в определении сигналов, которые надо подать на информационные входы триггеров всех разрядов
для того, чтобы каждый из них переключался в соответствии с таблицей функционирования (табл.1), т.е. определении логических функций вида:

(2.5)
называемых у р а в н е н и я м и в х о д о в триггеров. По этим выражениям строится КЦА – комбинационный цифровой автомат, т.е. завершается синтез счетчика. Физически КЦА осуществляет связь источников сигналов, а это могут быть только выходы триггеров – прямой или инверсный, с нагрузками – информационными входами триггеров, причем в каждом такте эти связи могут быть разными.
Уравнения входов находятся следующим образом. Из заданной таблицы функционирования счетчика можно составить систему уравнений (2.6), заданных таблично, в виде диаграмм Вейча.
(2.6)
называемых п р и к л а д н ы м и у р а в н е н и я м и , поскольку каждая следующая ( n+1) строчка в таблице функционирования показывает чему будет равно
(для всех m разрядов), если предыдущее n-ое состояние (предыдущая n - ая строка) описывалось набором
.
Подчеркнем, что прикладные уравнения (2.6) показывают, как должен переключатся каждый триггер с тем, чтобы реализовать заданную таблицу функционирования.
Кроме прикладных уравнений нам известны таблицы переходов (табл.2)
Различных типов триггеров (для RS триггера приведена его разновидность с инверсными входами), показывающих какие сигналы надо подать на информационные входы в n- ом такте, чтобы, при наличии разрешающего сигнала на входе синхронизации, триггер совершил требуемый нам переход:
(из таблицы функционирования). Знаком Х обозначены безразличные состояния переменной, что физически соответствует возможности подачи произвольного сигнала на вход для совершения соответствующего перехода.
Решая каждое из прикладных уравнений (2.6) совместно с таблицей переходов (табл.2) относительно Хn ,можно решить уравнения входов. Это можно делать разными способами, но главное – получить наиболее простые уравнения входов, что обеспечит простую схемную реализацию устройства.
Воспользуемся с помощью диаграмм Вейча табличным методом нахождения уравнения входов, который позволит достаточно просто их определить в минимизированном виде. Этот метод проиллюстрируем на примере синтеза различных счетчиков.
Таким образом, окончательно можно сформулировать последовательность синтеза синхронных счетчиков. Синтез синхронных счетчиков при заданном модуле счета Ксч и коде (обычно дополнительно задается видом счетчика – суммирующей или вычитающей и типом используемых триггеров) в котором работает счетчик производится в шесть этапов:
1. Определение количества разрядов (по выражению 2.4) и составление таблицы функционирования.
2. Заполнение прикладных диаграмм Вейча.
3. Заполнение диаграмм Вейча для уравнений входов с использованием прикладных диаграмм Вейча и таблиц переходов используемых триггеров.
4. Считывание с диаграмм Вейча уравнений входов в минимизированном виде.
5. Перевод уравнений входов в структурный вид в используемом базисе логических элементов.
6. Изображение схемы счетчика (в соответствии с рис.5)
2.3 СИНХРОННЫЙ СУММИРУЮЩИЙ ДВОИЧНЫЙ
СЧЕТЧИК С Ксч=8, в КОДЕ ''4-2-1''