ЭЛЕКТРОТЕХНИКА И ЭЛЕКТРОНИКА

 

 

Методические указания к практическим занятиям по дисциплине «Электротехника и электроника» для студентов всех форм обучения и МИППС направления 140100.62 Теплоэнергетика и теплотехника

 

 

Краснодар


 

 

Составитель: канд.техн.наук, доц. Л.Е. Копелевич,

 

УДК 621.316.176.

Электротехника и электроника:методические указания к практическим занятиям по дисциплине для студентов всех форм обучения и МИППС направления 140100.62 Теплоэнергетика и теплотехника.Составили: Л.Е. Копелевич кафедра Электротехники и электрических машин Краснодар: Изд.КубГТУ, 2013 – 66 с.

 

Рассмотрены алгоритмы решения задач по применению комплексных чисел для определения токов в ветвях цепи с одним источником энергии, напряжения между двумя узлами. Программа составлена с использованием материалов по методике направляемого и контролируемого самообучения, разработанной канд.техн.наук, доц. Л. Шатуновским (кафедра электротехники, МЭИ).

 

Ил. 87. Табл. 4 Библиогр.: 8 назв.

 

Печатается по решению методического совета Кубанского государственного технологического университета.

 

Рецензенты: к.т.н., доц. кафедры теплоэнергетики и теплотехники КубГТУ Е.В. Кочарян д.т.н., проф. кафедры электротехники и электрических машин КубГТУ А.Н. Плахотнюк     © КубГТУ, 2013

 

  Введение………………………………………………………… . . .
1. Нормативные сылки………………………………………………...
2. Инструкция по работе с методическими указаниями…………….
3. Программа дисциплины……………………………………………
4. Контрольные работы……………………………………………….
5. Задания на контрольные работы…………………………………..
6. Содержание и оформление контрольных работ………………….
7. Темы лабораторных работ………………………………………….
8. Вопросы для подготовки к экзамену………………………………
9. Список рекомендуемой литературы……………………………….
  Дополнительная литература………………………………………
  Список обучающих пособий……………….………………………
  Приложение А………………………………………………………
  Приложение Б………………………………….……………………

Содержание


 

Введение Электротехника – наука о техническом использовании электричества и магнетизма в народном хозяйстве. Интенсивное использование электрической энергии связано со следующими ее особенностями: легко преобразовываться в другие виды энергии, возможностью централизованного и экономического получения, простой передачей к потребителям на большие расстояния.

Выработка и передача тепловой энергии невозможны без использования различных электротехнических устройств: электрических генераторов и двигателей, трансформаторов, линий электропередач, электронных регуляторов и датчиков, других электротехнических устройств.

Полученные при изучении курса знания студенты теплотехнических специальностей используют при курсовом и дипломном проектировании.

При­веденные в пособии задания охватывают материал курса по разделу «Электрические цепи» и соответствуют образовательным стандартам Российской Федерации. При выполнении контрольных работ студенты получают навыки в использо­вании основных инженерных методов расчета электрических цепей по­стоянного и переменного токов, основных режимов и характеристик трансформаторов, электрических машин и электронных устройств.

Последовательность изучения отдельных разделов курса, выдачи контрольных работ устанавливает кафедра электротехники на установоч­ной сессии.

Остальные разделы курса «Электротехника и электроника» студентами в процессе лекций и выполнения лабораторных работ.

 

    ПРАКТИЧЕСКОЕ ЗАНЯТИЕ №1     ТЕМА: АНАЛИЗ ЭЛЕКТРИЧЕСКИХ ЦЕПЕЙ ПОСТОЯННОГО ТОКА.  
 
    На аудиторные занятия по изучению методов решения задач по курсу «Электротехника» советуем всегда приносить: 1 Конспект лекций 2 Учебник 3 Вычислительные и чертежно-графические принадлежности. Результаты Вашей работы по изучению методов решения задач аккуратно записывать в рабочую тетрадь.

 


 

  Записи в рабочей тетради СОВЕТУЕМ вести в следующем порядке:   1 По каждой теме уясните и запишите на новой странице цели и задачи занятия. 2 Изучите по пособиям (первое из которых Вы сейчас читаете) общий подход к решению первой из поставленных задач и запишите обобщенное предписание к решению. 3 Изучите ПРИМЕР решения одного варианта этой типовой задачи и составьте краткое его описание.  
 
  4 Решите САМОСТОЯТЕЛЬНО предложенную в пособии задачу. ЗАПИШИТЕ РЕШЕНИЕ И ОТВЕТ 5 Сравните СВОЕ решение и ответ с приведенными в пособии. Отметьте допущенные ошибки. 6 Продолжайте изучение по тексту пособия. Составленное таким образом описание ВАШЕЙ работы должно стать для Вас справочникомпри подготовке к экзамену.  

 


 

  Не стремитесь переписывать все подряд из пособия. ТО, ЧТО ВЫ ПЕРЕПИСАЛИ ИЗ ПОСОБИЯ РЕШЕНИЯ ЗАДАЧ, НЕ ОЗНАЧАЕТ, ЧТО ВЫ ОСВОИЛИ МЕТОДЫ РЕШЕНИЯ, Т.Е. ДОСТИГЛИ ЦЕЛИ. Обязательно выполняйте инструкции пособий ­ – решайте самостоятельно задачи, опираясь на приведенные в пособиях примеры и общие алгоритмы!  
 
  ЦЕЛЬ ЗАНЯТИЯ 1 Научиться преобразовывать электрические схемы, используя метод эквивалентных преобразований резистивных элементов. 2 Научиться применять законы Кирхгофа для определения токов в ветвях, напряжения между двумя узлами схемы.  

 


 

  ЗАДАЧА №1 Определить ток в ветви с источником, если известно: , , , , , , , . Перепишите условия задачи в рабочую тетрадь!
 
  При решении задач этого типа рекомендуем следовать предписанию: 1 Найти в схеме резистивные элементы, соединенные параллельно, и заменить их эквивалентными (перечертить схему). 2 Найти в схеме элементы, соединенные последовательно, и заменить их эквивалентными (перечертить схему).  

 


 

  3 Пользуясь эквивалентными преобразованиями, привести схему к виду, где – эквивалентное сопротивление. 4 . Применим теперь данное предписание к решению задачи №1.
 
  АЛГОРИТМ РЕШЕНИЯ: I-ый этап: Заметим, что точки и соединены «накоротко», резисторы и параллельны. Аналогично соединены резисторы и . Перерисуем схему, учтя что: , .  

 

  II этап: В преобразованной схеме и соединены последовательно; заменим их эквивалентным . Перерисуем схему. III этап: Теперь и параллельны; перерисуем схему введя  
 
  IV этап: В результате преобразований заменяем искомую схему эквивалентной.     .     называют ВХОДНЫМ или ЭКВИВАЛЕНТНЫМ сопротивлением двухполюсника .  

 

 

  ПОДУМАЙТЕ!   Как изменится алгоритм решения если сопротивление будет равно: а) б) 0 ? Изобразите последовательность эквивалентных схем!  
 
  ДЛЯ КОНТРОЛЯ Приводим один из возможных вариантов таких последовательностей:

 

  Решите теперь аналогичную задачу самостоятельно. ЗАДАЧА 1-1 Определить ток в схеме, если: , , , , , , .   Запишите Ваше решение и ответ в рабочую тетрадь!  
 
  Если Вы получили , то переходите к кадру 20. Иначе (или для самоконтроля) ознакомьтесь с кадрами 17-19.  

 

  РЕШЕНИЕ ЗАДАЧИ 1-1 I этап. Заметим, что точки «а» и «b» соединены с ветвью с бесконечно малым сопротивлением, т.е. резисторы и соединены параллельно. Заменим их эквивалентными .
 
  II этап. Перерисуем схему и заметим, что и соединены последовательно. Эквивалентное им . Теперь резисторы , и параллельны.     Заменим их эквивалентным и перерисуем еще раз схему.

 

  III этап. В преобразованной схеме . IV этап. СЛЕДОВАТЕЛЬНО .  
 
Запишите задание на дом:
ЗАДАЧА 1-3 , , , , , , . ЗАДАЧА 1-4     ; ; .

В обеих задачах определить ток в ветви с источником.

Ответ: Ответ:

 

 

  СДЕЛАЙТЕ ПЕРЕРЫВ 5 МИНУТ, ПОСЛЕ ЧЕГО ПРИСТУПАЙТЕ К ИЗУЧЕНИЮ ЗАДАЧИ ВТОРОГО ТИПА.  
 
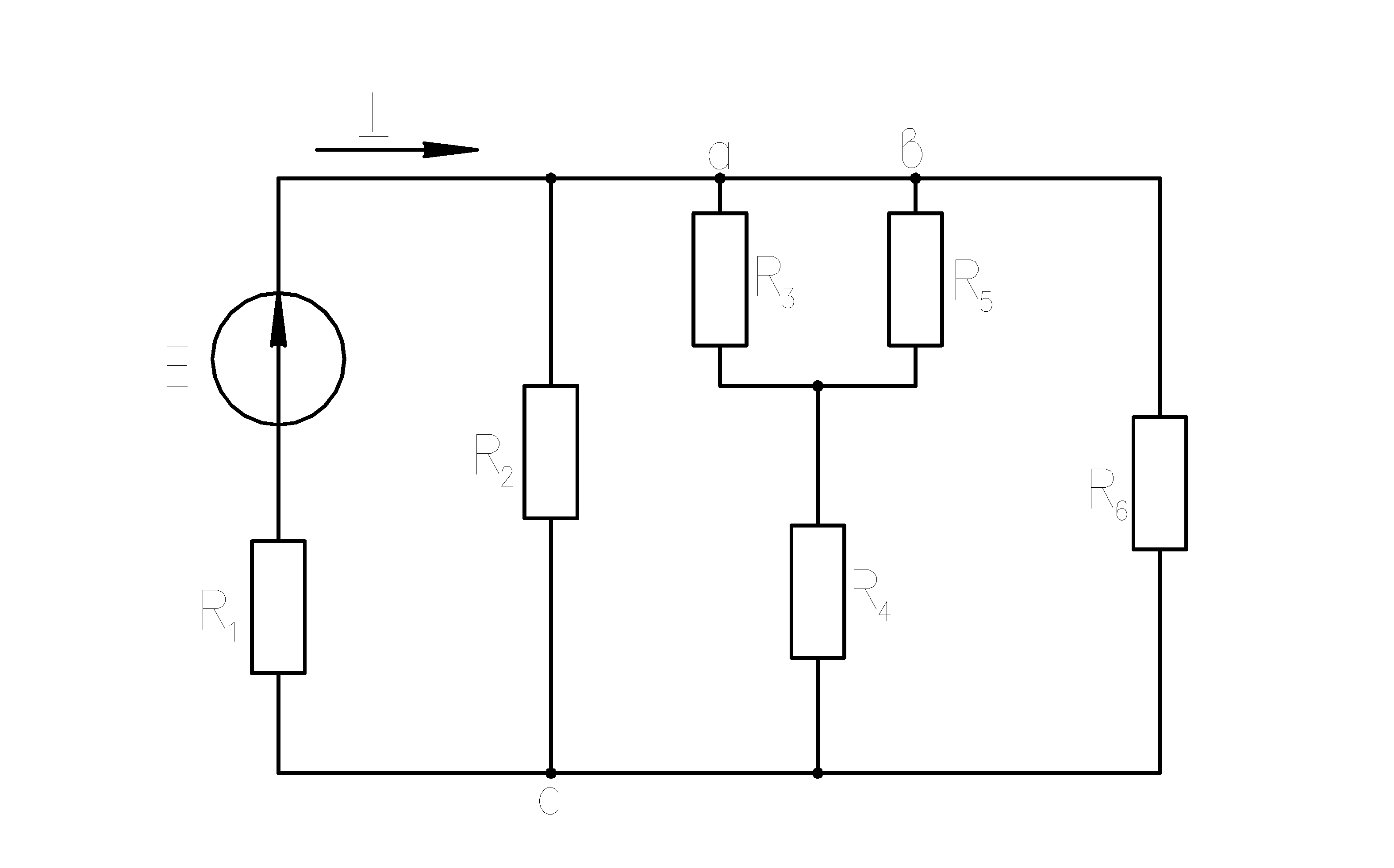
  ПЕРВАЯ ЗАДАЧА формулируется так: В схеме с одним источником определить напряжение между точками и , т.е. , если заданы величины всех сопротивлений и величина ЭДС.

 

 


 

  При решении этой задачи рекомендуем следовать предписанию: 1 Записать уравнение по II закону Кирхгофа для контура, содержащего . 2 Определить неизвестные токи, входящие в выражение для , применяя метод СВЕРТЫВАНИЯ (эквивалентных преобразований0 для схемы с одним источником или один из методов анализа цепей с несколькими источниками (контурных токов, законов Кирхгофа, узловых напряжений).  
 
  АЛГОРИТМ РЕШЕНИЯ 1 Задаемся направлениями токов в ветвях схемы и записываем по II-ому закону Кирхгофа для контура или .  

 

 

  2 Определяем и а) Методом свертывания , ,    
 
  б) Методом двух узлов , ,    

 

  Определяем . Если, например, ; ; ; ; , то ; ; Решите теперь аналогичную задачу самостоятельно.  
 
  ЗАДАЧА 2-1 Определить , если ; ; ; ; . ЗАПИШИТЕ ВАШЕ РЕШЕНИЕ И ОТВЕТ В РАБОЧУЮ ТЕТРАДЬ. Ответ: .    

 

  Если вы считаете, что решение подобных задач в дальнейшем не вызовет у Вас затруднений, переходите к кадру 30, где приведено задание на дом.  
 
  Домашнее задание В последующих трех задачах определить напряжение . ЗАДАЧА 2-2 ; ; ; ; . Ответ: .  

 

 

31   ЗАДАЧА 2-3 ; ; ; ; . Ответ: . ЗАДАЧА 2-4 ; ; ; ; . Ответ: .  
 
  Если у Вас осталось время, РЕШИТЕ задачи из домашнего задания. Ответы и решения покажите преподавателю. Еще раз настоятельно рекомендуем не пренебрегать домашней подготовкой! Занятие окончено. Желаем Вам успешной работы! До свидания.  

 

    Практическое занятие №2     Тема: АНАЛИЗ МОСТОВЫХ ЭЛЕКТРИЧЕСКИХ ЦЕПЕЙ ПОСТОЯННОГО НАПРЯЖЕНИЯ (МОСТОВЫЕ ПРЕОБРАЗОВАТЕЛИ)  
 
  ЦЕЛЬ ЗАНЯТИЯ: - Научиться применять метод эквивалентного генератора (активного двухполюсника) для определения тока в одной из ветвей измерительного моста - Овладеть методикой построения градировочной характеристики мостового преобразователя, используемого в качестве первичного измерительного преобразователя неэлектрической величины (температуры, влажности, давления и т.п.) в электрический сигнал  

 

Мостовая цепь содержит 4 узла и 6 ветвей: 4 – с резисторами – плечи моста; ветвь с источником ЭДС. и резистором (внутреннее сопротивление источника) – диагональ источника; ветвь с резистором – измерительная диагональ или мостовая ветвь. Ток в мостовой ветви равен нулю, если выполнять условие баланса моста:
B  
R5
R2  
R4  
R3  
R0  
d
c
a
E
R1

 

 
  Рассмотрим методику анализа мостовых цепей. 1 Определить ток в ветви с первичным преобразователем (ПП), если известны напряжение источника, сопротивления резисторов плеч и диагоналей и семейство вольтамперных характеристик (ВАХ) ПП. 2 Определить ток в мостовой ветви при различных значениях неэлектрической величины на входе преобразователя.  

 

ЗАДАЧА №1

В ветви с ПП определить ток (первичный преобразователь), если:

, .

a
d
E
R1
IT
R4
RT
R3
R2
b
c

 

 
ВАХ ПП (терморезистора) задана таблицей

Условие задачи запишите в рабочую тетрадь.

При решении задач этого типа рекомендуем следовать предписанию (кадры 6-11).

1

RT
a
b
RT
a
EЭ
A
RЭ
B
Определить параметры двухэлементной схемы замещения активного двухполюсника, к которому подключена ветвь с , где , или .

 

 

2 Применить метод пересечения характеристик эквивалентного генератора и ПП.  
U
I
UT
Iвах
IT
EЭ
ВАХПП

 

 

 

АЛГОРИТМ РЕШЕНИЯ:

b
c
I4X
a
d
E
R1
I1X
R4
UBax
R3
R2
I этап. Для определения рассмотрим цепь при отключенной ветви с преобразователем

а) т.к. , то

 

для определения необходимо

задать условно-положительным направлением токов в полученной цепи (режим холостого хода) и составить для контура, содержащего искомое напряжение , уравнение по II-му закону Кирхгофа.

Выбираем контур

 

Для контура , где и – неизвестны.   б) для определения и применим формулу узлового напряжения , тогда ;   в) Искомая величина .
 

II этап. Для определения можно использовать оба способа:

а) Преобразовать двухполюсник , приняв равными нулю все э.д.с. в ветвях схемы, .

 

R4
R3
R2
R1
Bb
a
b
a
E
R1
R4
R3
R2
b
a
R1
R4
R3
R2
b
a
A
b
a
П

 

 


б) определить , используя выражение ,

где – ток в ветви при соединении проводом точек и (режим КЗ).

, , где

, ,

d
I1K
b
I3K
I4X
a
d
E
R1
I1к
R4
IBax
R3
R2
I3K
b
E
R1
I2K
R4
R3
R2

 

 

III этап. Применяя метод пересечения характеристик, находим напряжение и ток терморезистора.

.

IT
IT
B
RT
a
EЭ
RЭ
U
I
UT
IBax
IT
EЭ
ВАХПП

 

 

 


Решите самостоятельно аналогичную задачу.

c
d
E
R1
R4
R3
R2
RT
ЗАДАЧА №2

 

Определить ток в первичном преобразователеRТ, сопротивление которого изменяется в зависимости от уровня напряжения нелинейно.

ВАХ ПП

 

 
  Если вы получили ответы , переходите к кадрам 20-28. По предыдущей теме Вы сможете пройти рубежный контроль. Если есть сомнения, изучите кадры 16-18 и проверьте себя, решив самостоятельно задачу кадра 14.  

 

ЗАДАЧА №3 I этап. Определяем и активного двухполюсника, к зажимам которого подключен ПП (терморезистор). ,
UНЭ
I
RТ
RЭ
R1
R1
R4
R3
R2
EЭ
E
b
a
b
а
а
L t1UKDXHTtVBSKC5JzEtJzMnPS7VVqkwtVrK34+UCAAAA//8DAFBLAwQUAAYACAAAACEAtppoN74A AADdAAAADwAAAGRycy9kb3ducmV2LnhtbERPzYrCMBC+L/gOYQRva6KISDWKiAuip1YfYGjGtthM SpK19e3NQfD48f1vdoNtxZN8aBxrmE0VCOLSmYYrDbfr3+8KRIjIBlvHpOFFAXbb0c8GM+N6zulZ xEqkEA4Zaqhj7DIpQ1mTxTB1HXHi7s5bjAn6ShqPfQq3rZwrtZQWG04NNXZ0qKl8FP9Ww3Xpq4ta dMUxP4fyYvqhCCrXejIe9msQkYb4FX/cJ6NhrlZpf3qTnoDcvgEAAP//AwBQSwECLQAUAAYACAAA ACEA8PeKu/0AAADiAQAAEwAAAAAAAAAAAAAAAAAAAAAAW0NvbnRlbnRfVHlwZXNdLnhtbFBLAQIt ABQABgAIAAAAIQAx3V9h0gAAAI8BAAALAAAAAAAAAAAAAAAAAC4BAABfcmVscy8ucmVsc1BLAQIt ABQABgAIAAAAIQAzLwWeQQAAADkAAAAQAAAAAAAAAAAAAAAAACkCAABkcnMvc2hhcGV4bWwueG1s UEsBAi0AFAAGAAgAAAAhALaaaDe+AAAA3QAAAA8AAAAAAAAAAAAAAAAAmAIAAGRycy9kb3ducmV2 LnhtbFBLBQYAAAAABAAEAPUAAACDAwAAAAA= " strokeweight="1.5pt"/> L t1UKDXHTtVBSKC5JzEtJzMnPS7VVqkwtVrK34+UCAAAA//8DAFBLAwQUAAYACAAAACEAbZ/tV8cA AADdAAAADwAAAGRycy9kb3ducmV2LnhtbESPT2vCQBTE70K/w/IKvemmIjWkrtIWhOJBaBIovT2y r0k0+zZk1/zx03cLgsdhZn7DbHajaURPnastK3heRCCIC6trLhXk2X4eg3AeWWNjmRRM5GC3fZht MNF24C/qU1+KAGGXoILK+zaR0hUVGXQL2xIH79d2Bn2QXSl1h0OAm0Yuo+hFGqw5LFTY0kdFxTm9 GAUDnd7TtT58T9ciXuXDzzHT8qjU0+P49grC0+jv4Vv7UytYRvEK/t+EJyC3fwAAAP//AwBQSwEC LQAUAAYACAAAACEA8PeKu/0AAADiAQAAEwAAAAAAAAAAAAAAAAAAAAAAW0NvbnRlbnRfVHlwZXNd LnhtbFBLAQItABQABgAIAAAAIQAx3V9h0gAAAI8BAAALAAAAAAAAAAAAAAAAAC4BAABfcmVscy8u cmVsc1BLAQItABQABgAIAAAAIQAzLwWeQQAAADkAAAAQAAAAAAAAAAAAAAAAACkCAABkcnMvc2hh cGV4bWwueG1sUEsBAi0AFAAGAAgAAAAhAG2f7VfHAAAA3QAAAA8AAAAAAAAAAAAAAAAAmAIAAGRy cy9kb3ducmV2LnhtbFBLBQYAAAAABAAEAPUAAACMAwAAAAA= " fillcolor="black" strokeweight="1.5pt"/> L t1UKDXHTtVBSKC5JzEtJzMnPS7VVqkwtVrK34+UCAAAA//8DAFBLAwQUAAYACAAAACEAAtNIzMcA AADdAAAADwAAAGRycy9kb3ducmV2LnhtbESPQWvCQBSE70L/w/IK3nRTaW1Is5FWKEgPQhOh9PbI PpPY7NuQXU3017sFweMwM98w6Wo0rThR7xrLCp7mEQji0uqGKwW74nMWg3AeWWNrmRScycEqe5ik mGg78Dedcl+JAGGXoILa+y6R0pU1GXRz2xEHb297gz7IvpK6xyHATSsXUbSUBhsOCzV2tK6p/MuP RsFAh4/8VX/9nC9l/LwbfreFllulpo/j+xsIT6O/h2/tjVawiOIX+H8TnoDMrgAAAP//AwBQSwEC LQAUAAYACAAAACEA8PeKu/0AAADiAQAAEwAAAAAAAAAAAAAAAAAAAAAAW0NvbnRlbnRfVHlwZXNd LnhtbFBLAQItABQABgAIAAAAIQAx3V9h0gAAAI8BAAALAAAAAAAAAAAAAAAAAC4BAABfcmVscy8u cmVsc1BLAQItABQABgAIAAAAIQAzLwWeQQAAADkAAAAQAAAAAAAAAAAAAAAAACkCAABkcnMvc2hh cGV4bWwueG1sUEsBAi0AFAAGAAgAAAAhAALTSMzHAAAA3QAAAA8AAAAAAAAAAAAAAAAAmAIAAGRy cy9kb3ducmV2LnhtbFBLBQYAAAAABAAEAPUAAACMAwAAAAA= " fillcolor="black" strokeweight="1.5pt"/> L t1UKDXHTtVBSKC5JzEtJzMnPS7VVqkwtVrK34+UCAAAA//8DAFBLAwQUAAYACAAAACEA8gHWu8cA AADdAAAADwAAAGRycy9kb3ducmV2LnhtbESPT2vCQBTE7wW/w/KE3uqmodiQukoVCqWHQKMg3h7Z 1ySafRuy2/zx07uFgsdhZn7DrDajaURPnastK3heRCCIC6trLhUc9h9PCQjnkTU2lknBRA4269nD ClNtB/6mPvelCBB2KSqovG9TKV1RkUG3sC1x8H5sZ9AH2ZVSdzgEuGlkHEVLabDmsFBhS7uKikv+ axQMdN7mr/rrOF2L5OUwnLK9lplSj/Px/Q2Ep9Hfw//tT60gjpIl/L0JT0CubwAAAP//AwBQSwEC LQAUAAYACAAAACEA8PeKu/0AAADiAQAAEwAAAAAAAAAAAAAAAAAAAAAAW0NvbnRlbnRfVHlwZXNd LnhtbFBLAQItABQABgAIAAAAIQAx3V9h0gAAAI8BAAALAAAAAAAAAAAAAAAAAC4BAABfcmVscy8u cmVsc1BLAQItABQABgAIAAAAIQAzLwWeQQAAADkAAAAQAAAAAAAAAAAAAAAAACkCAABkcnMvc2hh cGV4bWwueG1sUEsBAi0AFAAGAAgAAAAhAPIB1rvHAAAA3QAAAA8AAAAAAAAAAAAAAAAAmAIAAGRy cy9kb3ducmV2LnhtbFBLBQYAAAAABAAEAPUAAACMAwAAAAA= " fillcolor="black" strokeweight="1.5pt"/> L t1UKDXHTtVBSKC5JzEtJzMnPS7VVqkwtVrK34+UCAAAA//8DAFBLAwQUAAYACAAAACEAcjl9SMMA AADdAAAADwAAAGRycy9kb3ducmV2LnhtbERPTYvCMBC9L/gfwgje1rQirnSNooIgHgRbQbwNzWzb 3WZSmmirv94chD0+3vdi1Zta3Kl1lWUF8TgCQZxbXXGh4JztPucgnEfWWFsmBQ9ysFoOPhaYaNvx ie6pL0QIYZeggtL7JpHS5SUZdGPbEAfux7YGfYBtIXWLXQg3tZxE0UwarDg0lNjQtqT8L70ZBR39 btIvfbg8nvl8eu6ux0zLo1KjYb/+BuGp9//it3uvFUziOMwNb8ITkMsXAAAA//8DAFBLAQItABQA BgAIAAAAIQDw94q7/QAAAOIBAAATAAAAAAAAAAAAAAAAAAAAAABbQ29udGVudF9UeXBlc10ueG1s UEsBAi0AFAAGAAgAAAAhADHdX2HSAAAAjwEAAAsAAAAAAAAAAAAAAAAALgEAAF9yZWxzLy5yZWxz UEsBAi0AFAAGAAgAAAAhADMvBZ5BAAAAOQAAABAAAAAAAAAAAAAAAAAAKQIAAGRycy9zaGFwZXht bC54bWxQSwECLQAUAAYACAAAACEAcjl9SMMAAADdAAAADwAAAAAAAAAAAAAAAACYAgAAZHJzL2Rv d25yZXYueG1sUEsFBgAAAAAEAAQA9QAAAIgDAAAAAA== " fillcolor="black" strokeweight="1.5pt"/> L t1UKDXHTtVBSKC5JzEtJzMnPS7VVqkwtVrK34+UCAAAA//8DAFBLAwQUAAYACAAAACEAHXXY08YA AADdAAAADwAAAGRycy9kb3ducmV2LnhtbESPQWvCQBSE70L/w/IK3nQTEavRVdqCIB6ERkG8PbLP JDb7NmRXE/313YLgcZiZb5jFqjOVuFHjSssK4mEEgjizuuRcwWG/HkxBOI+ssbJMCu7kYLV86y0w 0bblH7qlPhcBwi5BBYX3dSKlywoy6Ia2Jg7e2TYGfZBNLnWDbYCbSo6iaCINlhwWCqzpu6DsN70a BS1dvtIPvT3eH9l0fGhPu72WO6X6793nHISnzr/Cz/ZGKxjF8Qz+34QnIJd/AAAA//8DAFBLAQIt ABQABgAIAAAAIQDw94q7/QAAAOIBAAATAAAAAAAAAAAAAAAAAAAAAABbQ29udGVudF9UeXBlc10u eG1sUEsBAi0AFAAGAAgAAAAhADHdX2HSAAAAjwEAAAsAAAAAAAAAAAAAAAAALgEAAF9yZWxzLy5y ZWxzUEsBAi0AFAAGAAgAAAAhADMvBZ5BAAAAOQAAABAAAAAAAAAAAAAAAAAAKQIAAGRycy9zaGFw ZXhtbC54bWxQSwECLQAUAAYACAAAACEAHXXY08YAAADdAAAADwAAAAAAAAAAAAAAAACYAgAAZHJz L2Rvd25yZXYueG1sUEsFBgAAAAAEAAQA9QAAAIsDAAAAAA== " fillcolor="black" strokeweight="1.5pt"/> L t1UKDXHTtVBSKC5JzEtJzMnPS7VVqkwtVrK34+UCAAAA//8DAFBLAwQUAAYACAAAACEAQiO788IA AADdAAAADwAAAGRycy9kb3ducmV2LnhtbERPTYvCMBC9C/6HMII3TS2i0jWKCoJ4EKzCsrehmW27 20xKE23115uD4PHxvpfrzlTiTo0rLSuYjCMQxJnVJecKrpf9aAHCeWSNlWVS8CAH61W/t8RE25bP dE99LkIIuwQVFN7XiZQuK8igG9uaOHC/tjHoA2xyqRtsQ7ipZBxFM2mw5NBQYE27grL/9GYUtPS3 Tef6+P14Zovptf05XbQ8KTUcdJsvEJ46/xG/3QetIJ7EYX94E56AXL0AAAD//wMAUEsBAi0AFAAG AAgAAAAhAPD3irv9AAAA4gEAABMAAAAAAAAAAAAAAAAAAAAAAFtDb250ZW50X1R5cGVzXS54bWxQ SwECLQAUAAYACAAAACEAMd1fYdIAAACPAQAACwAAAAAAAAAAAAAAAAAuAQAAX3JlbHMvLnJlbHNQ SwECLQAUAAYACAAAACEAMy8FnkEAAAA5AAAAEAAAAAAAAAAAAAAAAAApAgAAZHJzL3NoYXBleG1s LnhtbFBLAQItABQABgAIAAAAIQBCI7vzwgAAAN0AAAAPAAAAAAAAAAAAAAAAAJgCAABkcnMvZG93 bnJldi54bWxQSwUGAAAAAAQABAD1AAAAhwMAAAAA " fillcolor="black" strokeweight="1.5pt"/> L t1UKDXHTtVBSKC5JzEtJzMnPS7VVqkwtVrK34+UCAAAA//8DAFBLAwQUAAYACAAAACEAooaGHMcA AADdAAAADwAAAGRycy9kb3ducmV2LnhtbESPQWvCQBSE70L/w/IK3nSTUKKkrtIWCsWDYCKU3h7Z ZxKbfRuyW5P013cFocdhZr5hNrvRtOJKvWssK4iXEQji0uqGKwWn4n2xBuE8ssbWMimYyMFu+zDb YKbtwEe65r4SAcIuQwW1910mpStrMuiWtiMO3tn2Bn2QfSV1j0OAm1YmUZRKgw2HhRo7equp/M5/ jIKBLq/5Su8/p99y/XQavg6Flgel5o/jyzMIT6P/D9/bH1pBEicp3N6EJyC3fwAAAP//AwBQSwEC LQAUAAYACAAAACEA8PeKu/0AAADiAQAAEwAAAAAAAAAAAAAAAAAAAAAAW0NvbnRlbnRfVHlwZXNd LnhtbFBLAQItABQABgAIAAAAIQAx3V9h0gAAAI8BAAALAAAAAAAAAAAAAAAAAC4BAABfcmVscy8u cmVsc1BLAQItABQABgAIAAAAIQAzLwWeQQAAADkAAAAQAAAAAAAAAAAAAAAAACkCAABkcnMvc2hh cGV4bWwueG1sUEsBAi0AFAAGAAgAAAAhAKKGhhzHAAAA3QAAAA8AAAAAAAAAAAAAAAAAmAIAAGRy cy9kb3ducmV2LnhtbFBLBQYAAAAABAAEAPUAAACMAwAAAAA= " fillcolor="black" strokeweight="1.5pt"/> L t1UKDXHTtVBSKC5JzEtJzMnPS7VVqkwtVrK34+UCAAAA//8DAFBLAwQUAAYACAAAACEAzcojh8cA AADdAAAADwAAAGRycy9kb3ducmV2LnhtbESPT2vCQBTE70K/w/IK3nSTUKqkrtIWCsVDwChIb4/s M4nNvg3Zbf7007uFgsdhZn7DbHajaURPnastK4iXEQjiwuqaSwWn48diDcJ5ZI2NZVIwkYPd9mG2 wVTbgQ/U574UAcIuRQWV920qpSsqMuiWtiUO3sV2Bn2QXSl1h0OAm0YmUfQsDdYcFips6b2i4jv/ MQoGur7lK70/T7/F+uk0fGVHLTOl5o/j6wsIT6O/h//bn1pBEicr+HsTnoDc3gAAAP//AwBQSwEC LQAUAAYACAAAACEA8PeKu/0AAADiAQAAEwAAAAAAAAAAAAAAAAAAAAAAW0NvbnRlbnRfVHlwZXNd LnhtbFBLAQItABQABgAIAAAAIQAx3V9h0gAAAI8BAAALAAAAAAAAAAAAAAAAAC4BAABfcmVscy8u cmVsc1BLAQItABQABgAIAAAAIQAzLwWeQQAAADkAAAAQAAAAAAAAAAAAAAAAACkCAABkcnMvc2hh cGV4bWwueG1sUEsBAi0AFAAGAAgAAAAhAM3KI4fHAAAA3QAAAA8AAAAAAAAAAAAAAAAAmAIAAGRy cy9kb3ducmV2LnhtbFBLBQYAAAAABAAEAPUAAACMAwAAAAA= " fillcolor="black" strokeweight="1.5pt"/>

 

 


 

 
Для определения рассмотрим режим холостого хода двухполюсника до его преобразования при отсоединенном ПП : ; ; ; ; EЭ=Uabx=47В
Uabx
I4X
I1X
I2X
a
I3X
b
E
R1
R4
R3
R2

 

 


Для определения исключаем из схемы источник ЭДСE (E=0), тогда

a
a
B
E
R1
R4
R3
R2
B
R1
R4
R3
R2

 

 

 
II этап.Ток в ветви с ПП находим графическим методом:
I mA
U B
UT
IK=EЭ/rЭ
ВАХПП
IT

 

 

    Сделайте перерыв 5 минут и после этого приступайте к изучению методики построения градуированной кривой мостового преобразователя, т.е. зависимости тока ПП ветви от величины неэлектрического воздействия на входе: .    
 

ЗАДАЧА №4

Определить ток в ветви ( ) преобразователя при изменении неэлектрической величины ( ) на входе, если .

Семейство ВАХ преобразователя приведено на следующем кадре.

b
a
E
R1
R4
RT
R3
R2

 

 


Влияние неэлектрического параметра ( ) можно представить как:

а) изменение ВАХ, т.е. семейство ВАХ ПП, если первичный преобразователь – термистор, то

 
-
-

 

б) изменение сопротивление термистора в функции температуры

 

 

 
  При решении задач этого типа рекомендуем воспользоваться методом линейных соотношений (см.лекции). Ток в любой ветви линейной части схемы связан с током в ветви с преобразователем соотношением: , где – ток в ветви с преобразователем, остальные обозначения поясняются на следующем кадре.  

 

c
a
c
c
d
b
a
RT
A
a
I0k
ik
I1
I0
Iik
23

d
b
A
d
b
A

 


, для определения используем внешнюю характеристику эквивалентного генератора и вольтамперную характеристику:

t1
I0
c
d
B
a
A
RT
EЭ
RЭ
I
I0k
I0
EЭ
t01

 

 

 
ПРЕДПИСАНИЕ Найти величину в ветви с преобразователем как функцию от величины температуры в месте расположения датчика – составь таблицу Для этого: а) определить параметры двухэлементной схемы замещения ( и ) двухполюсника, к которому подключается ветвь с первичным преобразователем; б) в режиме ХХ ветви с преобразователем, при определении , записать значение и условно-положительное направление тока в ветви и мостовой ветви ( );

 

в) в режиме КЗ ветви с датчиком, при определении и , записать значение и условно-положительное направление тока в мостовой ветви ( ); г)
t021
U
t0n
I
I0k
I0(t)
EЭ
t011
применяя метод пересечения характеристик, записать в таблицу (если задано семейство ВАХ ПП) или, если задан закон изменения , то

 

 

 

д) записать в таблицу значения , воспользовавшись равенством: , если задан закон изменения .

B
a
t0
RT
EЭ
RЭ

 

 


е) найти величину , воспользовавшись формулой:

.

 

Решите предложенную ЗАДАЧУ №4 (кадр 20). Вы должны получить следующие результаты:

R1

E
c
I3X
c
I3Х
 
R2
c
R4
I3
b
RT
a,d
R3
d
d