Нанесение размеров на чертежах деталей
Основные сведения о нанесении размеров на чертежах приведены в учебном пособии [52]. В настоящем издании эти сведения дополнены применительно к дисциплине «Машиностроительное черчение».
Рассмотрим особенности простановки размеров на машиностроительных чертежах в соответствии со стандартом.
Размеры на чертеже наносятся конструктором не только исходя из соображения о ее взаимодействии с другими деталями, но с учетом процесса ее изготовления. На чертеже детали должны быть проставлены все размеры. Правила нанесения размеров устанавливает стандарт [17].
Размеры разделяют на линейные и угловые. Линейные размеры определяют длину, ширину, высоту, толщину, диаметр и радиус элементов детали в мм. При этом единица измерения «мм» не указывается.












Рис. 4.12 Наименование наиболее часто встречающихся элементов детали.
Угловые размеры указывают в градусах, минутах и секундах с обозначением единицы измерения.
Цифровые размеры, проставленные на чертеже, определяют натуральную величину детали.
Количество размеров на чертеже должно быть минимальным, но вполне достаточным для изготовления и контроля изделия.
Повторять размеры одного и того же элемента детали как на изображениях, так и в технических условиях не допускается.
Для размерных чисел применять простые дроби не допускается, за исключением размеров в дюймах.
Размеры детали необходимо согласовать с соответствующими размерами смежных и сопрягаемых деталей, которые находятся во взаимодействии с данными.
Для размеров, приводимых в технических условиях и пояснительных
надписях на поле чертежа, обязательно указываются единицы измерения.
При выполнении рабочих чертежей необходимо прежде всего повторить правила нанесения размеров, установленные стандартом. Кроме этих правил имеются некоторые особенности, которые установлены в стандарте [42].
Простановку размеров выполняют от определенных поверхностей или линий детали, которые называются базами. В процессе обработки и контроля детали обмер ее производят от баз.
База − поверхность или выполняющее ту же функцию сочетание поверхностей, а также ось, точка, принадлежащая заготовке или изделию и используемая для базирования.
Базирование − придание заготовке или изделию требуемого положения относительно выбранной системы координат.
Стандарты различают конструкторские и технологические базы.
Конструкторская база − база, используемая для определения положения детали или сборочной единицы в изделии.
Технологическая база − база, используемая для определения положения изделия при изготовлении или ремонте на станке или стенде.
Измерительная база − база, используемая для определения относительного положения изделия и средств измерения.
Часто простановка размеров от конструкторских баз не совпадает с простановкой от технологических баз. В качестве базовых поверхностей используют: плоскость, от которой начинается обработка (опорная, а также направляющая или торцевая поверхности), прямые линии − оси симметрии, оси отверстий (скрытые базы) или какие-либо взаимно перпендикулярные прямые, например, кромки деталей (рис. 4.13).
В машиностроении в зависимости от выбора измерительных баз применяют три способа нанесения размеров элементов деталей: цепной, координатный и комбинированный.

1. Цепной способ. Размеры отдельных элементов детали наносят последовательно, как звенья одной цепи. Этот способ находит наименьшее применение (рис. 4.14).
2. Координатный способ. Размеры служат координатам и характеризуют положение элементов детали относительно одной и той же поверхности детали, принятой за общую базу (рис. 4.15).

Рис.4.14 Цепной способ а) б)
нанесения размеров (плохо, Рис. 4.15 Координатный способ нанесения
снижается точность) размеров (плохо технологу и конструктору)
3. Комбинированный способ представляет собой сочетание координатного способа с цепным, т. е. при нанесении размеров на чертеже детали применяют одновременно оба способа: цепной и координатный (рис. 4.16).
Комбинированный способ нанесения размеров предпочтителен. Он обеспечивает требуемую точность, удобство изготовления и контроля деталей без каких-либо дополнительных подсчетов размеров.
Не допускается наносить размеры в виде замкнутой цепи, за исключением случаев, когда один из размеров указан как справочный. Справочные размеры отмечают знаком « * » (рис.4.17).

* Размеры для справок
Рис. 4.16 Комбинированный а) б)
способ нанесения размеров Рис. 4.17 Нанесение справочных размеров
Справочными называются размеры, не подлежащие выполнению по данному чертежу и наносимые только для удобства чтения чертежа, а в технических требованиях записывают − «* Размеры для справок».
Дополнительные сведения нанесения размеров на машиностроительных чертежах в соответствии со стандартом ГОСТ 2.307-68* [17]:
1. Если элемент изделия изображен с отступлением от масштаба изображения, то размерное число следует подчеркнуть (рис.4.18).
2. При нанесении размеров деталей, подобных изображенной на рис. 4.19, размерные линии следует проводить в радиусном направлении, а выносные − по дугам окружностей.
3. Допускается не наносить на чертеже размеры радиуса дуги окружности сопрягающихся параллельных прямых (рис.4.20).
4. Для деталей, имеющих изогнутый контур допускается проводить размерные линии непосредственно к линиям видимого контура (рис. 4.21).

Рис. 4.18 Нанесение Рис. 4.19 Нанесение Рис. 4.20 Нанесение
размера элемента детали, размера на изогнутую размеров без указания
изображенного с деталь размеров дуг
отступлением от масштаба
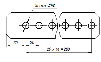
5. При нанесении размеров, определяющих расстояние между равномерно расположенными одинаковыми элементами изделия (например, отверстиями), рекомендуется вместо размерных цепей наносить размер между соседними элементами и размер между крайними элементами в виде произведения количества промежутков между элементами на размер промежутка (рис. 4.22 а).

Рис.4.21 Допускаемые варианты нанесения размеров от линий видимого контура
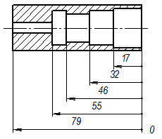
При большом количестве размеров, нанесенных от общей базы, допускается наносить линейные размеры, как показано на рис.4.22 б и угловые размеры, как показано на рис.4.23, при этом проводят общую размерную линию от отметки « 0 » и размерные числа наносят в направлении выносных линий у их концов.
6. Размеры диаметров цилиндрического изделия сложной конфигурации допускается наносить, как показано на рис.4.24
7. При большом количестве однотипных элементов изделия, неравномерно расположенных на поверхности, допускается указывать их размеры
а) б)
Рис. 4.22 Примеры нанесения размеров
в сводной таблице, при этом применятся координатный способ нанесения размеров отверстий с обозначением их арабскими цифрами или обозначением однотипных элементов прописными буквами (рис. 4.25).
Рис. 4.23 Вариант нанесения Рис. 4.24 Нанесение размеров диаметров
угловых размеров от общей базы цилиндрического изделия


8. Если одинаковые элементы изделия (например, отверстия) расположены на разных поверхностях и показаны на разных изображениях, то количество этих элементов записывают отдельно для каждой поверхности (рис. 4.26).

Рис. 4.26 Нанесение размеров одинаковых элементов изделия,
расположенных на разных поверхностях
Допускается повторять размеры одинаковых элементов изделия или их групп (в том числе отверстий), лежащих на одной поверхности, только в том случае, когда они значительно удалены друг от друга и не увязаны между собой размерами (рис 4.27).

Рис.4.27 Возможное нанесение размеров одинаковых элементов
изделия, расположенных на одной поверхности
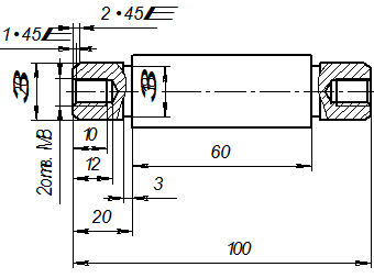
9. Допускается указывать размеры не изображенной на чертеже фаски под углом 45°, размер которой в масштабе чертежа 1 мм и менее, на полке линии-выноски, проведенной от грани (рис. 4.28).
10. Размеры двух симметрично расположенных элементов изделия (кроме отверстий) наносят один раз без указания их количества, группируя, как правило, в одном месте все размеры (рис.4.29 а), а количество одинаковых отверстий всегда указывают полностью, а их размеры − только один раз (рис. 4.29 б).

Рис. 4.28 Нанесение размеров фасок, не изображенных на чертеже

а) б)

11. Размеры детали или отверстия прямоугольного сечения могут быть указаны на полке линии-выноски размерами сторон через знак умножения. При этом на первом месте должен быть указан размер той стороны прямоугольника, от которой проводиться линия-выноска (рис. 4.30).
12. Размеры сквозных и глухих отверстий следует наносить в продольном разрезе. Стандарт ГОСТ 2.318-81 [24] устанавливает правила упрощенного нанесения размеров в следующих случаях: 1) диаметр отверстия на изображении − 2 мм и менее; 2) отсутствует изображение
отверстия в разрезе или сечении вдоль оси; 3) нанесение размеров отверстий по общим правилам усложняет чтение чертежа (табл..4.1)

Рис. 4.30 Нанесение размера детали прямоугольного сечения