Циклы обмена по ISA

О циклах обмена по магистрали ISA уже упоминалось в разделе 2.2. Здесь мы рассмотрим их несколько подробнее, на уровне, достаточном для практического использования.

В режиме программного обмена информацией на магистрали ISA выполняется четыре типа циклов:

  • цикл записи в память;
  • цикл чтения из памяти;
  • цикл записи в устройство ввода/вывода;
  • цикл чтения из устройства ввода/вывода.

Циклы обмена с памятью и с устройствами ввода/вывода различаются между собой используемыми стробами записи и чтения, а также временными задержками между сигналами.

Цикл обмена с устройствами ввода/вывода начинается с выставления задатчиком кода адреса на линиях SA0...SA15 и сигнала -SBHE, определяющего разрядность информации. Чаще всего используются только 10 младших линий SA0...SA9, так как большинство разработанных ранее плат расширения задействуют только их. В ответ на получение адреса исполнитель, распознавший свой адрес, должен сформировать сигнал -I/O CS16 в случае, если обмен должен быть 16-разрядным. Далее следует собственно команда чтения или записи.

При цикле чтения задатчик выставляет сигнал -IOR, в ответ на который исполнитель должен выдать данные на шину данных. Эти данные должны быть сняты исполнителем после окончания сигнала -IOR.

В цикле записи задатчик выставляет записываемые данные и сопровождает их стробом записи -IOW. Исполнитель должен принять эти данные (для гарантии — по заднему фронту сигнала -IOW).

На рис. 8.2 приведены временные диаграммы циклов обмена с устройствами ввода/вывода. Для простоты на одном рисунке показаны как цикл записи, так и цикл чтения, хотя производятся они, конечно, в разное время.


Рис. 8.2. Временные диаграммы циклов программного обмена с устройствами ввода/вывода (все интервалы в наносекундах).

Если исполнитель не успевает выполнить команду в темпе магистрали, он может приостановить на целое число периодов Т сигнала SYSCLK завершение цикла чтения или записи за счет снятия (перевода в низкий уровень) сигнала I/O CH RDY (так называемый удлиненный цикл). Это производится в ответ на получение переднего фронта сигнала -IOR или -IOW. Сигнал I/O CH RDY может удерживаться низким не более 15,6 мкс, в противном случае процессор переходит в режим обработки немаскируемого прерывания NMI.

Разработчику ISA-устройств необходимо, прежде всего, обращать внимание на те временные интервалы, которые связаны с быстродействием аппаратуры этих устройств. Например, на обработку адреса селектору адреса отводится не более 91 нс, а буфер данных в цикле чтения должен выдавать данные на магистраль не более чем за 110 нс.

При циклах программного обмена с памятью используются те же самые сигналы, только вместо строба чтения -IOR применяются стробы чтения -MEMR и -SMEMR, а вместо строба записи -IOW — стробы записи -MEMW и -SMEMW. Для определения байтового или словного формата данных применяется сигнал -MEM CS16. Для асинхронного режима обмена (удлиненного цикла) здесь также используется сигнал I/O CH RDY. Отметим, что память должна обрабатывать все адресные разряды магистрали, включая и LA17...LA23.

На рис. 8.3 показана временная диаграмма обмена с памятью, причем здесь указаны только временные интервалы, отличающиеся от аналогичных интервалов на рис. 8.2. Для простоты на одном рисунке показаны как цикл записи в память, так и цикл чтения из памяти.


Рис. 8.3. Временные диаграммы циклов программного обмена с памятью (все интервалы в наносекундах).

В случае циклов прямого доступа к памяти (ПДП) используется другой протокол обмена. Так как магистраль ISA имеет раздельные стробы чтения и записи для устройств ввода/вывода и для памяти, пересылка данных в режиме ПДП производится за один машинный цикл. То есть если данные надо переслать из устройства ввода/вывода в память, то одновременно производится чтение данных из устройства ввода/вывода (по сигналу -IOR) и их запись в память (по сигналу -MEMW). Аналогично осуществляется пересылка данных из памяти в устройство ввода/вывода (по сигналам -MEMR и -IOW).

Цикл ПДП (рис. 8.4) начинается с запроса ПДП от исполнителя, желающего произвести обмен, с помощью одного из сигналов DRQ. После освобождения магистрали текущим задатчиком (например, процессором) контроллер ПДП через время t формирует соответствующий сигнал -DACK, говорящий о предоставлении ПДП запросившему его.


Рис. 8.4. Временная диаграмма циклов прямого доступа к памяти (все интервалы в наносекундах).

Затем контроллер ПДП вырабатывает адрес ячейки памяти, с которой будет производиться обмен в текущем цикле, и сигнал AEN, который говорит устройству ввода/вывода о том, что к нему идет обращение в режиме ПДП. После этого выставляется строб чтения (-IOR или -MEMR), в ответ на который источник передаваемых данных выставляет свою информацию на шину данных, и строб записи (-MEMW или -IOW), по которому данные записываются в приемник данных. Здесь так же, как и в обычном цикле, возможен асинхронный обмен (удлиненный цикл) с использованием сигнала I/O CH RDY. Для простоты на одном рисунке показано два цикла: передачи из памяти в устройство ввода/вывода и передачи из устройства ввода/вывода в память. Временные интервалы этих двух циклов несколько различаются.

При аппаратных прерыванияхпротокол обмена совсем простой, так как прерывания используются радиальные. Исполнитель, желающий инициировать прерывание, выставляет свой запрос (положительный переход на одной из линий IRQ) на магистраль. Контроллер прерываний, получив этот запрос, преобразует его в запрос прерываний процессора. Процессор, закончив выполнение текущей команды, переходит на адрес начала программы обработки данного прерывания, который однозначно определяется по номеру используемого сигнала IRQ. После обработки прерывания процессор возвращается к основной программе.

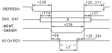
Для проведения регенерации динамической памяти компьютера используются специальные циклы регенерации (рис. 8.5).


Рис. 8.5. Временные диаграммы циклов регенерации на ISA (все интервалы указаны в наносекундах).

Такие циклы выполняет контроллер регенерации, который должен для этого получать управление магистралью каждые 15 микросекунд. Во время цикла регенерации производится чтение одной из 256 ячеек памяти (для адресации при этом используются только восемь младших разрядов адреса SA0...SA7). Читаемая информация нигде не применяется, то есть это цикл псевдочтения. Проведение 256 циклов регенерации, то есть псевдочтение из 256 последовательных адресов памяти, обеспечивает полное обновление информации в памяти и ее непрерывное сохранение. Если по каким-то причинам цикл регенерации памяти не производится вовремя, возможна потеря информации.

Цикл регенерации включает в себя выставление сигнала -REFRESH, сигналов кода адреса SA0...SA7 и строба чтения из памяти -MEMR. В случае необходимости может использоваться сигнал I/O CH RDY, обеспечивающий асинхронный обмен.

При включении питания, а также при нажатии кнопки RESET на передней панели компьютера на магистрали вырабатывается сигнал RESET DRV, который используется всеми устройствами, подключенными к магистрали для сброса в исходное состояние и отключения от магистрали.

Захват магистрали сторонним задатчиком, в принципе, предусмотренная стандартом, используется на практике довольно редко, так как требует от устройства, захватившего магистраль, полного управления ею, включая и поддержку периодической регенерации памяти.

Электрические характеристики магистрали предъявляют жесткие требования ко всем подключаемым устройствам по величине входных и выходных токов, а также по потребляемой мощности. В противном случае возможен выход из строя всего компьютера в целом.

Стандарт определяет, что выходной ток любого источника магистральных сигналов не должен быть меньше 24 мА, а входной ток любого приемника магистральных сигналов не должен превышать 0,8 мА. Кроме того, нарушения в работе компьютера может вызвать несоблюдение временных ограничений, накладываемых используемыми протоколами обмена во всех рассмотренных циклах.

8.1.3. Распределение ресурсов компьютера Помимо архитектуры аппаратных средств и параметров системной шины специфика любого компьютера определяется принятым стандартным распределением всех его ресурсов. Соблюдать правила, установленные этим распределением, должны и программисты (как системные, так и занимающиеся разработкой прикладных программ), и разработчики дополнительного оборудования, и даже те пользователи, которые просто хотят установить в компьютер новую плату расширения. В случае малейшего нарушения этих правил возможны как непредсказуемые сбои в работе компьютера, невозможность его начальной загрузки, так и полный выход компьютера из строя. Под распределением ресурсов в данном случае понимается:
  • распределение адресного пространства системной памяти, отведение отдельных областей памяти под особые цели;
  • распределение адресного пространства устройств ввода/вывода, в том числе для системных средств компьютера;
  • распределение каналов запроса прерываний, в том числе для системных устройств;
  • распределение каналов запроса прямого доступа к памяти.
Понятно, что если программист захочет использовать те адреса памяти, которые отведены для системных нужд (например, для памяти дисплея или системных таблиц), то работоспособность компьютера нарушится. Если выполняемая программа попытается записать какую-либо информацию по тем адресам системной памяти, которые стандартом отведены под постоянную память (ROM), то записываемая информация будет просто потеряна, и программа работать не будет. Если писать информацию по тем адресам памяти, которые отведены под видеопамять, то будет искажаться изображение на экране видеомонитора. Если вставляемая в компьютер плата расширения использует неправильные (занятые другими устройствами) адреса в адресном пространстве памяти, то ее работа будет невозможна, и не исключен даже выход из строя аппаратуры компьютера (так как при циклах чтения из перекрывающихся адресов памяти два устройства будут выставлять свои данные на шину одновременно, что может стать причиной выгорания буферных микросхем). Если разработчик платы расширения с устройством ввода/вывода или пользователь, подключающий новую плату расширения, установят адрес своего устройства так, что он будет совпадать с адресом системного устройства или адресом другой платы расширения, то возможны конфликты при обращении к данному устройству. При этом в цикле записи информация будет записываться не в одно, а в два или более устройств, а в цикле чтения на шину данных будут одновременно выставлять свои данные не одно, а несколько устройств. То есть в цикле записи возможно нарушение установленных режимов работы системных устройств (например, контроллера прерываний или контроллера ПДП) или неправильная работа новой платы расширения, а в цикле чтения — даже выход из строя одного из устройств, выставляющих свои данные на магистраль одновременно. Если при подключении к компьютеру новой платы расширения установить для нее неправильный канал запроса прерывания, это может привести к тому, что данное прерывание просто не будет обслуживаться. Может также перестать обслуживаться прерывание от системного устройства, с которым конфликтует новая плата. В худшем случае это может вызвать выход из строя новой платы расширения или же системного устройства. Точно так же при неправильном выборе номера канала запроса прямого доступа к памяти может перестать обслуживаться запрос ПДП системного устройства, а может выйти из строя системное устройство или новая плата расширения. То есть соблюдение правил стандартного распределения ресурсов компьютера — это не чья-то прихоть, а жизненная необходимость. Правда, в последнее время получила распространение снимающая данные проблемы технология автоматического распределения ресурсов Plug-and-Play (PnP, P&P), что можно перевести как «Вставляй и работай». При этом пользователю достаточно просто подключить свою плату к компьютеру, а все операции по распределению ресурсов компьютер выполнит самостоятельно, и любые конфликты будут автоматически устранены. Но для этого необходимо обязательное выполнение двух условий. Во-первых, технологию PnP должен поддерживать данный компьютер и его программное обеспечение. Во-вторых, эту технологию должно поддерживать подключаемое к компьютеру устройство. Определить это довольно просто: если на плате имеются переставляемые перемычки или механические переключатели для задания параметров платы (адресов портов ввода/вывода, номера используемого прерывания, базового адреса памяти, номера канала ПДП), то можно смело утверждать, что выбор конфигурации, учет стандартного распределения ресурсов компьютера ложится на пользователя. Компьютер здесь не помощник. Конечно же, перед установкой в компьютер новых плат расширения следует внимательно прочитать инструкцию и точно следовать ей. Подробнее о работе режима PnP будет рассказано ниже. А теперь рассмотрим принятое в персональных компьютерах стандартное распределение ресурсов. О стандартном распределении памяти уже говорилось в предыдущей главе. Чуть подробнее распределение адресов памяти описано в табл. 8.3. Из таблицы видно, что для памяти, входящей в состав устройств ввода/вывода, отводится зона всего лишь в 92 Кбайта (адреса С8000…DFFFF). В этом пространстве может располагаться как оперативная память, так и постоянная память устройств ввода/вывода. Иногда память устройств ввода/вывода захватывает также и зону адресов С0000…С7FFF.
Таблица 8.3. Распределение адресов памяти (адреса даны в шестнадцатеричном коде).
Адреса памяти Назначение
000000...0003FF Таблица векторов прерываний
000000...09FFFF Память DOS и пользовательских программ
0А0000...0АFFFF Память дисплея EGA или VGA
0B0000...0B7FFF Память монохромного дисплея MDA
0B8000...0BFFFF Память дисплея CGA
0C0000...0C3FFF ПЗУ BIOS для EGA/VGA
0C8000...0DFFFF Память устройств ввода/вывода
0E0000...0EFFFF Резерв ПЗУ ВIOS на материнской плате
0F0000...0FFFFF ПЗУ BIOS на материнской плате

Важно помнить, что помимо этого распределения, общего для любых программных и аппаратных средств, существуют еще и распределения памяти, специфические для каждой операционной системы. Их также необходимо учитывать во избежание отказа при выполнении системных программ. Отметим, что в современных компьютерах, конечно же, не используются давно устаревшие дисплеи стандартов CGA или MDA. Однако в том случае, если требуется универсальность программного обеспечения, надо учитывать и то, что его могут попытаться запустить на компьютерах с подобными дисплеями.

Стандартное распределение адресов в адресном пространстве устройств ввода/вывода персонального компьютера приведено в табл. 8.4.

Как уже отмечалось, стандарт допускает адресацию 64К устройств ввода/вывода (то есть можно использовать 16 разрядов адреса). Однако подавляющее большинство плат расширения для упрощения аппаратуры использует только 10 младших разрядов, что соответствует всего 1К (или 1024) адресов (от 000 до 3FF в шестнадцатеричном коде). При этом 16-разрядные порты ввода/вывода имеют четные адреса, то есть их может быть всего 512.

Таблица 8.4. Распределение адресов устройств ввода/вывода.
Адреса Назначение
000...01F Контроллер ПДП 1
020...03F Контроллер прерываний 1
040...05F Программируемый таймер
060...06F Контроллер клавиатуры
070...07F Часы реального времени
080...09F Регистр страницы ПДП
0A0...0BF Контроллер прерываний 2
0С0...0DF Контроллер ПДП 2
0F0...0FF Математический сопроцессор
170...177 Накопитель на жестком диске (второй)
1F0...1F7 Накопитель на жестком диске (первый)
200...207 Игровой порт (джойстик)
278...27F Параллельный порт LPT2
2С0...2DF Адаптер EGA 2
2F8...2FF Последовательный порт COM2
300...31F Прототипные платы
320...32F Накопитель на жестком диске XT
360...36F Резервные адреса
370...377 Накопитель на гибком диске (второй)
378...37F Параллельный порт LPT1
380...38F Контроллер бисинхронного обмена SDLC2
3A0...3AF Контроллер бисинхронного обмена SDLC1
3B0...3DF Адаптер VGA
3B0...3BF Адаптер дисплея MDA и принтера
3C0...3CF Адаптер EGA 1
3D0...3DF Адаптер СGA
3F0...3F7 Накопитель на гибком диске (первый)
3F8...3FF Последовательный порт COM1

Как видно из таблицы, значительная часть возможных адресов уже занята системными устройствами, свободных адресов не так много. Резервные адреса — это те, которые зарезервированы под дальнейшее расширение системы.

В табл. 8.5 представлено стандартное распределение номеров аппаратных прерываний и соответствующих им номеров в таблице векторов прерываний (INT).

Как видно из таблицы, большинство входов IRQ заняты системными ресурсами компьютера. Свободны (зарезервированы) только четыре канала: 10, 11, 12, 15, причем они находятся на 16-разрядной части разъема магистрали ISA. Правда, иногда в компьютерах применяется только один параллельный порт или (гораздо реже) только один последовательный порт, и тогда свободными оказываются еще IRQ3 и IRQ5. Сигналы IRQ0...IRQ2, IRQ8 и IRQ13 задействованы на системной плате и недоступны платам расширения.

Таблица 8.5. Распределение каналов аппаратных прерываний.
Номер прерывания IRQ INT Назначение
Программируемый таймер
Контроллер клавиатуры
0A Каскадирование второго контроллера
Часы реального времени (только АТ)
Программно переадресовано на IRQ2
Резерв
Резерв
Резерв
Математический сопроцессор
Контроллер жесткого диска
Резерв
0B Последовательный порт COM2
0C Последовательный порт COM1
0D Параллельный порт LPT2
0E Контроллер гибкого диска
0F Параллельный порт LPT1

В компьютере используются два 8-разрядных контроллера прерываний. Сигналы IRQ0...IRQ7 относятся к первому из них, а IRQ8...IRQ15 — ко второму. Для каскадирования второго контроллера прерываний задействован вход IRQ2 (рис. 8.6). В связи с этим запросы прерывания имеют следующие приоритеты обслуживания в порядке возрастания: IRQ7, IRQ6, IRQ5, IRQ4, IRQ3, IRQ15, IRQ14, IRQ12, IRQ11, IRQ10, IRQ9. Такая схема включения сложилась исторически, так как в компьютере IBM PC XT использовался только один 8-канальный контроллер прерываний, а при переходе на IBM PC AT к нему был добавлен второй контроллер для удвоения количества каналов запросов прерываний. В современных компьютерах оба контроллера прерываний вместе с другими контроллерами могут входить в состав одной и той же микросхемы, но совместимость распределения прерываний по-прежнему обеспечивается.


Рис. 8.6. Включение двух контроллеров прерываний.

Стандартное распределение каналов запроса прямого доступа к памяти представлено в табл. 8.6.

Как и в случае с контроллерами прерываний, здесь применяется два контроллера, причем один из них каскадируется через другой. На каждой линии DRQ должен быть один выход ISA-устройства. Каналы, соответствующие первому контроллеру ПДП (сигналы DRQ0...DRQ3), предназначены только для 8-битного обмена, а соответствующие второму контроллеру (DRQ5...DRQ7) — для 16-битного. Канал DRQ4 используется для каскадирования двух контроллеров ПДП и поэтому недоступен пользователям. Сигнал запроса DRQ0 имеет самый высокий приоритет, сигнал DRQ7 — самый низкий. В IBM PC XT канал DRQ0 использовался для регенерации динамической памяти. Каждый канал ПДП может передавать данные в пределах 16-мегабайтного адресного пространства блоками длиной до 64 Кбайт (каналы 0, 1, 2, 3) или до 128 Кбайт (каналы 5, 6, 7).

Таблица 8.6. Стандартное распределение каналов прямого доступа к памяти.
Номер канала ПДП Назначение
Резервный
Контроллер бисинхронного обмена SDLC
Накопитель на гибком диске
Резервный
Каскадирование первого контроллера
Резервный
Резервный
Резервный

Естественно, обычному пользователю запомнить всю эту информацию о распределении ресурсов довольно сложно, к тому же при малейшей ошибке возможны неприятности. Именно из этих соображений фирмами Compaq Computer, Intel, Microsoft и Phoenix Technologies в 1993 году была предложена технология Plug-and-Play (PnP), возлагающая все заботы о конфигурации компьютера на сам компьютер. Пользователь при этом может даже ничего не знать об адресном пространстве, прерываниях и каналах прямого доступа, он просто подключает плату, и она сразу же начинает работать правильно. Правда, при этом все компоненты компьютера (базовая система ввода/вывода BIOS, операционная система, прикладное программное обеспечение, подключаемые устройства) должны поддерживать режим PnP. В конце концов, технология PnP должна работать на всех используемых интерфейсах компьютера: ISA, PCI, VLB, IDE, RS-232C и т.д. Наиболее же приспособлена для этого системная шина PCI, имеющая специально предусмотренные средства, что еще более увеличивает ее шансы стать единственным стандартом системной шины.

При включении компьютера с PnP его программа начального запуска BIOS определяет устройства, которые необходимы в процессе загрузки. Затем BIOS запрашивает у каждого из этих устройств его уникальный номер (идентификатор), хранящийся в памяти PnP-устройства. После этого BIOS разрешает все конфликты между устройствами. При этом устройства, которые не нужны для загрузки компьютера, не обслуживаются.

После загрузки операционной системы вступает в действие специальный программный драйвер — менеджер конфигурации (configuration manager), который с помощью драйверов-нумераторов шин (bus enumerators) определяет устройства, требующие системных ресурсов. Если подключенное устройство не поддерживает PnP и не может выдать информацию о себе, то такая информация должна быть заложена в формируемую вручную базу данных. Вся собранная информация о текущей конфигурации сохраняется в оперативной памяти, в области hardware tree. Эту информацию в дальнейшем использует программа-арбитр ресурсов (resource arbitrator) при распределении системных ресурсов между устройствами. После этого менеджер конфигурации через нумераторы шин сообщает PnP-устройствам о том, какие ресурсы компьютера им присвоены, и данная информация в дальнейшем хранится в программно доступных регистрах (или flash-EPROM) этих устройств. На этом работа PnP по распределению ресурсов заканчивается, и далее компьютер функционирует как обычно, обращаясь ко всем устройствам стандартным образом.

Отметим также, что в некоторых компьютерах предусмотрена возможность так называемого «горячего подключения» внешних устройств (то есть без выключения питания компьютера). Режим PnP должен поддерживать и эту возможность, распределяя ресурсы не только при начальной загрузке, но и по мере подключения новых устройств.

8.2. Интерфейс Centronics Основным назначением интерфейса Centronics (отечественный аналог — стандарт ИРПР-М) является подключение к компьютеру принтеров различных типов (из-за чего его называют принтерным портом). Поэтому распределение контактов разъема, назначение сигналов, программные средства управления интерфейсом ориентированы именно на такое применение. В то же время, с помощью данного интерфейса можно подключать к компьютеру и многие другие стандартные внешние устройства (например, сканеры, дисководы и т.д.), а также нестандартные внешние устройства. Назначение 36 контактов разъема Centronics и соответствующих им контактов разъема принтера приведено в табл. 8.7. В таблице символ I обозначает входной сигнал компьютера, а O — выходной сигнал. Сигналы интерфейса Centronics имеют следующее назначение:
  • D0...D7 — 8-разрядная шина данных для передачи из компьютера в принтер (предусматривается и возможность двунаправленной передачи данных).
  • -STROBE — сигнал стробирования данных. Данные действительны как по переднему, так и по заднему фронту этого сигнала. Сигнал говорит приемнику (принтеру) о том, что можно принимать данные с шины данных.
  • -ACK — сигнал подтверждения принятия данных и готовности приемника (принтера) принять следующие данные. То есть реализуется асинхронный обмен.
  • BUSY — сигнал занятости принтера обработкой полученных данных и неготовности принять следующую порцию данных. Активен также при переходе принтера в состояние off-line, при ошибке и при отсутствии бумаги. Компьютер начинает новый цикл передачи только после снятия -ACK и после снятия BUSY.
  • -AUTO FD — сигнал автоматического перевода строки. Получив его, принтер переводит каретку на следующую строку текста. Остальные сигналы не являются обязательными.
  • PE — сигнал конца бумаги. Получив его, компьютер переходит в режим ожидания. Если в принтер вставить лист бумаги, то сигнал снимается.
  • SLCT — сигнал готовности приемника. С его помощью принтер сообщает о том, что он выбран и готов к работе. У многих принтеров имеет постоянно высокий уровень.
  • -SLCT IN — сигнал, посредством которого компьютер сообщает принтеру о том, что тот выбран, и последует передача данных.
  • -ERROR — сигнал ошибки принтера. Активен при внутренней ошибке, переходе принтера в состояние off-line или при отсутствии бумаги. Как видим, здесь многие сигналы дублируют друг друга.
  • -INIT — сигнал инициализации (сброса) принтера. Его длительность составляет не менее 2,5 мкс. По нему происходит очистка буфера печати.
Таблица 8.7. Назначение контактов разъемов Centronics.
Контакт разъема компьютера Сигнал I/O Контакт разъема принтера
-STROBE O
D0 O
D1 O
D2 O
D3 O
D4 O
D5 O
D6 O
D7 O
-ACK I
BUSY I
PE I
SLCT I
-AUTO FD O
-ERROR I
-INIT O
-SLCT IN O
18...25 GND - 16, 17, 19...30, 33

Временная диаграмма цикла передачи данных представлена на рис. 8.7. Перед началом цикла передачи данных компьютер должен убедиться, что сняты сигналы BUSY и -ACK. После этого выставляются данные, формируется строб, снимается строб, и снимаются данные. Принтер должен успеть принять данные с выбранным темпом. При получении строба принтер формирует сигнал BUSY, а после окончания обработки данных выставляет сигнал -ACK, снимает BUSY и снимает -ACK. Затем может начинаться новый цикл.

Максимальная длина соединительного кабеля по стандарту — 1,8 м. Максимальная скорость обмена — 100 Кбайт/с.

Формирование и прием сигналов интерфейса Centronics производится путем записи и чтения выделенных для него портов ввода/вывода. В компьютере может использоваться три порта Centronics, обозначаемых LPT1 (базовый адрес 378), LPT2 (базовый адрес 278) и LPT3 (базовый адрес 3BC).

Базовый адрес порта используется для передачи принтеру байта данных. Установленные на линиях данные можно считать из этого же порта.

Следующий адрес (базовый + 1) служит для чтения битов состояния принтера (бит 3 соответствует сигналу -ERROR, бит 4 — сигналу SLCT, бит 5 — сигналу PE, бит 6 — сигналу -ACK, бит 7 — сигналу BUSY). Последний используемый адрес (базовый + 2) применяется для записи битов управления принтером (бит 0 соответствует сигналу -STROBE, бит 1 — сигналу -AUTO FD, бит 2 — сигналу -INIT, бит 3 — сигналу -SLCT IN и, наконец, бит 4, равный единице, разрешает прерывание от принтера).


Рис. 8.7. Временные диаграммы цикла передачи данных в Centronics (все временные интервалы указаны в наносекундах).

При сопряжении с компьютером через параллельный порт LPT какого-нибудь другого устройства (не принтера) назначение сигналов и порядок обмена могут быть другими, но тогда необходимы специальные программные драйверы, реализующие выбранные протоколы обмена. При разработке нестандартных внешних устройств, сопрягаемых с компьютером через Centronics, можно самостоятельно выбирать как назначение сигналов, так и протокол обмена.