Неинвертирующнй усилитель


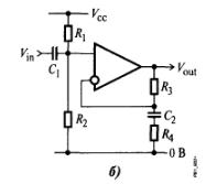
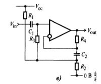
Рис 3.7. Неинвертирующие усилители:
а - основная схема;
б - усилитель переменного тока;
в - усилитель переменного тока с компенсационной обратной связью.
Как правило, на основе схемы, изображенной на Рис. 3.7а, строятся усилители звуковой частоты. В схеме, изображенной на Рис. 3.7б, с помощью конденсаторов С1 и С2 обеспечивается развязка по переменному току, а резисторы R1 и R2 устанавливают уровень постоянной составляющей на неинвертирующем входе и на выходе. Резисторы R3, и R4 определяют коэффициент усиления по переменному току.

Для основной схемы